
BRIEFING PAPERS
FOR ELECTED MEMBERS’
BRIEFING SESSION
Draft Only
to be held at
the Civic Centre,
Dundebar Rd, Wanneroo
on 09 September, 2014 commencing at 6:00pm
PROCEDURE FOR FULL COUNCIL BRIEFING
PRINCIPLES
A Council Briefing occurs a week prior to the Ordinary Council Meeting and provides an opportunity for Elected Members to ask questions and clarify issues relevant to the specific agenda items before council. The briefing is not a decision-making forum and the Council has no power to make decisions. The briefing session will not be used, except in an emergency, as a venue or forum through which to invoke the requirements of the Local Government Act 1995 and call a special meeting of Council.
In order to ensure full transparency the meetings will be open to the public to observe the process. Where matters are of a confidential nature, they will be deferred to the conclusion of the briefing and at that point, the briefing session closed to the public. The reports provided are the Officers’ professional opinions. While it is acknowledged that members may raise issues that have not been considered in the formulation of the report and recommendation, it is a basic principle that as part of the briefing sessions Elected Members cannot direct Officers to change their reports or recommendations.
PROCESS
The briefing session will commence at 6.00 pm and will be chaired by the Mayor or in his/her absence the Deputy Mayor. In the absence of both, Councillors will elect a chairperson from amongst those present. In general, Standing Orders will apply, EXCEPT THAT Members may speak more than once on any item, there is no moving or seconding items, Officers will address the members and the order of business will be as follows:-
Members of the public present may observe the process and there is an opportunity at the conclusion of the briefing for a public question time where members may ask questions (no statements) relating only to the business on the agenda. The agenda will take the form of:
Ø Attendance and Apologies
Ø Declarations of Interest
Ø Reports for discussion
Ø Tabled Items
Ø Public Question Time
Ø Closure
Where an interest is involved in relation to an item, the same procedure which applies to Ordinary Council meetings will apply. It is a breach of the City’s Code of Conduct for an interest to not be declared. The briefing will consider items on the agenda only and proceed to deal with each item as they appear. The process will be for the Mayor to call each item number in sequence and ask for questions. Where there are no questions regarding the item, the briefing will proceed to the next item.
AGENDA CONTENTS
While every endeavour is made to ensure that all items to be presented to Council at the Ordinary Council Meeting are included in the briefing papers, it should be noted that there will be occasions when, due to necessity, items will not be ready in time for the briefing session and will go straight to the Full Council agenda as a matter for decision. Further, there will be occasions when items are TABLED at the briefing rather than the full report being provided in advance. In these instances, staff will endeavour to include the item on the agenda as a late item, noting that a report will be tabled at the agenda briefing session.
AGENDA DISTRIBUTION
The Council Briefing agenda will be distributed to Elected Members on the FRIDAY prior to the Council Briefing session. Copies will be made available to the libraries and the Internet for interested members of the public. Spare briefing papers will be available at the briefing session for interested members of the public.
DEPUTATIONS
Deputations will generally not be heard prior to the Council Briefing session and are reserved for prior to the Ordinary Council meeting.
RECORD OF BRIEFING
The formal record of the Council Briefing session will be limited to notes regarding any agreed action to be taken by staff or Elected Members. No recommendations will be included and the notes will be retained for reference and are not distributed to Elected Members or the public.
LOCATION
The Council Briefing session will take place in the Council Chamber in the Civic Centre.

Briefing Papers for Tuesday 9 September, 2014
CONTENTS
Item 2______ Apologies and Leave of Absence
Town Planning Schemes & Structure Plans
3.1 Adoption of Proposed Hainsworth Local Structure Plan No. 98
3.3 Determination of Amendment No. 3 to the Drovers Place Precinct Agreed Structure Plan No.80
3.6 Apppointment of Community Representative to the Environmental Advisory Committee
3.7 Motions from Special Electors Meeting - Tree Preservation
Community Safety & Emergency Management
3.11 Dog Exercise Areas And Places Where Dogs Are Prohibited
Infrastructure & Coastal Maintenance
3.12 Two Rocks Coastal Management
Community Programs and Services
3.16 Oldham Reserve - Building Extension - Financial and Resource Capacity
3.17 Community Facilities Sporting and Recreation Facilities Fund - 2014 Funding Round
Corporate Strategy & Performance
3.18 Warrant of Payments for the Period Ending 31 August 2014
3.19 Financial Activity Statement for the Period Ended 31 July 2014
3.20 Change Valuation of Land Method
3.21 Change Valuation of Land Method - Rate Record Review
3.22 Year End Corporate Progress Report 2013/14
3.23 Amendments to the 2014/15 Audit Plan
3.24 Internal Audit Services Contract Extension
3.25 Review of City of Wanneroo Local Laws under Section 3.16 of the Local Government Act 1995
3.26 Donations to be Considered by Council - September 2014
Item 4______ Motions on Notice
Item 5______ Late Reports (to be circulated under separate cover)
Item 6______ Public Question Time
7.1 Offer to Purchase Lot 105 (196) Gnangara Road, Landsdale
7.2 Kingsway Regional Sporting Complex - Stage 2 Contractual Dispute and Commercial Arbitration
7.3 Mayor Roberts - Chief Executive Officer's Annual Performance Review 2013/2014
Item 8______ Date of Next Meeting
Agenda
Good evening Councillors, staff, ladies and gentlemen, we wish to acknowledge the traditional custodians of the land we are meeting on, the Whadjuk people. We would like to pay respect to the Elders of the Nyoongar nation, past and present, who have walked and cared for the land and we acknowledge and respect their continuing culture and the contributions made to the life of this city and this region and I invite you to bow your head in prayer:
Lord, We ask for your blessing upon our City, our community and our Council. Guide us in our decision making to act fairly, without fear or favour and with compassion, integrity and honesty. May we show true leadership, be inclusive of all, and guide the City of Wanneroo to a prosperous future that all may share. We ask this in your name. Amen
Item 2 Apologies and Leave of Absence
Cr LA Aitken (Leave of Absence 25.08.14-15.09.14)
Declarations of Interest by Elected Members, including the nature and extent of the interest. Declaration of Interest forms to be completed and handed to the Chief Executive Officer.
Town Planning Schemes & Structure Plans
File Ref: 10698 – 14/170301
Responsible Officer: A/Director Planning and Sustainability
Disclosure of Interest: Nil
Attachments: 4
Issue
To consider submissions on the proposed Hainsworth Local Structure Plan No. 98 (LSP 98) to determine the modifications required and its acceptability for final approval and forwarding to the Western Australian Planning Commission (WAPC) for endorsement.
|
Applicant |
Department of Housing |
|
Owner |
Housing Authority |
|
Location |
Lot 14143 (16) Harford Way, GIRRAWHEEN |
|
Site Area |
42,035.18m² |
|
MRS Zoning |
Urban |
|
DPS 2 Zoning |
Urban Development, R20 |
Background
On 2 August 2013, the Department of Housing on behalf of the Department of Education submitted the proposed Local Structure Plan No. 98 – Former Hainsworth Primary School Site (LSP 98) included as Attachment 1 to the City for approval.
The structure plan area is currently zoned 'Urban Development' under District Planning Scheme No. 2 (DPS 2). The site, formerly a Primary School, was rezoned from 'Public Purpose Reserve (Primary School)' to 'Urban Development' by Amendment No. 110 to DPS 2 to allow for future residential development on the site.
On 3 January 2014, the Manager Planning Implementation forwarded a memorandum to all Elected Members, providing the opportunity for members to request referral of the proposal to Council for consent to advertise. No such requests were received and, as such, advertising of LSP 98 commenced on 28 January 2014 in accordance with Clause 9.5 of DPS 2 and closed on 11 March 2014.
Detail
The Hainsworth LSP area applies to Lot 14143 (16) Harford Way, Girrawheen.
Attachment 2 contains a location plan which depicts the LSP 98 area. The total site area is approximately 4.2 hectares and is currently vacant.
LSP 98 proposes additional roads within the subject area which connect with the existing road network. LSP 98 also includes a small 808m² Public Open Space (POS) for the purposes of passive recreation and drainage. The purpose of the POS is to retain existing mature trees within the subject site.
LSP 98 proposes a residential density code of R40 and R60 within the subject site, which is expected to yield approximately 160 dwellings.
Consultation
The draft LSP was advertised for public comment for a period of 42 days by means of an on-site sign, an advertisement in the Wanneroo Times newspaper, the City’s website and letters written to adjoining landowners. The submission period closed on 11 March 2014, with eight (8) submissions being received. A summary of submissions received and Administration responses are shown in Attachment 3.
A more detailed discussion of the major issues considered in the assessment of LSP 98 is provided in the Comment section below.
Comment
Road Network
The applicant originally proposed the local access streets within the subject area at a width of 15.0m as stated under Part 2 of LSP 98, however, the existing road reserves of Harford Way, Burnham Way and Roydon Way which feed into the subject area are a width of 17.9m.
The proposed road network layout is considered appropriate based on the existing road network adjacent to the Structure Plan area. The proposed road layout provides for adequate traffic movement and connections to the existing road network are distributed evenly. This will improve vehicle and pedestrian permeability within the area.
The Department of Planning (DoP) has recommended that the road reserve width be at 17.9m in order for the proposed roads to connect seamlessly and consistently with the existing roads connecting the LSP area and to allow for on-street car parking bays.
Although in some cases road reserve widths are shown in Local Structure Plans, it is considered by Administration that road reserve widths are generally determined at subdivision stage, and it is inappropriate for the Structure Plan to include detailed engineering requirements without the necessary survey's and engineering drawings being provided. It is also noted that the road reserves shown on the LSP 98 Map are indicative and do not prescribe a specific road reserve width.
Therefore, LSP 98 has been modified to remove any reference to road reserve widths, as this issue can be dealt with through a subdivision application for the subject area at a later stage.
Public Open Space
The proposed POS is 808m² in area and is intended to be used partly for drainage purposes, and partly for the retention of existing mature trees. Whilst part of the POS will perform a drainage function, it will be designed as a usable area for the local community for the majority of the year.
The area proposed is less than the required 10% POS, however, the applicant proposes a cash-in-lieu payment for the percentage of POS not provided. This is considered by Administration to be acceptable, as 11.45% POS already exists within Girrawheen and there are two parks in close proximity, Roydon Park (5,100m2) immediately adjoining to the south east and Hainsworth Park (4.6 ha), 100 metres to the south east.
The cash-in-lieu payment will be made at subdivision stage and will be calculated at the market value as defined under Section 155 of the Planning & Development Act 2005. This contribution will be kept in a Trust for the future provision and/or development of POS and related community facilities within the Girrawheen area.
The design and works associated with this POS site will be addressed as part of any future subdivision application within the Structure Plan area.
Drainage
Part of the stormwater generated by the future subdivision is intended to be drained into the near-by POS, Roydon Park, in accordance with Water Sensitive Urban Design, and also consistent with Local Planning Policy 4.4: Urban Water Management (LPP 4.4) and the City's Urban Water Management Strategy. This drainage strategy avoids the need for a dedicated drainage sump. The City prefers to avoid the provision of sumps where possible, due to the amenity aspect and maintenance issues associated with the future use of the sump.
Roydon Park is an existing POS site adjoining the Structure Plan area at Lot 9164 (17) Roydon Way, Girrawheen. It is 5,100m² in area and serves as a passive local park. There are a number of mature trees within the POS, however the understorey has been removed as a result of regular maintenance by the City.
The proposed stormwater basin in Roydon Park covers an area of 1,136m² (approximately 20% of the POS site) to a maximum depth of 0.5m. This basin is proposed on the northern most area of Roydon Park, adjacent to the Structure Plan area.
As the stormwater basin is a maximum depth of 0.5m, covers a small percentage of Roydon Park and will only be utilised in major rainfall events, the POS can still be used for passive recreation purposes for most of the year.
The proposed 808m² POS site within the Structure Plan area will contain a basin which is 636m² in area and has a maximum depth of 0.5m.
These stormwater basins are a maximum depth of only 0.5m, and will be turfed/vegetated so as to be used for passive recreation purposes. These basins will not be fenced or will function as a sump, and will only contain stormwater for a short period of time during major rainfall events. These stormwater basins can therefore be utilised by the community for the majority of the year for recreation purposes.
Administration supports the Hainsworth Drainage Review provided by the applicant (contained within Part 3 of LSP 98) including the applicants proposal to direct stormwater into Roydon Park, due to the following:
· Additional POS is not necessary as there is currently an overprovision within Girrawheen;
· A sump is not supported within the Structure Plan area, as this would result in the loss of land for residential purposes, and would impact the streetscape, residents adjoining the sump and require ongoing maintenance by the City;
· The inclusion of a basin within Roydon Park would not impact its usability due to the shallow depth of the basin; and
· The proposed cash-in-lieu funds to be provided by the applicant can be allocated to larger and more frequently used POS within the area.
Works associated with the stormwater drainage strategy will be addressed in further detail, and implemented, as part of any future subdivision application within the Structure Plan area.
Density
LSP 98 proposes a residential density coding of R40 and R60. The City's Local Planning Policy 3.1: Local Housing Strategy (LPP 3.1) shows the subject area as potential R40.
All lots excluding a large parcel in the south-east corner of the Structure Plan area consistent with the future potential coding, and are proposed at R40. The parcel in the south-east corner is proposed at a density coding of R60.
LPP 3.1 states that the purpose of the policy is the following (emphasis added):
"increase residential density and housing choice in existing and planned residential areas that have easy access and close proximity to retail and employment centres, public transport services, areas of high amenity, major arterial routes, educational institutions and community facilities."
It is considered that the parcel of land proposed to be coded R60 in the Structure Plan area meets the purpose/objective of LPP 3.1, and is supported, for the following reasons:
· The R60 coded parcel of land is adjoining an existing POS site (Roydon Park), and is therefore in close proximity to an area of high amenity;
· Part 2 of LSP 98 states that the R60 parcel in the south-east corner is intended to accommodate approximately 55 multiple dwellings in an apartment (unit) format. This increases the diversity of housing choice within the locality;
· A large residential strata titled development which includes approximately 15 grouped dwellings, and is 11,402m² in area, is located to the east of the subject area, and immediately adjoins the R60 parcel of land. It is considered that an R60 coding adjoining this strata development would not have an impact, due to the communal nature and strata format of the land adjacent;
· The proposal provides an increased residential density which is consistent with the Western Australian Planning Commissions 'Liveable Neighbourhoods' in providing high density residential development within close proximity of areas of high amenity;
· As the land is not currently fragmented (subdivided), it is possible to achieve a more desirable high density development outcome, than if the land was in split ownership or had previously been developed;
· The R60 parcel is within 400m of a small local centre (Hainsworth Shopping Centre), community facilities (Hainsworth Leisure Centre) and an educational institution (Emmanuel Christian School), situated south-east of the subject site. These services can be accessed by pedestrians from the subject site through Roydon Park and across Hainsworth Park; and
· Clause 8.11.2.2 of the City of Wanneroo's District Planning Scheme No. 2 (DPS 2) states that "a Local Planning Policy is not part of DPS 2 and shall not bind the Council in respect of any application for planning approval, but the Council shall have due regard to the provisions of any Policy".
Based on the above, it is considered that the draft LSP 98 meets the intent and objectives of LPP 3.1 and therefore the proposed coding is supported by Administration.
Significant Trees
The applicant has illustrated a total of 26 significant trees on the LSP 98 Map. These trees are intended to be retained with the POS site and, where possible, within the verge of the proposed road reserves.
The applicant has included Clause 7.1.3 in LSP 98 which requires these significant trees to be retained unless this is not possible due to the location of utility services, footpaths, crossovers, formal on-street parking bays, the road grade and/or advice from an Arborculturalist. This information will be provided through an application for subdivision, at which point the City will determine the number of trees to be retained and the applicants compliance with LSP 98.
General Provisions
Clause 7.1 of the draft LSP 98 includes a list of development requirements, these are briefly described below:
· Corner Lots are to address both streets through their design by orientating built form to provide passive surveillance to both elevations of the dwelling;
· Development adjacent to Public Open Space (POS) shall address the POS in terms of its design to provide passive surveillance, and is permitted to a minimum 1.0m setback to the POS; and
Clause 7.2 of the draft LSP 98 includes one (1) alternative standard to address the 'Design Principles' of the Residential design Codes for R40 lots only. This standard is briefly described below:
· The building (excluding the garage or carport) shall be setback from the street a minimum of 2.0m, with no averaging of this setback being permitted.
These provisions are considered acceptable by Administration as they will contribute to a positive and attractive streetscape.
Modifications
Several modifications to advertised version of draft LSP 98 have been made as a result of Administration's assessment and the submissions received during advertising. These modifications generally relate to the format and content of draft LSP 98 which are summarised in Attachment 4.
All of the modifications included in Attachment 4 have been incorporated in the August 2014 version of draft LSP 98, which is included as Attachment 1.
Conclusion
In light of the above comments, Administration considers that the proposed LSP 98 included as Attachment 1 is satisfactory.
Statutory Compliance
This Structure Plan has been processed in accordance with the requirements of DPS 2. Clause 9.6.1 of DPS 2 provides that following advertisement of a Structure Plan, Council may refuse to adopt the Structure Plan or resolve that the Structure Plan is satisfactory with or without modifications. It is recommended that the Local Structure Plan be adopted as shown in Attachment 1.
Strategic Implications
The proposal aligns with the following objective within the Strategic Community Plan 2013 – 2023:
“2 Society - Healthy, safe, vibrant and active communities.
2.1 Great Places and Quality Lifestyle - People from different cultures find Wanneroo an exciting place to live with quality facilities and services.”
Risk Management Considerations
No risks are associated with the adoption of LSP 98.
Policy Implications
Administration's assessment of draft LSP 98 has been undertaken in accordance with the requirements of the City's Local Planning Policies, in particular, Local Planning Policy 4.2 – Structure Planning (LPP 4.2), Local Planning Policy 4.3: Public Open Space (LPP 4.3), Local Planning Policy 3.1: Local Housing Strategy (LPP 3.1) and Local Planning Policy 4.4: Urban Water Management (LPP 4.4)
Financial Implications
Nil
Voting Requirements
Simple Majority
Recommendation
That Council:-
1. Pursuant to Clause 9.6.1 of the City of Wanneroo District Planning Scheme No. 2 RESOLVES that the proposed Hainsworth Local Structure Plan No. 98 dated August 2014 submitted by Department of Housing included in Attachment 1 is SATISFACTORY;
2. FORWARDS the Hainsworth Local Structure Plan No. 98 included as Attachment 1 and the Schedule of Submissions included as Attachment 3 to the Western Australian Planning Commission for its adoption and certification pursuant to Clause 9.6.1 of the City of Wanneroo District Planning Scheme No. 2;
3. Pursuant to Clause 9.6.5 of the City of Wanneroo District Planning Scheme No. 2, ADOPTS the Hainsworth Local Structure Plan No. 98 documents once certified by the Western Australian Planning Commission and AUTHORISES the Director, Planning and Sustainability to SIGN the documents; and
4. NOTES the Schedule of Submissions received in respect of the draft Hainsworth Local Structure Plan No. 98 included as Attachment 3, ENDORSES Administration's response to those submissions and ADVISES submitters of its decision.
Attachments:
|
1. |
Attachment 1 - Hainsworth Local Structure Plan No. 98 |
14/235107 |
Minuted |
|
2. |
Attachment 2 - Location Plan |
14/221954 |
|
|
3. |
Attachment 3 - Summary of Submissions |
14/236073 |
Minuted |
|
4. |
Attachment 4 - Post-Advertising Modfication Table |
14/224189 |
|
CITY OF WANNEROO Agenda OF Elected Members' Briefing Session 09 September, 2014 36
3.2 Proposed Amendment No. 138 to District Planning Scheme No. 2 - Lot 908 (869) Connolly Drive, Merriwa
File Ref: 10803 – 14/226147
Responsible Officer: A/Director Planning and Sustainability
Disclosure of Interest: Nil
Attachments: 2
Issue
To consider a request by TPG Town Planning, Urban Design and Heritage (TPG) to amend District Planning Scheme No. 2 (DPS 2) to include 'Place of Assembly' as an additional use under Schedule 2 – Section 1, at Lot 908 (869) Connolly Drive, Merriwa.
|
Applicant |
TPG Town Planning, Urban Design and Heritage |
|
Owner |
Whitford Church of Christ Inc |
|
Location |
Lot 908 (869) Connolly Drive, Merriwa |
|
Site Area |
1.616 hectares |
|
MRS Zoning |
Urban |
|
DPS 2 Zoning |
Residential |
Background
On 12 August 2013, TPG lodged proposed Amendment No. 138 to DPS 2 with the City. Following the receipt of the Amendment, the City requested a Traffic Impact Assessment (TIA) be submitted and the proponent undertake preliminary community consultation. On the 20 March 2014, TPG provided the updated Amendment documents, including the TIA as requested and a community consultation outcomes report.
On 2 May 2014 the City received a Development Application (DA2014/561) for the construction of a 'Place of Worship' and 'Child Care Centre' on a portion of the site. Under DPS 2, 'Place of Worship' is an 'A' use requiring public notification of the proposal, and 'Child Care Centre' is a discretionary 'D' use in a 'Residential' zone. The application is currently being assessed by the City and will be determined separately to this Amendment proposal.
Detail
Site
The subject site is located at Lot 908 (869) Connolly Drive, Merriwa and comprises 1.616 hectares. The site is bound by Connolly Drive to the East and Jenolan Way to the north, and the Royal Australian Air Force Association (RAAFA) Cambrai Village retirement village to the south and west. The subject site is zoned 'Residential' under DPS 2 and is currently vacant. A plan showing the location of the subject site is included as Attachment 1.
Proposal
The proposal seeks to amend DPS 2, pursuant to Clause 3.20, by inserting the additional use of 'Place of Assembly' to Schedule 2 – Section 1 for Lot 908 (869) Connolly Drive, Merriwa.
'Place of Assembly' as defined under DPS 2 "means premises where the public assemble or go for any cultural, religious, recreational, sporting or other activity save that where the scale of development proposed is greater than can be reasonably accommodated in any area, the use shall be dealt with as a 'Special Place of Assembly'".
This land use differs from a 'Place of Worship', which solely relates to religious activities. A 'Place of Worship' is defined in DPS 2 as 'includes buildings used primarily for the religious activities of a church, but does not include an institution for primary, secondary or higher education, or a residential training institution'.
The additional use of 'Place of Assembly' is necessary to facilitate the development of a community centre for the Whitford Church, from which it can operate a range of community programs and church services, creating a community hub. These activities include:
· After school youth groups;
· Programs and seminars aimed at students;
· Provision of free counselling services;
· Operation of parenting and marriage courses;
· Operation of an op-shop and a small cafe by the Church; and
· Running of community based events.
The Amendment will allow the proposed additional use of 'Place of Assembly' to become an additional use for the subject lot, which is a prohibited 'X' use within a 'Residential' zone under DPS 2. The 'Place of Assembly' land use definition will enable a variety of community programs and services to be operated by Whitford Church from the site.
As the 'Place of Assembly' includes a broad range of activities, it is considered appropriate that the community be given the opportunity to comment on the detailed design of the future development. This being the case, it is considered appropriate that there is an ability to advertise such uses for public comment. For this reason, a condition will be included to ensure that a future development application for a 'Place of Assembly' will be subject to public advertisement in accordance with DPS 2 requirements.
The applicant’s justification for the proposal is summarised below:
1. The proposal is consistent with the objectives and intent of the City's Strategic Plan to provide for greater community facilities and services;
2. The site is contextually appropriate for the proposed additional uses as it is in close proximity to residential amenities, such as local shops, recreation reserves and public transport which will compliment the community services intended for the site;
3. The concept has been designed having due regard to the adjoining RAAFA residential estate to minimise any adverse impacts;
4. The proposed Amendment will not have any undue effects on the amenity of the surrounding area; and
5. The proposed Amendment will assist to realise the concept masterplan, which will in turn significantly improve the provision of community services and facilities within the City of Wanneroo. Refer to Attachment 2 for the concept plan (it should be noted that this is indicative only, and detailed design will be submitted as part of a development application for 'Place of Assembly'). Stage 1, the development application for a 'Place of Worship' and 'Child Care Centre' (DA2014/561) has been proposed in accordance with this concept masterplan.
Consultation
Scheme amendments are subject to public consultation.
However, before doing so the Amendment will need to be referred to the Environmental Protection Authority (EPA) to assess the environmental impacts of the proposal and to determine whether any formal environmental assessment is necessary.
Subject to no objections being received from the EPA, the Amendment must be advertised for public comment for a period of 42 days. Advertising is to occur in the following manner, consistent with the requirements of the Town Planning Regulations 1967:
· Advertisement in a local newspaper for one week;
· Placement of a sign on affected sites, giving notice of the proposal;
· Display notice of the proposal in Council offices;
· Display on the City’s website; and
· Referral in writing to affected persons/agencies.
Prior to submitting the updated Amendment in March 2014, the applicant also conducted their own community consultation.
As part of this community consultation, letters were sent providing information on the proposal, an invitation to attend information sessions, and in some instances the opportunity for a meeting to discuss the proposal. The stakeholders engaged during this were:
· Residents of Jenolan Way and Connolly Drive;
· RAAFA management;
· RAAFA residents;
· Salvation Army – Merriwa Corps;
· Addison Park Day Care Centre;
· City of Wanneroo Councillors;
· City of Wanneroo Officers;
· Centre Manager of Merriwa Plaza Shopping Centre;
· Fred's Hardware;
· Merriwa Tavern; and
· Merriwa Primary School.
Following this, on the 4 March 2014 and 12 March 2014, TPG and Whitford Church undertook several community consultation workshops with the following community groups and key stakeholders including:
· Approximately 50 residents of the RAAFA Retirement Village, on 4 March 2014;
· The Manager of the Addison Park Day Care Centre, on 4 March 2014; and
· Approximately 6 participants at a Merriwa Community Information Session on 12 March 2014.
The key planning issue raised through this community consultation related to the potential impact of an increase in local traffic. The applicant has submitted a Traffic Impact Assessment (TIA) to address these concerns.
Other comments made by the community related to the potential for future partnership arrangements between Whitford Church and the City of Wanneroo and Merriwa Primary School, as well as the potential duplication of existing services. These issues are outside the scope of this Amendment.
The community consultation report submitted with the Amendment concluded that there is a high degree of community support for the proposal.
Comment
Land Use Appropriateness
A 'Place of Assembly' is an 'X' (prohibited) use within a Residential Zone.
The intention of the proposal is to allow for Whitford Church to develop a community facility from where it can operate a number of community, religious and cultural-based programs. It is more than a 'Place of Worship' and in addition includes:
· A small-scale, low-cost op-shop to be operated by Whitford Church and will not be an independent commercially operated shop;
· Ancillary offices for the Whitford Church staff that will be based on the site, and these will not be leased externally;
· A small cafe, intended to only be used in conjunction with other services and programs on-site, and will not be commercially operated or leased separately;
· After-school youth groups, tutoring, computer classes for seniors, free counselling services, parenting and marriage courses and other similar activities from the site; and
· A small village green to include a multi-purpose sports area to provide an active space for members of the community to use that will be managed by the Church.
Administration considers that the intended future land uses are part of to the operation of the site by Whitford Church and are land uses that fall within the definition of the 'Place of Assembly'.
This Scheme Amendment, however, is only to consider if the additional use 'Place of Assembly' is appropriate for the site, and does not assess the detail of any future development proposal.
Following the Scheme Amendment process a detailed development application is still required for a 'Place of Assembly' to be developed on the site. As part of any development application, the proposal will need to be assessed and be in accordance with the definition of 'Place of Assembly' as outlined in the Detail section of the report and advertised for public comment before it can be approved.
Traffic Impact Assessment (TIA)
A TIA was prepared and submitted by KC Traffic and Transport, based on the site being developed in accordance with the indicative masterplan (Attachment 2)
The TIA calculated that the proposal will generate approximately 1,156 additional vehicular movements per day, and a peak hour generation of 139 vehicle movements. Of these vehicle movements, 30% would be attracted from north and north-east along Connolly Drive, 55% from south and east along Connolly Drive, and 15% will be attracted from west along Jenolan Way.
The TIA concluded that based on these figures, the existing road network is adequate to accommodate the proposal.
The City's Traffic and Transport Team has indicated that the existing road network is capable of supporting the increased traffic as a result of the proposal. It is noted that the access off Connolly Drive, although included as part of the indicative masterplan, is not something the City would support, but this would be addressed during the development application process.
Administration recommends initiating the Amendment to introduce 'Place of Assembly' as an additional use under Schedule 2 – Section 1 of DPS 2.
Statutory Compliance
If Council decides to initiate the proposal, the Amendment will follow the statutory process outlined in the Town Planning Regulations 1967.
Should Council refuse to initiate the Amendment there are no appeal rights for the applicant.
Strategic Implications
The proposal aligns with the following objective within the Strategic Community Plan 2013 – 2023:
“2 Society - Healthy, safe, vibrant and active communities.
2.1 Great Places and Quality Lifestyle - People from different cultures find Wanneroo an exciting place to live with quality facilities and services.”
Risk Management Considerations
Nil
Policy Implications
Nil
Financial Implications
Nil
Voting Requirements
Simple Majority
That Council:-
1. Pursuant to Section 75 of the Planning and Development Act 2005, INITIATES Amendment No. 138 to District Planning Scheme No. 2 by amending Schedule 2 – Section 1 (Clause 3.20) – Additional Uses to insert the following:
|
NO |
STREET/LOCALITY |
PARTICULARS OF LAND |
ADDITIONAL USE AND CONDITIONS (WHERE APPLICABLE) |
|
1 - 36 |
869 Connolly Drive, Merriwa |
Lot 908 |
Place of Assembly
Condition:
Development Application for 'Place of Assembly' to be subject to advertising, in accordance with DPS No. 2 requirements |
2. Pursuant to Section 81 of the Planning and Development Act 2005, FORWARDS Amendment No. 138 to District Planning Scheme No. 2 to the Environmental Protection Authority (EPA) for comment;
3. Subject to no objection being received from the Environmental Protection Authority (EPA), ADVERTISES Amendment No. 138 to District Planning Scheme No. 2 for public comment for a period of 42 days, pursuant to Regulation 25(2) of the Town Planning Regulation 1967; and
4. FORWARDS a copy of Amendment No. 138 to District Planning Scheme No. 2 to the Western Australian Planning Commission for its information.
Attachments:
|
1. |
Attachment 1 - Locality Plan |
14/228032 |
|
|
2. |
Attachment 2 - Masterplan |
14/225982 |
|

CITY OF WANNEROO Agenda OF Elected Members' Briefing Session 09 September, 2014 45
File Ref: 2957-03 – 14/236948
Responsible Officer: A/Director Planning and Sustainability
Disclosure of Interest: Nil
Attachments: 3
Issue
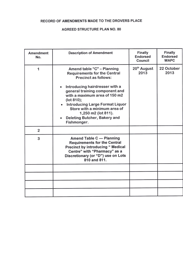
To consider submissions received during public advertising of Amendment No. 3 to the Drovers Place Precinct Agreed Structure Plan (ASP 80) and determination of the Amendment.
|
Applicant |
Turner Master Planners Australia |
|
Owner |
Goldrange Pty Ltd & Greenpark Asset Pty Ltd |
|
Location |
Lot 810 (1397) Wanneroo Road, Wanneroo Lot 811 (1387) Wanneroo Road, Wanneroo |
|
Site Area |
Lot 810 – 2.8009 hectares Lot 811 – 2.9488 hectares |
|
MRS Zoning |
Urban |
|
DPS 2 Zoning |
Urban Development |
|
SP 80 Zoning |
Special Use Zone |
Background
Amendment No. 3 to ASP 80 affects Lot 810 (1397) and Lot 811 (1387), Wanneroo Road, Wanneroo. A plan showing the location of Lot 810 and Lot 811 is provided as Attachment 1.
ASP 80 prescribes land use permissibility on Lot 810 and Lot 811, which ASP 80 currently zones as 'Special Use'. This zone applies within the 'Central Precinct' of ASP 80, which also includes Lot 1 (1369) and Lot 132 (1351) Wanneroo Road, Wanneroo, located to the south of Lot 810 and Lot 811.
Lodgement and Previous Correspondence to Elected Members
On 4 April 2014, Turner Master Planners Australia, on behalf of the landowners, lodged Amendment No. 3 to ASP 80. On 11 April 2014, the (Acting) Manager Planning Implementation forwarded a memorandum to all Elected Members, providing the opportunity for Members to request referral of the proposal to Council for consent to advertise. No such requests were received and, as such, advertising of Amendment No. 3 to the ASP 80 commenced on 13 May 2014 and concluded on 24 June 2014 in accordance with Clause 9.5 of District Planning Scheme No. 2 (DPS 2).
Lodgement of Petition
Prior to the lodgement of the Amendment proposals, a petition was addressed to the Mayor with 517 signatures for Council to consider a Medical Centre including Pharmacy, to be located at Lot 810 Wanneroo Road, Wanneroo. This petition was tabled at the 1 April 2014 Council Meeting (PT06-04/14). Included in the Minutes of the 29 April 2014 Council Meeting is the following update, provided by Administration:
"A Medical Centre and Pharmacy are currently not permissible land uses on the subject sites of Lot 810 (1397) and Lot 811 (1387), Wanneroo Road, Wanneroo pursuant to the Drovers Place Precinct Agreed Structure Plan No. 80.
On 4 April 2014 Administration received a proposal to amend ASP 80 by adding 'Medical Centre' and 'Pharmacy' to the list of permissible land uses to allow for these to be carried out on the subject sites.
On 11 April 2014, Administration forwarded a Memorandum to Elected Members, advising of its intention to advertise the proposal under Delegated Authority. If the proponent is successful in amending the Structure Plan, then Administration will be in a position to accept and consider an Application for Planning Approval for a Medical Centre and Pharmacy."
A response to the principal petitioner is pending Council's resolution on the proposed Amendments.
Detail
The Amendment No. 3 documentation is included as Attachment 2. Amendment No. 3 to ASP 80 proposes the following modification to the ASP 80 text:
"Modifying Clause 2.1 of Table C by adding the following additional uses to the list of discretionary ('D') uses:
Medical Centre and Pharmacy (as 'D' uses on Lots 810 and 811 only)"
No change to the Structure Plan map (Plan 1) has been proposed as part of this Amendment.
Consultation
The Amendment was advertised for public comment for a period of 42 days by means of an on-site sign, an advertisement in the Wanneroo Times newspaper, display on the City’s website and letters written to adjoining landowners. The submission period closed on 24 June 2014, with four submissions received.
Of the submissions received, two supported and two objected to the proposed Amendment. The submissions objecting to the proposal expressed concerns regarding Council's previous considerations on structure plan proposals, conflict with the Structure Plan intent statements and the viability of nearby designated activity centres. These issues are discussed in detail in the Comment section of this report.
A summary of submissions received and Administration's responses to each is provided in Attachment 3.
Comment
Council's Previous Considerations
At the 8 February 2011 Council Meeting, Council considered (what was then) a draft version of ASP 80. That draft version of ASP 80 listed a number of uses that would be permissible in the 'Central Precinct' that are not included in Table C of the agreed version of ASP 80, including the 'Medical Centre' land use. The 'Pharmacy' land use was not proposed to be permissible at that time. However, at that Meeting, Council decided to amend Administration's recommended motion, and resolved the following:
"That Council:
1. NOTES the submissions received in response to Draft Structure Plan No. 80 (included as Attachment 3) and ENDORSES Administration’s responses to those submissions; and
2. PURSUANT to Clause 9.6.1 of District Planning Scheme No. 2 RESOLVES that the ‘Revised’ Draft Drovers Place Precinct Structure Plan No. 80 dated January 2011 (included as Attachment 5) is SATISFACTORY and RE-ADVERTISE the structure plan in accordance with Part 9.5 of District Planning Scheme No. 2 for a period of 60 days to the satisfaction of the Director, Planning and Sustainability, subject to the list of discretionary land uses for the Central Precinct, appearing under Clause 2.1 in Table C of the ‘Revised’ Structure Plan in Attachment 5, being amended as follows:
a) DELETE the uses Bank, Caretaker’s Dwelling, Child Care Centre, Consulting Room, Dry Cleaning Premises, Hairdresser, Hall, Laundry, Liquor Store, Medical Centre, Place of Assembly, Public Exhibition Facility, Recreation Centre, Take-Away Food Outlet, Video Hire, Mast or Antenna, Telecommunications Infrastructure; and
b) Making the uses “Education Establishment” and “Place of Worship” discretionary (‘D’) uses only on Lots 1 and 132."
Following the above resolution, Administration re-advertised draft Structure Plan No. 80 for a 60-day time period, concluding on 10 May 2011. During the advertising, a submission was received that suggested that the list of proposed permissible uses for the Central Precinct was too limiting and that, amongst other uses, a "Medical Centre and Pharmacy" should be included as permissible land uses in the Central Precinct. Administration prepared its response to the abovementioned submission as outlined below:
"The suggested uses are those better suited to a pedestrian based activity centre. The uses suggested are commonly found within designated activity centres and therefore not considered appropriate within the Central Precinct. The inclusion of these uses may compete with nearby centres and do not represent 'niche businesses' as required by the intent of this precinct".
Administration's comment above was made prior to the Council adopting Local Planning Policy 3.2: Activity Centres (LPP 3.2), which now nominates the Amendment area as an out-of-centre development (refer to the 'Policy Considerations' sub-section, below). Further discussion on what a 'niche business' is considered to be is included in the 'Structure Plan Considerations' sub-section, below.
Structure Plan Considerations
The Intent of the 'Central Precinct' (refer to Table C, Section 1.1 of the ASP 80 text) is as follows:
"The intent of the Central Precinct is to provide for niche business and cultural uses that benefit from high exposure to Wanneroo Road but do not significantly compromise the viability of nearby activity centres and encourage a built form that respects and recognises the environment of Yellagonga Regional Park."
The above statement is broken into four parts, as discussed below:
Niche Business and Cultural Uses
In the absence of a definition in DPS 2 or ASP 80, Administration accepts that a 'niche business' could be defined as a business that is "specialised or differentiated from other businesses of that type". The definition of 'niche business' has previously been applied in the State Administrative Tribunal's considerations of Amendment No. 1 to ASP 80 (refer to State Administrative Tribunal reference DR394 of 2012).
The applicant in their Amendment documentation has outlined that a Medical Centre would comprise of eight medical practitioners, comprising of up to four general practitioners, a radiographer (x-ray imaging), a pathologist, a dentist and a physiotherapist. Administration does not consider the services that medical professionals would provide as being specialised or different to what other typical medical practitioners provide. Therefore, Administration does not consider this use as a 'niche business.'
Similarly, the applicant has not presented an argument to suggest the 'Pharmacy' would offer specialised goods or services, or could be differentiated from typical pharmacies. The applicant in their Amendment submission has explained that the 'Pharmacy' use was proposed to support an adjoining Medical Centre. Therefore, the 'Pharmacy' use proposed is not considered a 'niche business'.
The 'Medical Centre' use is considered to be a land use relating to the treatment of human ailment or injury, whereas the 'Pharmacy' use is considered a 'commercial' land use. Therefore, neither of the proposed uses can be considered as 'cultural uses'.
Exposure to Wanneroo Road
Administration considers that any use situated on Lot 810 and Lot 811 would receive at least some benefit being exposed to Wanneroo Road. However, Medical Centres do not depend on passing traffic to sustain business, but rather sustain business from receiving patients who are ill or injured. Similarly, the Pharmacy is reliant on the proposed adjoining Medical Centre, and would not fully depend on passing traffic to sustain business.
Viability of Nearby Centres
Two submissions of objection received raised concern that the proposed Amendment would significantly compromise the viability of the approved Medical Centre directly opposite the Central Precinct (Lot 19 Clarkson Avenue).
The most recent approval for commercial development on Lot 19 was granted by Administration under Delegated Authority on 15 May 2014 (DA2012/548). A part of the approved commercial development consisted of a Medical Centre accommodating up to two practitioners. It is difficult to gauge at this point in time if the proposed Amendment would significantly compromise the viability of any Medical Centre on Lot 19, as the commercial development on Lot 19 is yet to be constructed.
Built Form Interface with Yellagonga Regional Park
The Amendment proposes to permit additional uses on two lots (Lot 810 and Lot 811 Wanneroo Road) that already have an established built form. The proposed Amendment is not considered to conflict with this aspect of the Intent of the Central Precinct.
Policy Considerations and Amendment No. 4 to ASP 80
Part 5.6 of State Planning Policy 4.2: Activity Centres for Perth and Peel (SPP 4.2) contains a provision in relation to 'out-of-centre' developments.
Local Planning Policy 3.2: Activity Centres (LPP 3.2) expands on this SPP 4.2 provision, and states the following in the 'Purpose and Application' section:
"That health, welfare, community services, entertainment, recreation, commercial and cultural facilities that attract a significant number of employees or users and/or generate significant vehicle trips cannot always be accommodated within or adjacent to activity centres within the Activity Centres Hierarchy. In these circumstances these uses should occur in out-of-centre developments as referred to in provision 5.6 of State Planning Policy 4.2.
The City of Wanneroo recognises Lot 810 and Lot 811 Wanneroo Road, Wanneroo (Drover's Place) and the land area bounded by Wanneroo Road, Mangano Place and Calabrese Avenue (Calabrese Triangle) as such out-of-centre developments."
As outlined above, LPP 3.2 nominates the Amendment area as a site that can accommodate 'out-of-centre developments', however, the ASP 80 Statement of Intent that currently applies for the Central Precinct does not align with the above provision of LPP 3.2. On 30 May 2014, Wakefield Planning, on behalf the landowners, lodged Amendment No. 4 to ASP 80. Amendment No. 4 proposes extensive modifications to ASP 80, including modification to the current Statement of Intent. It is likely that the changes to the Statement of Intent proposed in Amendment No. 4 will reflect the wording in LPP 3.2 that health facilities that attract a significant number of employees or users and/or generate significant vehicle trips should occur in 'out-of-centre' developments. If Council were mindful to support changes to the Statement of Intent of ASP 80 in Amendment No. 4, then a 'Medical Centre' and 'Pharmacy' would be considered as acceptable uses. However, because Amendment No. 4, to reflect the above has not been considered by Council, the proposed additional uses have to be assessed against the existing Statement of Intent in Amendment No. 3.
It is for this reason that Administration would have preferred both Amendment No. 3 and No. 4 to be considered by Council concurrently. Although the applicant has been advised of Administration's preference, the applicant has requested that Amendment No. 3 be presented to the 16 September 2014 Council Meeting. Administration agreed to the applicant's request, as Council is required under Clause 9.6.1 of DPS 2 to determine structure plan amendments within 60 days from the close of advertising. In the case of Amendment No. 3, 60 days from the close of advertising occurred on 22 August 2014, and therefore has already lapsed. Presenting Amendment No. 3 and No. 4 concurrently to this Council Meeting was not possible, as the advertising period for Amendment No. 4 concluded on 26 August 2014, and Administration has not had an opportunity to consider the detail and implications of the submissions prior to the preparation of this Report.
Whilst Administration's recommendation is to refuse to adopt Amendment No. 3, Council does have the option to defer Amendment No. 3 until the 14 October Council Meeting, to enable consideration of Amendment No. 3 and No. 4 concurrently. If Council is mindful to defer the consideration of Amendment No. 3, then the application would continue to exceed to the statutory 60 day time period for determination. Applications that are not determined within the 60 time period are deemed refused under Clause 9.6.4 of DPS 2 for the purpose of a right to review at the State Administrative Tribunal.
Landowner Justification for the Proposal
Wakefield Planning, on behalf of the landowner, has provided Administration with three points outlining (in their view) how Amendment No. 3 can be considered prior to Amendment No. 4:
· The provisions of LPP 3.2 recognise the amendment area as an 'out-of-centre' development.
The Policy acknowledges that health facilities that attract a significant number of employees or users and/or generate significant vehicle trips cannot always be accommodated within or adjacent to activity centres within the Activity Centres Hierarchy, and in those circumstances, should occur in out-of-centre developments;
· Support could be given if consideration is given for Council as part of this amendment to adopt a modification to the Statement of Intent for the Central Precinct; and
· The proposed land uses of 'Medical Centre' and 'Pharmacy' can be considered as "niche" uses, in a similar manner that the 'large format liquor store' and 'hairdresser with training component' were considered as "niche" uses by the State Administrative Tribunal (SAT), during its deliberations of Amendment No. 1 to ASP 80 (refer to previous Council Item PS02-08/13).
Administration disagrees that Amendment No. 3 can be adopted for reasons provided by Wakefield Planning. Administration's comments on the submission from Wakefield Planning are provided below:
· Amendment No. 3 cannot be supported based on the provisions of LPP 3.2 alone, whilst having no regard to the Statement of Intent outlined for the Central Precinct in ASP 80. This is because ASP 80 operates pursuant to Part 9 of DPS 2.
· The changes to the Statement of Intent as suggested by Wakefield Planning are considered as a significant departure from the advertised version of the Amendment No. 3 proposal. If Administration were to consider such changes, it would be inclined to grant stakeholders a chance to further comment in light of the suggested change, by re-advertising the amendment.
· Although SAT previously considered the 'large format liquor store' and 'hairdresser with a training component' as "niche" uses, Administration does not consider that 'Medical Centre' or 'Pharmacy' as "niche" uses.
· As discussed earlier in this report, a modification to the Statement of Intent proposed in Amendment No. 4 (to align with LPP 3.2) would allow the City the opportunity to consider the permissibility of land uses on Lot 810 and 811 that are appropriate for an 'out-of-centre' development.
Legal Advice
Administration has sought legal advice on both Amendment No. 3 and Amendment No. 4. A summary of the legal advice has been provided to Elected Members.
Conclusion
There has previously been significant debate over the range of land uses that can be accommodated within the Drovers Place Precinct Structure Plan Area. Council and the WAPC have previously not supported the introduction of uses that were considered to be 'typical' or 'commonly' found within a recognised activity centre.
Although the Amendment area is not a recognised activity centre under the City's LPP 3.2, this Policy acknowledges that special considerations could be made for 'health' and 'commercial' uses that "attract a significant number of employees or users and/or generate significant vehicle trips…".
The proposed land uses conflict with the existing Statement of Intent in ASP 80, as 'Medical Centre' and 'Pharmacy' are not considered to be 'niche business' or 'cultural use', nor are they considered uses that would significantly benefit from high exposure to Wanneroo Road.
It is for the reasons outlined in this Report that this Amendment is not supported by Administration.
Statutory Compliance
This Structure Plan Amendment has been processed in accordance with the requirements of DPS 2. Clause 9.6.1 of DPS 2 provides that following advertisement of a Structure Plan Amendment, Council may refuse to adopt the Amendment or resolve that the Amendment is satisfactory with or without modifications. It is recommended that Council refuse to adopt Amendment No. 3 to Drovers Place Precinct Agreed Structure Plan No. 80 for reasons outlined in this Report.
Strategic Implications
The proposal aligns with the following objective within the Strategic Community Plan 2013 – 2023:
“4 Civic Leadership - Working with others to ensure the best use of our resources.
4.2 Working With Others - The community is a desirable place to live and work as the City works with others to deliver the most appropriate outcomes.”
Risk Management Considerations
Should the applicant be aggrieved by Council's decision, the applicant can undertake the following pursuant to Clause 9.12 of DPS 2:
a) Within 14 days of Council's decision, submit a written request to the City requesting its reconsideration of the decision; or
b) Exercise right to review, and lodge an appeal with the State Administrative Tribunal within 28 days of Council's decision.
Policy Implications
This proposal has been assessed under the provisions of the City’s Local Planning Policy 4.2: Structure Planning, Local Planning Policy 3.2: Activity Centres and State Planning Policy 4.2: Activity Centres for Perth and Peel.
Financial Implications
Nil
Voting Requirements
Simple Majority
Recommendation
That Council:-
1. NOTES the petition tabled at 1 April 2014 Council Meeting for Council to consider a medical centre including pharmacy, to be located at Lot 810 Wanneroo Road, Wanneroo (PT06-04/14), and ADVISES the principal petitioner of its decision outlined in Item 2. below;
2. Pursuant to Clause 9.6.1 (a) of the City of Wanneroo District Planning Scheme No. 2, REFUSES TO ADOPT Amendment No. 3 to Drovers Place Precinct Agreed Structure Plan No. 80, included as Attachment 2, for the following reason:
The proposed additions of 'Medical Centre' and 'Pharmacy' as discretionary (or 'D') uses for Lot 810 and Lot 811 is contrary to the Intent for the Central Precinct outlined in Table C of Agreed Structure Plan No. 80, as:
a) The 'Medical Centre' or 'Pharmacy' do not qualify as 'niche businesses', as these uses typically do not provide any service or product that is different or unique to other (similar) businesses that operate in the Perth Metropolitan Area;
b) Neither of the 'Medical Centre' or 'Pharmacy' uses can be considered as 'cultural uses'; and
c) The 'Medical Centre' and 'Pharmacy' are not considered land uses that would significantly benefit from high exposure to Wanneroo Road.
3. NOTES the Schedule of Submissions received in respect of Amendment No. 3 to Drovers Place Precinct Agreed Structure Plan No. 80 included as Attachment 3, ENDORSES Administration's comments and recommendations in response to those submissions and ADVISES the submitters of its decision; and
4. Pursuant to Clause 9.6.1 of the City of Wanneroo District Planning Scheme No. 2, FORWARDS the Schedule of Submissions included as Attachment 3 and three copies of the Amendment documentation to the Western Australian Planning Commission.
Attachments:
|
1. |
Attachment 1 - Location Plan - Lots 810 & 811 (1397 & 1387) Wanneroo Road |
14/195124 |
|
|
2. |
Attachment 2 - Amendment No. 3 to ASP 80 |
14/237158 |
Minuted |
|
3. |
REVISED Attachment 3 - Summary of Submissions for Report - Amendment 3 to ASP80 |
14/237178 |
Minuted |
CITY OF WANNEROO Agenda OF Elected Members' Briefing Session 09 September, 2014 79
3.4 Initiation of Advertising for Amendment No. 140 – Rezoning of Lot 4 & 5 Mornington Drive, Mariginiup
File Ref: 11222 – 14/210897
Responsible Officer: A/Director Planning and Sustainability
Disclosure of Interest: Nil
Attachments: 4
Issue
To consider adopting Amendment No. 140 to District Planning Scheme No. 2 (DPS 2) for Lots 4 and 5 Mornington Drive, Mariginiup to apply provisions for a ‘Restricted Use’ – Park Home Park, to facilitate development of a Lifestyle Village, comprising up to 400 dwelling units.
|
Applicant |
Rowe Group |
|
Owner |
National Lifestyle Villages Pty Ltd |
|
Location |
Lots 4 and 5 Mornington Drive, Mariginiup |
|
Site Area |
16.58ha |
|
MRS Zoning |
Rural |
|
DPS 2 Zoning |
Rural Resource |
Background
The subject site is located south east of the intersection of Mornington Drive and Coogee Road and comprises Lot 4 (a former turf farm that ceased operation in 2007) and Lot 5 (which is uncleared, and contains some 8ha of Banksia woodland). A plan showing the location of the subject site is included as Attachment 1.
On 5 September 2006, National Lifestyle Village (NLV) lodged an application to amend DPS 2 to rezone Lots 4 and 5 Mornington Drive, Mariginiup from ‘Rural Resource’ to ‘Private Clubs/Recreation’. At its meeting of 26 June 2007, Council resolved to adopt Amendment No. 65 to DPS 2 and referred it to the Environmental Protection Authority (EPA) and the Western Australian Planning Commission (WAPC). On 18 December 2008, the WAPC wrote to the City notifying that it would not grant its consent to advertise the amendment as the proposal:
"1. Comprises development which is not consistent with the ‘Rural’ zoning of the land in the Metropolitan Region Scheme (MRS), and whilst the land is considered for ‘Possible Future Urban’ under the Future of East Wanneroo document, the long term zoning intentions are not finalised;
2. Is premature in the absence of structure planning and strategic planning for the area;
3. Is ad-hoc when considered in the context of the rural cell in which it is located and would create a precedent for requests for additional incremental changes to land uses and increases in development intensity; and
4. The proposed zoning of ‘Private Clubs/Recreation’ allows for a range of permitted and discretionary uses and is not considered appropriate at this location in the context of ‘Rural’ zoning of the land under the MRS and the existing intensive agricultural uses on the surrounding ‘Rural Resource’ zoned land.”
On 8 February 2011, formal application was made by NLV to amend DPS 2 to apply provisions for a ‘Restricted Use’ – Lifestyle Village to Lots 4 and 5 Mornington Drive, Mariginiup (Amendment No. 111). At its meeting of 20 September 2011, Council resolved that it was not prepared to initiate Amendment No. 111 to DPS 2 for the following reasons;
"1. The urban nature of the proposal is premature in an area that is still largely used for rural purposes which may lead to potential for land use conflicts;
2. The proposal is premature as the area is only shown as having potential for urban development in the East Wanneroo Structure Plan and further investigations are required to determine the suitability of the area for urbanisation;
3. No detailed planning or structure planning has been undertaken in the locality; and
4. The proposal will be inconsistent with the City’s Biodiversity Strategy."
On 22 August 2013 an application was made by Greg Rowe on behalf of NLV to amend DPS 2 as per Amendment No. 111 with additional conditions on development, as per Administration's recommendation of 20 September 2011. Administration informed the applicant that it would not present the matter back to Council until the East Wanneroo Local Planning Policy 5.3 (LPP 5.3) had been adopted as discussed below.
Amendment No. 140 is the subject of this report.
Detail
The proposal seeks to amend DPS 2 by rezoning the site from the ‘Rural Resource’ to ‘Restricted Use’ – Lifestyle Village, as depicted in Attachment 2, with the applicant proposing the following to be included in Schedule 2 (Section 2 – Restricted Uses) of DPS 2:
|
NO |
STREET/ LOCALITY |
PARTICULARS OF LAND |
RESTRICTED USE AND CONDITIONS (WHERE APPLICABLE) |
|
2-4 |
11 and 39 Mornington Drive, Mariginiup |
Lots 4 and 5 |
Park Home Park (Lifestyle Village)
Conditions: I. The number of dwelling units (park homes) shall not exceed 400. II. Freehold or strata subdivision is not permitted. III. Notification, as appropriate, to prospective purchasers of the potential impact of the surrounding land uses contemplated by the ‘Rural Resource’ zone including but not limited to the impacts of odours, noise, light and/or dust. IV. A viable conservation area shall be retained on Lot 5 Mornington Drive, Mariginiup to the City’s satisfaction.
V. The following management plans must accompany any development application for the site; a) Traffic Impact Assessment b) Flora and Fauna Management Plan c) Bush Fire Management Plan |
As per Amendment No. 111 to DPS 2, the applicant’s justification for the proposal is summarised as follows:
1. The site is proposed for urbanisation under various State Government strategic documents, including the East Wanneroo Structure Plan, which identifies the site for potential urban purposes;
2. The proposal, whilst facilitating an alternative type of housing, is not considered a traditional residential use, and may be progressed under the current Rural zoning of the MRS;
3. A Restricted Use – Lifestyle Village has been applied for rather than a Private Clubs/Recreation zone or Additional Use zone, thus limiting development options for the site to that use only, thereby avoiding creation of a precedent for ad-hoc residential rezoning or development of the area; and
4. The Concept Plan and design objectives for the site illustrate the net environmental benefits of the proposal, including 3ha of vegetation to be retained, best practice stormwater and drainage management and water re-use.
The application also included a concept plan (contained in Attachment 3) and in the supporting report refers to the provision of 347 park home sites and incidental facilities. The concept plan is indicative only, does not have any statutory power and only provides a guide for the proposed development. Should the Amendment progress to finalisation, further detail will be required at the development application stage, prior to any development occurring on site.
In addition to the above, the applicant has also addressed Council's reasons of 20 September 2011 not to initiate the Amendment which is detailed in the Comment section below.
Consultation
All scheme amendments must (by law) be subject to public
consultation. However, the Town Planning Regulations provide that where
an amendment is consistent with the Metropolitan Region Scheme (MRS) and State
policies and strategies, then the consent of the Western Australian Planning
Commission (WAPC) will not be required to advertise the amendment. In
this instance, the proposed Amendment No. 140 to DPS 2 is not consistent with
the MRS (see Minister for Planning's Section 76 determination referred to later
in this report). As a result, the consent of the WAPC will be required,
prior to advertising the Amendment to
DPS 2.
The Amendment will also need to be referred to the Environmental Protection Authority (EPA) to assess the environmental impacts of the proposal and to determine whether any formal environmental assessment is necessary.
Subject to no objections being received from the EPA and advertising consent being granted by the WAPC the Amendment must be advertised for public comment for a period of 42 days. Advertising is to occur in the following manner, consistent with the requirements of the Town Planning Regulations 1967:
· Advertisement in a local newspaper for one week;
· Placement of a sign on affected sites, giving notice of the proposal;
· Display notice of the proposal in Council offices;
· Display on the City’s website; and
· Referral in writing to affected persons/agencies.
Comment
East Wanneroo Structure Plan
The site is designated as ‘Potential Urban’ under the WAPC’s final ‘East Wanneroo Structure Plan’ (EWSP). Despite this designation in the EWSP, there is no guarantee that the surrounding area will actually be rezoned to ‘Urban’ under the MRS or developed for urban purposes, given that further studies and planning need to be undertaken in accordance with the EWSP, to more precisely define the opportunities and constraints to urbanisation of the area and the potential and suitability for land to be developed for that purpose. Therefore, in the meantime, until those further investigations have been completed, any rezoning proposal must be assessed on its merits.
Local Planning Policy 5.3 – East Wanneroo
Further to the EWSP as discussed above, the City's East Wanneroo Local Planning Policy 5.3 (LPP 5.3) was adopted by Council on 27 May 2014 (PS01-05/13). The purpose of LPP 5.3 is to define the City’s expectations and requirements for the progression of planning within the EWSP area.
The process outlined in the Policy identifies that higher level planning should be undertaken before any development of an urban nature is permitted. Notwithstanding this, LPP 5.3, Clause 2.2.2 allows consideration of planning proposals of an urban or related nature under certain circumstances. Clause 2.2.2 of LPP 5.3 states;
"Planning proposals of an urban or related nature which are submitted for land within the Policy Area and which do not involve the undertaking of one of the 'Steps' included in Table 1, shall only be entertained by the City if they will not prejudice the effective undertaking of the planning process set out in Table 1, and the ability for urban and related development to be able to occur in the Policy Area in an orderly and proper manner."
Step 2 in table 1 of LPP 5.3 relates to the preparation of applications for DPS 2 amendments for rezoning to Urban Development. However this proposal relates to an amendment to Restricted Use – Park Home Park, which is different to the Urban Zone referred to in LPP 5.3. The current proposal therefore does not involve the undertaking of one of the 'steps' referred to in LPP 5.3 and therefore Clause 2.2.2 is applicable to this proposal.
Under Clause 2.2.2, a proposal may be considered for support by Council if it meets the following criteria;
· The proposal will not prejudice the effective undertaking of the planning process set out in table 1; and
· The proposal will not prejudice the ability for urban and related development to be able to occur in the Policy Area in an orderly and proper manner.
Considering the above, Administration is of the view that the proposed Scheme Amendment is satisfactory for referral to Council for formal consideration for the following reasons:
· The use of Park Home Park (Lifestyle Village), while providing for residential occupancy, does not constitute a form of urban development (because of the transportable nature of the park homes) that might present an undesirable precedent to consider rezoning of land for residential development elsewhere in the East Wanneroo area;
· The site is contiguous to the existing residential development front of Banksia Grove, can be accessed from the existing road network. Due to this proximity to the residential development the proposed development can be serviced by existing infrastructure (such as power, water and sewer);
· The proposed development is generally ‘self-contained’ and does not rely on the coordinated provision of communal essential infrastructure that is required to facilitate future development throughout most of East Wanneroo; and
· The Water Corporation has previously advised that the proposed development on Lots 4 and 5 can be accommodated within the capacity of the existing reticulated sewer and water network. The Water Corporation did, however, also advise that if the sewer capacity is allocated to this site then no further development can be accommodated east of Pinjar Road until a significant upgrade of the sewer infrastructure has been undertaken.
Developer Contributions
No information presently exists on the quantum and cost of common infrastructure required to service future development in East Wanneroo and therefore it may be difficult to bind the proposed development (at least at the rezoning stage) to contributing to future infrastructure costs, when those costs are not yet known and may not be known for some time yet. Council may wish to consider an interim policy to cover this circumstance similar to the approach for development in the coastal growth corridor. The opportunity to require payment of a contribution will arise at the subdivision or development approval stage (should they be known) and is not directly applicable to this proposed Scheme amendment;
Section 76 Request to the Minister for Planning
Section 76 of the Planning and Development Act 2005 (P & D Act) allows the Minister for Planning to order local government to prepare or adopt a scheme or amendment to the planning scheme under certain circumstances. The Chief Executive Officer of NLV, requested that the Minister for Planning order the City to initiate Amendment No. 111 to allow advertising of the proposal to commence.
On 27 November 2013 John Day, Minister for Planning, Culture and the Arts, wrote to the City indicating that he would not order the City to initiate Amendment No. 111 under section 76 of the P & D Act. The letter is included in Attachment 4, however, the reasons are summarised below:
1. The land is located within the East Wanneroo Structure Plan Area which requires further high level investigation to be undertaken prior to development.
This will ensure orderly and proper planning in general and a co-ordinated approach to planning and the provision of infrastructure and other community requirements. This may include planning for water and sewerage, road requirements, bushfire management and potential land use conflicts;
2. The proposed amendment is to provide for a residential development which is inconsistent with the general intention of the Rural zoning of the land in the MRS. It may result in land use conflicts between rural uses with residential areas;
3. The proposed amendment is not supported by arrangements for funding and development contributions for infrastructure and facilities; and
4. Approvals of the amendment would set a precedent for other more intensive non-rural developments in the rural zone. This could have a cumulative effect on the intention of the MRS Rural zone.
In addition to the above, Administration was also informed by the Department of Planning (DoP) that, based on the information that had been provided, they would not be inclined to support a local scheme amendment to the City's District Planning Scheme No. 2, to apply a Restricted Use provision in the absence of an MRS rezoning first being approved for the subject lot. Further advice went on to say that the City can decide whether to initiate the proposed local scheme amendment and that the WAPC would then formally and independently consider the scheme amendment proposal if Council decides to initiate the amendment and seek approval to advertise it for public comment.
While Council should not be fettered by the advice received on this proposal from the Minister, it is clear that the Minister does consider the proposal to be of an urban nature and therefore does not support the proposal without further planning as outlined in EWSP.
Consideration within a Rural Zone
As outlined in the Council report of 20 September 2011, Administration considers the proposed use of Lot 4 and 5 Mornington Drive, Mariginiup can be accommodated within the DPS 2 zone 'Rural Resource' and therefore the MRS zone of 'Rural'. Administration's reasons are summarised below;
· A Park Home Park cannot clearly be defined as a residential development and could be considered within a rural MRS zone (because of the transportable nature of the park homes);
· Clause 2.2.2 of LPP 5.3 applies to this proposal as it is not considered to trigger any of the eight steps as outlined in the LPP 5.3. Due to the self contained nature of the proposal it is not considered the proposal would prejudice the planning process or the ability for future urban development to occur and therefore it should be entertained by Council;
· Due to the self contained nature of the proposal it would not require any additional road linkages to surrounding sites and therefore would not prejudice any surrounding development;
· The concept plan incorporates a 20 metre vegetation buffer to the existing rural development to allow the rural area to continue to operate and not cause objectionable nuisance. The site will also contain a notification on the title to identify the potential nuisance to the owner;
· The Park Home Park land use would appear more like a caravan park with communal facilities rather than conventional urban developments. This built form would not have as significant an impact as other possible built forms; and
· It is considered the proposal would not set a precedent for any future development as it is of a unique nature and could not be easily replicated.
Response to Council's considerations of 5 April 2011
In their revised proposal, the proponents have included justification to address Council's concerns and reasons for not initiating Amendment No. 111 as identified in the Background section above. A summary of the applicant's justification includes:
· Management strategies, including the retention of trees, fencing and the low lying nature of the surrounding land uses, have been created to deal with land use conflict with the adjoining market garden sites. Whilst it is noted that these sites will likely be urbanised in the future, and therefore rendering the management strategies superfluous, the interim measures should be robust enough to enable evolution to a permanent approach to eliminate land use conflict;
· The City's LPP 5.3 identifies the opportunity for land uses which are not considered to be within the standard planning approval framework to be considered;
· Whilst district structure planning has yet to be undertaken, the self sustaining nature of the Lifestyle Village will ensure that it would not have any impact on the services of the area; and
· While significant investigations have been undertaken, including an offset strategy report for the loss of natural vegetation and preliminary comments from DoP and the Department of Sustainability, Environment, Water, Population and Communities, approval for the proposal is only to initiate the scheme amendment. Referral to other key agencies, such as the Office of Environmental Protection, Department of Water and Water Corporation will occur at future stages.
Other Considerations
In the report presented to Council on 5 April 2011 (PS09-04/11) Administration also raised further points specific to the environmental impacts of the development and bushfire management. As per Administration's previous recommendations it is considered that these matters can be considered at further stages of development and addressed through a Flora and Fauna Management Plan and Bush Fire Management Plan.
The above management plans, as well as other considerations such as traffic and development contributions will be considered in greater detail at subdivision or development application stage.
Conclusion
The initiation of the Scheme Amendment is the first step towards the development of the land for a lifestyle village that would increase the choice of lifestyle and housing options in the City.
Administration considers the use of Lots 4 and 5 Mornington Drive, Mariginiup as a lifestyle village can be accommodated within the Rural zoning of the land under the MRS and is therefore satisfied that the proposal would not compromise the planning process proposed through the WAPC’s EWSP or LPP 5.3. If Council agrees with Administration's position, that the development is compatible with the current Rural zoning under the MRS, then the Amendment should be initiated. Council's decision to initiate Amendment No. 140 to advertise the matter will not fetter its ability to make a recommendation against the Amendment following advertising of the Amendment (if granted by the WAPC). This should be reinforced to the applicant as part of any recommendation to support the proposal.
However, if Council is concerned that the proposal will adversely impact the local environment and that the Scheme Amendment is premature in relation to the surrounding EWSP area, or may set an undesirable precedent, then the Amendment should not be initiated.
Statutory Compliance
The scheme amendment will follow the statutory process outlined in the Town Planning Regulations 1967.
Strategic Implications
The proposal aligns with the following objective within the Strategic Community Plan 2013 – 2023:
“2 Society - Healthy, safe, vibrant and active communities.
2.1 Great Places and Quality Lifestyle - People from different cultures find Wanneroo an exciting place to live with quality facilities and services.”
Risk Management Considerations
Should Council refuse to initiate the Amendment there are no appeal rights for the applicant. Should Council support the recommendation to initiate the amendment then Administration consider there are no substantive risks.
Policy Implications
This proposal is assessed under the provisions of the City’s Local Planning Policy 5.3 East Wanneroo.
Financial Implications
Nil
Voting Requirements
Simple Majority
That Council:-
1. Pursuant to Section 75 of the Planning and Development Act 2005 ADOPTS Amendment No. 140 to District Planning Scheme No. 2 for the purpose of:-
a) Amending the Scheme Map for Lots 4 and 5 Mornington Drive, Mariginiup to designate ‘Restricted Use’; and
b) Modifying ‘Schedule 2 - Section 2 (Clause 3.21) – Restricted Uses’ to include Lots 4 and 5 Mornington Drive, Mariginiup as follows:
|
NO |
STREET/ LOCALITY |
PARTICULARS OF LAND |
RESTRICTED USE AND CONDITIONS (WHERE APPLICABLE) |
|
2-4 |
11 & 39 Mornington Drive, Mariginiup |
Lots 4 & 5 |
Park Home Park (Lifestyle Village)
Conditions: i. The number of dwelling units (park homes) shall not exceed 400. ii. Freehold or strata subdivision is not permitted. iii. Notification, as appropriate, to prospective purchasers of the potential impact of the surrounding land uses contemplated by the ‘Rural Resource’ zone, including but not limited to the impacts of odours, noise, light and/or dust. iv. A viable conservation area shall be retained on Lot 5 Mornington Drive, Mariginiup to the City’s satisfaction. v. The following management plans must accompany any development application for the site: a) Traffic Impact Assessment b) Flora and Fauna Management Plan c) Bushfire Management Plan |
2. REFERS Amendment No. 140 to District Planning Scheme No. 2 to:
a) the Environmental Protection Authority (EPA) pursuant to Section 81 of the Planning and Development Act 2005; and
b) The Western Australian Planning Commission for its consent to advertise under Regulation 25AA of the Town Planning Regulations 1967;
3. Subject to no objections being received from the Environmental Protection Authority and consent to advertise being granted by the Western Australian Planning Commission, ADVERTISES Amendment No. 140 for public comment pursuant to Regulation 25(2) of the Town Planning Regulations 1967 for a period of 42 days; and
4. ADVISES the owners of Lots 4 and 5 Mornington Drive, Mariginiup, that Council initiation of Amendment No. 140 to District Planning Scheme No. 2 does not imply and must not be misinterpreted as support of the concept plan submitted.
Attachments:
|
1. |
Location Plan |
11/95904 |
|
|
2. |
Amendment Plan |
14/216211 |
|
|
3. |
Concept Plan |
14/217679 |
|
|
4. |
Letter from Minister for Planning |
14/217670 |
|
CITY OF WANNEROO Agenda OF Elected Members' Briefing Session 09 September, 2014 94

Other Matters
3.5 Proposed Amendment 1263/57 to Metropolitan Region Scheme: Lots 89 to 95 and 100 Dundebar Road and Lot 88 Garden Park Drive, Wanneroo
File Ref: 2080 – 14/204478
Responsible Officer: A/Director Planning and Sustainability
Disclosure of Interest: Nil
Attachments: 4
Issue
To consider endorsement of a submission to the Western Australian Planning Commission (WAPC) on proposed Amendment 1263/57 to the Metropolitan Region Scheme (MRS), which proposes rezoning nine properties on Dundebar Road and Garden Park Drive, Wanneroo from Rural to Urban Deferred.
Background
In January 2013, the WAPC invited preliminary comment from the City on a proposal it had received for rezoning from Rural to Urban Deferred under the MRS, of nine properties on Dundebar Road and Garden Park Drive, Wanneroo.
The location of the subject land is shown on Attachments 1 and 2. It involves an area of 18.44 ha.
Administration advised the WAPC in writing on 28 February 2013 that it did not support the proposed MRS Amendment as doing so would be premature and prejudicial to Council's final decision on proposed Local Planning Policy 5.3: East Wanneroo (LPP 5.3) which was in preparation at the time. A copy of the Administration letter is included as Attachment 3.
Detail
The WAPC has resolved to amend the MRS to rezone the subject land to Urban Deferred, and is now advertising the proposal for a public submission period, closing on 5 September 2014.
The Amendment Report (dated July 2014) notes that the Amendment will facilitate an aged persons development consisting of independent living units, aged persons facility, medical centre and a pharmacy on approximately half the subject land, with the remainder containing residential lots and public open space (amongst other uses). A copy of the proposed layout plan is included as Attachment 4.
The Amendment Report also advises that the following requirements are to be addressed prior to the lifting of Urban Deferment:
· A District Structure Plan (DSP) being prepared for the East Wanneroo Structure Plan (EWSP) area; and
· A Bush Fire Hazard Assessment being undertaken for the site to the satisfaction of the Department of Fire and Emergency Services.
In respect to the above requirement for DSP preparation, it should be noted that the WAPC letter to the City on the proposed Amendment states: "please be advised that a District Structure Plan will be required to be prepared by the City of Wanneroo and endorsed by the Western Australian Planning Commission prior to any lifting of the Urban Deferred Zone. The City is encouraged to advance the initiation and finalisation of a District Structure Plan accordingly."
While the Amendment Report refers to the EWSP requirement that MRS Amendments likely needing to be supported by a DSP, it goes on to provide the following justification for initiation of this Amendment prior to DSP preparation:
"The WAPC supports the progression of this amendment, as it is considered a relatively small area of land which abuts an established residential area with no infrastructure and servicing constraints. Therefore, the proposed Urban Deferred zoning is not considered to prejudice the future preparation of a DSP for the EWSP area."
In respect to the WAPC's consideration of the City's preparation of draft Local Planning Policy 5.3: East Wanneroo (LPP 5.3), the Amendment Report refers to the first and second drafts of LPP 5.3, then concludes stating: "At this stage, draft LPP 5.3 has not been finalised".
In this regard, it should be noted that the WAPC resolved to initiate this Amendment at its meeting of 28 January 2014, so the above statement may be more a reflection of the advice provided by the Department of Planning (DoP) to the WAPC at that time, rather than reflecting the situation as at July 2014 (the date of the Amendment Report).
Regarding why it has taken so long for the Amendment to be advertised, given that the WAPC initiated it in January of this year, the DoP has advised that this is due to additional information needing to be provided to the Environmental Protection Authority, as part of its assessment of the proposal.
Consultation
The WAPC undertook preliminary consultation with relevant agencies in January 2013, and is now undertaking a formal public submission period on the proposed Amendment.
Comment
Council adopted LPP 5.3 at its meeting of 27 May 2014 (item PS01-05/14). This Policy sets out an 8 step planning process to guide the further planning of the East Wanneroo area. The WAPC was formally advised of Council's adoption of LPP 5.3 by way of correspondence dated 5 June 2014.
The first step in the Policy's planning process involves landowners preparing and submitting applications to the WAPC for amendment of the MRS to rezone all of the area shown as 'potential urban' on the EWSP to Urban. This was to be done through two amendments: one for the potential urban land north of Dundebar Road, and one for the potential urban land south of that road.
Proposed MRS Amendment 1263/57 is proposing to rezone only a small part of the potential urban land north of Dundebar Road to Urban Deferred. It is therefore contrary to LPP 5.3 in the following ways:
1. It does not involve all of the potential urban land north of Dundebar Road;
2. It involves rezoning to Urban Deferred, and not Urban; and
3. It does not address a prerequisite under LPP 5.3 for undertaking of Step 1, which involves the proponent first obtaining the City's prior approval to undertaking this work, in order to be entitled to subsequently claim development contribution 'credits' for the costs incurred in doing this work.
Being contrary to LPP 5.3, this proposed MRS Amendment presents the following problems:
1. It will set a precedent for further ad hoc, piecemeal planning rather than the East Wanneroo area being subject to a comprehensive planning approach as proposed under LPP 5.3.
Subsequent to this MRS Amendment being initiated, the WAPC has resolved to initiate a similar small-scale rezoning to Urban Deferred of a 26 ha area of land on Caporn Street, Wanneroo, which is expected to be advertised for submissions shortly.
Administration is aware that other landowner groups may be looking to apply for Urban Deferred zoning of their area, based on this proposed MRS amendment. Assessment and processing of such piecemeal applications which are likely to follow if this proposed MRS Amendment is approved, will be time consuming and resource intensive for the City and the State planning and other agencies.
The aged care component of the proposal which this rezoning is intended to facilitate does represent a type of facility and housing which will be of considerable benefit to the district, once developed. However, this is not considered to justify departing from the planning process set out in LPP 5.3, and experiencing the problems described in this report.
2. Through requiring that MRS rezoning to Urban occur through only two amendments covering the total potential urban area, LPP 5.3 aims to facilitate a collaborative approach being taken by the various landowner groups and their respective consultants who are active in that area.
This will be especially important for when the landowners come to prepare the two DSPs required under LPP 5.3, as these will involve a wide range of detailed studies at considerable cost. Piecemeal MRS Amendments discourages such collaboration occurring between the landowner groups.
3. The WAPC has indicated that the City should prepare a DSP for the EWSP area. The City's LPP 5.3 requires landowners to prepare MRS Amendments and DSPs for the area. The WAPC's position is very frustrating, as the WAPC and DoP were well aware at the time that this MRS Amendment was initiated of Council's position as set out in modified draft LPP 5.3, which was adopted by Council on 28 May 2013 for readvertising.
It is also frustrating because the City's approach in LPP 5.3 is consistent with advice provided by WAPC in July 2011, in response to a request made by the City at that time for the WAPC to rezone the total potential urban area to Urban Deferred:
"The Department of Planning is not resourced or funded to undertake the various studies required to progress the urbanisation of land in East Wanneroo. Even more importantly, it is not appropriate that the Western Australian Planning Commission (WAPC) or the Department of Planning assume the role of proponent over privately owned land.
In this respect, it is a well accepted principle that the onus for undertaking such studies rest with those on whom the benefit is conferred. That is, those which will benefit from the capitalisation associated with the urbanisation of the land. This principle is also applied to local planning scheme amendments in which applicants seek to rezone land to realise a higher and better use."
4. The Amendment Report refers to only two things needing to be done for WAPC to then lift Urban Deferment: preparation of a DSP, and a Bushfire Hazard Assessment being undertaken. This infers that WAPC would then consider approving subdivision applications in that area.
The planning framework to be established through the LPP 5.3 planning process involves a number of other important elements, including Local Structure Plans (LSP) and Development Contribution Plans (DCP), which need to be in place prior to subdivision stage. It is concerning that the WAPC may be contemplating subdivision in the absence of such important mechanisms being in place.
5. It does not allow the City to implement a proper accreditation and accounting system to handle subsequent claims for DCP credits.
Given that this MRS amendment application is contrary to LPP 5.3, and the problems this presents as indicated above, it is recommended that Council objects to this Amendment.
Statutory Compliance
If the City wishes the WAPC (and subsequently the Minister for Planning) to be made formally aware of its views on this Amendment, then it needs to make a submission to WAPC on it.
In respect to implications for City of Wanneroo District Planning Scheme No. 2 (DPS 2), rezoning to Urban Deferred does not trigger any statutory requirement for the City to amend DPS 2. However, lifting of Urban Deferment will require DPS 2 to be amended to make it consistent with the MRS.
Strategic Implications
The proposal aligns with the following objective within the Strategic Community Plan 2013 – 2023:
“4 Civic Leadership - Working with others to ensure the best use of our resources.
4.2 Working With Others - The community is a desirable place to live and work as the City works with others to deliver the most appropriate outcomes.”
Risk Management Considerations
There are no risks to the City associated with adoption of this report's recommendation.
There are risks associated with not adopting the recommendation, in that it may make it more likely that the proposed MRS amendment will be approved. This will mean that the City will be faced with the problems outlined previously in this report.
Policy Implications
The proposed MRS Amendment is contrary to LPP 5.3. If it is approved, the City may need to review its position on LPP 5.3.
Financial Implications
Approval of this proposed MRS Amendment may make it more difficult for the City to establish comprehensive and effective DCPs for the East Wanneroo area.
It might also lead to the City needing to reconsider its position regarding preparation of DSPs for the area. DSP preparation would be very costly, however noting that it should be possible to recover such costs through DCPs.
Voting Requirements
Simple Majority
That Council:-
1. OBJECTS to Metropolitan Region Scheme Amendment 1263/57 relating to lots 89 to 95 and 100 Dundebar Road and lot 88 Garden Park Drive, Wanneroo for the reasons set out in this report;
2. FORWARDS a copy of this Administration report to the Western Australian Planning Commission (WAPC) as the City's formal response to proposed Metropolitan Region Amendment 126/57;
3. ADVISES the WAPC and the Department of Planning that it is disappointed that the State planning agencies have chosen to pursue an approach for progressing the planning of East Wanneroo which is contrary to that proposed under Local Planning Policy 5.3: East Wanneroo (LPP 5.3), and SEEKS to work with the State planning agencies to arrive at a shared approach, based on LPP 5.3, which will facilitate the establishment of a comprehensive planning framework for the East Wanneroo area which will enable it to develop in an orderly and proper manner; and
4. ADVISES the WAPC and the Department of Planning that while Council is objecting to this current MRS Amendment for this small area of land on Dundebar Road, it would support an MRS amendment which involved rezoning to Urban of all of the land north of Dundebar Road which is shown as potential urban under the East Wanneroo Structure Plan.
Attachments:
|
1. |
MRS Amendment map |
14/204569 |
|
|
2. |
Proposed Amendment diagram |
14/204575 |
|
|
3. |
WAPC letter |
14/206950 |
|
|
4. |
Concept Structure Plan |
14/206959 |
|
CITY OF WANNEROO Agenda OF Elected Members' Briefing Session 09 September, 2014 104
File Ref: 1441 – 14/215901
Responsible Officer: A/Director Planning and Sustainability
Disclosure of Interest: Nil
Attachments: Nil
Issue
To appoint a community representative to the Environmental Advisory Committee (EAC).
Background
In accordance with Section 5.11 of the Local Government Act 1995 (the Act), following the 2013 Local Government Elections, Council sought nominations for community representatives on its various advisory committees, including the EAC.
The main role of the EAC is to provide a forum for community participation in the preparation of the City’s environmental policies, strategies and other such matters referred to it by the City.
The EAC’s Terms of Reference provide for a maximum of seven members, comprised of three elected members and a maximum of four community representatives.
At the 29 October 2013 Special Council Meeting (SCS02-10/13) Council appointed Cr Driver, Cr Winton and Cr Hewer as delegates to the EAC, while Cr Smithson, Cr Newton and Cr Treby were appointed as deputy delegates.
At the 10 December 2013 Council Meeting (CS06-12/13) Council appointed City of Wanneroo residents Mr John Kelly, Mr Kevin McLeod, Mr John Boonzaier and Mr Lewis Flood to the community representative positions.
Following the resignation of Mr John Boonzaier on 24 June 2014, there is now one vacant community representative position on the EAC.
Detail
The City has received a community representative nomination for the available position on the EAC from Dr Gustave Gintzburger.
Dr Gintzburger's experience and qualifications are detailed in Attachment 1 and summarised as follows:
· PhD in Ecology and Plant Biology;
· International Consultant on Range Ecology and Management; and
· Scientific Secretary of the 1991 International Rangeland Congress (IRC).
Comment
The EAC Terms of Reference allow a maximum of four community representatives. Three of these positions are currently held by existing community members. The City has received a nomination from Dr Gintzburger for the remaining vacant community representative position on the EAC.
Dr Gintzburger currently resides in Mariginiup and has not previously been a member of the EAC.
Dr Gustave Gintzburger would be an appropriate community representative and would bring valuable experience and knowledge to the EAC. Administration therefore recommends the appointment of Dr Gintzburger to the EAC.
Statutory Compliance
Pursuant to Section 5.10(1)(a) of the Act, a local government is required to have its members appointed to a committee by absolute majority.
Strategic Implications
The proposal aligns with the following objective within the Strategic Community Plan 2013 – 2023:
“1 Environment - A Healthy and sustainable natural and built environment
1.1 Environmentally Friendly - You will be part of a community that has a balance of environmentally friendly development and conservation areas for future generations to enjoy”
Policy Implications
Nil
Financial Implications
Nil
Voting Requirements
Absolute Majority
That Council BY ABSOLUTE MAJORITY, APPOINTS Dr Gustave Gintzburger to the City of Wanneroo Environmental Advisory Committee (EAC) as a community representative.
Attachments: Nil
CITY OF WANNEROO Agenda OF Elected Members' Briefing Session 09 September, 2014 106
File Ref: 4092 – 14/238594
Responsible Officer: A/Director Planning and Sustainability
Disclosure of Interest: Nil
Attachments: Nil
Previous Items: MN02-08/14 - Removal of Fig Trees in Russell Road, Madeley - Rescission Motion - Ordinary Council - 19 Aug 2014 7:00pm
Issue
To consider the motions raised at the Special Meeting of Electors held on 25 August 2014 concerning the preservation of significant trees.
Background
Council considered the removal of 13 fig trees (Ficus macrocarpa 'hillii') in Russell Road, Madeley at its meeting on 24 June 2014 (IN01-06/14) and resolved as follows:
"That Council:
1. ADOPTS option 3 and authorises the removal of the Ficus microcarpa var. Hillii trees; opposite 1-15 Russell Road in Madeley;
2. AUTHORISES the planting of replacement trees in the location in consultation with the adjacent property owners with a variety of species consistent with the City's Verge Tree policy and in keeping with the size and scale of residential development in the area; and
3. ADVISES the petitioners of Council's decision."
Council considered a Motion on Notice at 19 August 2014 Council Meeting, and resolved to revoke the previous decision made on 24 June 2014, and subsequently, not to remove the fig trees and instead conduct tree maintenance works to reduce tree load and canopy overhang.
On 25 August 2014 a Special Meeting of Electors was held "to consider the revocation of a decision of Council made at is 24 June 2014 meeting - Item No. IN01-06/14 to remove fig trees opposite 1-15 Russel Road, Madeley."
At this meeting there were seven motions presented in writing, of which six were carried. In accordance with Council's direction, this report addresses the six carried motions from the Special Meeting of Electors.
Detail
The six motions carried at the meeting all related to the mechanism by which Council might ensure the future protection of significant trees. A summary of each of the carried motions is outlined below:
· Motion 1: That Council reviews and updates its Tree Preservation Policy;
· Motion 2: That Council implements and maintains a Significant Tree Register;
· Motion 3: That Council updates the Municipal Heritage Inventory to include significant trees;
· Motion 4: That Council lists the stand of 13 Ficus Hillii trees in Russell Road, Madeley on the Significant Tree Register;
· Motion 5: That Council lists the stand of 13 Ficus Hillii trees in Russell Road, Madeley on the Municipal Heritage Inventory; and
· Motion 6: That Council amend the Street Tree Policy to mandate the preservation and maintenance of all mature trees.
A review of these motions identifies three key requests:
1. To review of the City's existing Tree Preservation Policy (Motions 1 and 6);
The City's existing Tree Preservation Policy provides broad statements of intent with regard to the identification and protection of significant trees in the City. It applies only to the identification and protection of significant trees through the following circumstances:
· Structure Plans, Subdivision and Planning Approval; and
· Public Open Space Reserves
In both circumstances the Policy states that wherever possible and practicable, significant individual trees shall be preserved on private lots and retained appropriately within road reserves, public open space reserves and carparks, and that development should be located to minimise the impact on significant trees.
The Policy states that the removal of trees should be considered as a last resort after all other options have been considered.
The Policy also provides a broad definition of significant trees, and notes that trees identified as a result of the application of the Policy will be recorded on the City's property information system.
2. To prepare a Significant Tree Register, that includes the Ficus Trees on Russell Road (Motions 2 and 4); and
The City does not currently have a significant tree register in place.
3. To review the Municipal Heritage Inventory to address significant trees, including the Ficus Trees on Russell Road (Motions 3 and 5)
The City maintains a Municipal Heritage Inventory (MHI) in accordance with the Heritage of Western Australia Act 1990 (Heritage Act), which requires local governments to compile and maintain an inventory of places and areas that are of cultural heritage significance for the local government district. The MHI does not have any statutory force under District Planning Scheme No. 2 (DPS 2) but is a list of places considered by Council to have cultural heritage significance. Items identified from the MHI with cultural values requiring added statutory protection under DPS 2 are included on the Scheme Heritage List.
The City's MHI includes a number of natural features such as caves, wetlands, natural springs, and two specific groups of trees – Olive trees in Perry's Paddock, Yellagonga Regional Park, and the Avenue of Trees on Yanchep Road, Yanchep National Park. The only trees included on the Scheme Heritage List are the Avenue of Trees in Yanchep National Park.
Although significant trees may be included on the MHI or Scheme Heritage List, it must be for their cultural heritage significance rather than any specific environmental or aesthetic values.
Consultation
Nil
Comment
Review of the City's existing Tree Preservation Policy (Motions 1 and 6);
· Motion 1
Administration supports Motion 1 that the Tree Preservation Policy be reviewed, and work on this review has already commenced.
The City's Tree Preservation Policy was originally adopted by Council on 1 July 2004 to provide a mechanism to protect significant trees in development areas and public open space. It was last reviewed in July 2006, and is now significantly overdue for review.
Increasing pressure from greenfield and infill development has found the Policy lacking in its ability to effectively protect significant trees in new development areas of the City. Furthermore, on occasions where the removal of mature trees has been proposed as a result of community petitions or complaints (as has been the case with the Ficus trees on Russell Road) it has become clear that the existing Policy does little to provide guidance to Administration or Council on how these requests ought to be considered.
The Policy does provide a definition of significant trees, however, this definition is considered to be too broad in scope to be of practical use in protecting trees on development sites.
The reviewed Policy will need to clearly state the City's position on the retention and protection of significant and mature trees; the City's criteria for determining the significance of trees; the circumstances under which the removal of trees would be supported; and what the City would require in return for the approved removal of any trees on development sites. The Policy should also provide guidance on the protection and maintenance of trees in streets, parks and open space areas, private land and development sites.
It is expected that the review of the Tree Preservation Policy will be completed by the end of December 2014, with a revised draft Policy to be presented to Council early in 2015 for consideration to advertise for public comment.
· Motion 6
Motion 6 requests that the City amend the Street Tree Policy to mandate the preservation and maintenance of all mature trees. As the City does not currently have a Street Tree Policy it is uncertain whether the motion is referring to the Tree Preservation Policy, or another related document such the Street Tree Masterplan or Verge Treatment Guidelines.
Regardless of which document the motion refers to, there may be genuine reasons why a mature tree is unable to be kept, such as ill health, disease, or a genuine risk to the community. Furthermore, if the motion is in fact referring to the Tree Preservation Policy, it is considered premature to predict the position on tree retention and maintenance that may eventuate through the review of this Policy.
As a result, Administration does not support this motion.
Prepare a Significant Tree Register, that includes the Ficus Trees on Russell Road (Motions 2 and 4)
· Motion 2
Motion 2 requests the establishment of a Significant Tree Register.
Administration supports this Motion in principle, however, the preparation of a Significant Tree Register is a significant undertaking requiring an audit of the whole City and is therefore dependent on Council approving funds in the 2015/15 budget for the appointment of consultants to undertake this work. It is also noted that work on this register cannot commence until such time as the Tree Preservation Policy has been reviewed, and an approach to determining the significance of trees has been adopted by Council.
It will also be necessary to identify the mechanism by which the Significant Tree Register will actually provide additional protection to the trees identified. DPS 2 does not currently include any specific provisions relating to the protection of significant trees and this will therefore be investigated as part of the City's review of DPS 2 which is currently underway.
· Motion 4
Administration is not currently in a position to respond to this motion, given the need to first review the Tree Preservation Policy and list funds for consideration in the 2015/16 budget for the preparation of a Significant Tree Register.
Further work is required to more clearly define the guidelines or criteria with which the City could identify significant trees across the City. Until such time as the criteria for significance is determined and a Significant Tree Register has been established, it is not possible to determine whether it would be appropriate or not to include the Ficus trees on Russell Road.
Review the Municipal Heritage Inventory to address significant trees, including the Ficus Trees on Russell Road (Motions 3 and 5)
· Motion 3
Motion 3 requests the City review the MHI to include significant trees. Administration does not support this motion on that basis that it is not possible to include all significant trees in the MHI by default.
There is clear guidance set out in the Heritage Act on the criteria and processes that apply to identifying places for inclusion in a MHI. Although these may include significant trees on the basis of their cultural heritage significance, it is unlikely to include all significant trees across the City. The Significant Tree Register referred to above would be more likely to be the appropriate tool to protect significant trees.
In relation to the review of the MHI and Scheme Heritage List more generally, this will be addressed as part of the preparation of the City's new Local Planning Scheme No. 3, which is currently under way.
· Motion 5
Motion 5 requests the inclusion of the 13 Ficus Hillii trees in Russell Road, Madeley on the MHI. For the reasons outlined above in relation to Motion 3, Administration does not support this motion.
Statutory Compliance
Section 5.33 of the Local Government Act 1995 states the following in relation to decisions made at electors’ meetings:-
"(1) All decisions made at an electors’ meeting are to be considered at the next ordinary council meeting or, if that is not practicable —
(a) at the first ordinary council meeting after that meeting; or
(b) at a special meeting called for that purpose,
whichever happens first.
(2) If at a meeting of the council a local government makes a decision in response to a decision made at an electors’ meeting, the reasons for the decision are to be recorded in the minutes of the council meeting."
Strategic Implications
The proposal aligns with the following objective within the Strategic Community Plan 2013 – 2023:
“1 Environment - A Healthy and sustainable natural and built environment
1.1 Environmentally Friendly - You will be part of a community that has a balance of environmentally friendly development and conservation areas for future generations to enjoy”
Risk Management Considerations
The following risks to the City have been identified in relation to motions being considered:
· Motion 1: That Council reviews and updates its Tree Preservation Policy.
Should Council support this motion, there is a risk that it may impact on the delivery timeframes for other Corporate Business Plan (CBP) projects, as this project is not currently identified in the CBP.
There is a significant reputational risk involved in not supporting the motion. There is also a risk of continuing to make ad hoc decisions in relation to future tree removal issues or petitions.
· Motion 2: That Council implements and maintains a Significant Tree Register.
The creation of a Significant Tree Register is not currently planned or budged for. As a consequence, should Council support this motion there is a risk that the creation of the Register will have an adverse impact on the delivery of other projects already identified in the Corporate Business Plan. There is also a risk that additional ongoing staff resources will be required to keep such a register current and up to date.
· Motion 3: That Council updates the Municipal Heritage Inventory to include significant trees.
Should Council support this motion, there is a risk that a number of significant trees may not be accepted as being appropriate for inclusion on the MHI.
· Motion 4: That Council lists the stand of 13 Ficus Hillii trees in Russell Road, Madeley on the Significant Tree Register; and
· Motion 5: That Council lists the stand of 13 Ficus Hillii trees in Russell Road, Madeley on the Municipal Heritage Inventory.
Should Council support these motions, there is a risk that it will prejudice any future position Council may wish to make on tree protection when considering the reviewed Tree Preservation Policy. Additionally there is a risk that the trees may not meet the criteria established for significant trees as part of this Policy review.
· Motion 6: That Council amend the Street Tree Policy to mandate the preservation and maintenance of all mature trees.
Should Council support these motions, there is a risk that it will prejudice any future position Council may wish to make on tree protection when considering the reviewed Tree Preservation Policy.
Policy Implications
Motions 1 and 6 involve Administration reviewing the City's existing Tree Preservation Policy.
Financial Implications
Once the criteria for determining the significance of trees has been established through a review of the Tree Preservation Policy, it may be necessary to apply this criteria to all trees across the City in order to prepare a significant tree register. The City does not have the resources and/or expertise to undertake this work in-house and would therefore need to engage consultants to complete the necessary survey work.
The costs of undertaking this work are currently unknown and there are no funds available in the current 2014/15 budget for this purpose. As part of reviewing the Tree Preservation Policy, the cost of undertaking this work will be investigated and an appropriate sum listed for consideration in the 2015/16 budget process.
Voting Requirements
Simple Majority
That Council:-
1. NOTES the motions adopted at the Special Meeting of Electors held on 25 August 2014;
2. SUPPORTS Motion 1 to review and update the City's Tree Preservation Policy because the Policy is significantly overdue for review;
3. In relation to Motion 2 LISTS FOR CONSIDERATION in the 2015/16 budget the appointment of consultants to assist the City to prepare a Significant Tree Register and NOTES that work on this register cannot commence until such time as the Tree Preservation Policy has been reviewed and an approach to determining the significance of trees has been adopted by Council;
4. DOES NOT SUPPORT Motion 3 to update the Municipal Heritage Inventory to include significant trees because it is not possible to include all significant trees in the Municipal Heritage Inventory by default, without a full assessment of their cultural heritage significance in accordance with the Heritage of Western Australia Act 1990;
5. DOES NOT SUPPORT Motion 4 to include the stand of 13 Ficus Hillii trees in Russell Road, Madeley on the Significant Tree Register because it is not possible to determine whether the Ficus trees on Russell Road, Madeley are appropriate for inclusion until such time as the criteria for determining the significance of trees is determined through the review of the Tree Preservation Policy and a Significant Tree Register has been established;
6. DOES NOT SUPPORT Motion 5 to list the stand of 13 Ficus Hillii trees in Russell Road, Madeley on the Municipal Heritage Inventory because:
a) there is no Council endorsed criteria to determine whether these trees are significant;
b) it is not currently possible to determine whether these trees are of cultural heritage significance; and
c) the Municipal Heritage Inventory is not the appropriate tool to protect significant trees; and
7. DOES NOT SUPPORT Motion 6 to amend the Street Tree Policy to mandate the preservation and maintenance of all mature trees because the City does not currently have a Street Tree Policy and there may be genuine reasons why a mature tree is unable to be kept such as ill health, disease, or a genuine risk to the community.
CITY OF WANNEROO Agenda OF Elected Members' Briefing Session 09 September, 2014 113

City Businesses
3.8 Proposed new commercial Lease to Carol Marshall over a portion of Lot 511, Clarkson Library, Ocean Keys Bvd, Clarkson (Tenancy 4)
File Ref: 4170 – 14/161729
Responsible Officer: A/Director City Businesses
Disclosure of Interest: Nil
Attachments: 1
Issue
To consider entering into a new commercial lease over a 83m2 portion of Reserve 47718, Lot 511, Clarkson Library, Ocean Keys Blvd, Clarkson (Tenancy 4) with the current tenant Carol Marshall for a term of three (3) years with a three (3) year option, subject to advertising.
Background
The Clarkson Library complex was constructed in 2004 and is located on the northern side of Ocean Keys Blvd, Reserve 47718, Lot 511 on Deposited Plan 39299 being the whole of the land comprised in Certificate of Title Volume LR3134 Folio 540. The main "Ocean Keys Shopping Centre" complex is located to the south of the subject property.
Reserve 47718 is a category "C" reserve and vested in the City for the purpose of "Community Purposes" under a Management Order with power to lease for a term not exceeding 21 years, subject to the consent of the Minister for Lands.
The land is currently zoned as "Urban" under the Metropolitan Region Scheme and "Centre" in the City of Wanneroo District Planning Scheme No.2 and forms part of an Agreed Structure Plan. The current zoning permits a variety of retail and commercial uses.
Incorporated into the Clarkson Library building (Building) are three commercial tenancy areas which have street frontage to Ebb Way, Clarkson. Details of the existing mixed commercial cluster of tenancies that operate out of the Building are as follows:
· Tenancy 1 (Cartridge World - franchise outlet) is approximately 49m2 and is currently leased to L&C Perth Pty Ltd as Trustee for the Liao and Chen Family Trust for the permitted use of a "Retail outlet for sale of printer cartridges and associated products";
· Tenancy 2 (The Salon) (is approximately 55.5m2 and is currently leased to Sharon Johnson and Joy Ann Smith trading under the business name, "The Salon @ Ocean Keys" for the permitted use of a "Hair Dressing and Beauty Salon"; and
· Tenancy 4 (The Full Monty Cafe) (Attachment 1 refers) is approximately 83m2 and is currently leased to Carol Marshall (tenant) for the permitted use of a "Cafe".
There is no tenancy known as Tenancy 3 in the Building. All three of the commercial tenancies operating out of the Building have the non-exclusive right to use the Buildings common areas within the Buildings standard trading hours and other times as permitted under the terms of the individual leases.
The existing lease to the tenant of Tenancy 4 (Council resolved at its Ordinary Council Meeting of 2 November 2004, CR01-11/04) commenced 13 December 2004 for a term of five (5) years with an option to renew for a further term of five (5) years.
The tenant exercised the 5 year lease option on 8 September 2009 and the further term commenced 13 December 2009 and will expire 12 December 2014.
Detail
The proposed new lease comprises a total area of approximately 83m² (cafe/kitchen area: 77m2, storeroom: 6m2) known as Tenancy 4 together with a right of access to those parts of the Building designated as common areas (Attachment 1 refers) which is essentially the service corridor, ablutions and bin store that all three commercial tenancies share. Historically, all three commercial tenancies have contributed to the upkeep of the common areas through their variable outgoings.
On 27 July 2014, the tenant wrote to the City requesting that it consider entering into a new lease for a three (3) year period commencing 13 December 2014 with a further three (3) year option. The tenant was notified that any future tenancy between both parties is subject to Council approval, Ministerial consent, a market rent review and advertising as per current legislation requirements.
Under the terms of the City’s current Tenancy Policy approved by Council, the tenant is categorised as a 'commercial' tenant being a non-exempt disposition under the Local Government Act 1995. In accordance with the Tenancy Policy, annual rent is to be negotiated at market rate.
The City currently receives an annual lease income stream from Tenancy 4 of $23,994.77 per annum (plus GST) for rent, with annual CPI increases, and $3,230.16 (plus GST) in variable outgoings.
A market valuation was sought from a licensed valuer to establish the current annual rental of Tenancy 4 as per required legislation and a rate of $340/m² per annum net for the 77m2 cafe/kitchen area and $200/m2 per annum net for the 6m2 storeroom was suggested by the licensed valuer inclusive of the right to use the common area facilities. This equates to $27,380 per annum based on a lettable area of 83m2. In addition, variable outgoings (less electricity, Council rates and the Emergency Services Levy (ESL)) were estimated to be approximately $3,250 per annum.
The licensed valuer concluded that the current market value of Tenancy 4 is $30,630 (plus GST) per annum semi-gross inclusive of variable outgoings (less electricity, Council r
ates and ESL).
Accordingly, the following essential terms for the proposed semi-gross lease have been agreed with the tenant and are subject to Council and Minister for Lands approval:-
|
Leased Premises: |
Exclusive use of Tenancy 4 (The Full Monty Cafe) being an area of 83m2 and use of the Clarkson Library Building common areas (Attachment 1 refers) to Carol Marshall |
|
Permitted Purpose: |
Cafe |
|
Lease Term: |
Three (3) years with a three (3) year option |
|
Commencement Date: |
13 December 2014 |
Lease Rental: |
$30,630 (plus GST) per annum inclusive of all outgoings except electricity, ESL, and Council rates for Tenancy 4 (83m2) |
|
Outgoings included in Lease Rental for Tenancy 4 - (83m2): |
Water rates and usage, building insurance, ground maintenance, building compliance & services (pest control, graffiti removal, contract labour material and plant) and Alarm Monitoring & Servicing |
|
Electricity for Tenancy 4 – (83m2): |
Lessee responsibility |
|
Outgoings included in Lease Rental for Common Area: |
Cleaning, building maintenance, consumables and electricity |
|
Common Areas: |
Lessee is permitted to use (on a non exclusive basis) the common areas during the Buildings standard trading hours and other times as permitted. The common area is defined as the entrance and exit ways in relation to the walkway/service-corridor/passageway, toilets/washrooms and rubbish storage area |
|
Council Rates & Taxes: |
Lessee responsible for Council rates and ESL for Tenancy 4 (83m2) |
|
Public Liability Insurance: |
Lessee responsibility - $20 million |
|
Cleaning: |
Lessee responsibility for Tenancy 4 (83m2) |
|
Lessee Services: |
Lessee responsible for the provision of any special requirements such as telephone and broadband services |
|
Building Maintenance: |
Lessee to keep and maintain every part of the inside of the leased premises including all ceiling panels, lighting and electrical installations, doors, windows frames, floor coverings and all other fixtures and fittings in good and substantial repair and condition. The Lessee is responsible for the outer surface of any plate glass |
|
CPI/Rent Reviews: |
Annual increase in accordance with CPI. A market rent Review will apply at the commencement of the proposed three (3) year option period should the tenant exercise its option in accordance with the lease terms |
Consultation
The essential terms of the proposed lease have been prepared in consultation with the tenant.
It is proposed that subject to Council approval to the lease, formal commercial lease documentation will be prepared by the City's external solicitor, Kott Gunning which will include the disclosure requirements of the Commercial Tenancy (Retail Shops) Agreements Act 1985.
Section 18 of the Land Administration Act 1997 requires the City to obtain consent to the lease from State Land Services at the Department of Lands (DOL) on behalf of the Minister for Lands. The City has briefed the DOL of the lease proposal and it has subsequently advised in writing on 4 August 2014 that based on the information provided to-date, it has no objection to the negotiation of a new lease on the terms outlined. Once the lease has been prepared by the City's external solicitor, the City will forward the document to the DOL for its consideration and request "in-principle" consent.
Comment
Should Council agree to the lease, given that the proposed lease is not an ‘exempt disposition’, it will be necessary to publish a local notice of the proposal inviting public submissions. Subject to no submissions being received from the advertising process, formal consent to the lease as outlined in this report is sought from Council.
Should any submissions be received, the lease will not be executed until a further report is be presented to Council for consideration.
The proposed new lease of Tenancy 4 to the tenant to continue its cafe operation is supported by Administration for the following reasons:
· A market review of rent is available at the commencement of the option period should this be exercised;
· The current zoning for the land under the Agreed Structure Plan No 2 is ‘commercial’ and a cafe is a permitted use;
· The tenant has a good relationship with the City and is aware of how the Building operates. There is no perceived negative impact on the operation of the Building or the adjoining leased areas; and
· No fit out of the premises is required.
The tenant has previously tried to sell the business on two separate occasions during 2014. Should the tenant wish to sell the business following approval, a formal process will follow including a report to Council for consideration.
Statutory Compliance
The public notice advertisement is required to fully comply with the requirements under the following sections of the Local Government Act 1995 with respect to the proposed disposition:
· Section 3.58(3) of the Local Government Act 1995 states:
“A local government can dispose of property (including leasing) other than by public tender or auction if, before agreeing to dispose of the property:
(a) It gives a local public notice of the proposed disposition –
(i) describing the property concerned;
(ii) giving details of the proposed disposition; and
(iii) inviting submissions to be made to the local government before a date to be specified in the notice, being a date not less than 2 weeks after the notice is first given.”
· Section 3.58(4) of the Local Government Act 1995 states:
“The details of a proposed disposition that are required by subsection (3)(a)(ii) include:
(a) the names of all other parties concerned;
(b) the consideration to be received by the local government for the disposition; and
(c) the market value of the disposition –
(i) as ascertained by a valuation carried out not more than 6 months before the proposed disposition”.
In addition, the proposed lease tenure complies with the requirement of the Commercial Tenancy (Retail Shops) Act 1985 whereby a minimum tenure term of five (5) years is required along with the provision of a Disclosure Statement.
Strategic Implications
The proposal aligns with the following objective within the Strategic Community Plan 2013 – 2023:
“3 Economy - Progressive, connected communities that enable economic growth and employment.
3.2 Growing Business - Our community is a preferred place for business to locate and grow.”
Risk Management Considerations
Administration recommends that the commercial lease is approved in order to support local business and to provide for the continued effective use and management of this portion of the Building. Administration has negotiated a lease/and or renewal of lease tenancies with all three Building tenants in 2014 and therefore is required to provide a consistent, equitable and uniformed approach to arrangements for all tenancies within the Building.
City Administration is aware that the existing tenant of Tenancy 4 has tried to sell the business twice during 2014 and that there is the future possibility of the City having to consent or withhold consent to any future tenant proposed assignment of lease within a specified timeframe of 28 days from a receipt of notice in accordance with section 10 of the Commercial Tenancy (Retail Shops) Agreements Act 1985.
Policy Implications
The proposed lease has been negotiated in accordance with the 'commercial' guidelines as outlined in the City's Tenancy Policy.
Financial Implications
The proposed lease will generate an annual income stream to the City of $30,630 (plus GST) per annum semi-gross, inclusive of all outgoings except electricity. Annual CPI increases will apply together with an opportunity to review the rent to market at the commencement of the proposed option period, should the tenant elect to exercise the option.
The changes to the Commercial Tenancy (Retail Shops) Act 1985, effective 1 January 2013 prohibit landlords from claiming legal expenses relating to the preparation, negotiation or execution of leases and associated documentation. It is estimated that the preparation of the proposed commercial lease by the City' external solicitor, Kott Gunning will cost in the region of $1,500 (plus GST) and disbursements.
Voting Requirements
Simple Majority
That Council:-
1. APPROVES in principle, a commercial lease of a 83m2 portion (Tenancy 4) of Reserve 47718, Lot 511, Clarkson Library, Ocean Keys Boulevard, Clarkson (Attachment 1 refers) to Carol Marshall, for a term of three (3) years commencing 13 December 2014 with a three (3) year option subject to the requirements of the Commercial Tenancy (Retail Shops) Act 1985 and the Minister for Lands approval;
2. AUTHORISES the publication of a local public notice of the intention to enter into the lease in accordance with Section 3.58 of the Local Government Act 1995;
3. NOTES if any submissions are received a further report will be presented to Council; and
4. In the event there are no submissions,
a) NOTES the Chief Executive Officer under delegated authority will approve the lease; and
b) AUTHORISES the affixing of the Common Seal of the City of Wanneroo to a lease between the City and Carol Marshall in accordance with the City's Execution of Documents Policy.
Attachments:
|
1. |
Attachment 1: Lease area |
14/209110 |
|
CITY OF WANNEROO Agenda OF Elected Members' Briefing Session 09 September, 2014 120
3.9 Proposal to allow the Tiger Kart Club Inc to exercise its first five (5) year Lease option over portion of Lot 600 (570) Wattle Avenue, Neerabup
File Ref: 4559 – 14/226956
Responsible Officer: A/Director City Businesses
Disclosure of Interest: Nil
Attachments: 2
Issue
To consider allowing the Tiger Kart Club Inc (Club) to exercise its first five (5) year lease option commencing 1 December 2014 over a portion of Lot 600 (570) Wattle Avenue, Neerabup, despite non-compliance with part of the existing lease.
Background
The Club currently leases a portion of Lot 600 (570) Wattle Avenue, Neerabup from the City. The land subject to the lease is also known as Lot 600 on Deposited Plan 302260, being the whole of the land comprised in Certificate of Title Volume 87 Folio 163A. Lot 600 is owned freehold by the City.
The leased area is approximately 7.7 hectares (Attachment 1 refers).
The Club was formed in 1958, making it the oldest kart club operating in Western Australia today, and has occupied Lot 600 since December 1988 (first under a prior 21 year lease). It consists of approximately 425 members with membership increasing on a monthly basis. The Club operates a second track “Cockburn International Kartway” at Henderson and has occupied that site since 1960.
Under the City's current Tenancy Policy, the Club is categorised as a 'not for profit' entity and therefore the Lease is on the basis of 'no cost to the City'. The Club is currently responsible for all costs for utility outgoings, building insurance, public liability insurance, rates and taxes, repairs and maintenance of the leased premise and operational compliance matters. The annual lease fee is currently $5,545.87 per annum plus GST and was negotiated with the Club in recognition that there is a sublease arrangement in place with a commercial kart operator which the Club receives some income from besides membership fees. This annual lease fee is in addition to the above costs which the Club meets. The Club holds regular internal and open state meetings and has hosted a number of major events at Neerabup.
The current lease, which commenced 1 December 2009, was approved by Council on 17 November 2009 (report item CS09-11/09 refers) in accordance with the City’s Tenancy Policy. Council resolved as follows:
“That Council:-
1. APPROVES the leasing of portion of Lot 600 (570) Wattle Avenue, Neerabup to the Tiger Kart Club Inc for a term of five (5) years together with one option to renew for a further term of five (5) years, commencing 1 December 2009;
2. NOTES that the right to exercise the option to renew is conditional upon the development of the Club’s facility, as outlined in its 2009 – 2019 Business Plan, being progressed to the satisfaction of the City within the first four years of the initial term of the lease, and is also conditional upon a revised 5 Year Business Plan, including any proposals for further development during the further term, being submitted to the City for consideration at the time the Club exercises its option to renew in accordance with the lease provisions;
3. ACKNOWLEDGES that failure by the Club to satisfy the City in regard to the progress achieved in the first four years in accordance with the 2009 – 2019 Business Plan or failure to present the revised 5 Year Business Plan would result in the Club forfeiting the right to exercise the option in accordance with the default provisions of the lease;
4. ACKNOWLEDGES the arrangement between the Tiger Kart Club Inc and the commercial kart hire operator (Australia Racecare Pty Ltd) and APPROVES a formal sublease between the Tiger Kart Club Inc and Australia Racecare Pty Ltd being entered into; and
5. AUTHORISES the Mayor and Chief Executive Officer to affix the Common Seal of the City of Wanneroo to and execute a lease between the City and the Tiger Kart Club Inc. and associated sublease documentation between the Tiger Kart Club Inc and Australian Racecare Pty Ltd. for a maximum term of ten (10) years subject to 2. and 3. above."
In 2012, the Club requested a variation to the lease to add a second option term of five (5) years, to increase the Club's chances of securing grant funding from the Community Sporting and Recreation Facilities Fund (CSRFF). The variation had the effect of potentially extending the overall lease term, including options (if exercised), to 30 November 2024.
At the time of requesting to vary the lease, the Club also submitted an updated list of all the works it originally proposed in its business plan to carry out during the course of 2013, amounting to $197,669 (excl GST). These works include bitumen resurfacing of the track and installing race safety lighting. The Club has amortized this capital investment over the now fifteen (15) year lease (should the options be exercised at the appropriate times).
In this regard, a further report was presented to Council at its meeting on 18 September 2012 (CB04-09/12 refers) and Council resolved the following:
“That Council:-
1. APPROVES a variation to the existing lease to the Tiger Kart Club Inc over portion of Lot 600 (570) Wattle Avenue, Neerabup, to provide an additional five (5) year option term commencing 1 December 2019, provided the Tiger Cart Club Inc has exercised its first option terms, and
2. AUTHORISES the affixing of the Common Seal of the City of Wanneroo to the Deed of Variation between the City and the Tiger Kart Club Inc."
Detail
Due to the potential length of tenure (ten (10) years including the first option term) granted at the commencement of the lease it was thought prudent at the time to place conditions on the options contained within the lease. The exercising of the options are conditional upon the Club satisfying the City that it has developed the site in accordance with the proposed works (such as the bitumen resurfacing of the track mentioned earlier) in its business plan.
In order to ensure that the Club adequately progressed the development of its facility in accordance with its business plan objectives, clause 7(2)(a) in the lease provides the circumstances under which the option term can be granted. Clause 7(2)(a) states;
"The Lessee may only accept this offer and exercise the option if:
(a) the Lessee have punctually paid rent and observed the covenants contained in this Lease throughout the Term; and....."
The Club has met all the covenants in its lease except for the timing of its submission of its Tiger Kart Club Business Plan 2014 – 2019 (Attachment 2 refers) ("Option Period Business Plan") which covers the first five (5) year option period.
In regard to the Club's submission of its Option Period Business Plan, the Club should have submitted this to the City in accordance with the relevant provisions in its lease, that being no later than nine (9) months prior to the end of the term of the lease and not earlier than twelve (12) months prior to the end of the term of the lease, ie. between 30 November 2013 and 1 March 2014. Unfortunately, due to an inadvertent oversight by the Club, it only recently submitted its Option Period Business Plan on 15 August 2014.
Administration has reviewed the Option Period Business Plan and, given the Club's history of meeting its development proposals, is satisfied with the Option Period Business Plan and considers that the Club will continue to improve the facility through the option term.
As a result of a recent inspection, Administration is satisfied as to the works (such as the bitumen resurfacing of the track) that have been undertaken to the leased premises. Save for the timing of the Club's submission of the Option Period Business Plan, which the Club has been made aware of, Administration considers all the other clauses associated with the exercising of the option as having been met. The timing of the submission of the Option Period Business Plan is the only issue preventing the Club from exercising its first five (5) year option with such option only being available if the City agrees to accept that the submission is late.
Consultation
Administration met with the Club on site to verify the works, as referred to earlier, have been completed. Administration confirms that it is not aware of any other issues relating to the lease apart from what is described in this report.
Comment
Administration recommends that Council allows the Club to exercise its first five (5) year option scheduled to commence 1 December 2014 despite the late submission of the Option Period Business Plan.
The works undertaken to date by the Club have resulted in significant improvements to the site at no cost to the City.
Whilst the submission of the Option Period Business Plan was a few months late it should be noted that the Club is a volunteer organisation with somewhat limited resources. Since the Club's occupancy of the leased premises dating back to 1988, the Club has continued to make improvements and has demonstrated capacity to repay borrowings in the order of $685,000 against both of its facilities (the leased premises and the Henderson facility). It is a very progressive club with a well established committee which is keen to fulfil the club's Option Period Business Plan.
The Club and the City have a good working relationship and both parties aim to work collaboratively going forward to manage the lease.
A Deed of Variation of Lease will be required to be executed between the City and the Club to waive the wording "and observed the covenants contained in this Lease" that is contained in clause 7(2)(a) of the existing lease but only in respect of the initial five (5) year lease term.
The Club's second five (5) year option term for the period 2019-2024, should the Club choose to exercise it, remains conditional upon the Club submitting a new business plan for this period in the required timeframe to the satisfaction of the City. The Club is also required to complete the works as outlined in the Option Period Business Plan.
Given the Club's development works to date and that it will be carrying out further works during the option period in accordance with its Option Period Business Plan such as renovating the canteen and upgrading the toilets, Administration supports the variation to the existing lease.
By allowing the Club to exercise its first five (5) year option, the Club retains the right to exercise its second five (5) year option of renewal. Administration believes the Club can achieve the proposals it has laid out in its Option Period Business Plan (which covers the period 2014 to 2019, being the first five (5) year option).
Statutory Compliance
The proposed lease is considered an exempt disposition under Regulation 30(2)(b) of the Local Government (Functions and General) Regulations 1996, which states:
“30(2) A disposition of land is an exempt disposition if –
(b) the land is disposed of to a body, whether incorporated or not –
(i) the objects of which are of a charitable, benevolent, religious, cultural, educational, recreational, sporting or other like nature; and
(ii) the members of which are not entitled or permitted to receive any pecuniary profit from the body’s transactions;”
Strategic Implications
The proposal aligns with the following objective within the Strategic Community Plan 2013 – 2023:
“2 Society - Healthy, safe, vibrant and active communities.
2.2 Healthy and Active People - We get active in our local area and we have many opportunities to experience a healthy lifestyle.”
Risk Management Considerations
The City, under the provisions of the lease (as varied), can determine whether or not the Club is allowed to exercise future options in the lease. In this regard, if the Club does not undertake works as outlined in its Option Period Business Plan during the course of the first five (5) year option period (2014-2019) to the satisfaction of the City, and also submit a new business plan to cover the second five (5) year option period (2019-2024), the City is entitled under the lease to not grant the Club its second five (5) year option. Therefore, the risks to the City if the Club does not perform the option covenants are considered negligible.
Policy Implications
The Lease was negotiated in accordance with the City’s Tenancy Policy at the time of the lease negotiations in 2008 and the proposed variation still accords with the Tenancy Policy.
Financial Implications
The granting of the exercising of the option to the Club would continue to provide an annual income of $5,545.87 plus GST to the City with increments by CPI to apply on an annual basis. The Club has continued to meet its requirement to pay the annual fee throughout the term of the lease.
Voting Requirements
Simple Majority
That Council:-
1. NOTES the Tiger Kart Club Inc. has not complied with a covenant in the lease by failing to provide its Option Period Business Plan for the period 2014 to 2019 between 30 November 2013 and 1 March 2014;
2. ACKNOWLEDGES that the Tiger Kart Club Inc. submitted its Option Period Business Plan for the period 2014 to 2019 on 15 August 2014, and that notwithstanding the late submission, the Option Period Business Plan is otherwise in a form acceptable to the City;
3. APPROVES the variation of the existing Lease to delete that part of clause 7(2)(a) that states " and observed the covenants contained in this Lease";
4. AUTHORISES the affixing of the Common Seal of the City of Wanneroo to a Deed of Variation of Lease between the City and the Tiger Kart Club Inc. in accordance with the City's Execution of Documents Policy;
5. NOTES that the Tiger Kart Club Inc. has exercised its first five (5) year lease option commencing 1 December 2014 for a portion of Lot 600 (570) Wattle Avenue, Neerabup; and
6. NOTES that the right of the Tiger Kart Club Inc. to exercise the second option to renew is conditional upon the further development of the Tiger Kart Club Inc., as outlined in the Option Period Business Plan and is also conditional upon the submission of a further five (5) year business plan for the period 2019-2024, including any proposals for further development during the second option period, being submitted to the City between 30 November 2018 and 1 March 2019 for consideration in accordance with the terms of the lease.
7.
Attachments:
|
1. |
Tiger Kart Club Lease Area |
14/228147 |
|
|
2. |
Tiger Kart Club Business Plan 2014 to 2019 |
14/226947 |
|
CITY OF WANNEROO Agenda OF Elected Members' Briefing Session 09 September, 2014 138
3.10 Proposed Excision and Purchase of Portion of Crown Reserve 34068, Casserley Park, 48 Casserley Avenue, Girrawheen
File Ref: 5207 – 14/228906
Responsible Officer: A/Director City Businesses
Disclosure of Interest: Nil
Attachments: 1
Previous Items: PS04-09/13 - Adoption of Amendment No. 125 to District Planning Scheme No. 2 - Portion of Lot 9474 Casserley Avenue, Girrawheen - Ordinary Council - 17 Sep 2013 7.00pm
Issue
The City entered a conditional contract (the Contract) with Emmanuel Christian Community School Inc. (the School) for the purchase of a 1.08 hectare portion of Reserve 34068, Casserley Park, 48 Casserley Avenue, Girrawheen (Casserley Park) by the School.
This report is the final stage for Council to complete the Contract.
Background
The School approached the City in 2011 with a proposal to purchase a 1.08ha portion of Casserley Park (the School Portion) (Attachment 1 refers). The acquisition of the School Portion by the School is intended to allow for the School to expand.
Casserley Park is more particularly described as Lot 9474 on Diagram 45810, being the whole of the land comprised in Qualified Certificate of Crown Land Title Volume LR3090 Folio 327.
26 June 2012 – Council Resolutions
Council, at its meeting of 26 June 2012, resolved as follows (Item CB05-06/12):
"That Council BY ABSOLUTE MAJORITY:-
1. APPROVES the ENTERING into a conditional contract of sale of land with Emmanuel Christian Community School for the purchase of a 1.08 hectare portion (subject to survey) of Crown Reserve 34068, Casserley Park, 48 Casserley Avenue, Girrawheen at market value determined by the Valuer General, plus GST if applicable;
2. AUTHORISES the Chief Executive Officer to affix the Common Seal of the City of Wanneroo, and execute a conditional contract of sale of land between the City and Emmanuel Christian Community School;
3. SUBJECT to Emmanuel Christian Community School entering a conditional contract of sale of land with the City of Wanneroo and the rezoning approval, AUTHORISES the excision and purchase of a 1.08 hectare portion (subject to survey) of Crown Reserve 34068, Casserley Park, 48 Casserley Avenue, Girrawheen at 5% unimproved market value determined by the Valuer General plus GST if applicable; and
4. NOTES a further report will be presented to Council with any submissions to the advertisements for the rezoning, excision and purchase of the portion of Crown Reserve 34608, and detailing the negotiated sale of the portion of Casserley Park."
Subsequent to resolutions CB05-06/12 and PS02-06/12 (the latter resolution in respect of the rezoning of the land), the City entered into the Contract with the School.
Detail
The Contract is subject to two conditions:
1. The amendment of the relevant local planning scheme (namely Amendment No. 125 to District Planning Scheme No. 2 (DPS 2)) to rezone the School Portion from "Parks and Recreation" to "Private Clubs & Recreation" (the Rezoning Condition).
2. The State of Western Australia (the State) (acting through the Department of Lands (DoL)) selling the School Portion to the City in freehold (the Freehold Sale Condition).
The conditions must be satisfied by 10 January 2015 (or such other date mutually agreed by the parties). In the event that the conditions have not been satisfied by the due date, the Contract will automatically terminate.
Rezoning Condition - Amendment No. 125
Following Council's approval of Amendment No. 125 (Item PS04-09/13), and further consultation with the WAPC, the City submitted Amendment No. 125 (modified in accordance with the WAPC's request to describe the zoning as "Private Clubs/Recreation") to the WAPC for endorsement. Endorsement is expected to occur during August 2014. Thereafter, the Rezoning Condition will be satisfied.
Freehold Sale Condition – Next Steps
The Freehold Sale Condition must be completed so that the City can be in a position to sell the School Portion.
The following steps are required to satisfy the Freehold Sale Condition:
1. A survey to identify the exact area of the School Portion;
2. An updated valuation of the School Portion;
3. The City to enter into a contract with the State (prepared by DoL) for the sale of the School Portion to the City as a separate freehold parcel of land (the Freehold Contract); and
4. The DoL subdivides Casserley Park to excise the School Portion, and sells the School Portion to the City.
Administration understands that the Freehold Contract will incorporate the following particulars:
· Land to be acquired by the City: The School Portion (as surveyed);
· Purchase price: 5% of the market value as determined by Landgate Valuation Services (the Valuer General);
· Settlement date: 60 days following the date of execution of the contract by both parties, or such other date agreed in writing by the parties; and
· Proceeds of sale: In accordance with the DoL Government Land Policy Manual policy statement "Section 20A Public Recreation Reserves – Policy No. 4.1.5" (the DoL Policy), the City must apply the net proceeds of the sale of the School Portion to the School to capital improvements to recreation reserves in the general locality (including the remainder of Casserley Park). The net proceeds will be retained in the City's Section 20A Reserve or in a separate trust fund to be established (Trust Fund), as determined in consultation between Administration and the DoL.
Following settlement of the Freehold Contract, the Freehold Sale Condition will be satisfied. At this stage, the Contract will be unconditional.
The Contract incorporates the following particulars:
· Purchase price: $1,400,000 (plus GST);
· Settlement date: The later of 30 days following the issue of a separate Certificate of Title for the School Portion to the City, or 30 days following the settlement of the sale of the School Portion to the City. The settlement date may be amended by the parties; and
· General Conditions: The 2011 Joint Form of General Conditions for the Sale of Land (the General Conditions) forms part of the Contract.
Administration proposes to seek advice from its panel solicitors, Kott Gunning (the firm that drafted the Contract for the City), in respect of any negotiations regarding the terms of the Freehold Contract, and in the settlement of the Freehold Contract and the Contract.
Consultation
The DoL advised Administration on 11 February 2014 that, provided the Rezoning Condition was satisfied at the time that the City requested that the DoL prepare the Freehold Contract (as will be the case), no further public consultation would be required.
Comment
Given that:
· Council previously considered and supported the proposed excision of land from Casserley Park for purchase by the School;
· There remains a large number of public open spaces within the suburbs of Girrawheen and Koondoola;
· An expansion of the School will expand the educational options for the local community; and
· The City will retain the net proceeds of the sale of the School Portion to be applied to the remainder of Casserley and other nearby reserves,
Administration submits the following actions for Council approval:
· The excision of the School Portion from Casserley Park by the State;
· The purchase of the School Portion by the City from the State; and
· The sale of the School Portion to the School by the City.
Statutory Compliance
The disposal of the School Portion by State to the City will be subject to section 86 of the Land Administration Act 1997 (WA) (LAA):
"86 The Minister may sell by private treaty the fee simple in, or lease, Crown land —
...
(c) subject to the Local Government Act 1995, to any local government.
The transaction must also accord with the DoL Policy.
The disposal of the School Portion by the City to the School will be an exempt disposition pursuant to Regulation 30(2)(b) of the Local Government Act (Functions and General) Regulations 1996 (WA):
“30(2) A disposition of land is an exempt disposition if –
...
(b) the land is disposed of to a body, whether incorporated or not —
...
(i) the objects of which are of a charitable, benevolent, religious, cultural, educational, recreational, sporting or other like nature; and
(ii) members of which are not entitled or permitted to receive any pecuniary profit from the body’s transactions....”
Strategic Implications
The proposal aligns with the following objective within the Strategic Community Plan 2013 – 2023:
“3 Economy - Progressive, connected communities that enable economic growth and employment.
3.4 Smart Communities - Our community and businesses have access to the right information, education and technology they need to be successful.”
Risk Management Considerations
Risk 1 Consideration
In the event that the Rezoning Condition or the Freehold Sale Condition is not satisfied by 10 January 2015 or such later date agreed by the parties, the Contract will terminate.
Risk 2 Consideration
If either party (the City or the School) delays in completing settlement of the Contract by more than 3 business days following an agreed settlement date, the other party may claim penalty interest.
Risk 3 Consideration
The General Conditions provide terms relating to the rights of a party in respect of a default by the other party to the Contract, extending to terminating the Contract, claiming penalty interest, or suing the defaulting party for damages arising from the default. Administration considers that the risk of the City defaulting under the Contract is very low (given that the School will bear the majority of obligations at settlement).
Risk 4 Consideration
During the period between the settlement of the Freehold Contract and the settlement of the Contract, the City will be directly responsible for the School Portion as the owner of that land in freehold.
However, the City already bears responsibility for the School Portion pursuant to section 46 of the LAA as the authority responsible for the "care, control and management" of Casserley Park.
Risk 5 Consideration
The Contract requires that the School constructs an initial stage of school buildings on the School Portion within 3 years of the settlement of the Contract. The City has a right to repurchase the School Portion at a price equal to the original purchase price (less costs and expenses incurred by the City) if the construction works are not completed within time, with the City being permitted to protect its right to repurchase by registering a caveat on the Certificate of Title for the School Portion. There is potential that the City's caveat may need to follow any mortgage lodged by a financier of the School, and that the City may be requested by the School to withdraw any initial caveat (and to register a new caveat) in the event that there are changes to the financing arrangements.
Risk 6 Consideration
In the event that the City exercises its right to repurchase the School Portion (as described at the Risk 5 Consideration above), there is a residual risk that the City would be left as the owner of the School Portion in freehold. In such circumstances, the City would have the option to sell the land at market value to a third party, or to transfer the land to the State for no consideration (the DoL has advised that it would not agree to pay the City for the School Portion). The net proceeds of any sale to a third party would be retained in either the Section 20A Reserve or a Trust Fund.
Policy Implications
Nil
Financial Implications
The City is able to purchase the School Portion at 5% of the unimproved market value (as determined by the Valuer General). The valuation completed in July 2012 assessed an indicative value of $1,400,000 (excluding GST). This valuation will be revised, and adjusted by reference to the survey of the School Portion.
The Contract provides that the School will pay a fixed purchase price of $1,400,000 (excluding GST) for the School Portion. The School will pay all costs associated with the purchase.
The $70,000 required to pay for the School Portion is available in the Section 20A Reserve account. The $70,000 paid will be returned to the same Section 20A Reserve account when the land is sold to the School with an overall net outlay for the City being nil.
The net profit (following the deduction of the amount of approximately $70,000 from the proceeds) is to be received by the City and retained either the Section 20A Reserve or a Trust Fund as determined by Administration in consultation with the Department of Lands.
Voting Requirements
Absolute Majority
Recommendation
That Council:-
1. NOTES that the City entered a conditional contract with Emmanuel Christian Community School Inc. (the School) dated 11 January 2013 for the purchase of a 1.08 hectare portion (subject to survey) of Reserve 34068, Casserley Park, 48 Casserley Avenue, Girrawheen by the School;
2. AUTHORISES the purchase by the City of a 1.08 hectare portion (subject to survey) of Crown Reserve 34068, Casserley Park, 48 Casserley Avenue, Girrawheen in freehold from the State of Western Australia at 5% of the unimproved market value as determined by the Valuer General (plus GST, if applicable);
3. APPROVES BY ABSOLUTE MAJORITY:
a) the unbudgeted expenditure pursuant to section 6.8(1)(b) of the Local Government Act 1995 (WA) of 5% of the valuation (estimated at $70,000) to acquire the 1.08 hectare portion (subject to survey) of Crown Reserve 34068, Casserley Park, 48 Casserley Avenue, Girrawheen in freehold from the State of Western Australia; and
b) the recovery from the proceeds of sale of the 1.08 hectare portion (subject to survey) of Reserve 34068, Casserley Park, 48 Casserley Avenue, Girrawheen to Emmanuel Christian Community School Inc. of an unbudgeted income in an identical amount,
noting that the transaction will be at no cost to the City, with the proceeds of $1.4 million (plus GST if applicable) sale price less the 5% acquisition costs to be retained and applied in accordance with the Land Administration Act 1997 (WA) and applicable Department of Lands' policies;
4. AUTHORISES the Mayor and the Chief Executive Officer to affix of the common seal of the City of Wanneroo, in accordance with the City's Execution of Documents Policy, to:
a) The contract of sale, Transfer of Land document and any other associated documentation relating to the purchase by the City of a 1.08 hectare portion (subject to survey) of Crown Reserve 34068, Casserley Park, 48 Casserley Avenue, Girrawheen in freehold; and
b) The Transfer of Land document and any other associated documentation (including but not limited to caveat and withdrawal of caveat forms) relating to the sale by the City of the portion of Crown Reserve 34068, Casserley Park, 48 Casserley Avenue, Girrawheen acquired in freehold pursuant to (2) and (4)(a) to Emmanuel Christian Community School Inc.; and
5. DELEGATES BY ABSOLUTE MAJORITY to the Chief Executive Officer the authority to:
a) vary:
i) The date for satisfaction of any conditions; and
ii) The settlement date,
set out in the contract between the City and Emmanuel Christian Community School Inc. dated 11 January 2013, and in the contract of sale between the City and the State of Western Australia entered pursuant to (2) and (4)(a);
b) vary any construction time periods specified in the contract of sale between the City and the State of Western Australia entered pursuant to (2) and (4)(a); and
c) sign any notices to be issued by the City pursuant to the contract between the City and Emmanuel Christian Community School Inc. dated 11 January 2013, or pursuant to the contract of sale between the City and the State of Western Australia entered pursuant to (2) and (4)(a).
Attachments:
|
1. |
Emmanuel Christian Community School - Proposed Excision from Casserley Park, Girrawheen |
11/127738 |
|
CITY OF WANNEROO Agenda OF Elected Members' Briefing Session 09 September, 2014 146

Community Safety & Emergency Management
File Ref: 2027V02 – 14/227467
Responsible Officer: A/Director City Businesses
Disclosure of Interest: Nil
Attachments: Nil
Issue
To consider the establishment of exercise areas, or specify areas where dogs are prohibited in accordance with Sections 31(3A) and 31(3B) of the Dog Act 1976 via a Council resolution by Absolute Majority.
Background
The City of Wanneroo had their Animal Local Law 1999 enacted on 13 July 1999.
From 1 November 2013 the Dog Amendment Act removed a local government's requirement to make local laws in relation to dog exercise areas in the district, and places where dogs are absolutely prohibited. In order to relieve local governments from having to remove these provisions from their local laws by following the local law making process set out in section 3.12 of the Local Government Act 1995, the Dog Amendment Regulations 2014, that came into effect on 21 May 2013, provide a sunset date of 31 July 2014 for the operation of those clauses.
Council at its Ordinary Meeting of 22 July 2014 (CB01-07/14) resolved the following;
"That Council:-
1. Pursuant to Section 31(3C)(b) of the Dog Act 1976, GIVES 28 days local public notice of its intention to specify as a dog exercise area, all public reserves vested in or under the care, control and management of the City of Wanneroo, excluding the following places:
a) Dedicated road reserves, rights of way and pedestrian access ways;
b) Reserve No. 28058 (Kingsway Regional Sporting Complex, Madeley);
c) All parts of Foreshore Reserve 20561 that are not already specified as dog exercise areas (being Two Rocks, Yanchep and Quinns Rocks Dog Beaches);
d) Any public building, except during City approved events;
e) Any shop or business premises, except a shop or business premises where dogs are sold;
f) Reserve No. 22915 (Frederick J Stubbs Grove, Quinns Rocks);
g) Reserve No. 12990 (Wanneroo Showgrounds), except during City approved events;
2. Pursuant to Section 31(3C)(a) of the Dog Act 1976, GIVES 28 days local public notice of its intention to specify places b) – g) (inclusive) in 1 above, as places where dogs are prohibited; and
3. NOTES that a further report will be presented to Council at the conclusion of the local public notice periods referred to in 1 and 2 above, for Council to consider formally specifying the places referred to in those recommendations as dog exercises areas and places where dogs are prohibited, in accordance with Sections 31(3A) and 31(3B) (respectively) of the Dog Act 1976."
As defined in the Local Government Act 1995 section 1.7, the local government must give local public notice of at least 28 days before specifying a place to be a place where dogs are prohibited at all times or times specified, or a dog exercise area of its intention to do so.
The 28 day period for public notice was given on 5 August 2014, thereby expiring on 2 September 2014.
Detail
For the City of Wanneroo these definitions are:
Dog Exercise Areas
Section 10 of the City of Wanneroo Animals Local Law 1999 states: "all public reserves vested in or under the care, control and management of the local government, excluding road and street reserves are designated as dog exercise areas for the purposes of the Dog Act". Unless further exemptions are made that any dog owner may exercise off the lead in any of the City's reserves (called Dog Exercise Area).
This section of the local law permits dogs (other than dangerous dogs) to be exercised off lead, whilst under the effective control of a person liable for control of the dog in accordance with the Dog Act 1976, in all of the City's parks and reserves, unless specified.
Places Where Dogs Are Absolutely Prohibited
The Second Schedule of the Animals Local Law 1999 states: "Kingsway Sporting Complex, Madeley, being Reserve No. 28058, other than those parts of Kingsway Sporting Complex that are places where dogs are prohibited absolutely as specified in the Fourth Schedule of this local law or that have been designated as a Dog Exercise Park adjacent to the north east corner of the main entrance to Kingsway Sporting Complex, Madeley on Hepburn Avenue, 400 metres west of the intersection of Skeit Road and Hepburn Avenue identified as a fenced area signposted as a Dog Exercise Park".
The Second Schedule in effect allows dogs to be exercised on lead in Kingsway Sporting Complex (other than the netball courts where they are absolutely prohibited – refer to the Fourth Schedule below).
The Fourth Schedule of the Animals Local Law 1999 designates the following places where dogs are prohibited absolutely:
1. Any public building (except during City approved shows, exhibitions or events), shop or business premises, with the exception of a shop or business premises where dogs are sold.
2. The 3 bituminised areas located on the northern portion of Kingsway Sporting Complex, Reserve No 28058, which have netball courts marked on them and any bituminised areas located between or adjacent to those netball courts.
3. Frederick J Stubbs Grove, Quinns Rocks, being Reserve No. 22915.
4. Wanneroo Showgrounds (except during City approved shows, exhibitions or events), Wanneroo, being Reserve No. 12990.
5. Foreshore Reserve 20561, other than:
a) Two Rocks Beach, being that part of Foreshore Reserve No. 20561 proceeding southward from a point adjacent to the southern groyne of the Two Rocks Marina (being prolongation westward of the southern boundary of the unnamed road reserve situated between Part Lot 1000 and Part Lot 50 of Swan Location 1370) to a line which is the prolongation easterly and westerly of the northern boundary of Swan Location 8508 commonly known as Leemans Landing;
b) Yanchep Beach, being that part of Foreshore Reserve No. 20561 proceeding southwards for a distance of approximately 740 metres from line being the prolongation westerly of the northern boundary of Reserve No 32978 being Compass Park, Yanchep;
c) Quinns Rocks Beach, being that part of Foreshore Reserve No. 20561 proceeding northwards for a distance of 1000 metres from a line being the prolongation westerly of the northern side of Tapping Way Road Reserve in the northern part of the Quinns Rocks locality; and
d) Any coastal walkway or pedestrian access way, being part of Foreshore Reserve No. 20561.
Consultation
Pursuant to Section 31(3C)(a) of the Dog Act 1976, Administration has provided 28 day's public notice of the establishment of exercise areas or specify areas where dogs are prohibited in accordance with Sections 31(3A) and 31(3B) of the Dog Act 1976, expiring on 2 September 2014.
No comments have been received throughout the public notice period.
Comment
From 1 November 2013 the Dog Amendment Act removed a local government's requirement to make local laws in relation to dog exercise areas in the district, and places where dogs are absolutely prohibited. In order to relieve local governments from having to remove these provisions from their local laws by following the local law making process set out in section 3.12 of the Local Government Act 1995, the Dog Amendment Regulations 2014, that came into effect on 21 May 2013, provide a sunset date of 31 July 2014 for the operation of those clauses.
To enable the City to re-establish the exercise areas or specify places where dogs are prohibited they must do so via a council resolution (by absolute majority) in accordance with the amended section 31 of the Dog Act 1976 rather than through a local law.
The City of Wanneroo Animal Local Law 1999 contains clauses which establish dog exercise areas, or prohibit dogs absolutely from areas.
It should be noted this report is due to the State Legislation change and in no way looks at the review of local laws or areas. Administration would like to clarify this to allow Elected Members to be aware that a separate local law review is underway and will result in clarification and discussion around individual areas within the City.
Statutory Compliance
This action was pursuant to the implementation of the Dog Amendment Regulations 2014.
This means that if a local government has a local law containing clauses which establish dog exercise areas, or prohibit dogs absolutely from areas; these clauses will be inoperable from 31 July 2014.
Should local governments wish to establish exercise areas or specify places where dogs are prohibited they must do so via a council resolution (by absolute majority) in accordance with the amended section 31 of the Dog Act 1976 rather than through a local law.
At least 28 days before specifying a place to be a place where dogs are prohibited at all times or times specified, or a dog exercise area the local government must give local public notice as defined in the Local Government Act 1995 section 1.7 of its intention to do so.
Although there has been a lag time between when the local law will became inoperable, and when the dog exercise and dogs prohibited areas are adopted, the City's Rangers have taken on an educational, rather than enforcement role in relation to these matters.
Strategic Implications
The proposal aligns with the following objective within the Strategic Community Plan 2013 – 2023:
“2 Society - Healthy, safe, vibrant and active communities.
2.3 Safe Communities - We feel safe at home and in our local area.”
Risk Management Considerations
Other than minor amendments in relation to allowing dogs in public buildings and/or the Wanneroo Showgrounds during City approved shows, exhibitions or events, the promulgation of dog exercise areas and areas where dogs are absolutely prohibited has already undergone a process of community consultation (at the time the local law was advertised) and has been approved by Council. If the recommendations of this report are not approved by Council, the clauses contained in the Animals Local Law 1999 will become inoperable. In effect, the City's Rangers would be powerless to act on complaints in relation to the exercise of dogs in the City's parks, reserves (including foreshore reserves).
Policy Implications
Nil
Financial Implications
Nil
Voting Requirements
Absolute Majority
That Council BY ABSOLUTE MAJORITY:-
1. SPECIFIES as a dog exercise area, all public reserves vested in or under the care, control and management of the City of Wanneroo, excluding road and street reserves, designated as dog exercise areas for the purposes of the Dog Act 1976.
2. SPECIFIES the following places as places where dogs are absolutely prohibited:
a) Kingsway Sporting Complex, Madeley, being Reserve No. 28058, other than those parts of Kingsway Sporting Complex that are places where dogs are prohibited absolutely as specified in the Fourth Schedule of this local law or that have been designated as a Dog Exercise Park adjacent to the north east corner of the main entrance to Kingsway Sporting Complex, Madeley on Hepburn Avenue, 400 metres west of the intersection of Skeit Road and Hepburn Avenue identified as a fenced area signposted as a Dog Exercise Park;
b) Any public building (except during City approved shows, exhibitions or events), shop or business premises, with the exception of a shop or business premises where dogs are sold or treated;
c) The 3 bituminised areas located on the northern portion of Kingsway Sporting Complex, Reserve No 28058, which have netball courts marked on them and any bituminised areas located between or adjacent to those netball courts;
d) Reserve No. 22915 (Frederick J Stubbs Grove, Quinns Rocks);
e) Reserve No. 12990 (Wanneroo Showgrounds), except during City approved events;
f) Foreshore Reserve 20561, other than:
i) Two Rocks Beach, being that part of Foreshore Reserve No. 20561 proceeding southward from a point adjacent to the southern groyne of the Two Rocks Marina (being prolongation westward of the southern boundary of the unnamed road reserve situated between Part Lot 1000 and Part Lot 50 of Swan Location 1370) to a line which is the prolongation easterly and westerly of the northern boundary of Swan Location 8508 commonly known as Leemans Landing;
ii) Yanchep Beach, being that part of Foreshore Reserve No. 20561 proceeding southwards for a distance of approximately 740 metres from line being the prolongation westerly of the northern boundary of Reserve No 32978 being Compass Park, Yanchep;
iii) Quinns Rocks Beach, being that part of Foreshore Reserve No. 20561 proceeding northwards for a distance of 1000 metres from a line being the prolongation westerly of the northern side of Tapping Way Road Reserve in the northern part of the Quinns Rocks locality; and
iv) Any coastal walkway or pedestrian access way, being part of Foreshore Reserve No. 20561; and
CITY OF WANNEROO Agenda OF Elected Members' Briefing Session 09 September, 2014 152

Infrastructure
Infrastructure & Coastal Maintenance
File Ref: 1702 – 14/217802
Responsible Officer: Director Infrastructure
Disclosure of Interest: Nil
Attachments: 3
Previous Items: IN02-02/12 - Review of "Two Rocks Coastal Management - May 2006" Study Report on the Coastal Erosion North of Two Rocks Marina - Ordinary Council - 07 Feb 2012 7.00pm
Issue
To consider recent technical advice regarding Two Rocks coastal management and presentation of coastal management options at a public meeting.
Background
Council considered reports in 2003 and 2004 (Items TS15-12/03 and TS18-06/04 refer) and approved the commissioning of coastal engineering consultants to undertake a study of the coastal erosion at Two Rocks north of the Two Rocks Marina. The study was completed in May 2006 and Council considered a report (IN14-06/06 refers) at its meeting on 27 June 2006 and resolved to receive the study report, which recommended the construction of two partial length groynes to protect the Two Rocks Coastline. Submissions were made to the State Government in 2006 seeking funding for the implementation of the recommended coastal management option but no funding commitment was received by the City.
The “Two Rocks Coastal Management – May 2006 Study Report" noted that there was no immediate requirement to implement the recommended coastal management option for “construction of two partial length groynes”. It was anticipated that the groynes may be required in five years from the year the report was completed (i.e. due in 2011). The City again approached the State Government in August 2011 by writing to the Minister for Transport seeking consideration of the matter, with a view to providing funds to the City for implementing the recommended coastal management option to ensure the protection of the infrastructure along the Two Rocks Coastline. The Minister advised the City in October 2011 to seek grant funding under the 2012/2013 Coastal Protection Grants Program and update the options recommended in the “Two Rocks Coastal Management – May 2006 Study Report".
Council considered a report at its meeting on 7 February 2012 (IN02-02/12 refers) and resolved as follows:
"That Council:-
1. NOTES the advice from the Minister for Transport regarding the Two Rocks Coastal Protection Works as included in Attachment 1;
2. AGREES to a joint study with the Department of Transport for undertaking a review of the “Two Rocks Coastal Management – May 2006” study report on the coastal erosion of the Two Rocks coastline north of Two Rocks Marina;
3. AUTHORISES the Director Infrastructure to proceed with the preparation of a consultancy brief and initiate the process for inviting quotations from coastal engineering consultants to undertake a review of the “Two Rocks Coastal Management – May 2006” study report on the coastal erosion of the Two Rocks coastline north of Two Rocks Marina;
4. SEEKS a further report, subject to the confirmation of grant funding from the Department for Transport and after the receipt of the quotations as defined in 3 above; and
5. REQUESTS the Mayor to write to the Minister for Transport expressing concern that the State Government has not committed any funds for the previously identified coastal protection works and has given no commitment in this regard, but has asked the City to jointly fund another study."
In May 2012, the Department of Transport (DoT) invited applications for the allocation of funding under the Coastal Protection Grant Programs 2012/13. In accordance with Council decisions made on 2 February 2012, two applications were submitted to the DoT for the allocation of grant funding under its “Coastal Protection Grants Program 2012/13” to undertake a “Review of Two Rocks Coastal Management Study” covering approximately 1.0 km of coastline immediately north of the Two Rocks Marina.
The City received a letter dated 14 August 2012 from the Minister for Transport advising that grant of $50,000 has been approved for this project. The grant provided up to 50% in partial funding of the total estimated cost of the project with the funding of the remainder by the City.
Following confirmation of the grant funding, a Consultants' Brief was finalised in consultation with DoT's coastal engineers and following a detailed tender evaluation process M P Rogers & Associates (MRA) was appointed to undertake a two stage study including:
Stage 1:
· Desktop review and knowledge summary;
· Understanding of coastal process;
· Coastal management options/strategies; and
· Summary, discussion and selection of options for comprehensive evaluation.
Stage 2:
· Comprehensive evaluation of Coastal Management options;
· A community presentation meeting; and
· Presentation of a detailed report.
Detail
MRA was engaged by the City in November 2012 to undertake a review of Two Rocks coastal management including preliminary design of management options. The study area (Refer to Attachment 1) extends from the North Yanchep headland to the Mallee Reef salient. DoT's coastal engineers provided final review comments on this study in March 2014 and finalised draft study report – "Two Rocks Coastal Management" (MRA Study) was received in April 2014. A copy of the draft study report has been placed in the Elected Members reading room for perusal.
Stage 1 of the MRA Study includes a detailed review of previous studies, assessment of coastal processes and evaluation of conceptual coastal management options including managed retreat, sand nourishment, sand bypassing, seawall, staged groynes and offshore breakwaters.
The MRA Study states that the construction of the Two Rocks marina in 1973 interrupted the longshore drift in the area, resulting in the accretion of sediment to the south and erosion of the shoreline to the north.
Historical shoreline movement rates were assessed in order to determine the rates of shoreline recession to the north of the marina. Based on this analysis, MRA has determined a maximum erosion rate of approximately 0.7m/year. Storm induced erosion was also assessed via the SBEACH computer model resulting in a possible 20m of shoreline recession during a severe storm event. In addition, recession due to sea level rise was also investigated resulting in an additional 2m and 5m of recession over a 10 year and 25 year planning timeframe respectively. Refer to Attachment 2 for estimates of future shoreline locations for 10 and 25 year planning timeframes.
Stage 2 of the MRA Study involved further investigation and preliminary design of the managed retreat and staged groyne options, with concluding remarks as follows:
· Managed retreat option including relocation of the Sceptre Court stairway, viewing platform and access path, relocation of the navigation marker and 80m extension of the marina's northern seawall has an estimated capital cost of $1M and is likely to be suitable for an estimated 45 years before the Sovereign Drive road reserve is vulnerable to erosion. Refer to Attachment 2.
· Two groynes north of the marina with a staged construction including a 50m extension of the marina's northern seawall and relocation of the Sceptre Court stairway, viewing platform and access path has an estimated capital cost of approximately $4.7M and is likely to be suitable for an estimated 80 years before the Sovereign Drive road reserve is vulnerable to erosion. Refer to Attachment 3.
Stage two options were assessed based on environmental, social and economical impacts along with long term risks to existing infrastructure. Both options achieved the same overall ranking with the increased cost and social impacts of the Staged Groyne option counteracted by the high long term risk of the Managed Retreat option. Ultimately the Managed Retreat option was ranked first due to the lower capital costs and the planning timeframe of 25 years.
Additionally, MRA has provided recommended actions to obtain further information to assist in future investigations and implementation of coastal management options including:
· Beach Surveys;
· Photographic Beach Monitoring;
· Hydrographic Surveys; and
· Geotechnical Investigation.
A geotechnical investigation was recently commissioned by DoT and undertaken by Aurecon in May/June 2014 to investigate the location of bedrock within the coastal dune system north of the existing Two Rocks marina. Final recommendations from this study are as follows: "Assessment from the processed datasets indicates that for the majority of the interpreted sections, the level of limestone bedrock is above the mean sea level. Based on this classification system it is considered that the limestone underlying the sand dune formation may provide some erosion protection and hence the potential for significant erosion of the sand dune formation beyond Sovereign Drive is limited". Implementation of future coastal management works will require a detailed design study which will incorporate the findings of this geotechnical investigation into the basis of design.
Consultation
The Coastal Infrastructure Section of DoT has undertaken a detailed review of the draft Two Rocks Coastal Management study and is satisfied with MRA's response to comments and the finalised report. DoT has shared all available studies and information regarding coastal studies at Two Rocks. The City will continue to consult with DoT regarding the recommended coastal management options and management responsibilities of the Two Rocks coastline into the future.
Comment
The MRA Stage 2 assessment of the two preferred coastal management options (managed retreat and staged groyne construction) has identified managed retreat as the highest ranking option based on a net present value analysis over a planning timeframe of 25 years. Over an extended timeframe, as additional infrastructure such as Sovereign Drive and private development becomes vulnerable to coastal processes, this option would no longer be ranked higher than the staged groyne option. Therefore, it is recommended that in the short term, the managed retreat option is enforced whilst undertaking appropriate monitoring to track shoreline movements. However in order to address erosion issues in the medium to long term it is recommended that measures are put in place to allow for the implementation of the staged groyne option. Such measures would need to include further consultation with DoT regarding State Government funding for both detailed design and implementation phases of the project.
A community presentation meeting as detailed in the Stage 2 scope of work above has not yet been undertaken. It was originally planned to hold such presentation meeting on the finalisation of the draft study report but was deferred in view of the DoT's geotechnical investigation. Now the City has received these details, it is intended to hold a community presentation meeting where MRA will present the findings of its study report allowing the community to raise any concerns and ask relevant questions to Administration and the Consultant.
DoT has been regularly monitoring the Two Rocks coastline through photographic monitoring up to May 2014 in order to investigate seaweed movements and shoreline change. DoT's investigation into seaweed movement is now complete and the City has taken over photographic beach monitoring commencing August 2014. This is currently scheduled to take place quarterly and following major storm events as per MRA's recommendations. This will assist in identifying timeframes on the need for retreat of existing assets and supplementary coastal management works.
DoT is undertaking surveys of the near shore and beach areas north of Two Rocks Marina every 1 to 2 years to capture any significant movement of sediment in the area. This is likely to continue into the future, however in order to capture a continuous record of seasonal and long term beach change, it is proposed to appoint a Contractor to undertake pre and post winter beach surveys every year until such time that coastal management options are implemented.
Statutory Compliance
Any coastal protection works are subject to obtaining all necessary statutory approvals including Development Application, Clearing Permit and Aboriginal Heritage Approval. However, these approvals will be required at the time of preparation of the design and documentation of the approved coastal management options.
Strategic Implications
The proposal aligns with the following objective within the Strategic Community Plan 2013 – 2023:
“1 Environment - A Healthy and sustainable natural and built environment
1.1 Environmentally Friendly - You will be part of a community that has a balance of environmentally friendly development and conservation areas for future generations to enjoy”
Risk Management Considerations
The draft study report has established that there is no immediate coastal erosion threat to the adjoining assets other than the navigational marker and the Sceptre Court stairway and this risk can be managed by ongoing monitoring and undertaking some protection/remedial works as necessary. However, if no coastal management works are undertaken in short to medium term (5 to 10 years), the erosion trend suggests the loss of the foreshore dunes and hence the loss of environmental/amenity value of the adjoining foreshore areas. It is therefore important that the risk due to ongoing coastal erosion is managed by the implementation of the coastal management options within the next 5 to 10 years timeframe.
Policy Implications
The Coastal Protection Policy for Western Australia is a DoT Operational Policy and identifies issues relating to the coastal protection in Western Australia. This Policy describes the responsibilities of the local coastal managers (such as Local Authorities) and the State Government and provides details of any funding opportunities/conditions for coastal protection works.
The State Government, through the DoT (pursuant to its Coastal Protection Policy for Western Australia) can provide funding assistance of up to 50% for emergency coastal protection works, however that is subject to several conditions, the most relevant being:
· The funds must be available in the State budget and the City must cover the balance of the costs;
· The funding assistance will only cover the immediate costs of the works and not any incidental costs such as fencing, landscaping repairs, etc.;
· Assets must be at immediate risk from erosion and be valued at equal to or more than the costs of the works; and
· The works must be designed primarily to halt the immediate erosion threat.
Financial Implications
Direct costs associated with the community presentation meeting are estimated to be under $500 and form part of the routine operating budgets.
There is no direct cost related to the photo monitoring program as it is undertaken by the City's Project Manager Coastal Projects.
The estimated cost of the Beach Surveys is in the order of $7,000 per year and is funded from the routine foreshore maintenance operating budgets.
The exact cost of the coastal management options is dependent of the adoption of a suitable option and detailed design/documentation. Since the MRA Study clearly indicates that the Two Rocks Marina has been the cause of the coastal erosion to the north of the marina, it is Administration's view that the City is not liable to fund any coastal erosion management works. Hence the budget provisions for such works should be made by the State Government as the owner of Two Rocks Marina.
Voting Requirements
Simple Majority
Recommendation
That Council:-
1. RECEIVES the M P Rogers and Associates draft report titled "Two Rock Coastal Management" dated April 2014;
2. AUTHORISES a presentation of the recommendations and coastal management options from the study report outline in Item 1 at a public meeting to be held in Two Rocks;
3. NOTES Administration will undertake ongoing photographic beach monitoring on a quarterly basis and following major storm events, and six monthly beach surveys to capture seasonal and long term changes.
Attachments:
|
1. |
Attachment 1 - STUDY AREA Two Rocks Coastal Management |
14/235046 |
|
|
2. |
Attachment 2 - Managed Retreat Concept |
14/235047 |
|
|
3. |
Attachment 3 - Staged Groyne Concept |
14/235048 |
|
CITY OF WANNEROO Agenda OF Elected Members' Briefing Session 09 September, 2014 161
3.13 Tender No 01440 - Provision of Consultancy Services for Quinns Beach Long Term Coastal Management
File Ref: 16988 – 14/230395
Responsible Officer: Director Infrastructure
Disclosure of Interest: Nil
Attachments: 2
Previous Items: IN09-03/14 - Quinns Beach Coastal Protection - Need for a Limestone Retaining Wall along Fred Stubbs Park - Ordinary Council - 04 Mar 2014 7:00pm
IN08-03/14 - Quinns Beach Long Term Coastal Protection - Establishment of a Community Reference Group and Terms of Reference - Ordinary Council - 04 Mar 2014 7:00pm
IN05-12/13 - Quinns Beach Erosion and Management - Immediate Coastal Protection Works - Ordinary Council - 10 Dec 2013 7.00pm
Issue
To consider Tender No. 01440 for the Provision of Consulting Services for Quinns Beach Long Term Coastal Management.
Background
Coastal engineering consultant, Cardno, was appointed in November 2012 to identify and provide recommendations on longer-term coastal management options for Quinns Beach, with the draft report received by the City just prior to the September 2013 storms. This study included 3 Stages as follows:
· Review and knowledge summary and assessment of coastal processes, evaluation of coastal management options and selection of two options for further investigation.
· Comprehensive evaluation of selected coastal management options including:
o Shifting artificial headland and Groyne 1 to the north, removal of groyne 2, installation of a 4th groyne north of the existing groyne field and sand renourishment;
o Managed retreat; and
o Shifting artificial headland to the north, modification of existing groynes at their present locations, and an additional headland structure, groyne and sand renourishment.
· Monitoring and Maintenance Plan.
Whilst the City was considering the details of the draft Study Report, Quinns Beach suffered severe erosion due to storms in September 2013. A section of beach located immediately to the south of the southern groyne (Groyne 1) adjoining Fred Stubbs Park was severely impacted by consecutive winter storm events, resulting in significant loss of beach sand and adjacent park area. As a result, a design brief for immediate coastal protection works was developed, in consultation with the Department of Transport (DoT), and Cardno was engaged to undertake the design of a Geo-synthetic Sand Container (GSC) and Rock Revetment; Limestone Retaining Wall (to retain a greater park area); and Sand Renourishment. Implementation of these works, including maintenance of the southern groyne commenced in late February 2014 and is scheduled for completion in September 2014.
Following review of the Cardno 2012 study by DoT, the need for further refinement of the coastal processes assessment through collection of local data and development of calibrated numerical models was identified in order to ensure that the most appropriate option is adopted for the long term management of the Quinns Rocks coastline.
A data collection regime was undertaken by the City, DoT and Consultants to gather data required as input into a detailed coastal processes assessment (Stage 1 of the proposed Study) including hydrographic surveys, monthly beach profile surveys, monthly photographic monitoring, and metocean data collection of wave, water level and current data at two locations offshore of Quinns Beach.
The scope of work included in the consultancy brief comprises:
· Stage 1 - To undertake a detailed coastal processes assessment based on existing studies and recently collected data;
· Stage 2 - To assess coastal management options and identify a preferred option based on a multi criteria analysis;
· Stage 3 - To provide detailed design drawings and technical specifications (suitable for tendering purposes) for the preferred coastal management option;
· Stage 4 - To provide technical advice during tendering and construction phases of the project; and
· Stage 5 - To provide technical advice and coastal engineering services post construction
Stages 1 and 2 have been specified as a lump sum price, whereas stages 3 to 5 are based on schedule of rates, given the unknowns associated with detailed design and implementation until completion of stages 1 and 2.
The study area includes the Quinns Rocks and Jindalee coastline covering a length of approximately 4.5km, with a southern boundary at the limestone outcrops north of Mindarie Marina and a northern boundary at the limestone outcrops north of the recent development at Jindalee (refer to Attachment 1).
On 9 July 2014, the City received approval from the Minister for Transport for the "Quinns Beach Numerical Modelling and Development of Long Term Coastal Protection" Coastal Adaptation and Protection Grant for an amount of $123,000 (refer to Attachment 2). This value is intended as a 50% contribution to the study, including consultancy fees addressed in this report, along with fees associated with the ongoing collection of beach survey data and metocean data.
As part of the long term coastal management project, a Community Reference Group (CRG) was established in June 2014 including City Officers, Elected Members, DoT Representative and Community Representatives. The aims of the group are to:
· Receive information at the key stages of the development and detailed design of the options for Quinns Beach long term coastal management.
· Provide input in to the development of the long term options for Quinns Beach coastal protection; and.
· Present community views to the Group.
The first CRG meeting was held on 8 July 2014 to present the proposed Consultancy scope of work and obtain any feedback before finalising the document and advertising the tender.
This report now considers the outcome of Tender No. 01440 for the Provision of Consulting Services for Quinns Beach Long Term Coastal Management.
Detail
Tender No. 01440 for the Provision of Consulting Services for Quinns Beach Long Term Coastal Management was advertised on Saturday 26 July 2014 and closed on Thursday 14 August 2014. A copy of the tender document has been placed in the Elected Members' Reading Room.
Essential details of the contract are outlined below:
|
Contract Term |
Detail |
|
Contract Type |
Fixed Lump Sum and Schedule of Rates |
|
Contract Duration |
As per the Expiry dates noted below |
|
Commencement Date |
6 October 2014 |
|
Expiry Date |
30 June 2015 (Lump Sum Stages 1 and 2) 30 June 2017 (Schedule of Rates) |
|
Extension Permitted |
Yes, Two 12 month options |
Tender submissions were received from the following nine companies:
· SMEC Australia Pty Ltd;
· GHD Pty Ltd;
· M P Rogers & Associates;
· Jacobs Group (Australia) Pty Limited;
· Cardno WA Pty Ltd;
· WorleyParsons Services Pty Ltd;
· BMT JFA;
· PRDW Australia; and
· AECOM Australia Pty Ltd;
The Tender Evaluation Team comprising the Manager Infrastructure and Coastal Maintenance, Project Manager Coastal Projects, Contracts Officer and Department of Transport Representative evaluated the tender submissions in accordance with the following selection criteria:
|
Selection Criteria |
Weighting |
|
Price for Services offered |
30% |
|
Understanding of project scope and proposed approach and methodology |
20% |
|
Organisation's experience and capability |
20% |
|
Key personnel experience and capability |
20% |
|
Occupational Health and Safety Management, Quality and Risk |
10% |
Evaluation results based on the above selection criteria are as follows:
Price for Services offered (30%)
The evaluation of this criterion was based on the lump sum prices submitted by the tenderers in the Price Schedule for Stages 1 and 2.
Based on lump sum prices tenderers have been ranked as follows:
|
Tenderer |
Lump Sum Price (Stages 1 and 2) |
Ranking |
|
GHD Pty Ltd |
$89,696.00 |
1 |
|
WorleyParsons Services Pty Ltd |
$105,867.00 |
2 |
|
PRDW Australia |
$107,205.00 |
3 |
|
BMT JFA |
$109,530.00 |
4 |
|
Cardno WA Pty Ltd |
$114,516.00 |
5 |
|
AECOM Australia Pty Ltd |
$119,640.00 |
6 |
|
M P Rogers & Associates |
$151,649.00 |
7 |
|
Jacobs Group (Australia) Pty Limited |
$174,966.50 |
8 |
|
SMEC Australia Pty Ltd |
$189,700.00 |
9 |
Understanding of project scope and proposed approach and methodology (20%)
The evaluation of this criterion was based on the information included in the tenderers' submission regarding the appreciation of the work involved, proposed methodology, details of the specific techniques and proposed modelling package/s, identification of the risks and challenges and a detailed program of work (Project Plan) including milestones, timeframes and details of the nominated personnel.
Generally, all tenderers provided a submission with sufficient detail to meet this criterion, however top ranking tenderers were able to demonstrate a more detailed technical understanding of the project complexities and specific requirements with a high level of detail.
Cardno demonstrated a high level understanding of the study area and project requirements. The proposed modelling approach details the use of two separate numerical modelling packages in the first part of Stage 1 to identify the most appropriate model to be used for the remainder of the study. SMEC and Worley also produced a very detailed methodology indicating a high level of technical understanding, particularly with regards to the modelling requirements in Stage 1 of the study. Their proposed approach is very clear and concise and as a result, they have been scored the same as Cardno under this criterion.
BMT JFA also explained its approach with using in-house developed models instead of the internationally recognised models recommended by all other tenderers. BMT JFA and Jacobs' modelling approach, demonstrated understanding of the complexity of the project is very good and this is reflected in their ranking.
PRDW, M P Rogers & Associates and GHD all achieved the same score under this criterion. All of these tenderers indicated a sufficient level of understanding and a suitable approach to all stages of the study.
AECOM's understanding of the project requirements and the proposed modelling approach is not as detailed as the other tenderers.
The information provided has resulted in the tenderers being ranked as follows under this criterion:
|
Tenderer |
Ranking |
|
Cardno WA Pty Ltd |
1 |
|
WorleyParsons Services Pty Ltd |
1 |
|
SMEC Australia Pty Ltd |
1 |
|
BMT JFA |
2 |
|
Jacobs Group (Australia) Pty Limited |
2 |
|
PRDW Australia |
3 |
|
M P Rogers & Associates |
3 |
|
GHD Pty Ltd |
3 |
|
AECOM Australia Pty Ltd |
4 |
Organisation's experience and capability (20%)
The evaluation of this criterion was based on the information included in the tenderers' submissions regarding the organisational structure, experience, recent relevant examples of similar projects, experience with coastal processes assessments, numerical modelling (specifically sediment transport modelling), design of coastal structures, referees and details of any proposed Sub Consultants.
Cardno and BMT JFA were ranked the highest under this criterion and achieved identical scores. Cardno demonstrated a high level of modelling and coastal engineering capabilities including coastal engineering design, community consultation, technical advice during current construction works demonstrated in recent similar project examples provided with the submission. BMT JFA also demonstrated a high level of expertise in both modelling and coastal engineering/geomorphology by proposing a project team including JFA, WBM, Oceanica and Damara, all of which are specialists in their respective fields.
PRDW, Worley, SMEC and Jacobs have demonstrated their capabilities very well with success in recent similar projects, including sediment transport modelling in Australia or internationally and achieved a very good score, however at a slightly lower level than Cardno and BMT JFA.
GHD and M P Rogers & Associates achieved a slightly lower score than the tenderers detailed above, whilst still meeting the requirements of this criterion. This lower ranking is due to their capabilities and experience with sediment transport modelling which is not as well demonstrated in their submission compared with the other tenderers.
AECOM has provided a sound offer but the project examples do not indicate direct relevant experience in sediment transport.
The information provided has resulted in the tenderers being ranked as follows under this criterion:
|
Tenderer |
Ranking |
|
Cardno WA Pty Ltd |
1 |
|
BMT JFA |
1 |
|
PRDW Australia |
2 |
|
WorleyParsons Services Pty Ltd |
2 |
|
SMEC Australia Pty Ltd |
2 |
|
Jacobs Group (Australia) Pty Limited |
2 |
|
GHD Pty Ltd |
3 |
|
M P Rogers & Associates |
3 |
|
AECOM Australia Pty Ltd |
4 |
Key personnel experience and capability (20%)
The evaluation of this criterion was based on the information included in the tenderers' submission regarding the project team members' skills/knowledge/experience in coastal processes assessments, numerical modelling (specifically sediment transport modelling) and design of coastal structures.
Cardno and BMT JFA achieved the highest ranking under this criterion due to their demonstration of relevant experience and capabilities in their proposed project teams. BMT JFA have proposed a highly skilled project team with highly experienced staff for technical review roles ensuring a quality product is delivered at the end of the project. Cardno's proposed team has strong coastal engineering and modelling capabilities/experience as demonstrated by the submitted CV's and examples of previous projects.
SMEC and Worley have both proposed a highly experienced coastal engineering and modelling team which would be very capable of delivering this project.
PRDW have proposed an experienced modelling team situated in South Africa and a local project manager with a high level of experience and local coastal knowledge. PRDW has been ranked slightly lower than the higher ranking tenderers due to a lack of local experience from the majority of the project team.
GHD and Jacobs have identified a very, capable and experienced modelling and engineering team. These tenderers, however did not demonstrate significant experience in sediment transport modelling projects.
M P Rogers & Associates have put forward a capable and experience coastal engineering team, however the level of experience with sediment transport modelling is unclear in the submission. AECOM's proposed in-house staff's experience is limited in terms of coastal and modelling.
The information provided has resulted in the tenderers being ranked as follows under this criterion:
|
Tenderer |
Ranking |
|
Cardno WA Pty Ltd |
1 |
|
BMT JFA |
1 |
|
SMEC Australia Pty Ltd |
2 |
|
WorleyParsons Services Pty Ltd |
2 |
|
PRDW Australia |
3 |
|
GHD Pty Ltd |
4 |
|
Jacobs Group (Australia) Pty Limited |
4 |
|
M P Rogers & Associates |
5 |
|
AECOM Australia Pty Ltd |
6 |
Occupational Health and Safety Management, Quality and Risk (10%)
The evaluation of this criterion was based on the information included in the tenderers' submission regarding OHS policy, examples of completed forms, contractor safety management and responses to the OHS questionnaire.
All tenderers completed the Occupational Health and Safety Questionaire appropriately and provided supporting health and safety documentation, details of management systems in place, example forms etc. Based on the details of previous projects, capability statements and/or previous projects identified in staff CVs, experience in management of Contractor safety has been demonstrated. As such, all tenderers were scored equally under this criterion.
Overall Weighted Score
The overall ranking as summarised below is based on the tenderer's scores against each criterion and its weighting noting that the difference in ranking does not necessarily reflect the actual difference in the scores achieved by each tenderer:
|
Tenderer |
Ranking |
|
Cardno WA Pty Ltd |
1 |
|
BMT JFA |
2 |
|
WorleyParsons Services Pty Ltd |
3 |
|
GHD Pty Ltd |
4 |
|
PRDW Australia |
5 |
|
SMEC Australia Pty Ltd |
6 |
|
Jacobs Group (Australia) Pty Limited |
7 |
|
M P Rogers & Associates |
8 |
|
AECOM Australia Pty Ltd |
9 |
Based on the significant range in lump sum prices and the closeness of the overall scores for the top three tenderers, further assessment was undertaken of potential costs of Stage 3, based on the schedule of rates provided by each tenderer and a generalised number of hours at various levels for a typical coastal detailed design study. The results of this assessment did not change the overall ranking.
Following the tender evaluation meeting, clarifications were sought from both Cardno and BMT JFA regarding their proposed numerical modelling approach in order to confirm the scores assigned to them for the "proposed approach and methodology" criteria.
Cardno was requested to provide further detail on the proposed modelling approach, specifically regarding the investigation of two different models.
Cardno confirmed that two different modelling packages would be set up for the first part of the Stage 1 study and the most appropriate model would then be selected for use in the remainder of the study based on comparisons with collected data. Further to this, Cardno also provided technical papers on the XBeach model.
BMT JFA was requested to provide further examples of where their proposed modelling packages developed in house have been used and associated design outcomes implemented. BMT JFA provided the City with further modelling study examples and a technical paper on the proposed models but didn't provide examples of implemented projects and their performance compared with model results.
The clarifications received from both Cardno and BMT JFA reinforced the score achieved by these tenderers in the "proposed approach and methodology" criterion.
On the basis of the overall weighted score and the detail as noted above, Cardno was assessed as providing the best value for money and having the necessary resources, experience, technical expertise and safety management systems to fulfil the requirements of the contract.
Consultation
The Coastal Infrastructure Section of the Department of Transport provided comments on the Consultancy brief and a staff member was involved in the tender evaluation process. Additionally, the City held a Community Reference Group Meeting on 8 July 2014 to present the proposed Consultancy scope of work and obtain any feedback before finalising the document and advertising the tender. The Community Reference Group was also briefed on the status of the tender evaluation on 2 September 2014.
Comment
The consultancy services proposed in Tender No. 01440 are necessary to obtain a detailed understanding of the coastal processes along Quinns Beach and for the development of coastal management measures to ensure the protection of the City's and public assets into the future.
Cardno achieved the highest score in accordance with the selection criteria and weighting as detailed above and accordingly is the recommended tenderer to undertake the works outlined in Tender No. 01440 Provision of Consultancy Services Quinns Beach Long Term Coastal Management.
A financial assessment of Cardno WA Pty Ltd trading was undertaken as part of the tender evaluation process and the outcome of this independent assessment by Corporate Scorecard Pty Ltd has verified that Cardno WA Pty Ltd has been assigned a Score of 9.41 indicating that it has a very strong financial capacity to undertake the requirements of the contract.
Reference checks were not undertaken as Cardno WA Pty Ltd has recently been engaged by the City for coastal engineering consultancy services for the 2012 Quinns Beach study and the organisation and all proposed staff for this Contract are well known by City Officers and deemed to be suitable to undertake the proposed scope of works.
Statutory Compliance
Tenders were invited in accordance with the requirements of Section 3.57 of the Local Government Act 1995. The tendering procedures and evaluation complied with the requirements of Part 4 of the Local Government (Functions and General) Regulations 1996.
Strategic Implications
The proposal aligns with the following objective within the Strategic Community Plan 2013 – 2023:
“1 Environment - A Healthy and sustainable natural and built environment
1.1 Environmentally Friendly - You will be part of a community that has a balance of environmentally friendly development and conservation areas for future generations to enjoy”
Risk Management Considerations
The tender submission from Cardno WA Pty Ltd has achieved the highest score in accordance with the assessment criteria and weighting. The information contained in Cardno's tender submission does not highlight any concerns which may pose a risk of non-delivery of services by Cardno. In addition, the financial assessment conducted by Corporate Scorecard Pty Ltd has not indicated any risks associated with awarding this tender to Cardno.
Policy Implications
Tenders were invited in accordance with the requirements of the City's Purchasing Policy.
Financial Implications
The recommended tenderer's lump sum price of $114,516.00 (Stages 1 and 2) lies within the expected range of consultancy fees and provides value for money for the proposed scope of works.
50% of this fee and further design fees will be covered by the Department of Transport Coastal Adaptation and Protection Grant for the "Quinns Beach Numerical Modelling and Development of Long Term Coastal Protection" of which $123,000 is available in 2014/15 for this study along with associated metocean data collection and beach profile surveys.
Funding allocation for the Provision of Consulting Services for Quinns Beach Long Term Coastal Management have been made in approved 2014/15 Capital Works Program in "Project Number 2561 - Design of long-term coastal protection works at Quinns Beach".
Voting Requirements
Simple Majority
Recommendation
That Council ACCEPTS the tender submitted by Cardno WA Pty Ltd for Tender No. 01440 for the Provision of Consulting Services Quinns Beach Long Term Coastal Management for a Stage 1 and 2 lump sum price of $114,516 and schedule of rates for Stages 3 to 5; noting that the commencement date of the Contract shall be 6 October 2014 with expiry dates of 30 June 2015 (Stages 1 and 2 based on lump sum price) and 30 June 2017 (Remaining Stages based on schedule of rates); and options to extend the contract for two 12 month periods subject to (a) satisfactory performance; and (b) price adjustment of the year 3 rates based on Perth Consumer Price Index or 5% increase whichever is greater.
Attachments:
|
1. |
Tender Evaluation - Study Area |
14/235020 |
|
|
2. |
Tender Evaluation - Letter of CAP Grant Approval |
14/235021 |
|
CITY OF WANNEROO Agenda OF Elected Members' Briefing Session 09 September, 2014 173

Tenders
3.14 Tender No 01422 - Provision of Cost
Planner Consultancy Services for the Design, Documentation and Construction of
the Wanneroo Civic Centre Extension
File Ref: 7819 – 14/228248
Responsible Officer: Director Infrastructure
Disclosure of Interest: Nil
Attachments: Nil
Previous Items: CE01-04/12 - Extension of Civic/Administration Centre - Ordinary Council - 03 Apr 2012 7.00pm
IN02-03/14 - Wanneroo Civic Centre Extension Project - Ordinary Council - 04 Mar 2014 7:00pm
Issue
To consider Tender No. 01422 for the Provision of Cost Planner Consultancy Services for the Design, Documentation and Construction of the Wanneroo Civic Centre Extension.
Background
At its meeting of 4 March 2014, Council considered a report on the Wanneroo Civic Centre Extension Project (Item IN02-03/14 refers) and resolved in part as follows:
"6. ENDORSES the preparation of tender documentation for advertising the appointment of a Cost Planner to provide cost control services for the Wanneroo Civic Centre Extension and report the tender outcome to Council;"
This report considers tender submissions and provides a recommendation for the acceptance of a Cost Planning firm to provide design, cost control and administrative services for the construction of the Wanneroo Civic Centre Extension Project (WCC Extension) in accordance with Resolution 6. The scope of the Cost Planner services will encompass the consultancies for architectural and spatial design, Bill of Quantities as well as an oversight of the construction of the proposed works.
Detail
Tenders No 01422 was advertised on 19 July 2014 and closed on 5 August 2014:
Tenders received.
Tenders were received from the following thirteen companies:
|
Tenderers Received |
Tender Sum |
|
Altus Group Consulting P/L |
$106,485 |
|
Slatterly Australia P/L |
$140,000 |
|
Ralph Beattie Bosworth P/L |
$145,000 |
|
Gleeds Australia (West) P/L |
$148,400 |
|
Merefield Wilde & Woollard P/L |
$179,000 |
|
Chrystalis Quantity Surveying |
$181,500 |
|
Borrell Rafferty Associates P/L |
$184,700 |
|
Donald Cant Watts Corke (WA) P/L |
$194,000 |
|
Davis Langdon Australia P/L |
$198,920 |
|
Rider Levett Buckland WA P/L |
$206,500 |
|
Professional Cost Consultants |
$212,000 |
|
WT Partnership Aust P/L |
$212,214 |
|
Turner & Townsend P/L |
$240,800 |
Six tenderers overlooked costs to meet the specification clause 7.14 "Provide a Bill of Quantities in format readily available and accessible to the City and for Tenderers use." As the basis for cost planning work is to focus on documentation detail, this oversight removes these six firms from further consideration, as their tendered fees do not reflect the requirements of the full consultancy service.
The remaining conforming seven Tenderers are tabled below:
|
Tenderer |
Tender Sum |
|
Merefield Wilde & Woollard P/L |
$179,000 |
|
Chrystalis Quantity Surveying |
$181,500 |
|
Borrell Rafferty Associates P/L |
$184,700 |
|
Donald Cant Watts Corke (WA) P/L |
$194,000 |
|
Rider Levett Buckland WA P/L |
$206,500 |
|
WT Partnership Aust P/L |
$212,214 |
|
Turner & Townsend P/L |
$240,800 |
Tender Assessment
The Tender Evaluation Panel consisting of three members whose functions were:
|
Evaluation Panel Member |
Member's Function |
|
Project Manager Major Buildings |
To undertake the technical assessment and qualitative scoring of all tender submissions |
|
Manager Infrastructure Projects |
To provide engineering input and oversight to the qualitative (technical) assessment |
|
Contracts Officer |
To oversee the process for statutory compliance and verify the value for money assessment (price versus non-price ratings) |
The tenders were evaluated in accordance with the following selection criteria:
(a) Tenderer’s methodology - soundness and comprehensiveness of the proposed program and examples of documentation that will be in use/required for the project;
(b) Tenderer’s qualifications, relevant experience of the key personnel and firms capacity;
(c) Tenderer’s ability to oversee completion of the project within the nominated or provision of an alternative timeframe; and
(d) Price for the Services offered.
The weighting applied to the four selection criteria was as follows:
|
|
Category |
Description |
Weight |
|
1 |
Methodology |
Understanding of project scope inclusive of an outline of proposed methodology |
20% |
|
2 |
Capacity and Key Personnel |
Nominate project personnel and level of involvement |
20% |
|
3 |
Timeline |
Project program and proposed timing |
10% |
|
4 |
Lump Sum Fee |
Submitted Fixed Lump Sum Fee. |
50% |
|
|
Total |
|
100% |
Tenders were assessed against the selection criteria outlined above, along with the financial risk assessment and reference checking to determine the best ‘value for money’ submission.
1. Tenderer’s Methodology and Understanding of Project (20%)
An assessment was made based upon the Tenderers’ declared understanding of the project, methodology, examples of similar work, the systems that would be employed in tracking capital and operating costs and recommendations if offered. Tenderers, such as WT Partnership Aust P/L, who presented a concise, clear submission that addressed and understood the requirements of the consultancy and project scope, was given the higher rankings. Firms providing a generic methodology without reference to the requirements of the WCC Extension were ranked at the lower end of the scale. Merefield Wilde & Woollard P/L and Turner & Townsend P/L provided tender breakdowns that did not add up to their nominated lump sum price as submitted. Chrystalis Quantity Surveying being a newly established firm was ranked at the lower end of the scale. Donald Cant Watts Corke (WA) P/L qualified its offer by stating that allowance was only made for pricing one option of a proposal where during the concept design stage the architects are required to provide several design options for City consideration and cost planner pricing. Tenderers were ranked as follows:
|
Tenderer |
Ranking |
|
WT Partnership Aust P/L |
1 |
|
Borrell Rafferty Associates P/L |
2 |
|
Chrystalis Quantity Surveying |
2 |
|
Merefield Wilde & Woollard P/L |
2 |
|
Donald Cant Watts Corke (WA) P/L |
3 |
|
Turner & Townsend P/L |
4 |
|
Rider Levett Buckland WA P/L |
4 |
2. Capacity and Key Personnel (20%)
All tenderers were required to nominate project personnel, their years of experience and level of involvement. Tenderers offering Directors, such as WT Partnership Aust P/L, or more senior qualified project leaders were ranked above those offering less experienced staff. Tenderers were ranked as follows:
|
Tenderer |
Ranking |
|
|
WT Partnership Aust P/L |
1 |
|
|
Borrell Rafferty Associates P/L |
2 |
|
|
Donald Cant Watts Corke (WA) P/L |
2 |
|
|
Merefield Wilde & Woollard P/L |
2 |
|
|
Turner & Townsend P/L |
2 |
|
|
Chrystalis Quantity Surveying |
3 |
|
|
Rider Levett Buckland WA P/L |
4 |
|
3. Tenderer’s Timeline (10%)
The tender documentation provided a key events project time line. Tenderers that provided comment upon this program were given a higher evaluation. Tenderers that offered a clear programme or sample of their working documentation were ranked higher than the others, as follows:
|
Tenderer |
Ranking |
|
WT Partnership Aust P/L |
1 |
|
Borrell Rafferty Associates P/L |
1 |
|
Chrystalis Quantity Surveying |
1 |
|
Turner & Townsend P/L |
1 |
|
Donald Cant Watts Corke (WA) P/L |
2 |
|
Merefield Wilde & Woollard P/L |
3 |
|
Rider Levett Buckland WA P/L |
3 |
4. Price of Works (50%)
To obtain the required services for this type of project, which includes a bill of quantities, it is normal to expect cost planners to submit fees in the order of 1% of the overall project cost. It is also noted that Donald Cant Watts Corke (WA) P/L qualified its tender and Merefield Wilde & Woollard and P/L Turner & Townsend P/L provided tender breakdowns that did not add up to their tendered lump sum price as submitted.
The two most suitable tenderers that offered experienced staff are WT Partnership Aust P/L and Borrell Rafferty Associates P/L; but the difference in price is a reflection of the level of involvement by each of the respective tenderers' directors in the cost and quantity surveying aspects of the project.
Tenderers are ranked in ascending cost order as follows:
|
Tenderer |
Lump Sum Prices |
Ranking |
|
Merefield Wilde & Woollard P/L |
$179,000 |
1 |
|
Chrystalis Quantity Surveying |
$181,500 |
2 |
|
Borrell Rafferty Associates P/L |
$184,700 |
3 |
|
Donald Cant Watts Corke (WA) P/L |
$194,000 |
4 |
|
Rider Levett Buckland WA P/L |
$206,500 |
5 |
|
WT Partnership Aust P/L |
$212,214 |
6 |
|
Turner & Townsend P/L |
$240,800 |
7 |
Overall Ranking Assessment for Cost Planner Consultants
The overall scoring of the tenders based on a weighted score is shown below:
|
Tenderer |
Ranking |
|
|
WT Partnership Aust P/L |
1 |
|
|
Borrell Rafferty Associates P/L |
2 |
|
|
Chrystalis Quantity Surveying |
3 |
|
|
Merefield Wilde & Woollard P/L |
4 |
|
|
Donald Cant Watts Corke (WA) P/L |
5 |
|
|
Turner & Townsend P/L |
6 |
|
|
Rider Levett Buckland WA P/L |
7 |
|
Based on the above evaluation, WT Partnership Aust P/L is recommended by the Tender Evaluation Panel as the preferred tenderer for Contract 01422.
Key characteristics of the recommended Consultant, WT Partnership Aust P/L:
· Experienced, cost planner and quantity surveying firm with a proven record for undertaking this type of consultancy work and has the resources to provide a timely and complete consultancy service within the projects time frame;
· Documented "Bill of Quantities" and administered the construction of the original Wanneroo Civic Centre, upgrade of Aquamotion as well as overseeing project costs for Clarkson Library, Butler Community Centre, Wanneroo Community Centre Refurbishment and development of the adjoining Memorial Park;
· Offers a sound understanding of the project objectives; how to effectively achieve these through good design and the ability to allocate an appropriate time schedule to the major tasks in order to meet the nominated programme; and
· Offers appropriate tender breakdown information that is consistent with the prices presented in the other comparable submissions.
Consultation
The scope of consultancy work associated with the design and costing for the WCC Extension as offered within the Cost Planner Tender 01422 was progressed through the project control group. There was no external consultation on this proposed cost planner consultancy.
Comment
The acceptance and appointment of a cost planner to provide cost control services for the WCC Extension addresses the required outcome to Council Resolution 6 arising from Report IN02-03/14, that being.
"6. ENDORSES the preparation of tender documentation for advertising the appointment of a Cost Planner to provide cost control services for the Wanneroo Civic Centre Extension and report the tender outcome to Council."
Works Programme
The projects programme is outlined as follows:
|
Council Consideration of Architectural Consultancy Tender |
Tues 11 November 2014 |
|
Execute Contracts |
Fri 21 November 2014 |
|
Contract Start Date |
Mon 1 December 2014 |
|
Report to Council Concept Plans with Cost Estimate |
Tues 3 February 2015 |
|
Report to Council Contract Documentation with Cost Estimate |
Tues 15 September 2015 |
|
Report to Council Construction Tender Outcome |
Tues 8 December 2015 |
|
Construction Commencement |
Mon 11 January 2015 |
|
Report to CEO Spatial Design Consultancy Tender Outcome |
Tues 2 February 2016 |
|
Report to Council Fit-out Works Tender Outcome |
Tues 8 November 2016 |
|
Commence Staff Relocation |
Mon 6 March 2017 |
|
Complete On Site Construction (75 weeks) |
Fri 30 June 2017 |
|
Practical Completion and final staff relocation |
Fri 17 July 2017 |
|
Facility Commissioning |
Tues 14 July 2017 |
The architectural consultant once appointed will be allocated 12 weeks for concept planning, 10 weeks for design development and 14 weeks for contract documentation before advertising the construction of the works. The appointed architectural consultant will also administer the works over the 75 week construction period allocated and then attend upon the works 12 months Defects Liability Period.
Statutory Compliance
Tenders have been invited and evaluated against the selection criteria in accordance with Section 3.57 of the Local Government Act and associated regulations.
Strategic Implications
The proposal aligns with the following objective within the Strategic Community Plan 2013 – 2023:
“4 Civic Leadership - Working with others to ensure the best use of our resources.
4.3 A Strong and Progressive Organisation - You will recognise the hard work and professionalism delivered by your council through your interactions and how our community is developing.”
Risk Management Considerations
Financial Risk Assessment
An independent financial risk assessment was undertaken by Corporate Scorecard which has verified a very strong overall rating of 9.92 out of 10.
Operational Risk Assessment
Any of the top five ranked tenderers are considered capable of undertaking the consultancy services as all, or a number of staff within these entities has successfully undertaken works for the City previously. WT Partnership Aust P/L, as the preferred tenderer, is fully conversant with the project, having provided the initial cost estimate that was tabled within Tender No 01421. The involvement of its experienced company director also mitigates the risk of project cost errors.
City practice when undertaking a major building project is to appoint a cost planner concurrently with the appointment of an architectural design consultant to oversee costs associated with the design development and construction process for the proposed project through liaison as a team member to the appointed architectural designer. The cost planner in this instance is called upon to provide independent advice relating to the architectural tender submission, project risk, cash flow, cost control assessment, oversight of the facilities technical requirements, and ongoing review of the total project cost inclusive of construction progress payments and consultancy fees adjustments.
Policy Implications
Nil
Financial Implications
Funding of $27M in total has been listed in the City's 10-year Capital Works programme for the WCC Extension (PR-2332).
The following table identifies all costs associated with the project:
|
Tenders No 01422 - Cost Planning for the WCC Extension |
||
|
Description |
Project Costs |
Project Funding |
|
2012/2013 (Budget Expended) |
$101,990 |
|
|
2013/2014 (Mid Year Review) |
|
$1,098,610 |
|
2014/2015 |
|
$2,800,000 |
|
2015/2016 |
|
$20,000,000 |
|
2016/2017 |
|
$3,000,000 |
|
Expenditure/Commitments to Date: |
||
|
Funds reallocated from PR-2332 to PR-2448 (Report IN04-03/13) |
$384,400 |
|
|
Cardno (WA) Pty Ltd - Forward Civil Works |
$40,600 |
|
|
MKDC - Spatial Planning |
$32,300 |
|
|
Marketforce Express Pty Ltd |
$658 |
|
|
Road Signs Australia |
$554 |
|
|
Purchase Lot 14010 |
$1,000 |
|
|
One Way Traffic Flow System - Estimated Cost |
$873,000 |
|
|
Tender Advertisement & Administration Costs |
$4,990 |
|
|
Project Management |
$100,000 |
|
|
Public Art 1% |
$230,000 |
|
|
Proposed Commitment: |
||
|
WT Partnership Aust P/L – Cost Planning Fees |
$212,214 |
|
|
Total Project Cost |
$1,879,716 |
|
|
Total Project Funding |
|
$27,000,600 |
|
Funding Balance for WCC Extension |
|
$25,120,884 |
Balance of funding remaining is allocated to the proposed architectural consultancy and subsequent construction of the WCC Extension, with both these components of the project subject to future Council consideration.
It is recommended that Tender No 01422 for Cost Planning Consultancy Services for the design, documentation and construction of the WCC Extension be accepted from WT Partnership Aust P/L for its tendered lump sum of $212,214.
Voting Requirements
Simple Majority
That Council ACCEPTS Tender No 01422 for the Provision of Cost Planner Consultancy Services for the Design, Documentation and Construction of the Wanneroo Civic Centre Extension from WT Partnership Aust P/L for its tendered lump sum of $212,214.
CITY OF WANNEROO Agenda OF Elected Members' Briefing Session 09 September, 2014 180
Traffic Management
3.15 PT02-06/14 Petition to Reduce, Remove or Modify the Traffic Calming Measures on Aldersea Circle, Clarkson
File Ref: 3120V03 – 14/178679
Responsible Officer: Director Infrastructure
Disclosure of Interest: Nil
Attachments: 10
Issue
To consider a petition requesting the removal, reduction or modification of the traffic calming measures on Aldersea Circle, Clarkson so as to be less intrusive in regards to noise and hoon traffic.
Background
Council received petition PT02-06/14 at its meeting of 24 June 2014. The petition contains 119 signatures and reads as follows:
“We, the undersigned, all being residents of the City of Wanneroo do formally request Council’s consideration: To remove, reduce or modify the traffic calming measures on Aldersea Circle, Clarkson so as to be less intrusive in regards to noise and hoon traffic."
Within the 119 Signatories of the petition, there are 70 from Aldersea Circle, with a number being multiple signatories from the same property. The petition represents 53 properties out of total 108 properties abutting Aldersea Circle. Refer to Attachment 1 for a location plan of the subject area. Attachment 2 shows a map of the petition signatories in the Clarkson area. Additional signatures were collected from residents in Mindarie, Quinns Rocks, Butler, Merriwa and Ridgewood.
Detail
Aldersea Circle is classified within the City's Functional Road Hierarchy as a Local Distributor Road and has been constructed with a 7.4m wide pavement. Main Roads WA gives an indicative traffic volume range of 6,000 vehicles per day for a Local Distributor Road such as Aldersea Circle. Average Weekday Traffic counts indicate a traffic volume in the region of 2,000 vehicles per day which indicates that Aldersea Circle is functioning well within its capacity.
The majority of properties fronting Aldersea Circle are residential, however Clarkson Primary School and Richard Aldersea Park abut the northern end of Aldersea Circle and Anthony Waring Park abuts the southern side of Aldersea Circle. A footpath is located on one side of Aldersea Circle to cater for pedestrians, including children from local schools with three school crossings located at the Renshaw Boulevard, Brooks Pass and Pitchford Glade intersections.
Consultation
Community consultation was undertaken in August 2012 and the proposal to install rubberised speed cushions on Aldersea Circle was supported by the majority of respondents with 69% of responses 'strongly agreeing' to the installation of speed cushions with a further 8% 'agreeing' to their installation.
During community consultation the City advised residents, by letter, of both the positive and negative impacts of the rubberised speed cushions, including the issue of increased vehicle noise with specific reference being made to the noise created by the displacement of loads in trade vehicles and trailers.
Residents were also asked whether they agreed to have a speed cushion outside their residence and whether they would agree to have a new streetlight adjacent or opposite their residence. These responses were incorporated into the design as far as possible without compromising the overall effectiveness of the treatment.
Refer to Attachment 3 for a copy of the community consultation letter sent to residents and Attachment 4 showing a map of resident responses.
It is noted that 26 of the 53 signatory properties abutting Aldersea Circle of the Petition did not respond at the time of community consultation for the installation of speed cushions and 15 properties who strongly agreed/agreed at the time of community consultation have changed their position now. The remaining 12 properties disagreed at the time of initial community consultation
Comment
In July 2011, the City received a complaint from a resident reporting excessive speed along Aldersea Circle. To obtain an objective assessment of the situation, the City evaluated Aldersea Circle in accordance with the City's Traffic Management Investigation and Intervention Policy (TMIIP) which provides the decision making process to decide between roads which require infrastructure changes and those requiring better policing. This is standard practice when complaints are made about speeding on this class of road. This assessment was undertaken in July 2011 using traffic data collected in March 2009. The assessment is based on the scoring of 9 criteria:
· Speeding
· Traffic volumes
· Crash history
· Road design and topography
· Vulnerable road users – pedestrian/cyclists
· Activity generators – schools/retail
· Commercial vehicle volumes
· Amenity
· Future needs
This is a generic policy used for assisting the decision making process about the introduction of traffic treatments. There are many different traffic treatment options available and each of them has different positive and negative impacts on residents. Considering the variety of traffic treatments available, the varied impacts and the inability to covert the impact into numerical figure does not allow the City to include this impact as part of the TMIIP Policy.
As a result of this investigation, it was found that Aldersea Circle received a Traffic Management Score of 71. A score over 60 indicates that traffic management treatments are warranted to provide the community with a safer road environment. Based on the assessment undertaken by the City, the installation of traffic treatments on Aldersea Circle was included in the City's Capital Works Budget 2012/13 which was approved by Council on 26 June 2012.
Following Council approval of the works, Administration conducted an assessment of potential traffic treatments to determine the most effective treatment option available at this location.
The decision to install speed cushions instead of other traffic management treatments was based primarily on the geometry of the road and existing crossover locations which precluded the use of a number of horizontal displacement devices such as median treatments and blister islands. Report IN20-04/11 outlining the positive and negative impacts of speed cushions was presented to Council in April 2011 with Council following the recommendation of the report and endorsing the use of rubber speed cushions as an acceptable traffic treatment.
The speed cushions chosen are vertical displacement devices and are effective in reducing vehicle speeds and minimising associated negative impacts such as increased vehicle noise and impact on public transport and emergency vehicles compared with other vertical displacement devices such as plateaux and asphalt speed humps. As the speed cushions do not require any longitudinal element to be built into the median, they do not impact on property access. If motorists, including emergency vehicle drivers slow down and traverse the speed cushions at low speed, the generated noise and discomfort is very low compared to other vertical displacement devices. In regard to effect on emergency vehicles, it is acknowledged that all traffic treatments affect this class of vehicle. For example, emergency vehicles need to slow down at roundabouts, blister islands, speed humps and other horizontal deflection treatments.
Administration concedes that while the speed cushions are considered to minimise noise in relation to other vertical displacement devices, there is still a recognised impact on noise levels for properties within close proximity to the speed cushions. It should be noted, however, that all traffic treatments which are designed to reduce vehicle speeds have impacts regarding noise as vehicles decelerate on approach to the traffic treatment and accelerate again on exit. Should it be resolved that the speed cushions be removed, Administration considers that there is no effective alternative traffic treatment which could be installed in Aldersea Circle that would effectively control vehicle speeds while reducing noise levels and allowing property access to all residents. Any treatment option would be considerably more expensive to install and would either impact on residents' access to their properties or would require spacing of treatments at distances which would severely limit the effectiveness of the overall traffic management scheme.
Speed cushions are widely used by local governments throughout Australia. The State Government also supports the use of speed cushions and administers a 'Anti Hoon Speed Hump Program' supporting their installation within the state. The speed cushions used along with linemarking and signage have been designed to meet Main Roads WA (MRWA) standards and lighting has been provided to meet current Australian Standards.
The City has previously installed rubberised speed cushions at a number of locations within the Coastal Ward with repeated success in reducing vehicle speeds. Traffic count data was used to assess the impact of speed cushions at these locations with the 85th % speed (the speed which 85% of vehicles are travelling at or below) and the number of vehicles exceeding the speed limit used as the basis on which to measure success. A summary of previous speed cushion installations is presented below:
|
Traffic Counter Location |
85th % Speed (km/h) |
Vehicles Exceeding Speed Limit (%) |
||
|
Before |
After |
Before |
After |
|
|
Burnett Drive, Clarkson |
60 |
45 |
65 |
6 |
|
Alexandria View, Mindarie |
53 |
34 |
23 |
1 |
|
Rosslare Promenade, Mindarie |
58 |
41 |
41 |
3 |
|
Jenolan Way, Merriwa |
55 |
47 |
46 |
9 |
Community consultation was conducted by the City in August 2012 with the majority of respondents in favour of installing rubberised speed cushions on Aldersea Circle. Minor design changes were made based on the feedback received during community consultation and the speed cushions were installed in February 2014.
Maps of the speed cushion locations are shown in Attachment 5 and Attachment 6 and the final design as constructed is shown in Attachment 7 and Attachment 8. It is to be noted that the City has previously installed speed cushions on various City roads.
A list of roads with length and number of cushions are listed below.
|
Road Name |
No of Locations |
Total Number of Speed Cushions |
Length of the Road (m) |
|
Rosslare Promenade, Mindarie |
3 |
6 |
381 |
|
Jenolan Way |
5 |
15 |
515 |
|
Victorsen Parade |
4 |
8 |
778 |
|
Brazier Road |
3 |
6 |
1284 |
|
Driver Road Darch |
5 |
10 |
899 |
|
Russell Road |
3 |
6 |
963 |
|
Burnett Drive Clarkson |
6 |
12 |
535 |
|
Coldstream Circuit |
5 |
10 |
1089 |
|
Backshall Place |
3 |
6 |
700 |
For comparison, 22 speed cushions are installed at 11 locations on Aldersea Circle on a 1600m length. The number and location of speed cushions on any road depends on the availability of other treatments along the road such as roundabouts, horizontal deflections and property access. The type and location of speed cushions along Aldersea Circle were chosen based on MRWA standard drawing no. 200931-0004-1 (Attachment 9 refers). MRWA approves and installs signs and line marking on the basis of the standard drawings. In accordance with Main Roads standards, speed cushions should ideally be spaced between 80 and 100m apart with a maximum of 250m to achieve the best results. All of the above criteria were considered at the time of selecting location for speed cushions on Aldersea Circle.
Following the installation of traffic treatments on Aldersea Circle, the City received feedback from four residents about vehicles mounting the kerb to avoid travelling over the speed cushions. To rectify this issue, bollards were installed between 21 and 23 May 2014 near all speed cushions to stop this practice. It is noted that the vast majority of signatures on petition PT02-06/14 were collected prior to the installation of these bollards with only 18 of the 119 signatures collected after 21 May 2014. Administration considers that the installation of the rubber bollards represents a substantial modification which has improved the operation of the traffic treatments on Aldersea Circle.
During this period the City also received one report of a newly installed light not working, one report that large vehicles were not being slowed and requesting larger speed cushions to address this and one complaint about noise. In addition to this, one resident submitted two complaints to Council citing the following perceived issues:
· the speed cushions having limited effect in slowing large vehicles;
· emergency vehicles being bumped as they cross the speed cushions;
· noise created by vehicles at the speed cushions;
· motorists doing burnouts on the speed cushions;
· skateboarders using the speed cushions as ramps;
· vehicles driving around the speed cushions;
· pregnant ladies finding the speed cushions uncomfortable;
· a car almost being rear ended because they had to slow at the speed cushions and the car behind was too close;
· additional lighting causing a neighbour angst;
· the speed cushions having no effect on the 'gunbarrel effect';
· spinal stress for people with pre-existing medical conditions;
· people mentioning that they need wheel alignments;
· a real estate agent saying that property prices could be lowered;
· drivers being distracted by speed cushions; and
· council not being properly informed of the negative impacts of speed cushions
The City has carried out objective testing in order to determine the effectiveness of the rubberised speed cushions in reducing vehicle speeds on Aldersea Circle. Traffic counts were undertaken in June 2014 with the counters being placed in the same locations as those of the original traffic counts used to assess Aldersea Circle. These counters work by measuring the time difference and axle length of vehicles passing over two tubes laid perpendicular to the road. The information collected can be used to determine vehicle speeds, traffic volumes and vehicle classifications. It is not possible at this time to conduct a full assessment in accordance with the City's Traffic Management Investigation and Intervention Policy as five years of crash data is required to allow an accurate assessment of crash history.
A Summary of the results of the traffic counts is presented in the table below:
|
Traffic Counter Location |
85th % Speed (km/h) |
Vehicles Exceeding Speed Limit (%) |
||
|
June 2012 |
June 2014 |
June 2012 |
June 2014 |
|
|
North of Victorsen Parade |
58 |
48 |
56 |
9 |
|
East of Hurst Trail |
59 |
45 |
57 |
6 |
|
North of Pitchford Glade |
57 |
46 |
46 |
7 |
|
North of Frawley Ramble |
58 |
50 |
59 |
15 |
|
COMBINED DATA |
58 |
48 |
55 |
9 |
Overall, there has been a 10km/h drop in the 85th percentile speed from 58 km/h to 48 km/h. Compliance with the default speed limit of 50 km/h has also significantly improved from 55% of vehicles travelling over the speed limit prior to traffic treatments to just 9% of vehicles exceeding 50km/h following the installation of the rubberised speed cushions. These results are consistent with the results of previous installations of rubberised speed cushions within the City.
Additional analysis of the traffic counts east of Hurst Trail was conducted to determine the effect of the speed cushions near Clarkson Primary school during the hours of 7:30am – 9:00am and 2:30pm to 4:00pm when the 40 km/h school zone is in place. Prior to the installation of the speed cushions, 77% of vehicles were over the 40 k/h speed limit with the 85th percentile speed 55 km/h. After the installation of the speed cushions, the proportion of speeding vehicles fell to 23% and the 85th percentile speed dropped to 42 km/h.
The overall speed distributions for Aldersea Circle are shown graphically in Attachment 10.
No specific reference is made in the petition regarding the nature of the 'hoon traffic' which the petitioners feel is intrusive. The issue of vehicles mounting the verge or footpath to avoid the speed cushions has been addressed with the installation of bollards and the incidence of high speed 'hoon behaviour' has also been significantly reduced with the proportion of vehicles travelling more than 20 km/h over the speed limit falling from 1.0% to 0.2% of vehicles and the highest recorded speed falling from 133 km/h to 91 km/h. Other than the fall in vehicle speeds, there is no objective measure to determine the effects of the traffic treatments on hooning.
The installation of speed cushions on Aldersea Circle has had a significant and measurable impact in reducing the number of vehicles travelling over the speed limit and in reducing the incidence of high speed hooning but traffic treatments cannot be 100% effective in eliminating hoon behaviour. While the City is concerned for the safety of all road users, its authority and responsibility is limited to the safe construction and maintenance of its roads. Individual drivers have the responsibility to drive within the State road rules. If drivers choose to disregard those rules the WA Police is the only authority to enforce compliance.
If hoon driving is still occurring on Aldersea Circle, community members are encouraged to report their concerns to the WA Police to assist them with enforcement of the Road Traffic Code. Complaints about speeding/hooning should be directed to WA Police by calling the 'Hoon Hotline' on 13144. More information about reporting hoon behaviour can be found on the WA Police website in the following link
http://www.police.wa.gov.au/Yoursafety/Antisocialbehaviour/Reportinghoons/tabid/1127/Default.aspx
Speed is a major factor in both the incidence and severity of crashes. Vehicles travelling at higher speeds are more likely to be involved in a crash and the outcomes of the crash are likely to be more severe. This is because travelling at greater speed:
· allows motorists less time to recognise hazards;
· increases the distance the vehicle travels while reacting to hazards;
· increases the vehicle’s stopping distance after braking in response to the hazard;
· reduces the opportunity for other road users to avoid a collision;
· makes it more likely that a driver will lose control of the vehicle; and
· increases the impact forces in the event of crash, making severe injuries more likely.
The rubberised speed cushions installed in Aldersea Circle have had a significant and measurable effect in reducing vehicle speeds. This reduction in vehicle speeds is expected to lead to positive road safety outcomes for the local Community. It is considered that the benefits in reducing the risk of death or serious injury from motor vehicle crashes outweigh the concerns expressed in the petition.
Statutory Compliance
Nil
Strategic Implications
The proposal aligns with the following objective within the Strategic Community Plan 2013 – 2023:
“2 Society - Healthy, safe, vibrant and active communities.
2.3 Safe Communities - We feel safe at home and in our local area.”
Risk Management Considerations
Due to the location of property accesses on Aldersea Circle, Administration considers the installation of alternative traffic treatments will not be as effective as speed cushions in the reduction of vehicle speed. Installation of alternative vertical displacement devices is possible but these are considerably more expensive and there is additional noise as a result of more severe displacement to vehicles. Horizontal displacement devices could be used and these would eliminate the noise caused by vertical displacement but there would still be noise generated by the deceleration and acceleration of vehicles.
Additionally, the size of these treatments would mean that they would either restrict access to properties on Aldersea Circle or would need to be placed at intervals where they would have severely limited effect on vehicle speeds. This view is supported by recent community consultation with residents of Quinns Road which found that blister islands were not supported by the community as they felt the associated impact on property access was not acceptable.
Council has consistently approved the installation of rubberised speed cushions on local roads to address speeding problems. Assessment of traffic speeds on Aldersea Circle since the installation of the speed cushions has shown that they have been effective in reducing the speed of motorists and minimised the risk of crashes.
Based on this data, the removal of the speed cushions from Aldersea Circle will likely result in the vehicle speeds returning to the levels recorded prior to the installation of traffic treatments. This increase in speed will increase the likelihood and severity of crashes. In the case of a serious crash occurring on Aldersea Circle following the removal of the speed cushions, it is likely that Council's decision would be seriously questioned by the community as it is contrary to its risk appetite statement.
While the speed cushions can be reused in other locations, this traffic management project cost in the order of $74,000 and should the speed cushions be removed, then this action could be seen by the community as a waste of funds expended for this project.
Policy Implications
The City’s Traffic Management Investigation and Implementation Policy has been used in assessing this petition. The TM Policy was adopted by Council as a way of determining the justification and priority of competing requests for traffic treatments.
Financial Implications
Nil
Voting Requirements
Simple Majority
That Council:-
1. DOES NOT SUPPORT the removal of or further modifications to traffic treatments on Aldersea Circle;
2. ADVISES the petition organiser of Council's Decision and the process with regards to advising WA Police of hoon behaviour.
Attachments:
|
1. |
Aldersea Circle Location Map |
14/193666 |
|
|
2. |
Aldersea Circle, Clarkson - Speed Cushion Petition Signatories |
14/225970 |
|
|
3. |
Community Consultation - Speed Cushions - Aldersea Circle Clarkson pdf version |
14/211299 |
|
|
4. |
Aldersea Circle Community Consultation Map |
14/226202 |
|
|
5. |
Aerial Map Speed Cushions Aldersea Circle, Clarkson 1 |
14/224768 |
|
|
6. |
Aerial Map Speed Cushions Aldersea Circle, Clarkson 2 |
14/224765 |
|
|
7. |
Aldersea Traffic Treatments Drawing 1 |
14/193615 |
|
|
8. |
Aldersea Traffic Treatments Drawing 2 |
14/193617 |
|
|
9. |
Main Roads WA standard drawing for Speed Cushions on 7.4m road pavement - 200931-0004-1 |
14/236343 |
|
|
10. |
Aldersea Speed Distribution.xlsx |
14/226248 |
|
CITY OF WANNEROO Agenda OF Elected Members' Briefing Session 09 September, 2014 198

Community Development
Community Programs and Services
File Ref: 7849 – 14/234959
Responsible Officer: Director Community Development
Disclosure of Interest: Nil
Attachments: 4
Previous Items: CD02-08/14 - Yanchep Active Open Space - Sports Amenities Building Extension - Ordinary Council - 19 Aug 2014 7:00pm
Issue
To consider the financial and resource capacity within the 2014/15 Capital Works Budget to accommodate the provision of a Multi-Purpose Room extension to the existing Oldham Reserve Changerooms (the Project).
Background
At its meeting held on 19 August 2014, Council considered report CD02-08/14: Yanchep Active Open Space – Sports Amenities Building Extension and resolved the following:
"That Council:-
1. NOTES the proposal received from representatives of the sporting clubs based at Oldham Reserve to extend the existing change room building to include a 100m2 Multi Purpose Room;
2. SUPPORTS the inclusion of a 100m2 multipurpose room as a part of the Yanchep Active Open Space Sports Amenities Building within the existing project timeframe, noting that this will increase the cost of the project by an estimated $260,000, subject to further revision and the eligibility for funding from DCP;
3. NOTES additional design costs of approximately $26,000 in Project PR2253 design and documentation in 2014/15 to be addressed during the mid year review process;
4. LIST FOR CONSIDERATION in the 2015/16 budget the proposed 100m2 multipurpose room extension of the building at Oldham Reserve and that Administration liaise with the Clubs to identify their needs in this regard SUBJECT TO a financial contribution from the user groups; and
5. REQUEST the Chief Executive Officer to prepare a report on financial and resource capacity of the organisation to complete this project in the 2014/2015 financial year and bring back the report to the September council meeting".
This report will specifically address recommendation number five (5) as listed above.
The General Arrangement Concept for the proposed Oldham reserve Changeroom extension
has been included in (Attachment 1).
Detail
Assessment Guidelines
In considering the focus of the report, the following assessment guidelines have been used in considering the organisational financial and resourcing capacity to undertake the Project within the 2014/15 financial year.
|
1. Financial |
· The estimated cost of the Oldham Reserve Project, as reported to Council at its meeting held on 19 August 2014 was $260,000. This has been reviewed and now stands at $295,000 (Attachment 2). · Consequently, only those projects which have the capacity to fund the Oldham Reserve Project have been considered. · Primary consideration has been given to projects listed in the 2014/15 Sports Facilities Capital Works Program (given that this is where projects of this nature would normally be listed), with secondary consideration given to projects listed in the 2014/15 Community Buildings and Passive Park Development Capital Works Programs. · The assessment has been undertaken on the basis that an existing project will need to be delayed to enable the Oldham Reserve Project to be commenced in the 2014/15 financial year. There is no additional capacity to introduce a new project without deferring an existing project. |
|
2. Resource Requirement |
· A project of this nature is classified as an architectural project, and as such would require the specific expertise of the City's Building Projects Team to manage and deliver the Project. The option to consider a transportable building is not considered an architectural project. · Consideration of resource capacity needs to take into account the current project commitments (workload) of the Building Projects Team. |
Identification of projects by value of the project and nature of the work has been included in (Attachment 3). This information has been provided for the 2014/15 Sports Facilities, Community Buildings and Passive Park Development Capital Works Programs.
Projects Considered
1. Yanchep Active Open Space - Yanchep
· This project comprises of two (2) separate projects, being PR-2626: Playing Fields and PR-2253 Sports Amenities Building and has a combined project budget of $3M for the 2014/15 financial year.
· This project has Community Sport and Recreation Facility Fund (CSRFF) grant funding of $1.75M.
· As Council would be aware, this project has not yet commenced due to delays resulting from the finalisation of the Deed of Variation with Yanchep Beach Joint Venture and the approval of Amendment No. 122 of the City's District Planning Scheme No. 2 by the Minister of Planning. This has necessitated Administration seeking deferral of the grant fund from the Department of Sport and Recreation.
· Any further delay in this project would have a significant impact on the local community.
· Recommendation – that this project not be considered as a source of funding for the Oldham Reserve Project, as any further delays in commencement will jeopardise the CSRFF grant and the City's ability to complete the project.
· Although Council, on Administration's advice, increased the scope of the amenity building to include a multi-purpose room, this has minimal impact on staff resources as it has already been included as a design project.
2. Yanchep Surf Life Saving Club - Yanchep
· This project has the sum of $460,000 listed under PR-1048 in the 2014/15 financial year.
· As Council would be aware, the commencement of detailed design and construction has been delayed as a result of Western Australian Planning Commission (WAPC) Development Approval Conditions put on the project, specifically to complete a Coastal Hazard Risk Management and Adaption Plan (CHRMAP) (refer to IN02-08/14).
· Any further delay in this project would have a significant impact on the local community.
· Recommendation - that this project not be considered as a source of funding for the Oldham Reserve Project, as any reduction in the funding for this project will delay completion of detail design, documentation and approvals, and therefore delay construction further.
3. Butler North District Public Open Space - Butler
· This project has the sum of $250,000 listed under PR-2955 in the 2014/15 financial year.
· The purpose of this funding is to undertake a review of the existing Master Plan, to update project staging and costs, which in turn will inform the 2015/16 10 Year Capital Works Budget development process and put in place a timeframe for the delivery of the project.
· Delaying this project will impact the local community, given the shortage of playing fields currently being experienced in the Coastal Ward. With that said, the project has not commenced so there is the ability to re-allocate this funding.
· Recommendation – that this project be considered as a source of funding for the Oldham Reserve Project, however noting that the available budget is not sufficient to cover the current estimated total project cost of $295,000.
4. Riverlinks Park - Clarkson
· This project has the sum of $330,000 listed under PR-2952 in the 2014/15 financial year.
· The purpose of this funding is to undertake the design and construction of floodlighting at Riverlinks Park. This will enable Riverlinks Park to be used at night for large ball sport training to alleviate some of the congestion being experienced at Gumblossom Reserve.
· Delaying this project will impact the local community, given the shortage of playing fields currently being experienced in the Coastal Ward and the capacity issues being experienced at Gumblossom Reserve. With that said, the project has not commenced so there is the ability to re-allocate this funding.
· Recommendation – that this project not be considered as a source of funding for the Oldham Reserve Project, given the capacity issues currently being experienced within the Coastal Ward.
5. Kingsway Regional Sporting Complex (KRSC) – Baseball Clubrooms, Madeley
· This project has the sum of $1M listed under PR-1283 in the 2014/15 financial year.
· This project has a Community Sport and Recreation Facility Fund (CSRFF) grant funding of $400,000.
· The purpose of this funding is to undertake the construction of the new changerooms and clubrooms (replacement of existing) at the KRSC baseball facilities.
· Detail design and documentation for this project is nearing completion with the construction being put out to tender shortly.
· Recommendation – that this project not be considered as a source of funding for the Oldham Reserve Project, as any amendment to the current financial year project funding will delay the commencement of construction and place the CSRFF grant in jeopardy.
6. Kingsway Regional Sporting Complex (KRSC) – Building Renewal Works, Madeley
· This project has the sum of $350,000 listed under PR-2823 in the 2014/15 financial year.
· The purpose of this funding is to progress the outcomes of a compliance audit currently being undertaken on the Kingsway Olympic Soccer Clubrooms and the KRSC.
· Delaying this project will have minimal impact on the local community and resident sporting clubs, given the facilities in question remain operational. However this will result in a delay in addressing the non compliance issues identified as a result of the audit being undertaken. Non compliance issues identified by the audit include access, ceiling and wall insulation, glazing, plumbing and gas, building main switch board, sub distribution boards, RCD protection for general power, lighting, power and cabling conduits and fire alarm. The non compliance issues are considered to be of a high importance.
· Recommendation – that this project not be considered as a source of funding for the Oldham Reserve Project, as any amendment to the current financial year project funding will delay the rectification of non compliance issues raised by the compliance audit.
7. Hudson Park – Infrastructure Upgrades, Girrawheen
· This project has the sum of $250,000 listed under PR-2960 in the 2014/15 financial year.
· The purpose of this funding is to progress infrastructure upgrades resulting from the work of the South Ward Community Reference and Sporting User Group (refer CD04-05/14).
· Delaying this project will impact on the implementation of the infrastructure upgrades at Hudson Park identified by the South Ward Community Reference and Sporting User Group. The current level of amenity provided at Hudson Park is significantly lower than the standard level of provision provided within the City.
· Recommendation – that this project not be considered as a source of funding for the Oldham Reserve Project, as there is a genuine need to progress infrastructure upgrades at Hudson Park in line with existing City of Wanneroo standards.
8. Pearsall Hocking Community Centre, Pearsall
· This project has the sum of $400,000 listed under PR-1046 in the 2014/15 financial year.
· The purpose of this funding is to progress detail design and documentation for the facility. It should be noted that the tender for design and documentation has been advertised and has closed and is currently being assessed.
· Delaying this project will impact on the current tender process and the local community, in that the delivery of the project would be delayed. With that said, appointment of a preferred tender has not been completed, and as such detail design and documentation has not commenced.
· Recommendation – that this project be considered as a source of funding for the Oldham Reserve Project.
9. Koondoola Community Centre, Koondoola
· This project has the sum of $1M listed under PR-1561 in the 2014/15 financial year.
· This project has a confirmed Lotterywest Grant of $100,000 with an in principle agreement from Lotterywest for a further funding allocation of $600,000.
· The purpose of this funding is to progress construction of the facility. Detail design and documentation for this project is nearing completion with the construction being put out to tender shortly.
· Recommendation – that this project not be considered as a source of funding for the Oldham Reserve Project, as any amendment to the current financial year project funding will delay the commencement of construction and place the Lotterywest grant in jeopardy.
10. Community Centre Upgrades – Fire Detection Systems, CCVT and Swipe Card Access.
· This project comprises of two (2) separate projects, being PR-2457: Swipe Card Access and CCTV and PR-258 Fire Detection Systems and has a combined project budget of $807,000 for the 2014/15 financial year.
· These projects are the result of OSH hazards being identified by Administration and as a result their implementation is of a high importance.
· Recommendation – that this project not be considered as a source of funding for the Oldham Reserve Project, as implementation of these projects is of a high OSH importance.
11. Curtis Park – Passive Park Development, Girrawheen
· This project has the sum of $374,405 listed under PR-2674 in the 2014/15 financial year.
· The purpose of this funding is to undertake the development of Curtis Park, located in Girrawheen.
· Delaying this project will impact on the passive park amenity for the local community, noting that a large number of dry parks within the City are in the South Ward.
· Recommendation – that this project not be considered as a source of funding for the Oldham Reserve Project, as there is a genuine need to progress the re-development of dry passive within the South Ward.
Resourcing Considerations
As outlined within the assessments guidelines at the beginning of this report, projects of this type are classified as architectural projects and require the specific skills if the City's Building Projects Team. Based on the information provided in (Attachment 3), there are currently 18 projects in the 2014/15 financial year which are classified as architectural. The Building Projects Team comprises of 2 FTE, with a third currently being recruited. Given the current project list of this team and current available FTE, there is clearly no capacity for an additional architectural project to be added to the capital budget without an existing project being deleted.
The option to consider a transportable building is not considered an architectural project and therefore can be more easily resourced within existing staff resources.
Consideration also needs to be given to the time required to actually deliver the Oldham Reserve Project. An indicative project schedule has been included in (Attachment 4), and indicates that the project will take 64 weeks in total, based on the following breakdown of key tasks:
· Feasibility and pre start
· Design
· Statutory permits and certificates
· Procurement quotations and tenders
· Construction
· Project close out
This clearly shows that the project would not be completed in time for the commencement of the 2015 winter season, being April 2015. It should be noted that this timeframe does not consider other project commitments and assumes that an existing project is deleted to free up capacity. One option is to consider an interim solution by using a transportable building. This is discussed further below.
Options
In considering the above analysis, two options present themselves for consideration.
Option 1 – Progress the Oldham Park Project
As identified in the above analysis, this can only progress if another project of a similar nature (i.e. architectural project) is deferred from the 2014/15 Capital Works Program to free up the required resource and financial capacity to undertake the work. On this basis, the only option available for consideration is to defer the Pearsall Hocking Community Centre project (PR-1046). This will enable the Building Projects team to redirect resources from this project to the Oldham Reserve project and it will provide sufficient funds to enable the Oldham Reserve project to proceed. The balance of funds from the Pearsall Hocking Community Centre project ($110,000) would be handed back at mid year review and the detail design and documentation component of the budget re-allocated to the 2015/16 financial year.
Based on the indicative project schedule included within Attachment 4, the project would not be completed prior to the commencement of the 2015 winter season.
Option 2 – Provision of Interim Facilities
The alternative, is to provide interim facilities at Oldham Reserve to provide a multi-purpose room and list the ultimate project for consideration in the 2015/16 10 Year Capital Works Program. The interim facility in question would be a transportable of the dimension of 12m x 9m, providing a multi- purpose room of the floor space sought by the resident Oldham Reserve clubs and would allow the clubs access to a multi-purpose space for the 2015 winter season.
Funding for the purchase of the transportable facility would be taken from PR-2955: Butler North District Open Space ($250,000). Initial estimates provided to Administration indicate that the purchase and installation of a 12m x 9m transportable would be in the order of $90,000, whilst hire of the transportable for a two year period (based on an estimated construction time) would be in the order of $80,400.
Funding of the transportables (either purchase or hire) from PR-2955 would still allow Administration to progress with the review of the Butler District Open Space Master Plan, providing revised staging and cost estimates to inform the development of the 2015/16 10 Year Capital Works Program.
It should be noted that funding has been made available in the 2014/15 10 Year Capital Works Program for the provision of transportable facilities for use at Riverlinks Park (PR-2961at $50,000), to support the use of this reserve once the floodlighting project for the reserve has been completed and at Kingsway Regional Sporting Complex (PR-2948 at $29,300) while the existing changerooms are demolished and re-built.
Consultation
As noted in report CD02-08/14, Administration has been consulting with the sporting clubs based at Oldham Reserve in relation to the proposed extension of the Oldham Park Changerooms since March 2014.
Consultation with Yanchep based sporting clubs in regards to the Yanchep Active Open Space has been ongoing since February 2012.
Comment
It is Administration's view that the best option of the two presented is Option 2, being the provision of a transportable facility. This is an outcome that:
· Provides an interim multi-purpose room facility sought by the resident clubs for the 2015 winter season;
· Allows Administration to develop a budget submission for the construction of the multi-purpose room extension at Oldham Reserve for consideration in the 2015/16 10 Year Capital Works Program, with construction in the 2015/16 financial year;
· An application for CSRFF grant funding is able to be submitted – a report on this matter is also included in this same agenda for Council's consideration;
· Has minimal impact on the balance of the projects listed within the Sports Facilities, Community Buildings and Passive Park Development Programs in the 2014/15 10 Year Capital Works Program; and
· Does not impact on current resourcing of the City's Building Projects Team.
On this basis this report recommends the provision of a transportable facility (12m x 9m) to provide an interim multi-purpose space for clubs at Oldham Reserve, with a view to list the proposed 100m 2multi purpose room extension of the Oldham Reserve Changerooms for consideration in the 2015/16 10 Year Capital Works Program, as per recommendation four (4) contained in report CD02-08/14, resolved by Council at its meeting held on 19 August 2014.
Administration has sought the view of the resident clubs of the proposal for the interim solution, to which the clubs have advised that they do not support this option. They have discussed this and would prefer to push for the ultimate building extension, but have acknowledged, and understand, the City's constraints and considerations.
Given the acknowledged continuing growth of the City and increasing demand for facilities it is strongly recommended that the City should buy the transportable units as this will create capacity in other locations for the future. This also enables appropriate good planning and grant funding to be pursued for the long term benefit of local clubs.
Statutory Compliance
Nil
Strategic Implications
The proposal aligns with the following objective within the Strategic Community Plan 2013 – 2023:
“2 Society - Healthy, safe, vibrant and active communities.
2.1 Great Places and Quality Lifestyle - People from different cultures find Wanneroo an exciting place to live with quality facilities and services.”
Risk Management Considerations
Project risks associated with this project will be defined and managed within the project plan to be developed. However key risks that can be identified at this early stage include the following:
· Financial Risk - Unsuccessful application for CSRFF grant funds and inability of clubs to contribute one-third funding, resulting in additional municipal funds required for the project.
· Reputation Risk - Ongoing dissatisfaction from resident clubs at Oldham Reserve.
.Policy Implications
Nil
Financial Implications
Project funding for the Butler North District Open Space – Master Plan and Review project is currently listed as follows in the 2014/15 10 Year Capital Works Program.
|
Financial Year |
PR No. |
Project |
Funding Amount |
Grants |
|
2014/15 |
2955 |
Master Plan review & Design |
$250,000 |
$0 |
In the implementation of Option 2, the following budget variation will need to be undertaken:
|
Project No. |
From |
To |
Description |
|
PR-2955 |
$100,000 |
|
Butler North District Open Space – Master plan review and design. |
|
PR-TBA |
|
$100,000 |
Oldham Reserve – Provision of Transportable Facility. |
Voting Requirements
Absolute Majority
That Council:-
1. NOTES that there is not sufficient financial or resource capacity within Administration in the 2014/15 financial year to undertake the proposed 100m2 multi purpose room extension of the Oldham Reserve Changerooms;
2. Pursuant to Section 6.8(1)(b) of the Local Government Act 1995 APPROVES BY ABSOLUTE MAJORITY the expenditure of $100,000 for the provision of a transportable facility (12m x 9m) to provide an interim multi purpose space for clubs at Oldham Reserve;
3. NOTES the following budget variation to fund either the purchase or hire of the transportable facility (12m x 9m);
|
Project No. |
From |
To |
Description |
|
PR-2955 |
$100,000 |
|
Butler North District Open Space – Master plan review and design. |
|
PR-TBA |
|
$100,000 |
Oldham Reserve – Provision of Transportable Facility. |
4. AUTHORISES the Director Community Development to inform the petition organiser of Council's resolution regarding petition PT03-08/14; and
5. NOTES that the City's Ten Year Capital Works Program will need to be adjusted in 2015/16 as a result of deferring the Butler North District Open Space project.
Attachments:
|
1. |
3026-Oldham Park Office Room Extension - Concept Layout1 (1) |
14/241861 |
|
|
2. |
Draft Cost Estimate-Oldham Park Meeting Room Extension |
14/241711 |
|
|
3. |
Project Assessment by nature and value |
14/241726 |
|
|
4. |
Indicative Project Schedule |
14/241733 |
|
CITY OF WANNEROO Agenda OF Elected Members' Briefing Session 09 September, 2014 213
File Ref: 17131 – 14/230373
Responsible Officer: Director Community Development
Disclosure of Interest: Nil
Attachments: 6
Issue
To consider submissions to the Department of Sport and Recreation (DSR) for the 2014 round of the Community Sport and Recreation Facility Fund (CSRFF).
Background
The Community Sport and Recreation Facility Fund is administered by the DSR on behalf of the State Government. Each year DSR makes funding available to community/sporting groups and Local Government Authorities to assist in the development of sport and recreation infrastructure. The aim of the program is to increase participation in sport and recreation through an emphasis on well-planned facilities.
Since 2008 the State Government has made approximately $20 million available through the CSRFF program. Grants are made available through three categories, based on the size and complexity of the proposed projects, and include Small Grants, Annual Grants and Forward Planning Grants:
· Small Grants of $2,500 - $50,000 will be allocated to projects involving a basic level of planning. The total project cost for Small Grants must not exceed $150,000. Grants given in this category must be claimed in the financial year following the date of approval. For projects with a grant request below $2,500 it is expected that the applicant should be able to fully fund these.
· Annual Grants of $50,000 - $166,666 will be allocated to projects with a planning and construction process that will be complete within 12 months. The total project cost for Annual Grants is between $150,000 and $500,000. Grants given in this category must be claimed in the financial year following the date of approval.
· Forward Planning Grants of $166,667 up to $4,000,000 will be allocated to the large scale projects where the total project cost exceeds $500,000 and may require an implementation period of between one and three years. Grants given in this category may be allocated in one or a combination of the years in the triennium.
The standard CSRFF grant approved is usually no greater than one-third of the total estimated cost of the project, however this can be increased to one half through a “Development Bonus” which is measured against:
· Geographical location – regional/remote location, growth Local Government area;
· Co-location, including new & existing;
· Sustainability initiative - including water saving, energy reduction; and
· Increased participation - including new participants, or existing participants at higher levels and special interest users.
In addition, contributions made through the CSRFF must be matched by the applicant's own cash contribution with any balance of the funds being provided by an alternate funding source.
This may be provided by the applicant, alternative grants, or by the Local Government Authority. It should be noted that Local Government is not required to contribute to any CSRFF grant application.
As a part of the administration of the CSRFF, all applications from community and sporting groups within the City of Wanneroo are required to be submitted to the City for assessment and prioritisation - including those being submitted by the City itself. Applications are required to be endorsed by Council prior to their submission to DSR.
The 2014 CSRFF funding round opened in July of this year for applications seeking funds for the funding triennium 2015/16 to 2017/18. Administration advised all community sport and recreation groups on the City’s Smart Clubs register that CSRFF grants applications were being accepted. This year approved applications are required to be submitted to DSR no later than 30 September 2014 in order for assessment to be completed in Jan/Feb 2015.
Detail
For 2014/15 the City will apply the following grants through the Department of Sport and Recreation, refer the table below.
|
Grant Type |
Application Due |
Project # |
Description |
Muni Funds |
Club |
CSRFF Funds |
Total Cost |
|
Annual |
30 Sept 14 |
PR-2629 |
Warradale Reserve – Oval extension, landscaping and floodlighting |
$507,700 |
$Nil |
$203,000 |
$710,700 |
|
Annual |
30 Sept 14 |
TBA |
Oldham Park – Multipurpose Room |
$98,333 |
$98,333 |
$98,333 |
$295,000 |
Project: Warradale Reserve – Active Reserve Extension, Landscaping and Floodlighting;
Applicant: City of Wanneroo
Warradale Park (the Park) is located on Southmead Drive in Landsdale (Attachment 1) and includes Warradale Reserve, which includes the existing playing field and supporting infrastructure.
In 2010, Administration identified the need to upgrade the facilities at Warradale Reserve, which were required to accommodate the increased growth and demand for the facilities from the local sporting clubs. This resulted in two distinct capital upgrade projects being undertaken.
1. Community Centre Extension
This project was completed in 2011 and included the extension of the existing Community Centre to provide;
· A multipurpose area;
· Kiosk;
· One furniture store; and
· Four club storage spaces provided at the rear of the building.
2. Active Reserve Extension
The Active Reserve extension comprised of the following elements:
· Extension to the playing field to meet senior AFL and cricket playing requirements (Attachment 2);
· The provision of an additional two floodlighting towers to large ball training standard (50 lux);
· Increase in the number of available cricket practice wickets from two to four and the relocation of the cricket practice nets to a more suitable location; and
· The provision of an additional 40 car parking bays to service the active reserve, clubrooms and community centre (Attachment 3).
Administration submitted a CSRFF grant application to the Department of Sport and Recreation for the construction of the Clubrooms and the extension of the oval and additional floodlighting.
During the design stage (2012), Administration became aware that Warradale Park contained two sites which were listed with the Department of Indigenous Affairs. These sites impacted on the proposed Active Reserve extension project, and as a result any works undertaken as a part of this project may have required a Section 18 application and approval to the Department of Indigenous Affairs.
After undertaking an Ethnographic and Archaeological Survey a Section 18 Application was submitted to the Department of Indigenous Affairs for assessment. At the completion of the assessment process the City was notified that a Section 18 was not required for the Warradale sites as it was deemed that the proposed works would not impact the Aboriginal sites.
As a result, Council considered report CD02-03/13 at its meeting of 5 May 2013. Specifically the report addressed the outcomes of the Ethnographic and Archaeological Survey and the impact on the project scope, noting the inclusion of a number of new items based on the recommendations of the report. As a result, Council resolved as follows:
"1. NOTES the revised project scope for the Warradale Park - Active Reserve Extension as follows:
· Extension of existing playing field from junior to senior AFL size;
· Additional two (2) floodlighting poles to complement the existing two poles on site, to provide lighting to the active reserve that meets the current Australian Standard for large ball sport – ball and physical training;
· Re-location of the existing two cricket practice wickets to the south eastern corner of the reserve;
· Provision of an additional 40 car parking bays as an extension of the existing car park;
· Planting of native trees and shrubs in the north of the Park and at the lake;
· Interpretive signage, and possibly a sculpture, to relate the Noongar history of the area;
· Indigenous monitors be employed during earthworks and excavations to observe for buried archaeological material;
· Removal of the brick barbeque from the copse of Paperbark trees (subject to community consultation outcomes); and
2. NOTES the revised project cost estimates and timeframe for the Warradale Park - Active Reserve Extension as follows, and as submitted for consideration as a part of the draft 10 Year Sports Facilities Program for 2013/14:
|
Financial Year |
PR No. |
Project |
Funding Amount |
|
2013/14 |
1187 |
Application of a Section 18 to Department of Indigenous Affairs |
$3,700 |
|
2014/15 |
1187 |
Design & Documentation |
$20,000 |
|
2015/16 |
1187 |
Construction |
$680,000" |
As a part of the 2014/15 10 Year Capital Works Program development, the funding for the project was revised, as outlined in the table below.
|
Financial Year |
PR No. |
Project |
Funding Amount |
|
2014/15 |
2629 |
Design & Documentation |
$70,070 |
|
2015/16 |
2824 |
Construction |
$710,700 |
The initial cost estimate has been provided in (Attachment 4) and has had escalations applied. An additional allowance of $50,000 has been made to accommodate the outcomes of the Aboriginal Heritage Study.
On this basis this report recommends that a CSRFF grant of $203,000 be sought in the 2014/15 financial year.
Project: Oldham Park Changerooms – Multi Purpose Room Extension
Applicant: City of Wanneroo
At its meeting held on 12 August 2014, Council considered report CD02-08/14 and as a result resolved the following:
"1. NOTES the proposal received from the representatives of the sporting clubs based at Oldham Reserve to extend the existing changeroom building to include a 100m2 Multipurpose Room;
2. SUPPORTS the inclusion of a 100m2 multipurpose room as a part of the Yanchep Active Open Space Sports Amenities Building within the existing project timeframe, noting that this will increase the cost of the project by an estimated $26,000 subject to further revision and the eligibility for the funding from DCP;
3. NOTES additional design of approximately $26,000 in Project PR-2253 design and documentation in 2014/15 to be addressed during the mid year review process;
4. LIST FOR CONSIDERATION in the 2015/16 budget the proposed 100m2 multipurpose room extension of the building at Oldham Reserve and that Administration liaise with Clubs to identify their needs in this regard SUBJECT TO a financial contribution from user groups; and
5. REQUESTS the Chief Executive Officer to prepare a report on financial and resource capacity of the organisation to complete this project in the 2014/2015 financial year and bring back the report to the September council meeting."
The provision of a multipurpose room at Oldham Park will allow a space for resident clubs to conduct meetings, club gatherings and to socialise with visiting teams. The provision of the multi-purpose room will also provide additional hireable space for the local community.
A draft concept plan for the proposed extension is included in (Attachment 5) and a revised order of Cost Estimate, putting the estimated cost of the extension at $295,000 is included within (Attachment 6).
The application was assessed and advice from the Department of Sport and Recreation (DSR) indicated that a multipurpose room addition would be eligible for CSRFF consideration. However DSR did advise that projects that do not directly impact physical activity, such as social areas, are considered a lower priority.
On this basis this report recommends that a CSRFF grant of $98,333 be sought in the 2014/15 financial year.
Both projects were assessed by utilising the following philosophy and exclusion criteria established as a part of the CSRFF Review Process, as follows:
Philosophy
· Meets a clearly demonstrated need within the community;
· Support the City of Wanneroo’s Strategic Plan;
· Provide maximum benefit and value for money for the community by providing multipurpose facilities and allow for general community uses (i.e. other community-based activities);
· Financially viable, with the applicant able to demonstrate the ability to meet the financial commitment;
· Increases participation;
· Include a clear management plan; and/or
· Facility provision to meet all relevant Australian Standards.
In addition to these criteria, the applications were also assessed on the basis of the CSRFF assessment principles and project rating.
Consultation
Warradale Reserve – Oval Extension, Landscaping and Floodlighting;
Administration has previously, and continues, to consult directly with user groups of Warradale Park, in relation to the planning and design of the Warradale Park, Oval Extensions, floodlighting and car park project.
Oldham Park Changerooms – Multi Purpose Room Extension
Administration has been in contact with the Yanchep Red Hawks Football Club (YRHFC) regarding the provision of a multipurpose room at Oldham Park. Conversations with the Yanchep Red Hawks Junior Football Club, Yanchep Cricket Club and Yanchep Little Athletics Club have not yet been undertaken.
Comment
Warradale Reserve – Oval Extension, Landscaping and Floodlighting;
The extension to the playing surface and the provision of the additional floodlighting at Warradale Reserve will increase the capacity of the facility to accommodate the current and future needs of the existing clubs, increase capacity to accommodate for growth and allow junior and senior teams to play at the same venue.
Oldham Park Changerooms – Multi Purpose Room Extension
The provision of the multi-purpose room extension the existing changeroom facilities at Oldham Reserve will benefit the existing clubs who use the facilities, providing additional space for the clubs to conduct club meetings and also to undertake social and fundraising activities. The provision of the space will also benefit the local community, through the provision of additional hireable space for community based activity.
Statutory Compliance
Nil
Strategic Implications
The proposal aligns with the following objective within the Strategic Community Plan 2013 – 2023:
“2 Society - Healthy, safe, vibrant and active communities.
2.1 Great Places and Quality Lifestyle - People from different cultures find Wanneroo an exciting place to live with quality facilities and services.”
Risk Management Considerations
Should either of the applications not be successful, implications for the identified project will be addressed through a further report to be provided to Council in March 2015 advising the outcomes of the CSRFF applications and any resulting implications to the City of Wanneroo.
Policy Implications
Nil
Financial Implications
The table below identifies the financial implications for the City’s 2014/15 Ten Year Capital Works Program over the duration of the funding triennium, as a result of the identified projects. The total costs of the projects are funded on a recoup basis, where a majority of the project is required to be completed before CSRFF funds can be accessed. As a result, it is necessary to budget for the full project cost within the Forward Capital Works Program, as follows:
|
Project |
Total Cost |
Municipal & Other Sources |
Club/Clubs Contribution |
CSRFF Contribution |
Budget Year 2014/15 |
|
PR-2629 – Warradale Detailed and Consultation |
$71,070 |
$71,070 |
$0 |
$0 |
$71,070 |
|
PR-2824 – Warradale Construction oval extension, earthworks, landscaping and floodlighting |
$710,700 |
$507,700 |
$0 |
$203,000 |
$710,700 |
|
PR- TBC Oldham Reserve Changerooms - Multipurpose Room Extension |
$295,000 |
$98,333 |
$98,333 |
$98,333 |
$295,000 |
Voting Requirements
Simple Majority
That Council:-
1. SUBMITS the following Community Sport and Recreation Facilities Fund Applications to the Department of Sport and Recreation for the 2014 fund round:
a) Warradale Reserve – Oval Extension, Landscaping and Floodlighting;
b) Oldham Park Changerooms – Multi Purpose Room Extension; and
2. NOTES that a further report will be presented to Council in March 2015 advising the outcomes of the CSRFF applications for the 2014 funding round and related funding implications for the City’s 2014/15 Ten Year Capital Works Program.
Attachments:
|
1. |
Warradale Park Aerial Map |
14/204999 |
|
|
2. |
Warradale Park Proposed General Lay Out |
14/231208 |
|
|
3. |
Warradale Park Proposed Additional Car Park Layout |
14/210033 |
|
|
4. |
Cost Estimate Warradale Extension Cost Supplier Feb 2012 |
13/231490 |
|
|
5. |
Concept Plan Oldham Reserve 1995 |
14/211075 |
|
|
6. |
Draft Cost Estimate-Oldham Park Meeting Room Extension |
14/241711 |
|
CITY OF WANNEROO Agenda OF Elected Members' Briefing Session 09 September, 2014 226

Corporate Strategy & Performance
File Ref: 1859 – 14/239031
Responsible Officer: Director Corporate Strategy & Performance
Disclosure of Interest: Nil
Attachments: Nil
Issue
Presentation to consider the list of accounts paid for the month of August 2014, including a statement as to the total amounts outstanding at the end of the month.
Background
Local Governments are required each month to prepare a list of accounts paid for that month and submit the list to the next Ordinary Meeting of the Council.
In addition, it must record all other outstanding accounts and include that amount with the list to be presented. The list of accounts paid and the total of outstanding accounts must be recorded in the minutes of the Council meeting.
Detail
The following is the Summary of Accounts paid in August 2014
|
Funds |
Vouchers |
Amount |
|
Director Corporate Services Advance A/C Accounts Paid – August 2014 Cheque Numbers EFT Document Numbers TOTAL ACCOUNTS PAID
Less Cancelled Cheques Town Planning Scheme RECOUP FROM MUNICIPAL FUND |
98728 - 99072 2017 – 2041 |
$1,099,656.40 $11,864,371.51 $12,964,027.91
($10,102.07) ($16,892.90) ($12,937,032.94) |
|
Municipal Fund – Bank A/C Accounts Paid – August 2014 Advance Recoup Direct Payments Payroll – Direct Debits TOTAL ACCOUNTS PAID |
|
$12,937,032.94 $32,115.09 $3,272,656.73 $16,241,804.76 |
|
Town Planning Scheme Accounts Paid – August 2014 Cell 4 Cell 8 TOTAL ACCOUNTS PAID |
|
$12,056.80 $4,836.10 $16,892.90 |
At the close of August 2014 outstanding creditors amounted to $138,082.69.
Consultation
Nil
Comment
The list of payments (cheques and electronic transfers) and the end of month total of outstanding creditors for the month of August 2014 is presented to the Council for information and recording in the minutes of the meeting, as required by the Local Government (Financial Management) Regulations 1996.
Statutory Compliance
Regulation 13(1) of the Local Government (Financial Management) Regulations 1996 requires a local government to list the accounts paid each month and total all outstanding creditors at the month end and present such information to the Council at its next Ordinary Meeting after each preparation. A further requirement of this Section is that the prepared list must be recorded in the minutes of the Council meeting.
Strategic Implications
The proposal aligns with the following objective within the Strategic Community Plan 2013 – 2023:
“4 Civic Leadership - Working with others to ensure the best use of our resources.
4.3 A Strong and Progressive Organisation - You will recognise the hard work and professionalism delivered by your council through your interactions and how our community is developing.”
Risk Management Considerations
Nil
Policy Implications
Nil
Financial Implications
Nil
Voting Requirements
Simple Majority
That Council RECEIVES the list of payments drawn for the month of August 2014, as summarised below:-
|
Funds |
Vouchers |
Amount |
|
Director Corporate Services Advance A/C Accounts Paid – August 2014 Cheque Numbers EFT Document Numbers TOTAL ACCOUNTS PAID
Less Cancelled Cheques Town Planning Scheme RECOUP FROM MUNICIPAL FUND |
98728 - 99072 2017 – 2041 |
$1,099,656.40 $11,864,371.51 $12,964,027.91
($10,102.07) ($16,892.90) ($12,937,032.94) |
|
Municipal Fund – Bank A/C Accounts Paid – August 2014 Advance Recoup Direct Payments Payroll – Direct Debits TOTAL ACCOUNTS PAID |
|
$12,937,032.94 $32,115.09 $3,272,656.73 $16,241,804.76 |
|
Town Planning Scheme Accounts Paid – August 2014 Cell 4 Cell 8 TOTAL ACCOUNTS PAID |
|
$12,056.80 $4,836.10 $16,892.90 |
|
WARRANT OF PAYMENTS AUGUST 2014 |
||||
|
PAYMENT |
DATE |
DESCRIPTION |
AMOUNT |
|
|
00098728 |
05/08/2014 |
Rates Refund |
$400.00 |
|
|
00098729 |
05/08/2014 |
Joondalup Malayalee Association Incorporated |
$504.00 |
|
|
|
|
Bond Refund |
|
|
|
00098730 |
05/08/2014 |
Suwantono Suwantono |
$504.00 |
|
|
|
|
Bond Refund |
|
|
|
00098731 |
05/08/2014 |
Paul Berry |
$504.00 |
|
|
|
|
Bond Refund |
|
|
|
00098732 |
05/08/2014 |
Ridgewood Little Athletic Centre Incorporated |
$504.00 |
|
|
|
|
Bond Refund |
|
|
|
00098733 |
05/08/2014 |
Lions Club of Girrawheen Incorporated |
$787.50 |
|
|
|
|
Bond Refund |
|
|
|
00098734 |
05/08/2014 |
Tanja Ribicic |
$787.40 |
|
|
|
|
Bond Refund |
|
|
|
00098735 |
05/08/2014 |
Denise Telfer |
$504.00 |
|
|
|
|
Bond Refund |
|
|
|
00098736 |
05/08/2014 |
Amanda McPhee |
$504.00 |
|
|
|
|
Bond Refund |
|
|
|
00098737 |
05/08/2014 |
Cancelled |
|
|
|
00098738 |
05/08/2014 |
Tami Lawton |
$787.50 |
|
|
|
|
Bond Refund |
|
|
|
00098739 |
05/08/2014 |
Quinns District Amateur Football Club |
$787.50 |
|
|
|
|
Bond Refund |
|
|
|
00098740 |
05/08/2014 |
Wanneroo Amateur Football Club |
$80.00 |
|
|
|
|
Bond Refund |
|
|
|
00098741 |
05/08/2014 |
Quinns Beach Primary School P & C |
$1,000.00 |
|
|
|
|
Community Funding Program - March 2014 Round - Quinns Beach Primary School P & C Carols In The Park 12.12.2014 |
|
|
|
00098742 |
05/08/2014 |
Jane Greenough |
$360.00 |
|
|
|
|
Vehicle Crossing Subsidy |
|
|
|
00098743 |
05/08/2014 |
M Morgan & E Mossop |
$360.00 |
|
|
|
|
Vehicle Crossing Subsidy |
|
|
|
00098744 |
05/08/2014 |
Cancelled |
|
|
|
00098745 |
05/08/2014 |
A & R Chaudhary |
$360.00 |
|
|
|
|
Vehicle Crossing Subsidy |
|
|
|
00098746 |
05/08/2014 |
Jie Wang |
$360.00 |
|
|
|
|
Vehicle Crossing Subsidy |
|
|
|
00098747 |
05/08/2014 |
Sirirath Sio |
$360.00 |
|
|
|
|
Vehicle Crossing Subsidy |
|
|
|
00098748 |
05/08/2014 |
Michael Sarmiento |
$360.00 |
|
|
|
|
Vehicle Crossing Subsidy |
|
|
|
00098749 |
05/08/2014 |
A Carter |
$360.00 |
|
|
|
|
Vehicle Crossing Subsidy |
|
|
|
00098750 |
05/08/2014 |
N Prajapati |
$360.00 |
|
|
|
|
Vehicle Crossing Subsidy |
|
|
|
00098751 |
05/08/2014 |
A Russell |
$200.00 |
|
|
|
|
Vehicle Crossing Subsidy |
|
|
|
00098752 |
05/08/2014 |
T & G Nair |
$360.00 |
|
|
|
|
Vehicle Crossing Subsidy |
|
|
|
00098753 |
05/08/2014 |
Hu Liu |
$360.00 |
|
|
|
|
Vehicle Crossing Subsidy |
|
|
|
00098754 |
05/08/2014 |
L Blackford |
$360.00 |
|
|
|
|
Vehicle Crossing Subsidy |
|
|
|
00098755 |
05/08/2014 |
Kate Beverland |
$360.00 |
|
|
|
|
Vehicle Crossing Subsidy |
|
|
|
00098756 |
05/08/2014 |
Nathan Armstead |
$360.00 |
|
|
|
|
Vehicle Crossing Subsidy |
|
|
|
00098757 |
05/08/2014 |
Carol Marshall |
$360.00 |
|
|
|
|
Vehicle Crossing Subsidy |
|
|
|
00098758 |
05/08/2014 |
Mark Deane |
$360.00 |
|
|
|
|
Vehicle Crossing Subsidy |
|
|
|
00098759 |
05/08/2014 |
Warren Walker |
$20.00 |
|
|
|
|
Refund - Perth Mint & State Library - Gold Program |
|
|
|
00098760 |
05/08/2014 |
School Sport Western Australia Incorporated |
$800.00 |
|
|
|
|
Sponsorship For 4 x Members At The WA Schools Basketball 12's And 18's Team Competition In Townsville 15 - 23.08.2014 |
|
|
|
00098761 |
05/08/2014 |
Kingsway Little Athletics Centre |
$1,500.00 |
|
|
|
|
Sponsorship For 4 x Members At The 22nd International Athletics Championships In Singapore 10 - 11.07.2014 |
|
|
|
00098762 |
05/08/2014 |
SMART Centre of Excellence Incorporated |
$20.23 |
|
|
|
|
Hire Fee Refund |
|
|
|
00098763 |
05/08/2014 |
The Marian Centre - Subiaco |
$161.00 |
|
|
|
|
1 x Financial Assistance |
|
|
|
00098764 |
05/08/2014 |
Kim Bevan Real Estate |
$460.00 |
|
|
|
|
1 x Financial Assistance |
|
|
|
00098765 |
05/08/2014 |
Roy Weston |
$420.00 |
|
|
|
|
1 x Financial Assistance |
|
|
|
00098766 |
05/08/2014 |
Samba Holdings Pty Ltd |
$23,327.55 |
|
|
|
|
City of Wanneroo Invoice 136258 Paid Twice - Finance |
|
|
|
00098767 |
05/08/2014 |
Bee Lim |
$360.00 |
|
|
|
|
Vehicle Crossing Subsidy |
|
|
|
00098768 |
05/08/2014 |
Eddie Gordon |
$420.00 |
|
|
|
|
Unclaimed Money - Original Cheque Issued 15.12.2009 |
|
|
|
00098769 |
05/08/2014 |
Pharmacy 777 Clarkson |
$200.00 |
|
|
|
|
1 x Financial Assistance |
|
|
|
00098770 |
05/08/2014 |
John Elieff |
$280.00 |
|
|
|
|
1 x Financial Assistance |
|
|
|
00098771 |
05/08/2014 |
Rates Refund |
$2,833.35 |
|
|
00098772 |
05/08/2014 |
Rates Refund |
$158.09 |
|
|
00098773 |
05/08/2014 |
Manjinder Sandhu |
$810.00 |
|
|
|
|
Bond Refund |
|
|
|
00098774 |
05/08/2014 |
Ashdale Secondary College |
$65.00 |
|
|
|
|
Key Bond Refund |
|
|
|
00098775 |
05/08/2014 |
Angela Hoover |
$400.00 |
|
|
|
|
Bond Refund |
|
|
|
00098776 |
05/08/2014 |
Zawro Khinzaw |
$446.24 |
|
|
|
|
Bond Refund |
|
|
|
00098777 |
05/08/2014 |
Spring In The Grove |
$3,000.00 |
|
|
|
|
Community Funding Program - March 2014 Round - 2014 Spring In The Grove 02.11.2014 |
|
|
|
00098778 |
05/08/2014 |
Westside BMX Club |
$500.00 |
|
|
|
|
Sponsorship For 1 x Member At The 2014 UCI BMX World Championships Held In Rotterdam, Netherlands 20 - 28.07.2014 |
|
|
|
00098779 |
05/08/2014 |
Ice Hockey Australia |
$500.00 |
|
|
|
|
Sponsorship For 1 x Member Who Attended The International Elite Women's Swish Training Camp And Competition Which Was Held In Sweden 16 - 28.07.2014 |
|
|
|
00098780 |
05/08/2014 |
ATI Martial Arts |
$400.00 |
|
|
|
|
Sponsorship For 2 x Members At The 2014 6th Oceana & 5th Australian Championships In Sydney 14 - 17.08.2014 |
|
|
|
00098781 |
05/08/2014 |
School Sport Western Australia Incorporated |
$200.00 |
|
|
|
|
Sponsorship For 1 x Member At The School Sport Australia National Football 19s Championships In Glenwood NSW 22 - 29.08.2014 |
|
|
|
00098782 |
05/08/2014 |
Subiaco A.F.C |
$500.00 |
|
|
|
|
Sponsorship For 1 x Member To Attend The Cup No. 1 & Gothia Cup Tour To Be Held In Denmark & Sweden 07 - 20.07.2014 |
|
|
|
00098783 |
05/08/2014 |
Indoor Sports WA |
$200.00 |
|
|
|
|
Sponsorship For 1 x Member To Attend The Australian Junior Indoor Cricket Championships Held In Morphett Vale 06 - 12.07.2014 |
|
|
|
00098784 |
05/08/2014 |
Ice Hockey WA |
$400.00 |
|
|
|
|
Sponsorship For 2 x Members For Their Participation In The Phil Ginsberg U13 National Championship To Be Held In Adelaide 07 - 11.08.2014 |
|
|
|
00098785 |
05/08/2014 |
Ice Hockey WA |
$400.00 |
|
|
|
|
Sponsorship For 2 x Members In Their Participation In The Kurt Defris Trophy Championship Held In Newcastle NSW 08 - 12.07.2014 |
|
|
|
00098786 |
05/08/2014 |
School Sport Western Australia Incorporated |
$200.00 |
|
|
|
|
Sponsorship For 1 x Members At The School Sport Australia National Hockey 12S Championships In Hobart 02 - 08.08.2014 |
|
|
|
00098787 |
05/08/2014 |
School Sport Western Australian Incorporated |
$400.00 |
|
|
|
|
Sponsorship For 2 x Members At The School Sport Australia National 12's Championships In Bendigo 13 - 19.09.2014 |
|
|
|
00098788 |
05/08/2014 |
AMPCSC Ocean Keys Gift Card Account |
$1,000.00 |
|
|
|
|
Gift Cards - Race In Your Rates Competition Prizes |
|
|
|
00098789 |
05/08/2014 |
Manjinder Sandhu |
$150.00 |
|
|
|
|
Hire Fee Refund |
|
|
|
00098790 |
06/08/2014 |
Harvey Norman AV/TI Superstore |
$399.00 |
|
|
|
|
Digital Camera - WRC |
|
|
|
00098791 |
06/08/2014 |
SAI Global Ltd |
$523.60 |
|
|
|
|
Desmystifing ISO Training - Waste |
|
|
|
00098792 |
06/08/2014 |
Sancrest Holdings Pty Ltd |
$1,330.00 |
|
|
|
|
Truck Driver Lessons - Alan - WRC |
|
|
|
00098793 |
06/08/2014 |
Ultimate 4wd Training |
$900.00 |
|
|
|
|
Training - Operate Light Vehicle 09.07.2014 For C Healy, P Larkin & D Rayfield - Engineering |
|
|
|
00098794 |
06/08/2014 |
Alexander Heights Day Centre Petty Cash |
$367.40 |
|
|
|
|
Petty Cash |
|
|
|
00098795 |
06/08/2014 |
Alinta Gas |
$2,280.30 |
|
|
|
|
Gas Supplies For The City |
|
|
|
|
|
3 x Financial Assistance $686.40 |
|
|
|
00098796 |
06/08/2014 |
Girrawheen Library Petty Cash |
$77.80 |
|
|
|
|
Petty Cash |
|
|
|
00098797 |
06/08/2014 |
Wanneroo Library Petty Cash |
$15.30 |
|
|
|
|
Petty Cash |
|
|
|
00098798 |
06/08/2014 |
Water Corporation |
$3,025.32 |
|
|
|
|
Water Charges For The City |
|
|
|
|
|
1 x Financial Assistance $250.00 |
|
|
|
00098799 |
06/08/2014 |
Yanchep Two Rocks Library Petty Cash |
$43.25 |
|
|
|
|
Petty Cash |
|
|
|
00098800 |
06/08/2014 |
Cancelled |
|
|
|
00098801 |
06/08/2014 |
Synergy |
$54,344.87 |
|
|
|
|
Power Supplies For The City |
|
|
|
|
|
7 x Financial Assistance $1,978.02 |
|
|
|
00098802 |
06/08/2014 |
Telstra |
$886.13 |
|
|
|
|
Phone Charges For The City |
|
|
|
|
|
2 x Financial Assistance $447.14 |
|
|
|
00098803 |
06/08/2014 |
Clarkson Library Petty Cash |
$45.45 |
|
|
|
|
Petty Cash |
|
|
|
00098804 |
06/08/2014 |
Wanneroo Adult Day Centre Petty Cash |
$108.80 |
|
|
|
|
Petty Cash |
|
|
|
00098805 |
06/08/2014 |
Finance Services Petty Cash |
$477.25 |
|
|
|
|
Petty Cash |
|
|
|
00098806 |
06/08/2014 |
Ashby Operations Centre Petty Cash |
$267.40 |
|
|
|
|
Petty Cash |
|
|
|
00098807 |
06/08/2014 |
Faye Decima Marion Morgan |
$75.00 |
|
|
|
|
Volunteer Payment - Activity Assistant At Wanneroo Day Centre |
|
|
|
00098808 |
06/08/2014 |
Insurance Advisernet Australia Pty |
$849.20 |
|
|
|
|
Liability Insurance From 01.08.14 To 01.08.15 |
|
|
|
00098809 |
06/08/2014 |
Balga Soccer & Social Club (Incorporated) |
$2,000.00 |
|
|
|
|
Kidsport Vouchers X 10 Children |
|
|
|
00098810 |
06/08/2014 |
Mrs Leanne Duffield |
$192.10 |
|
|
|
|
Reimbursement - Premiers Award Staff Lunch |
|
|
|
00098811 |
06/08/2014 |
Margaret Fonseca |
$75.00 |
|
|
|
|
Volunteer Payment - Activity Assistant At Wanneroo Adult Day Centre |
|
|
|
00098812 |
05/08/2014 |
Peter Jasinski |
$1,064.00 |
|
|
|
|
Reimbursement Of Development Application Fee Overpaid - Should Be For Building Envelope Modification |
|
|
|
00098813 |
12/08/2014 |
Sarah Butcher |
$504.00 |
|
|
|
|
Bond Refund |
|
|
|
00098814 |
12/08/2014 |
Michael Flatman |
$36.21 |
|
|
|
|
Refund - Copies Of Plan - Not Required |
|
|
|
00098815 |
12/08/2014 |
Home Group WA |
$358.31 |
|
|
|
|
Partial Refund - Codes Variation Assessment Not Required Assessment Fee Retained |
|
|
|
00098816 |
12/08/2014 |
Aveling Homes |
$419.70 |
|
|
|
|
Partial Refund - Codes Variation Assessment Not Required Assessment Fee Retained |
|
|
|
00098817 |
12/08/2014 |
Residential Building WA |
$482.73 |
|
|
|
|
Partial Refund - Codes Variation Assessment Not Required Assessment Fee Retained |
|
|
|
00098818 |
12/08/2014 |
Josh Tavener |
$48.00 |
|
|
|
|
80% Of Art Work Sales From 26.07.2014 Wanneroo Art Market |
|
|
|
00098819 |
12/08/2014 |
Kelly Fleming |
$80.00 |
|
|
|
|
80% Of Art Work Sales - 26.07.2014 Wanneroo Art Market |
|
|
|
00098820 |
12/08/2014 |
Punita Mandalia |
$200.00 |
|
|
|
|
50% Of Art Work Sales - 26.07.2014 Wanneroo Art Market |
|
|
|
00098821 |
12/08/2014 |
H & K Bhudia |
$360.00 |
|
|
|
|
Vehicle Crossing Subsidy |
|
|
|
00098822 |
12/08/2014 |
S & P McInnes |
$360.00 |
|
|
|
|
Vehicle Crossing Subsidy |
|
|
|
00098823 |
12/08/2014 |
Mehul Pratagrai Pajwani |
$360.00 |
|
|
|
|
Vehicle Crossing Subsidy |
|
|
|
00098824 |
12/08/2014 |
Ankitkumar Patel & Vidha Jasani |
$360.00 |
|
|
|
|
Vehicle Crossing Subsidy |
|
|
|
00098825 |
12/08/2014 |
Richard Route |
$360.00 |
|
|
|
|
Vehicle Crossing Subsidy |
|
|
|
00098826 |
12/08/2014 |
Samsara Developments Pty Ltd |
$360.00 |
|
|
|
|
Vehicle Crossing Subsidy |
|
|
|
00098827 |
12/08/2014 |
Debbie Leanne Dearle |
$38.00 |
|
|
|
|
Dog Registration Refund |
|
|
|
00098828 |
12/08/2014 |
Rozalia Po |
$28.32 |
|
|
|
|
Refund - Swim Lessons Term 2 2014 - Due To Illness |
|
|
|
00098829 |
12/08/2014 |
Minnie Tayler |
$37.44 |
|
|
|
|
Refund - Swim Lessons Term 2 2014 - Sickness & Pool Closures |
|
|
|
00098830 |
12/08/2014 |
AK Rondel Bray |
$94.08 |
|
|
|
|
Refund - Swim Lessons Term 3 2014 - Cancelled |
|
|
|
00098831 |
12/08/2014 |
Ventura Home Group |
$440.60 |
|
|
|
|
Partial Refund - Codes Variation Assessment Not Required Assessment Fee Retained |
|
|
|
00098832 |
12/08/2014 |
DL & DM Newton |
$303.75 |
|
|
|
|
Hire Fee Refund |
|
|
|
00098833 |
12/08/2014 |
DL & DM Newton |
$261.47 |
|
|
|
|
Hire Fee Refund |
|
|
|
00098834 |
12/08/2014 |
Melody Partington-Smith |
$504.00 |
|
|
|
|
Bonds Refund |
|
|
|
00098835 |
12/08/2014 |
Nicole Jamieson |
$504.00 |
|
|
|
|
Bond Refund |
|
|
|
00098836 |
12/08/2014 |
Andrea Sadler |
$504.00 |
|
|
|
|
Bond Refund |
|
|
|
00098837 |
12/08/2014 |
Brighton Seahawks Junior Football Club |
$810.00 |
|
|
|
|
Bond Refund |
|
|
|
00098838 |
12/08/2014 |
Karen MacDonald |
$504.00 |
|
|
|
|
Bond Refund |
|
|
|
00098839 |
12/08/2014 |
Felora Bairaghi |
$504.00 |
|
|
|
|
Bond Refund |
|
|
|
00098840 |
12/08/2014 |
Malkesh Maru |
$504.00 |
|
|
|
|
Bond Refund |
|
|
|
00098841 |
12/08/2014 |
Community Newspaper Group |
$400.00 |
|
|
|
|
Bond Refund |
|
|
|
00098842 |
12/08/2014 |
Amelie Tomlinson |
$360.00 |
|
|
|
|
Vehicle Crossing Subsidy |
|
|
|
00098843 |
12/08/2014 |
Eldrid Bradley |
$360.00 |
|
|
|
|
Vehicle Crossing Subsidy |
|
|
|
00098844 |
12/08/2014 |
Christopher McKnight |
$360.00 |
|
|
|
|
Vehicle Crossing Subsidy |
|
|
|
00098845 |
12/08/2014 |
Kenneth Langille |
$360.00 |
|
|
|
|
Vehicle Crossing Subsidy |
|
|
|
00098846 |
12/08/2014 |
LJ Hooker Two Rocks |
$450.00 |
|
|
|
|
1 x Financial Assistance |
|
|
|
00098847 |
12/08/2014 |
Stoneridge |
$999.82 |
|
|
|
|
Refund - Portion Of Fees Not Expended Assessing Amendment No 12 To The East Wanneroo Cell 5 Agreed Structure Plan |
|
|
|
00098848 |
12/08/2014 |
Rates Refund |
$246.29 |
|
|
00098849 |
12/08/2014 |
Marianne Haast |
$124.60 |
|
|
|
|
Hire Fee Refund - Over Payment Of $124.60 Butler Community Centre A3991475 |
|
|
|
00098850 |
12/08/2014 |
Concorde Resources Pty Ltd |
$544.00 |
|
|
|
|
Reimbursement Of Development Application Fees - Not Required |
|
|
|
00098851 |
12/08/2014 |
Gambetta Holdings Pty Ltd |
$147.00 |
|
|
|
|
Reimbursement Of Development Application Fees - No Application |
|
|
|
00098852 |
12/08/2014 |
Gambetta Holdings Pty Ltd |
$147.00 |
|
|
|
|
Reimbursement Of Development Application Fees - Withdrawn |
|
|
|
00098853 |
12/08/2014 |
CLE Trust Chappell Lambert Everett |
$700.00 |
|
|
|
|
Reimbursement Of Detailed Area Plan Application Fees - WAPC 147338 |
|
|
|
00098854 |
12/08/2014 |
Alinta Gas |
$913.47 |
|
|
|
|
3 x Financial Assistance |
|
|
|
00098855 |
12/08/2014 |
AMP Life Limited |
$2,444.35 |
|
|
|
|
Payroll Deductions |
|
|
|
00098856 |
12/08/2014 |
Building & Construction Industry |
$173,255.47 |
|
|
|
|
Construction Levy Payments July 2014 - Finance |
|
|
|
00098857 |
12/08/2014 |
Facility Officer WLCC Petty Cash |
$98.75 |
|
|
|
|
Petty Cash |
|
|
|
00098858 |
12/08/2014 |
Water Corporation |
$1,150.38 |
|
|
|
|
Water Charges For The City |
|
|
|
|
|
1 x Financial Assistance $225.55 |
|
|
|
00098859 |
12/08/2014 |
Cancelled |
|
|
|
00098860 |
12/08/2014 |
Cancelled |
|
|
|
00098861 |
12/08/2014 |
Cancelled |
|
|
|
00098862 |
12/08/2014 |
Synergy |
$530,683.25 |
|
|
|
|
Power Supplies For The City |
|
|
|
|
|
7 x Financial Assistance $1,650.25 |
|
|
|
|
|
Streetlights X 21999 25.06.2014 - 24.07.2014 |
|
|
|
|
|
CCTV X 5 28.06.2014 - 27.07.14 |
|
|
|
|
|
Streetlights X 135 28.06.2014 - 27.07.2014 |
|
|
|
00098863 |
12/08/2014 |
Telstra |
$300.64 |
|
|
|
|
1 X Financial Assistance |
|
|
|
00098864 |
12/08/2014 |
Navigator Applications Account |
$202.11 |
|
|
|
|
Payroll Deductions |
|
|
|
00098865 |
12/08/2014 |
Janice Lewis |
$150.00 |
|
|
|
|
Volunteer Payment - Quinns Adult Day Centre |
|
|
|
00098866 |
12/08/2014 |
Hostplus Superannuation Fund |
$3,385.86 |
|
|
|
|
Payroll Deductions |
|
|
|
00098867 |
12/08/2014 |
Australian Super |
$5,190.17 |
|
|
|
|
Payroll Deductions |
|
|
|
00098868 |
12/08/2014 |
MLC Nominees Pty Limited |
$2,511.17 |
|
|
|
|
Payroll Deductions |
|
|
|
00098869 |
12/08/2014 |
The Industry Superannuation Fund |
$451.42 |
|
|
|
|
Payroll Deductions |
|
|
|
00098870 |
12/08/2014 |
1OOF Portfolio Service Superannuation Fund |
$278.09 |
|
|
|
|
Payroll Deductions |
|
|
|
00098871 |
12/08/2014 |
Integra Super |
$335.81 |
|
|
|
|
Payroll Deductions |
|
|
|
00098872 |
12/08/2014 |
Catholic Superannuation and Retirement Fund |
$645.71 |
|
|
|
|
Payroll Deductions |
|
|
|
00098873 |
12/08/2014 |
First State Super |
$565.84 |
|
|
|
|
Payroll Deductions |
|
|
|
00098874 |
12/08/2014 |
MTAA Superannuation Fund |
$904.36 |
|
|
|
|
Payroll Deductions |
|
|
|
00098875 |
12/08/2014 |
Australiansuper |
$9,895.95 |
|
|
|
|
Payroll Deductions |
|
|
|
00098876 |
12/08/2014 |
Asgard Capital Management Ltd |
$679.46 |
|
|
|
|
Payroll Deductions |
|
|
|
00098877 |
12/08/2014 |
Unisuper Limited |
$1,485.23 |
|
|
|
|
Payroll Deductions |
|
|
|
00098878 |
12/08/2014 |
Hesta Super Fund |
$2,442.55 |
|
|
|
|
Payroll Deductions |
|
|
|
00098879 |
12/08/2014 |
Prime Super |
$388.26 |
|
|
|
|
Payroll Deductions |
|
|
|
00098880 |
12/08/2014 |
Colonial First State Firstchoice |
$2,084.51 |
|
|
|
|
Payroll Deductions |
|
|
|
00098881 |
12/08/2014 |
Care Super |
$383.92 |
|
|
|
|
Payroll Deductions |
|
|
|
00098882 |
12/08/2014 |
Spectrum Super |
$507.42 |
|
|
|
|
Payroll Deductions |
|
|
|
00098883 |
12/08/2014 |
Media Super |
$328.74 |
|
|
|
|
Payroll Deductions |
|
|
|
00098884 |
12/08/2014 |
BT Super For Life |
$2,942.92 |
|
|
|
|
Payroll Deductions |
|
|
|
00098885 |
12/08/2014 |
Telstra Superannuation Scheme |
$3,159.36 |
|
|
|
|
Payroll Deductions |
|
|
|
00098886 |
12/08/2014 |
Amist Super |
$759.90 |
|
|
|
|
Payroll Deductions |
|
|
|
00098887 |
12/08/2014 |
Valdor Superannuation Fund |
$194.88 |
|
|
|
|
Payroll Deductions |
|
|
|
00098888 |
12/08/2014 |
Health Industry Plan (Hip) |
$181.05 |
|
|
|
|
Payroll Deductions |
|
|
|
00098889 |
12/08/2014 |
Vision Super Pty Ltd |
$430.52 |
|
|
|
|
Payroll Deductions |
|
|
|
00098890 |
12/08/2014 |
Recruitmentsuper |
$1,221.48 |
|
|
|
|
Payroll Deductions |
|
|
|
00098891 |
12/08/2014 |
Macquarie Investment Management Ltd |
$157.11 |
|
|
|
|
Payroll Deductions |
|
|
|
00098892 |
12/08/2014 |
Superwrap - Personal Super Plan |
$2,462.16 |
|
|
|
|
Payroll Deductions |
|
|
|
00098893 |
12/08/2014 |
Sunsuper Pty Ltd |
$1,457.16 |
|
|
|
|
Payroll Deductions |
|
|
|
00098894 |
12/08/2014 |
Construction & Building Unions |
$428.04 |
|
|
|
|
Payroll Deductions |
|
|
|
00098895 |
12/08/2014 |
Asteron Optimum - Suncorp Master Trust |
$560.88 |
|
|
|
|
Payroll Deductions |
|
|
|
00098896 |
12/08/2014 |
ANZ Superannuation Saving Account |
$107.06 |
|
|
|
|
Payroll Deductions |
|
|
|
00098897 |
12/08/2014 |
Perpetual Wealth Focus Super Plan |
$438.32 |
|
|
|
|
Payroll Deductions |
|
|
|
00098898 |
12/08/2014 |
Statewide Superannuation Trust |
$517.90 |
|
|
|
|
Payroll Deductions |
|
|
|
00098899 |
12/08/2014 |
OnePath Life Limited |
$142.09 |
|
|
|
|
Payroll Deductions |
|
|
|
00098900 |
12/08/2014 |
IHS Superannuation Fund |
$113.43 |
|
|
|
|
Payroll Deductions |
|
|
|
00098901 |
12/08/2014 |
AXA Australia |
$451.42 |
|
|
|
|
Payroll Deductions |
|
|
|
00098902 |
12/08/2014 |
Bendigo & Adelaide Bank Staff |
$497.94 |
|
|
|
|
Payroll Deductions |
|
|
|
00098903 |
12/08/2014 |
Victorian Superannuation Fund |
$502.51 |
|
|
|
|
Payroll Deductions |
|
|
|
00098904 |
12/08/2014 |
Matrix Superannuation Master Trust |
$635.40 |
|
|
|
|
Payroll Deductions |
|
|
|
00098905 |
12/08/2014 |
The Trustee for Tindari Self Managed Superannuation Fund |
$529.31 |
|
|
|
|
Payroll Deductions |
|
|
|
00098906 |
12/08/2014 |
The Trustee For Legalsuper |
$1,015.77 |
|
|
|
|
Payroll Deductions |
|
|
|
00098907 |
12/08/2014 |
TWU Super Fund |
$438.32 |
|
|
|
|
Payroll Deductions |
|
|
|
00098908 |
12/08/2014 |
The Universal Super Scheme |
$381.82 |
|
|
|
|
Payroll Deductions |
|
|
|
00098909 |
12/08/2014 |
Mrs Jodie Goodwin |
$210.00 |
|
|
|
|
Reimbursement - Austswim Requalification To Maintain Employment With The Swim School |
|
|
|
00098910 |
12/08/2014 |
Town of Cambridge |
$7.80 |
|
|
|
|
Lost Book Charges - Libraries |
|
|
|
00098911 |
12/08/2014 |
Cr F Cvitan |
$2,575.00 |
|
|
|
|
Monthly Allowance |
|
|
|
00098912 |
12/08/2014 |
Cr D M Newton |
$4,315.62 |
|
|
|
|
Monthly Allowance |
|
|
|
00098913 |
12/08/2014 |
Triquetra Catering Pty Ltd |
$1,166.00 |
|
|
|
|
Catering - Lunch For Social Support Xmas In July - Funded Services |
|
|
|
00098914 |
19/08/2014 |
Ventura Home Group Pty Ltd |
$549.80 |
|
|
|
|
Reimbursement Of Development Application Fees - Not Required |
|
|
|
00098915 |
19/08/2014 |
Adil Ashami |
$165.00 |
|
|
|
|
Hire Fee Refund |
|
|
|
00098916 |
19/08/2014 |
Rates Refund |
$2,987.68 |
|
|
00098917 |
19/08/2014 |
Rates Refund |
$2,877.48 |
|
|
00098918 |
19/08/2014 |
Electrical Industrial Wholesalers |
$101.13 |
|
|
|
|
Refund - Overpayment Of Commercial Waste Account |
|
|
|
00098919 |
19/08/2014 |
Limelight Theatre |
$270.40 |
|
|
|
|
Refund - Overpayment Of Commercial Waste Account |
|
|
|
00098920 |
19/08/2014 |
Cruiser Parts |
$26.42 |
|
|
|
|
Refund - Overpayment Of Commercial Waste Account |
|
|
|
00098921 |
19/08/2014 |
New Life Kitchens |
$103.55 |
|
|
|
|
Refund - Overpayment Of Commercial Waste Account |
|
|
|
00098922 |
19/08/2014 |
Prime Projects Construction Pty Ltd |
$5,984.32 |
|
|
|
|
Bond Refund Lots 306 & 307 Kemp Street Lots 311 & 312 Merlow Way WAPC 53-13 |
|
|
|
00098923 |
19/08/2014 |
Warwick Grove Medical Centre |
$65.00 |
|
|
|
|
Refund - Overpayment Of Commercial Waste Account |
|
|
|
00098924 |
19/08/2014 |
Teale Automotive Repairs |
$28.68 |
|
|
|
|
Refund - Overpayment Of Commercial Waste Account |
|
|
|
00098925 |
19/08/2014 |
Solahart Joondalup |
$122.40 |
|
|
|
|
Refund - Overpayment Of Commercial Waste Account |
|
|
|
00098926 |
19/08/2014 |
Eden Outdoor Living |
$46.47 |
|
|
|
|
Refund - Overpayment Of Commercial Waste Account |
|
|
|
00098927 |
19/08/2014 |
Nida Technology |
$133.98 |
|
|
|
|
Refund - Overpayment Of Commercial Waste Account |
|
|
|
00098928 |
19/08/2014 |
Cracked Wheat Bakery |
$98.02 |
|
|
|
|
Refund - Overpayment Of Commercial Waste Account |
|
|
|
00098929 |
19/08/2014 |
Toy Central |
$52.00 |
|
|
|
|
Refund - Overpayment Of Commercial Waste Account |
|
|
|
00098930 |
19/08/2014 |
Contact Power |
$157.35 |
|
|
|
|
Refund - Overpayment Of Commercial Waste Account |
|
|
|
00098931 |
19/08/2014 |
N Smith |
$360.00 |
|
|
|
|
Vehicle Crossing Subsidy |
|
|
|
00098932 |
19/08/2014 |
Cancer Council WA |
$5,000.00 |
|
|
|
|
Sponsorship - Cancer Council Relay For Life Joondalup Wanneroo At HBF Arena 18 - 19.10.2014 |
|
|
|
00098933 |
19/08/2014 |
L Knight |
$90.00 |
|
|
|
|
Hire Fee Refund |
|
|
|
00098934 |
19/08/2014 |
I Lettner |
$360.00 |
|
|
|
|
Vehicle Crossing Subsidy |
|
|
|
00098935 |
19/08/2014 |
J Mandaliya |
$360.00 |
|
|
|
|
Vehicle Crossing Subsidy |
|
|
|
00098936 |
19/08/2014 |
K Cross |
$360.00 |
|
|
|
|
Vehicle Crossing Subsidy |
|
|
|
00098937 |
19/08/2014 |
A Marshall |
$15.00 |
|
|
|
|
Refund - Armadale Reptile Park - Unable To Attend - Gold Program |
|
|
|
00098938 |
19/08/2014 |
CLE Town Planning & Design |
$610.75 |
|
|
|
|
Refund Of Portion Fees Not Expended Assessing Amendment No.2 To Tamala Park Agreed Structure Plan No.79 |
|
|
|
00098939 |
19/08/2014 |
Violet Beauregarde Pty Ltd |
$142.20 |
|
|
|
|
Refund - Overpayment Of Commercial Waste Account |
|
|
|
00098940 |
19/08/2014 |
Rates Refund |
$346.42 |
|
|
00098941 |
19/08/2014 |
Rates Refund |
$408.42 |
|
|
00098942 |
19/08/2014 |
Rates Refund |
$704.39 |
|
|
00098943 |
19/08/2014 |
P & H Fresh Produce |
$48.08 |
|
|
|
|
Refund - Overpayment Of Commercial Waste Account |
|
|
|
00098944 |
19/08/2014 |
Rates Refund |
$3,790.23 |
|
|
00098945 |
19/08/2014 |
TDC Decorative Concrete |
$50.00 |
|
|
|
|
Refund - Overpayment Of Commercial Waste Account |
|
|
|
00098946 |
19/08/2014 |
Lawtec Electrical Pty Ltd |
$52.09 |
|
|
|
|
Refund - Overpayment Of Commercial Waste Account |
|
|
|
00098947 |
19/08/2014 |
Cecilia Anderson |
$787.50 |
|
|
|
|
Bond Refund |
|
|
|
00098948 |
19/08/2014 |
Melissa Nicol |
$504.00 |
|
|
|
|
Bond Refund |
|
|
|
00098949 |
19/08/2014 |
Burhanullah Yawary |
$504.00 |
|
|
|
|
Bond Refund |
|
|
|
00098950 |
19/08/2014 |
Bradley Stanley |
$787.50 |
|
|
|
|
Bond Refund |
|
|
|
00098951 |
19/08/2014 |
Jeancy Ngombe |
$810.00 |
|
|
|
|
Bond Refund |
|
|
|
00098952 |
19/08/2014 |
Joanne Brooker |
$810.00 |
|
|
|
|
Bond Refund |
|
|
|
00098953 |
19/08/2014 |
Spring Hill Primary School |
$787.50 |
|
|
|
|
Bond Refund |
|
|
|
00098954 |
19/08/2014 |
Christell Lotriet |
$520.00 |
|
|
|
|
Bond Refund |
|
|
|
00098955 |
19/08/2014 |
Michelle Powell |
$504.00 |
|
|
|
|
Bond Refund |
|
|
|
00098956 |
19/08/2014 |
Lidia Domingues |
$520.00 |
|
|
|
|
Bond Refund |
|
|
|
00098957 |
19/08/2014 |
Laurel Knight |
$520.00 |
|
|
|
|
Bond Refund |
|
|
|
00098958 |
19/08/2014 |
Collins Restaurants West Pty Ltd |
$20.00 |
|
|
|
|
Refund For Overpayment Of Food Premises Annual Renewal - Incorrect Amount Charged - KFC Clarkson & Girrawheen |
|
|
|
00098959 |
19/08/2014 |
Barry Oxley |
$14.00 |
|
|
|
|
Refund For Overpayment Of Food Premises Annual Renewal Incorrect Amount Charged - Bakers Delight Clarkson & Merriwa |
|
|
|
00098960 |
19/08/2014 |
Mimi Lu |
$119.25 |
|
|
|
|
Hire Fee Refund |
|
|
|
00098961 |
19/08/2014 |
Rates Refund |
$25.97 |
|
|
00098962 |
19/08/2014 |
Rates Refund |
$1,523.20 |
|
|
00098963 |
19/08/2014 |
Wanneroo Friendlies |
$37.00 |
|
|
|
|
1 x Financial Assistance |
|
|
|
00098964 |
19/08/2014 |
Fuze Connect |
$200.00 |
|
|
|
|
1 x Financial Assistance |
|
|
|
00098965 |
19/08/2014 |
Rates Refund |
$16,000.00 |
|
|
00098966 |
19/08/2014 |
Rates Refund |
$1,750.91 |
|
|
00098967 |
19/08/2014 |
Nicole Connell |
$390.00 |
|
|
|
|
1 x Financial Assistance |
|
|
|
00098968 |
19/08/2014 |
Remax Extreme |
$500.00 |
|
|
|
|
1 x Financial Assistance |
|
|
|
00098969 |
19/08/2014 |
C Harland |
$720.00 |
|
|
|
|
Vehicle Crossing Subsidy |
|
|
|
00098970 |
19/08/2014 |
M Hill |
$360.00 |
|
|
|
|
Vehicle Crossing Subsidy |
|
|
|
00098971 |
19/08/2014 |
Rates Refund |
$595.00 |
|
|
00098972 |
19/08/2014 |
Rates Refund |
$97.41 |
|
|
00098973 |
19/08/2014 |
Precision Built Homes |
$800.00 |
|
|
|
|
Reimbursement Of Development Application Fees - Not Required |
|
|
|
00098974 |
19/08/2014 |
Jacob McCombie |
$480.00 |
|
|
|
|
Reimbursement Of Development Application Fees - Not Required |
|
|
|
00098975 |
19/08/2014 |
C Beadman |
$30.00 |
|
|
|
|
Dog Registration Refund - Sterilised |
|
|
|
00098976 |
19/08/2014 |
Kids Inn Childcare Pty Ltd |
$10.00 |
|
|
|
|
Refund For Overpayment Of Food Premises Annual Renewal |
|
|
|
00098977 |
19/08/2014 |
Armadale Reptile Centre |
$516.00 |
|
|
|
|
Entry Fees - Gold Program |
|
|
|
00098978 |
19/08/2014 |
St John Ambulance of Australia |
$272.00 |
|
|
|
|
1 x Financial Assistance |
|
|
|
00098979 |
19/08/2014 |
Vip Curtains & Blinds |
$6,090.00 |
|
|
|
|
Supply/Install Curtains - Clarkson |
|
|
|
00098980 |
19/08/2014 |
Alinta Gas |
$16,720.55 |
|
|
|
|
Gas Supplies For The City |
|
|
|
|
|
5 X Financial Assistance $1,213.15 |
|
|
|
00098981 |
19/08/2014 |
Fines Enforcement Registry |
$1,724.00 |
|
|
|
|
Lodgement Of 37 Infringement Notice Records - Regulatory Services |
|
|
|
00098982 |
19/08/2014 |
Stephen Napier Freeborn |
$60.00 |
|
|
|
|
Volunteer Payment - Support Worker |
|
|
|
00098983 |
19/08/2014 |
Mr Evan Martin |
$267.25 |
|
|
|
|
Keyholder Payment |
|
|
|
00098984 |
19/08/2014 |
Optus |
$245.69 |
|
|
|
|
2 x Financial Assistance |
|
|
|
00098985 |
19/08/2014 |
Cancelled |
|
|
|
00098986 |
19/08/2014 |
Water Corporation |
$10,695.10 |
|
|
|
|
Water Charges For The City |
|
|
|
|
|
4 x Financial Assistance $721.14 |
|
|
|
00098987 |
19/08/2014 |
Cancelled |
|
|
|
00098988 |
19/08/2014 |
Cancelled |
|
|
|
00098989 |
19/08/2014 |
Synergy |
$6,344.15 |
|
|
|
|
Power Supplies For The City |
|
|
|
|
|
4 x Financial Assistance $1,031.25 |
|
|
|
00098990 |
19/08/2014 |
Telstra |
$24,547.93 |
|
|
|
|
Phone Charges For The City |
|
|
|
|
|
1 x Financial Assistance $150.00 |
|
|
|
00098991 |
19/08/2014 |
Mrs Jennifer Martin |
$235.20 |
|
|
|
|
Keyholder/Tennis Booking Officer Payment |
|
|
|
00098992 |
19/08/2014 |
Rest Superannuation |
$10,679.24 |
|
|
|
|
Payroll Deductions |
|
|
|
00098993 |
19/08/2014 |
Finance Services Petty Cash |
$490.50 |
|
|
|
|
Petty Cash |
|
|
|
00098994 |
19/08/2014 |
Maureen Butler |
$60.00 |
|
|
|
|
Volunteer Payment - Adult Care Centre |
|
|
|
00098995 |
19/08/2014 |
Ms Jodie Walter |
$106.90 |
|
|
|
|
Keyholder Payment |
|
|
|
00098996 |
19/08/2014 |
Ms Venetia Donnellan |
$208.50 |
|
|
|
|
Keyholder/Tennis Booking Officer Payment |
|
|
|
00098997 |
19/08/2014 |
Mrs Kim Forrestal |
$80.20 |
|
|
|
|
Keyholder Payment |
|
|
|
00098998 |
19/08/2014 |
Geoffrey Bottomley |
$160.40 |
|
|
|
|
Keyholder Payment |
|
|
|
00098999 |
19/08/2014 |
Western Flames Ice Racing Club Incorporated |
$185.00 |
|
|
|
|
Kidsport Voucher 1 x Child |
|
|
|
00099000 |
25/08/2014 |
Altronic Distributors |
$256.63 |
|
|
|
|
Spare Parts For Fleet |
|
|
|
00099001 |
25/08/2014 |
Ariens Company Pty Limited |
$31.15 |
|
|
|
|
Mower Spare Parts - Fleet |
|
|
|
00099002 |
25/08/2014 |
Australian Institute of Food Science |
$209.00 |
|
|
|
|
WA Food For Thought Workshop 22.08.2014 - Katy Trevaskis |
|
|
|
00099003 |
25/08/2014 |
Cooldrive Distribution |
$93.71 |
|
|
|
|
Various Parts - Fleet |
|
|
|
00099004 |
25/08/2014 |
Harvey Norman AV/TI Superstore |
$1,164.00 |
|
|
|
|
IPad Air Cellular - IT |
|
|
|
|
|
Cordless Phone - Funded Services |
|
|
|
00099005 |
25/08/2014 |
Neil Simpson |
$80.00 |
|
|
|
|
Entertainment For 18.08.2014 - Wanneroo Day Club - Funded Services |
|
|
|
00099006 |
25/08/2014 |
Paddington Medical Centre |
$297.00 |
|
|
|
|
Pre Employment Medical - HR |
|
|
|
00099007 |
25/08/2014 |
Portner Press Pty Ltd |
$529.00 |
|
|
|
|
Health & Safety 2014 Update 5 - OSH |
|
|
|
00099008 |
25/08/2014 |
RAC Motoring & Services Pty Ltd |
$90.00 |
|
|
|
|
Call Out - Puncture - WN33588 - Fleet |
|
|
|
00099009 |
25/08/2014 |
Repco Auto Parts |
$165.69 |
|
|
|
|
Spare Parts For Fleet |
|
|
|
00099010 |
25/08/2014 |
Repco Auto Parts & Accessories |
$22.00 |
|
|
|
|
Spare Parts For Fleet |
|
|
|
00099011 |
25/08/2014 |
Shire of Kalamunda |
$14.30 |
|
|
|
|
Lost/Damaged Book Stock - Libraries |
|
|
|
00099012 |
25/08/2014 |
State Library of WA |
$3,424.30 |
|
|
|
|
Lost/Damaged Book Charges |
|
|
|
00099013 |
25/08/2014 |
Stephen McKee |
$3,540.00 |
|
|
|
|
Remove Asbestos At Various Locations - Waste |
|
|
|
|
|
Remove & Replace Fence Sheets At Various Locations - Waste |
|
|
|
|
|
Remove/Replace Gutter At Various Locations - Waste |
|
|
|
|
|
Remove/Replace Stop Tap At Jedburgh - Waste |
|
|
|
|
|
Remove Oil Stains At Tocal Court - Waste |
|
|
|
00099014 |
26/08/2014 |
Rates Refund |
$417.97 |
|
|
00099015 |
26/08/2014 |
Rates Refund |
$5,208.81 |
|
|
00099016 |
26/08/2014 |
Rates Refund |
$782.66 |
|
|
00099017 |
26/08/2014 |
Rates Refund |
$65.43 |
|
|
00099018 |
26/08/2014 |
Rates Refund |
$1,373.90 |
|
|
00099019 |
26/08/2014 |
Rates Refund |
$1,343.21 |
|
|
00099020 |
26/08/2014 |
Rates Refund |
$450.00 |
|
|
00099021 |
26/08/2014 |
Sondos Mohamad |
$504.00 |
|
|
|
|
Bond Refund |
|
|
|
00099022 |
26/08/2014 |
Melinda Niupalau |
$520.00 |
|
|
|
|
Bond Refund |
|
|
|
00099023 |
26/08/2014 |
Quinns District Amateur Football |
$787.50 |
|
|
|
|
Bond Refund |
|
|
|
00099024 |
26/08/2014 |
Benezual Mohamed |
$504.00 |
|
|
|
|
Bond Refund |
|
|
|
00099025 |
26/08/2014 |
Ngoc Dang & Quyen Vu |
$360.00 |
|
|
|
|
Vehicle Crossing Subsidy |
|
|
|
00099026 |
26/08/2014 |
Salih Ramazan |
$360.00 |
|
|
|
|
Vehicle Crossing Subsidy |
|
|
|
00099027 |
26/08/2014 |
Clare Amos |
$360.00 |
|
|
|
|
Vehicle Crossing Subsidy |
|
|
|
00099028 |
26/08/2014 |
D'arcy Hull & Aleecia Hull |
$360.00 |
|
|
|
|
Vehicle Crossing Subsidy |
|
|
|
00099029 |
26/08/2014 |
Salih Ramazan |
$360.00 |
|
|
|
|
Vehicle Crossing Subsidy |
|
|
|
00099030 |
26/08/2014 |
Rachel Orr |
$181.44 |
|
|
|
|
Refund - Swim Lessons Term 2 2014 - Could Not Continue |
|
|
|
00099031 |
26/08/2014 |
Michael Calleja |
$10.00 |
|
|
|
|
Refund - Senior Self Defence - Gold Program |
|
|
|
00099032 |
26/08/2014 |
Doanh Kinh Le |
$360.00 |
|
|
|
|
Vehicle Crossing Subsidy |
|
|
|
00099033 |
26/08/2014 |
Acton West Coast |
$45.58 |
|
|
|
|
1 x Financial Assistance |
|
|
|
00099034 |
26/08/2014 |
Lend Lease Community (Alkimos) Pty Ltd |
$245.00 |
|
|
|
|
Reimbursement Of Surplus Subdivision Clearance Fees Against WAPC 148980 DP 403197 |
|
|
|
00099035 |
26/08/2014 |
West Coast Real Estate |
$173.01 |
|
|
|
|
1 x Financial Assistance |
|
|
|
00099036 |
26/08/2014 |
Redink Homes |
$924.41 |
|
|
|
|
Partial Refund Of Codes Variation Fee Not Required - 1 Hour Assessment Fee Retained |
|
|
|
00099037 |
26/08/2014 |
S English |
$725.14 |
|
|
|
|
Mowing Operations Flicked Debris Into Vehicle WN33389 - Insurance Services |
|
|
|
00099038 |
26/08/2014 |
M Edwards |
$136.00 |
|
|
|
|
Refund Of Miniature Pig Registration Fee Paid 08.08.2014 Due To Relocation Of Animal From Address One Day After Payment - No Longer In City Of Wanneroo |
|
|
|
00099039 |
26/08/2014 |
S & D Smith |
$360.00 |
|
|
|
|
Vehicle Crossing Subsidy |
|
|
|
00099040 |
26/08/2014 |
P Street |
$360.00 |
|
|
|
|
Vehicle Crossing Subsidy |
|
|
|
00099041 |
26/08/2014 |
S & C Cresswell |
$360.00 |
|
|
|
|
Vehicle Crossing Subsidy |
|
|
|
00099042 |
26/08/2014 |
H Davies |
$360.00 |
|
|
|
|
Vehicle Crossing Subsidy |
|
|
|
00099043 |
26/08/2014 |
Angie Beck |
$400.00 |
|
|
|
|
80% Of Art Works Sold During Telling Stories Of People & Place Art Exhibition - WLCC - 01.08.2014 - 10.08.2014 |
|
|
|
00099044 |
26/08/2014 |
Pam Annesley |
$240.00 |
|
|
|
|
80% Of Art Works Sold During Telling Stories Of People & Place Art Exhibition - WLCC - 01.08.2014 - 10.08.2014 |
|
|
|
00099045 |
26/08/2014 |
Guardian Property & Asset Management |
$445.00 |
|
|
|
|
1 x Financial Assistance |
|
|
|
00099046 |
26/08/2014 |
Rates Refund |
$316.48 |
|
|
00099047 |
26/08/2014 |
Rates Refund |
$314.16 |
|
|
00099048 |
26/08/2014 |
Rates Refund |
$280.91 |
|
|
00099049 |
26/08/2014 |
Rates Refund |
$632.59 |
|
|
00099050 |
26/08/2014 |
Rates Refund |
$655.26 |
|
|
00099051 |
26/08/2014 |
Rates Refund |
$322.66 |
|
|
00099052 |
26/08/2014 |
Child and Adolescent Community Health |
$560.00 |
|
|
|
|
Refund Of Facility Hire |
|
|
|
00099053 |
26/08/2014 |
Wanneroo Rugby 2015 Tour To NZ |
$787.50 |
|
|
|
|
Bond Refund |
|
|
|
00099054 |
26/08/2014 |
Greyhound Christian Soccer Club Incorporated |
$24.00 |
|
|
|
|
Hire Fee Refund |
|
|
|
00099055 |
26/08/2014 |
D Windt |
$103.68 |
|
|
|
|
Refund - Swim Lesson Term 3 2014 Unwell With Medical Certificate Supplied |
|
|
|
00099056 |
26/08/2014 |
A Walton |
$75.52 |
|
|
|
|
Refund - Swim Lesson Term 2 2014 Cancelled Due To Medical Circumstances |
|
|
|
00099057 |
26/08/2014 |
L Barrett |
$360.00 |
|
|
|
|
Vehicle Crossing Subsidy |
|
|
|
00099058 |
26/08/2014 |
E McCaig |
$8.00 |
|
|
|
|
80% Of Art Works Sold During Telling Stories Of People & Place Art Exhibition - WLCC - 01.08.2014 - 10.08.2014 |
|
|
|
00099059 |
26/08/2014 |
Alinta Gas |
$625.70 |
|
|
|
|
4 x Financial Assistance |
|
|
|
00099060 |
26/08/2014 |
Girrawheen Library Petty Cash |
$226.95 |
|
|
|
|
Petty Cash |
|
|
|
00099061 |
26/08/2014 |
Wanneroo Library Petty Cash |
$71.70 |
|
|
|
|
Petty Cash |
|
|
|
00099062 |
26/08/2014 |
Wanneroo Youth Centre Petty Cash |
$126.55 |
|
|
|
|
Petty Cash |
|
|
|
00099063 |
26/08/2014 |
Water Corporation |
$1,998.36 |
|
|
|
|
Water Charges For The City |
|
|
|
00099064 |
26/08/2014 |
Cancelled |
|
|
|
00099065 |
26/08/2014 |
Synergy |
$8,117.60 |
|
|
|
|
Power Supplies For The City |
|
|
|
|
|
8 x Financial Assistance $2.175.40 |
|
|
|
00099066 |
26/08/2014 |
Telstra |
$6,263.32 |
|
|
|
|
Phone Charges For The City |
|
|
|
00099067 |
26/08/2014 |
Clarkson Library Petty Cash |
$28.10 |
|
|
|
|
Petty Cash |
|
|
|
00099068 |
26/08/2014 |
Girl Guides WA Incorporated |
$400.00 |
|
|
|
|
Kidsport Voucher X 2 Children |
|
|
|
00099069 |
26/08/2014 |
Mr Terence Williams |
$285.00 |
|
|
|
|
Volunteer Payment - Community Bus Driver |
|
|
|
00099070 |
26/08/2014 |
Margot Helene Helbig |
$60.00 |
|
|
|
|
Easy Moving Lesson - Funded |
|
|
|
00099071 |
26/08/2014 |
Morley Bulldogs Junior Football Club |
$200.00 |
|
|
|
|
Kidsport Voucher X 1 Child |
|
|
|
00099072 |
26/08/2014 |
Synergy |
$3,607.50 |
|
|
|
|
Power Supplies For The City |
|
|
|
|
|
|
|
|
|
|
|
Total Director Corporate Services Advance - Cheques |
$1,099,656.40 |
|
|
|
|
|
|
|
|
ELECTRONIC FUNDS TRANSFER |
||||
|
00002017 |
05/08/2014 |
|
|
|
|
|
|
Lycopodium Infrastructure Pty Ltd |
$26,378.83 |
|
|
|
|
Progress Claim 2 - Consultancy Services - Detailed Design & Documentation Of Flynn Drive Neerabup Stage 2 - Projects |
|
|
|
|
|
Marfleet Distributing Co. Pty Ltd |
$407.00 |
|
|
|
|
Spare Parts For Fleet |
|
|
|
|
|
|
|
|
|
00002018 |
05/08/2014 |
|
|
|
|
|
|
A03 Independent Computer Search Pty Ltd |
$949.00 |
|
|
|
|
Deskphones X 2 - IT |
|
|
|
|
|
Advanced Nursery |
$48.00 |
|
|
|
|
Plants - Parks |
|
|
|
|
|
Aquatic Agency |
$2,395.80 |
|
|
|
|
Puzzle Steps - Aquamotion |
|
|
|
|
|
Beilby Corporation |
$14,652.00 |
|
|
|
|
Professional Services - Assignment of Director Planning & Sustainability |
|
|
|
|
|
BP Australia Ltd |
$5,588.00 |
|
|
|
|
Waste Oil - Stores |
|
|
|
|
|
Cabcharge |
$1,086.18 |
|
|
|
|
Cabcharge Services For The City |
|
|
|
|
|
Centre For Pavement Engineering Education |
$990.00 |
|
|
|
|
Training - Maintenance & Rehabilitation Understanding & Evaluating Options For O Qasem - Projects |
|
|
|
|
|
Cleanaway |
$115,952.82 |
|
|
|
|
Diverted Material Transport Costs - WRC |
|
|
|
|
|
Truck Hire June 2014 - WRC |
|
|
|
|
|
Cycle Link Australia Pty Ltd |
$4,820.00 |
|
|
|
|
Refund Of Bank Deposit WRC Cycle Link Balance Of Bank Deposit For Commodity Round 54 |
|
|
|
|
|
Data #3 Limited |
$785.24 |
|
|
|
|
Computer Software - IT |
|
|
|
|
|
Davey Glass |
$1,801.47 |
|
|
|
|
Glazing Services For The City |
|
|
|
|
|
Direct Communications |
$331.43 |
|
|
|
|
Labour Fee - Testing To Radios - Fire Services |
|
|
|
|
|
Dowsing Concrete |
$2,373.89 |
|
|
|
|
Concrete Mix - Manchester Drive - Engineering |
|
|
|
|
|
Drainflow Services Pty Ltd |
$352.00 |
|
|
|
|
Sweeping/Educting - Hainsworth Skate Bowl - Parks |
|
|
|
|
|
Drive In Electrics |
$79.60 |
|
|
|
|
Repair Lights To WN 33163 - Fleet |
|
|
|
|
|
Dunbar Services (WA) Pty Ltd |
$33.00 |
|
|
|
|
Filter Change X 5 - Building Maintenance |
|
|
|
|
|
Environmental Industries Pty Ltd |
$4,114.00 |
|
|
|
|
Mowing - Enterprise Park - Parks |
|
|
|
|
|
Mowing - Alexander Park - Parks |
|
|
|
|
|
Essential Fire Services |
$430.10 |
|
|
|
|
Attend To Fire Services Fault - Cockman House - Building Maintenance |
|
|
|
|
|
Gecko Contracting Turf & Landscape Maintenance |
$7,051.00 |
|
|
|
|
Streetscape Maintenance At Various Locations - Parks |
|
|
|
|
|
Pruning To Wanneroo Road Verge - Parks |
|
|
|
|
|
Gentronics |
$52.15 |
|
|
|
|
Spare Parts For Fleet |
|
|
|
|
|
Geoff's Tree Service Pty Ltd |
$824.74 |
|
|
|
|
Tree Surgeon For Hester Avenue - Projects |
|
|
|
|
|
Harmer News Pty Ltd |
$56.60 |
|
|
|
|
Newspapers/Periodicals - Marketing |
|
|
|
|
|
Hendercare |
$929.89 |
|
|
|
|
Support Services HACC/CACP Clients |
|
|
|
|
|
Homecare Options |
$14,686.29 |
|
|
|
|
Support Services HACC/CACP Clients |
|
|
|
|
|
J.H. Fluid Transfer Solutions Private Limited |
$1,178.35 |
|
|
|
|
Vehicle Hoses For Fleet Maintenance |
|
|
|
|
|
KDAire Mechanical Services |
$1,616.45 |
|
|
|
|
Airconditioning Maintenance For The City |
|
|
|
|
|
Kmart Australia Limited (Wanneroo) |
$75.00 |
|
|
|
|
Microwave For Merriwa Financial Counselling Office - Funded Services |
|
|
|
|
|
Kott Gunning |
$4,180.52 |
|
|
|
|
Legal Fees For Leasing & Land |
|
|
|
|
|
L & T Venables Pty Ltd |
$154.36 |
|
|
|
|
Spare Parts For Fleet |
|
|
|
|
|
Laundry Express |
$317.79 |
|
|
|
|
Cleaning Of Linen - Communication & Events |
|
|
|
|
|
Marketforce Express Pty Ltd |
$205.04 |
|
|
|
|
Advertising Of Green Waste - Waste |
|
|
|
|
|
Mayday Earthmoving |
$1,777.60 |
|
|
|
|
Heavy Equipment Hire For The City |
|
|
|
|
|
McLeods Barristers And Solicitors |
$3,758.37 |
|
|
|
|
Legal Fees For Property |
|
|
|
|
|
Metrocount |
$203.50 |
|
|
|
|
Heavy Duty Bitumen Road Tape - Asset Management |
|
|
|
|
|
Mindarie Regional Council |
$427,293.81 |
|
|
|
|
Refuse Disposal For The City |
|
|
|
|
|
Msc Safe Co. |
$715.00 |
|
|
|
|
Service Call & Reset 4 Digital Locks - Communication & Events |
|
|
|
|
|
Natural Area Holdings Pty Ltd |
$6,727.60 |
|
|
|
|
Final Claim - Propagation Of Tubestock For Various Locations - Projects |
|
|
|
|
|
OCP Sales - Omnific Enterprises P/L |
$1,448.69 |
|
|
|
|
Submersible Speaker Microphone - Fire Services |
|
|
|
|
|
Office Cleaning Experts |
$2,376.00 |
|
|
|
|
Cleaning Services For The City |
|
|
|
|
|
Paper Recycling Industries |
$231.00 |
|
|
|
|
Recycling Bin Exchange - IT |
|
|
|
|
|
Phoenix Motors of Wanneroo |
$358.35 |
|
|
|
|
Service - WN33509 - Fleet |
|
|
|
|
|
Programmed Integrated Workforce |
$71,110.67 |
|
|
|
|
Casual Labour For The City |
|
|
|
|
|
Protector Alsafe |
$1,170.84 |
|
|
|
|
Various Items - Fire Services |
|
|
|
|
|
Road Signs Australia |
$407.00 |
|
|
|
|
Caution Chemical Spraying In Progress - Parks |
|
|
|
|
|
Scotts Trimming Service |
$242.00 |
|
|
|
|
Replace Hood Lining - Fleet |
|
|
|
|
|
Squire Sanders (AU) |
$16,250.63 |
|
|
|
|
Legal Fees For The City |
|
|
|
|
|
Subway Wanneroo |
$510.50 |
|
|
|
|
Catering - Prescribed Burns - Fire Services |
|
|
|
|
|
Swan Towing Services Pty Ltd |
$1,496.00 |
|
|
|
|
Towing Services - Fleet |
|
|
|
|
|
Truck Centre WA Pty Ltd |
$412.09 |
|
|
|
|
Service To Truck - Fleet |
|
|
|
|
|
WA Iveco |
$923.75 |
|
|
|
|
Service To WN32640 - Fleet |
|
|
|
|
|
WA Library Supplies |
$2,549.76 |
|
|
|
|
Stationery Items - Libraries |
|
|
|
|
|
WA Local Government Association |
$880.00 |
|
|
|
|
Advertising - Asset Management |
|
|
|
|
|
WA Machinery Glass |
$484.00 |
|
|
|
|
Supply/Install Windscreen To WN33163 - Fleet |
|
|
|
|
|
Wanneroo Electric |
$3,332.45 |
|
|
|
|
Electrical Maintenance For The City |
|
|
|
|
|
West Coast Radiators |
$739.99 |
|
|
|
|
Spare Parts For Fleet |
|
|
|
|
|
West-Sure Group Pty Ltd |
$134.86 |
|
|
|
|
Cash Collection For June 2014 - Civic Centre |
|
|
|
|
|
WR Fiber Australia Pty Ltd |
$1,821.71 |
|
|
|
|
Refund Of Bank Deposit WRC Refund Of Bank Deposit Balance From Round 54 |
|
|
|
|
|
Wurths Australia Pty Ltd |
$47.18 |
|
|
|
|
Spare Parts For Stores |
|
|
|
|
|
|
|
|
|
00002019 |
06/08/2014 |
|
|
|
|
|
|
Andy Heerkens |
$260.00 |
|
|
|
|
Volunteer Payment - Community Bus Driver |
|
|
|
|
|
Anne Condo |
$45.00 |
|
|
|
|
Volunteer Payment - Activity Assistant At Wanneroo Day Centre |
|
|
|
|
|
Australia Post |
$8,336.25 |
|
|
|
|
Mail Charges For The City |
|
|
|
|
|
Australian Manufacturing Workers Union |
$304.20 |
|
|
|
|
Payroll Deduction |
|
|
|
|
|
Australian Services Union |
$782.60 |
|
|
|
|
Payroll Deduction |
|
|
|
|
|
Australian Taxation Office |
$488,953.00 |
|
|
|
|
Payroll Deduction |
|
|
|
|
|
CFMEU |
$90.00 |
|
|
|
|
Payroll Deduction |
|
|
|
|
|
Child Support Agency |
$2,157.79 |
|
|
|
|
Payroll Deduction |
|
|
|
|
|
City of Wanneroo |
$28,131.29 |
|
|
|
|
Refund Money Held In Trust - WRC Commodities From Round 54 |
|
|
|
|
|
City of Wanneroo - Payroll Rates |
$4,177.00 |
|
|
|
|
Payroll Deduction |
|
|
|
|
|
City of Wanneroo - Social Club |
$860.00 |
|
|
|
|
Payroll Deduction |
|
|
|
|
|
Cr Robert Smithson |
$300.00 |
|
|
|
|
Reimbursement - Corporate Apparel |
|
|
|
|
|
Crosbie & Duncan Golf |
$33,985.13 |
|
|
|
|
Commission Fees For Carramar Golf Course - Property |
|
|
|
|
|
Dale Sutherland |
$45.00 |
|
|
|
|
Volunteer Payment - Adult Day Centre |
|
|
|
|
|
Department of Planning |
$150.00 |
|
|
|
|
DAP Application Fees Accepted By The City On Behalf Of The Development Assessment Panel - (Planning & Development - Development Assessment Panels Regulations 2011 - Applicant - Planning Solutions DA2014/1260 Value $50,000.00 |
|
|
|
|
|
ECU Joondalup Soccer Club |
$200.00 |
|
|
|
|
Kidsport Voucher X 1 Child |
|
|
|
|
|
Elizabeth Valeriani |
$15.00 |
|
|
|
|
Volunteer Payment - Activity Assistant At Wanneroo Day Centre |
|
|
|
|
|
Frediani Milk Wholesalers |
$1,301.70 |
|
|
|
|
Milk Deliveries For The City |
|
|
|
|
|
HBF Insurance |
$1,307.80 |
|
|
|
|
Payroll Deduction |
|
|
|
|
|
Hey Fever North |
$1,000.00 |
|
|
|
|
Kidsport Vouchers X 5 Children |
|
|
|
|
|
High Flyers Gym |
$200.00 |
|
|
|
|
Kidsport Voucher X 1 Child |
|
|
|
|
|
Jardine Lloyd Thompson Pty Ltd |
$26,787.69 |
|
|
|
|
Insurance - Transit - 30.06.2014 - 30.06.2015 |
|
|
|
|
|
Insurance - Personal Accident - 30.06.2014 - 30.06.2015 |
|
|
|
|
|
Insurance - Construction Risk - 30.06.2014 - 30.06.2015 |
|
|
|
|
|
Insurance Statutory & Business Practices Liability - 30.06.2014 - 30.06.2015 |
|
|
|
|
|
Insurance Councillors & Officers Liability 30.06.2014 - 30.06.2015 |
|
|
|
|
|
Kingsway United Christian Football Club Incorporated |
$200.00 |
|
|
|
|
Kidsport Vouchers X 1 Child |
|
|
|
|
|
Landgate |
$1,124.15 |
|
|
|
|
Online Land Enquiry Searches & Other Dli Invoices - Various Departments |
|
|
|
|
|
Minimum Charge - Rating Services |
|
|
|
|
|
Online Land Enquiry & Other Dli Searches Various Departments |
|
|
|
|
|
LGISWA |
$1,475,728.73 |
|
|
|
|
Insurance - Fidelity Guarantee - 30.06.2014 30.06.2015 |
|
|
|
|
|
Insurance - Casual Hirers - 30.06.2014 - 30.06.2015 |
|
|
|
|
|
Insurance - Property - 30.06.2014 - 30.06.2015 |
|
|
|
|
|
Insurance - Liability Inception - 30.06.2014 - 30.06.2015 |
|
|
|
|
|
Insurance - Anywhere In Australia Inception - 30.06.2014 - 30.06.2015 |
|
|
|
|
|
Insurance - Workers Compensation - 30.06.2014 - 30.06.2015 |
|
|
|
|
|
LGRCEU |
$2,124.30 |
|
|
|
|
Payroll Deduction |
|
|
|
|
|
Ms Stephanie Smith |
$2,000.00 |
|
|
|
|
Reimbursement Of University Tuition Fees - Graduate Certificate In Project Management - Planning & Sustainability |
|
|
|
|
|
North Coast Ball Club Incorporated |
$400.00 |
|
|
|
|
Kidsport Voucher X 2 Children |
|
|
|
|
|
Padbury Pumas Junior Basketball Club |
$400.00 |
|
|
|
|
Kidsport Vouchers X 2 Children |
|
|
|
|
|
Selectus Salary Packaging |
$13,829.82 |
|
|
|
|
Payroll Deduction |
|
|
|
|
|
Sorrento Football Club |
$200.00 |
|
|
|
|
Kidsport Voucher X 1 Child |
|
|
|
|
|
The Scout Association of Australia WA |
$200.00 |
|
|
|
|
Kidsport Voucher X 1 Child |
|
|
|
|
|
Trailer Parts Pty Ltd |
$41.17 |
|
|
|
|
Vehicle Spare Parts - Fleet & Waste |
|
|
|
|
|
Western Power |
$12,177.00 |
|
|
|
|
Relocation Of Western Power Assets At Hartman Drive Wangara - Projects |
|
|
|
|
|
Power Upgrade Works - Projects |
|
|
|
|
|
Yanchep United Football Club Incorporated |
$200.00 |
|
|
|
|
Kidsport Voucher X 1 Child |
|
|
|
|
|
|
|
|
|
00002020 |
06/08/2014 |
|
|
|
|
|
|
Robinson Buildtech |
$92,080.51 |
|
|
|
|
Progress Claim 3 Modifications To Yanchep Boardwalk & Foreshore Pathway - Projects |
|
|
|
|
|
|
|
|
|
00002021 |
08/08/2014 |
|
|
|
|
|
|
Westrac |
$145.64 |
|
|
|
|
Spare Parts For Fleet |
|
|
|
|
|
|
|
|
|
00002022 |
12/08/2014 |
|
|
|
|
|
|
Australia Post |
$6,346.08 |
|
|
|
|
Billpay Transaction Fees For July 2014 Rating Services |
|
|
|
|
|
Postage Charges Lodged For July 2014 |
|
|
|
|
|
Australian Library & Information Association |
$326.00 |
|
|
|
|
Membership 2014/2015 – M Brennand |
|
|
|
|
|
Barlow Superannuation Fund |
$1,701.38 |
|
|
|
|
Payroll Deductions |
|
|
|
|
|
City of Wanneroo - Rates |
$83,199.76 |
|
|
|
|
2014 / 2015 Rates For Tamala Park Disposal Site A/N 3115603 - 1700 Marmion Avenue - Rates |
|
|
|
|
|
Dalmain Netball Club |
$80.00 |
|
|
|
|
Kidsport Voucher 1 X Child |
|
|
|
|
|
Duncan & Crosbie Pro Golf WA Pty Ltd |
$32,541.98 |
|
|
|
|
Commission Fees For July 2014 - Property |
|
|
|
|
|
John Everitt Superannuation Fund |
$196.12 |
|
|
|
|
Payroll Deductions |
|
|
|
|
|
Landgate |
$390.40 |
|
|
|
|
UV Chargeables Schedules June & July 2014 - Rates |
|
|
|
|
|
Landsdale Netball Club |
$200.00 |
|
|
|
|
Kidsport Voucher 1 X Child |
|
|
|
|
|
Mr Daniel Simms |
$104.50 |
|
|
|
|
Reimbursement - Expenses Incurred At The Local Chief Officers Group Meeting, Townsville Qld 16 - 18.07.2014 |
|
|
|
|
|
North Coast Ball Club Incorporated |
$2,737.00 |
|
|
|
|
Kidsport Voucher - 16 X Children |
|
|
|
|
|
Perth Energy Pty Ltd |
$13,626.93 |
|
|
|
|
Gas Supplies - Aquamotion 01.07.2014 - 01.08.2014 |
|
|
|
|
|
Selectus Salary Packaging |
$1,742.03 |
|
|
|
|
GST Inputs Claimed To Be Credited To Employees Accounts For July 2014 |
|
|
|
|
|
Snowbird Gardens Superannuation Fund |
$270.86 |
|
|
|
|
Payroll Deductions |
|
|
|
|
|
The Claystone Superannuation Fund |
$316.00 |
|
|
|
|
Payroll Deductions |
|
|
|
|
|
The FIA Magid Superannuation Fund |
$524.48 |
|
|
|
|
Payroll Deductions |
|
|
|
|
|
The Forrestal Superannuation Fund |
$139.70 |
|
|
|
|
Payroll Deductions |
|
|
|
|
|
The Michael Penson Superannuation Fund |
$925.32 |
|
|
|
|
Payroll Deductions |
|
|
|
|
|
The Trustee For Bobs Superannuation Fund |
$560.88 |
|
|
|
|
Payroll Deductions |
|
|
|
|
|
The Trustees of The Easson Family Superannuation Fund |
$383.71 |
|
|
|
|
Payroll Deductions |
|
|
|
|
|
Timms Superannuation Fund |
$352.46 |
|
|
|
|
Payroll Deductions |
|
|
|
|
|
Westside BMX Club Incorporated |
$200.00 |
|
|
|
|
Kidsport Voucher 1 X Child |
|
|
|
|
|
|
|
|
|
00002023 |
12/08/2014 |
|
|
|
|
|
|
All Things Stainless Pty Ltd |
$913.00 |
|
|
|
|
Balustrade With Glass - Building Maintenance |
|
|
|
|
|
Australasian Performing Right Assoc Ltd |
$1,973.66 |
|
|
|
|
Licence Fees For Public Performance At Various Locations |
|
|
|
|
|
Automotive Personnel |
$484.00 |
|
|
|
|
Casual Labour For The City |
|
|
|
|
|
BOC Limited |
$15.52 |
|
|
|
|
Nitrogen Bottle - Fleet |
|
|
|
|
|
BP Australia Ltd |
$197,517.47 |
|
|
|
|
Fuel Issues For July 2014 |
|
|
|
|
|
Caltex Energy |
$49.67 |
|
|
|
|
Fuel For July 2014 - Fleet |
|
|
|
|
|
Cleanaway |
$14,206.71 |
|
|
|
|
Diverted Material - WRC |
|
|
|
|
|
Daimler Trucks Perth |
$1,011.80 |
|
|
|
|
Handbrake Overhaul WN32641 - Fleet |
|
|
|
|
|
DPP Unit Trust |
$3,590.40 |
|
|
|
|
2 X Sampling Bores Lake Joondalup - Health Services |
|
|
|
|
|
Evolution Traffic Control Pty Ltd |
$5,491.14 |
|
|
|
|
Traffic Management Services For The City |
|
|
|
|
|
Gentronics |
$1,430.00 |
|
|
|
|
Spare Parts For Fleet |
|
|
|
|
|
Green Planet Grass |
$11,450.30 |
|
|
|
|
Landscaping Services At Various Locations - Parks |
|
|
|
|
|
IPWEA |
$550.00 |
|
|
|
|
Systems Plus Subscription - Fleet |
|
|
|
|
|
Kmart Australia Limited (Wanneroo) |
$697.50 |
|
|
|
|
Art Materials & Sports Equipment - Youth Services |
|
|
|
|
|
Kyocera Document Solutions |
$13.33 |
|
|
|
|
Photocopier Meter Reading - Customer Relations |
|
|
|
|
|
Landmark |
$38.72 |
|
|
|
|
Envirodye Red - Parks |
|
|
|
|
|
Leisure Institute of WA Aquatics |
$355.00 |
|
|
|
|
Aquatic Membership/Accreditation & Attendance At Annual State For J Manov - Aquamotion |
|
|
|
|
|
Lovegrove Turf Services Pty Ltd |
$990.00 |
|
|
|
|
Spraying Chemicals - Kingsway AFL - Parks |
|
|
|
|
|
MacDonald Johnston Engineering Company |
$17,969.72 |
|
|
|
|
Service/Repair To 96059 - Fleet |
|
|
|
|
|
Mandi Nelson |
$396.00 |
|
|
|
|
Yoga Instructor - Aquamotion |
|
|
|
|
|
Marketforce Express Pty Ltd |
$2,753.63 |
|
|
|
|
Advertising Services For The City |
|
|
|
|
|
Meteor Stone |
$838.46 |
|
|
|
|
Supply Pallets X 4 Of Limestone Blocks - Projects |
|
|
|
|
|
Mindarie Regional Council |
$141,853.50 |
|
|
|
|
Refuse Disposal For The City |
|
|
|
|
|
Miriam Gardiner |
$564.96 |
|
|
|
|
Create Your Own Power Animal Workshop & Materials 09.07.2014 - Arts |
|
|
|
|
|
MP Rogers & Associates Pty Ltd |
$13,436.49 |
|
|
|
|
Professional Services - Coastal Feasibility Study For June 2014 |
|
|
|
|
|
Non Organic Disposal |
$369.60 |
|
|
|
|
Disposal Of Material - Projects |
|
|
|
|
|
Office Cleaning Experts |
$57,276.34 |
|
|
|
|
Cleaning Services For The City |
|
|
|
|
|
Perth Stripes & Signs |
$313.50 |
|
|
|
|
Supply/Fit Repairs - Rangers |
|
|
|
|
|
Prestige Alarms |
$1,628.00 |
|
|
|
|
Installation Of Electronic Door Strike & Associated Door Furniture At Aquamotion |
|
|
|
|
|
Programmed Integrated Workforce |
$30,949.40 |
|
|
|
|
Casual Labour For The City |
|
|
|
|
|
RCG Pty Ltd |
$2,530.44 |
|
|
|
|
Disposal Of Rubble - Engineering/ Projects |
|
|
|
|
|
Road & Traffic Services |
$3,446.30 |
|
|
|
|
Linemarking At Landsdale - Projects |
|
|
|
|
|
Road Signs Australia |
$757.46 |
|
|
|
|
Sign - Road Closure - Projects |
|
|
|
|
|
Sign - Shopping Centre - Engineering |
|
|
|
|
|
Roll Flagging - Projects |
|
|
|
|
|
Seniors Recreation Council of WA Incorporated |
$90.00 |
|
|
|
|
Registration To Seniors Recreation - Funded Services |
|
|
|
|
|
WA Iveco |
$289.70 |
|
|
|
|
Checkover - WN33034 |
|
|
|
|
|
WA Local Government Association |
$1,320.00 |
|
|
|
|
Training - Procurement For Local Government 4 - 5.08.2014 – G Greenway |
|
|
|
|
|
Work Clobber |
$140.40 |
|
|
|
|
Safety Boots - B Treasure - Parks |
|
|
|
|
|
|
|
|
|
00002024 |
12/08/2014 |
|
|
|
|
|
|
Wanneroo District Rugby Union Football Club Incorporated |
$237,215.00 |
|
|
|
|
City Contribution - Cost Of Building Extension At Wanneroo Rugby Club - Facilities |
|
|
|
|
|
|
|
|
|
00002025 |
12/08/2014 |
|
|
|
|
|
|
Total Eden Pty Ltd |
$70,291.98 |
|
|
|
|
Progress Claim 2 Development Of Tendring Park Girrawheen - Projects |
|
|
|
|
|
|
|
|
|
00002026 |
12/08/2014 |
|
|
|
|
|
|
City of Wanneroo - Rates |
$83.33 |
|
|
|
|
Rates Payments From Deductions |
|
|
|
|
|
Cr Brett Treby |
$2,575.00 |
|
|
|
|
Monthly Allowance |
|
|
|
|
|
Cr Denis John Hayden |
$2,575.00 |
|
|
|
|
Monthly Allowance |
|
|
|
|
|
Cr Dianne Guise |
$2,575.00 |
|
|
|
|
Monthly Allowance |
|
|
|
|
|
Cr Domenic Zappa |
$2,575.00 |
|
|
|
|
Monthly Allowance |
|
|
|
|
|
Cr Glynis Parker |
$2,575.00 |
|
|
|
|
Monthly Allowance |
|
|
|
|
|
Cr Huu Van Nguyen |
$2,575.00 |
|
|
|
|
Monthly Allowance |
|
|
|
|
|
Cr Linda May Aitken |
$2,575.00 |
|
|
|
|
Monthly Allowance |
|
|
|
|
|
Cr Norman Hewer |
$2,575.00 |
|
|
|
|
Monthly Allowance |
|
|
|
|
|
Cr Robert Smithson |
$2,575.00 |
|
|
|
|
Monthly Allowance |
|
|
|
|
|
Cr Russell Driver |
$2,575.00 |
|
|
|
|
Monthly Allowance |
|
|
|
|
|
Cr Sabine Winton |
$2,575.00 |
|
|
|
|
Monthly Allowance |
|
|
|
|
|
Cr Thi Nguyet-Anh Truong |
$2,575.00 |
|
|
|
|
Monthly Allowance |
|
|
|
|
|
Mayor Tracey Roberts |
$11,158.33 |
|
|
|
|
Monthly Allowance |
|
|
|
|
|
|
|
|
|
00002027 |
13/08/2014 |
|
|
|
|
|
|
Club Capricorn |
$1,531.00 |
|
|
|
|
Payment - Less Deposit $1000 For Accommodation/Hospitality/ Conference Room - Executive Retreat 14 - 15.08.2014 |
|
|
|
|
|
|
|
|
|
00002028 |
14/08/2014 |
|
|
|
|
|
|
Stiles Electrical |
$69,521.38 |
|
|
|
|
Payment Progress 3 - Houghton Park Carramar Floodlighting - Projects |
|
|
|
|
|
|
|
|
|
00002029 |
14/08/2014 |
|
|
|
|
|
|
Ertech Pty Ltd |
$527,129.89 |
|
|
|
|
Payment Certificate 1 - Brazier Road Yanchep - Projects |
|
|
|
|
|
|
|
|
|
00002030 |
18/08/2014 |
|
|
|
|
|
|
GWF Retail Pty Ltd |
$92,427.08 |
|
|
|
|
Refurbishment Of Kingsway Sports Stadium - Building Maintenance |
|
|
|
|
|
Repairs To Termite Damage At Kingsway - Building Maintenance |
|
|
|
|
|
|
|
|
|
00002031 |
18/08/2014 |
|
|
|
|
|
|
Environmental Industries Pty Ltd |
$19,573.88 |
|
|
|
|
Landscape Maintenance At Various Locations - Parks |
|
|
|
|
|
Progress Claim 8 - Wanneroo Road Streetscape - Projects |
|
|
|
|
|
|
|
|
|
00002032 |
19/08/2014 |
|
|
|
|
|
|
360 Environmental Pty Ltd |
$323.00 |
|
|
|
|
Incorrect Payment For Invoice 0414-03 - Short Paid Of GST Amount |
|
|
|
|
|
Ace Industrial Distributors |
$198.00 |
|
|
|
|
Parts For Fleet |
|
|
|
|
|
Add Value Promotions |
$1,093.05 |
|
|
|
|
Drink Bottles For Kingsway Indoor Stadium |
|
|
|
|
|
Astro Synthetic Turf |
$2,211.00 |
|
|
|
|
Turf Repairs & Security Guard - Various Locations - Parks |
|
|
|
|
|
Australian Training Management Pty Ltd |
$200.00 |
|
|
|
|
Training - Quick Cut Saw Training & Assessments Attendee K Hicks - Projects |
|
|
|
|
|
Austswim WA |
$729.40 |
|
|
|
|
Training - Swim Teacher Course - Aquamotion |
|
|
|
|
|
Back In Motion Health Group Hobart on Murray |
$209.00 |
|
|
|
|
Pre Employment Medical - HR |
|
|
|
|
|
Benara Nurseries |
$258.50 |
|
|
|
|
Plants - Parks |
|
|
|
|
|
Britel Enterprise Pty Ltd |
$590.00 |
|
|
|
|
Advertising - Safety House St Anthony's Primary School - Aquamotion |
|
|
|
|
|
Civica Pty Ltd |
$12,320.00 |
|
|
|
|
Software Licence Fee - June 2014 To May 2015 - Library Services |
|
|
|
|
|
Clark Equipment Sales Pty Ltd |
$970.20 |
|
|
|
|
Vehicle Repairs - Fleet |
|
|
|
|
|
Cleanaway |
$34,613.97 |
|
|
|
|
Diverted Material/Bin Hire/Truck Hire - WRC |
|
|
|
|
|
Datacom Systems (WA) Pty Ltd |
$82.50 |
|
|
|
|
Datacom Local Government Breakfast - T Evans, D Brett-Matthewson & R Aitken |
|
|
|
|
|
Drainflow Services Pty Ltd |
$638.00 |
|
|
|
|
Road Sweeping At Joondalup Drive - Parks |
|
|
|
|
|
Environmental Health Australia (Western Australia) Incorporated |
$4,075.00 |
|
|
|
|
Training X 9 Staff In Health Services |
|
|
|
|
|
Financial Counsellors Association WA |
$1,295.00 |
|
|
|
|
Membership 2014/2015 For Financial Counsellor X 7 - Funded Services |
|
|
|
|
|
Forpark Australia |
$33,000.00 |
|
|
|
|
Supply & Install Playground At Mitchell Park - Parks |
|
|
|
|
|
Foxtel |
$90.00 |
|
|
|
|
Foxtel Subscription For WLCC - Library Services |
|
|
|
|
|
Freds Hardware |
$81.30 |
|
|
|
|
Various Items - Parks |
|
|
|
|
|
Frontline Fire & Rescue Equipment |
$18,001.98 |
|
|
|
|
Replace Fire Pump Two Rocks Fire Appliance - Emergency Services |
|
|
|
|
|
J Blackwood & Son Ltd |
$567.27 |
|
|
|
|
Spare Parts For Fleet |
|
|
|
|
|
Jag Demolition |
$47,890.12 |
|
|
|
|
Demolition Of Property At 484 Kingsway Landsdale - Infrastructure Projects |
|
|
|
|
|
Joondalup Drive Medical Centre |
$195.00 |
|
|
|
|
Medical Fees - HR |
|
|
|
|
|
KDAire Mechanical Services |
$13,548.75 |
|
|
|
|
Airconditioning Maintenance For The City |
|
|
|
|
|
Kmart Australia Limited (Wanneroo) |
$27.25 |
|
|
|
|
Various Items For Community Links |
|
|
|
|
|
KPMG |
$22,330.00 |
|
|
|
|
Internal Audit Services For June 2014 - Risk & Business Improvements |
|
|
|
|
|
L & T Venables Pty Ltd |
$73.88 |
|
|
|
|
Various Parts - Fleet |
|
|
|
|
|
MacDonald Johnston Engineering Company |
$1,352.55 |
|
|
|
|
Vehicle Spare Parts - Fleet |
|
|
|
|
|
Marketforce Express Pty Ltd |
$50,561.50 |
|
|
|
|
Advertising Services For The City |
|
|
|
|
|
Mayday Earthmoving |
$2,733.50 |
|
|
|
|
Heavy Equipment Hire For The City |
|
|
|
|
|
McLeods Barristers And Solicitors |
$954.75 |
|
|
|
|
Legal Fees For The City |
|
|
|
|
|
Mindarie Regional Council |
$180,915.08 |
|
|
|
|
Refuse Disposal For The City |
|
|
|
|
|
Mustang Print & Copy |
$1,170.00 |
|
|
|
|
Printing - Vehicle Log Books - Emergency Services |
|
|
|
|
|
Nuford |
$154.00 |
|
|
|
|
Vehicle Service For Fleet |
|
|
|
|
|
OH&S Consulting |
$2,075.13 |
|
|
|
|
Registration - Fair Work Australia |
|
|
|
|
|
Osborne Park Welding Supplies |
$173.80 |
|
|
|
|
Various Parts - Fleet |
|
|
|
|
|
Perth Recruitment Services |
$4,534.76 |
|
|
|
|
Casual Labour For Fleet |
|
|
|
|
|
Prestige Alarms |
$1,501.86 |
|
|
|
|
Alarm Services For The City |
|
|
|
|
|
Programmed Integrated Workforce |
$44,046.65 |
|
|
|
|
Casual Labour For The City |
|
|
|
|
|
Richards Mining Services Pty Ltd - Joondalup |
$450.00 |
|
|
|
|
Forklift Course - P Trandos - Fleet |
|
|
|
|
|
Source Machinery Pty Ltd |
$161.15 |
|
|
|
|
Spare Parts For Fleet |
|
|
|
|
|
The Artists Foundation of WA |
$180.00 |
|
|
|
|
1 Year Artsource Subscription - Heritage |
|
|
|
|
|
The Basketball Man |
$1,663.20 |
|
|
|
|
Supply Height Adjustable Netball Posts X 4 - Kingsway Netball - Parks |
|
|
|
|
|
WA Local Government Association |
$4,444.89 |
|
|
|
|
Probity Audit On Provision Of Hose Repair - Asset Management |
|
|
|
|
|
Training - Policy Development For Elected Members 15.07.2014 – Cr S Winton |
|
|
|
|
|
Training - Financial Reports & Budgets 04.07.2014 – Cr H Nguyen |
|
|
|
|
|
Training - Introduction To Local Government 02.10.2014 - T Prentis |
|
|
|
|
|
Training - Introduction To Local Government Finance For Officers 18.09.2014 - T Prentis |
|
|
|
|
|
Training - Effective Letter & Report Writing In Local Government 30.09.2014 - T Prentis |
|
|
|
|
|
Wanneroo Baseball Club |
$340.00 |
|
|
|
|
Kidsport Voucher X 2 Children |
|
|
|
|
|
Wanneroo Central Bushfire Brigade |
$649.35 |
|
|
|
|
Reimbursement - Repair To Ice Machine - Fire Services |
|
|
|
|
|
Reimbursement - Storage Bins - Fire Services |
|
|
|
|
|
Reimbursement - Notification In West Australian On The Passing Of Member - Fire Services |
|
|
|
|
|
Wanneroo Electric |
$1,179.20 |
|
|
|
|
Electrical Maintenance For The City |
|
|
|
|
|
|
|
|
|
00002033 |
19/08/2014 |
|
|
|
|
|
|
Board Business Pty Ltd |
$50,050.00 |
|
|
|
|
Workshops - Operational Risk - Risk & Business Improvement |
|
|
|
|
|
|
|
|
|
00002034 |
19/08/2014 |
|
|
|
|
|
|
Australia Post |
$11,981.57 |
|
|
|
|
Postage Charges For July 2014 - Lodgement |
|
|
|
|
|
Australian Manufacturing Workers Union |
$304.20 |
|
|
|
|
Payroll Deduction |
|
|
|
|
|
Australian Services Union |
$782.60 |
|
|
|
|
Payroll Deduction |
|
|
|
|
|
Australian Taxation Office |
$509,397.00 |
|
|
|
|
Payroll Deduction |
|
|
|
|
|
Brighton Seahawks Football Club |
$980.00 |
|
|
|
|
Kidsport Vouchers X 5 Children |
|
|
|
|
|
Building Commission |
$96,953.61 |
|
|
|
|
Collection Agency Fee Payments July 2014 - Finance |
|
|
|
|
|
Butler Netball Club Incorporated |
$200.00 |
|
|
|
|
Kidsport Voucher For 1 X Child |
|
|
|
|
|
Carine Cats Ball Club Incorporated |
$410.00 |
|
|
|
|
Kidsport Voucher X 3 Children |
|
|
|
|
|
CFMEU |
$90.00 |
|
|
|
|
Payroll Deduction |
|
|
|
|
|
Child Support Agency |
$2,160.45 |
|
|
|
|
Payroll Deduction |
|
|
|
|
|
City of Wanneroo - Payroll Rates |
$5,330.00 |
|
|
|
|
Payroll Deduction |
|
|
|
|
|
City of Wanneroo - Social Club |
$856.00 |
|
|
|
|
Payroll Deduction |
|
|
|
|
|
Cr Domenic Zappa |
$62.44 |
|
|
|
|
Travel Allowance For July 2014 |
|
|
|
|
|
Cr Glynis Parker |
$203.82 |
|
|
|
|
Reimbursement Of Travel Expenses |
|
|
|
|
|
Cr Huu Van Nguyen |
$192.37 |
|
|
|
|
Reimbursement Of Travel & Parking Expenses |
|
|
|
|
|
Douglas Valeriani |
$53.45 |
|
|
|
|
Keyholder Payment |
|
|
|
|
|
East Perth District Basketball Association |
$200.00 |
|
|
|
|
Kidsport Voucher For 1 X Child |
|
|
|
|
|
Frediani Milk Wholesalers |
$550.00 |
|
|
|
|
Milk Deliveries For The City |
|
|
|
|
|
Gregory Johnson |
$251.25 |
|
|
|
|
Keyholder/Tennis Booking Officer Payment |
|
|
|
|
|
HBF Insurance |
$1,307.80 |
|
|
|
|
Payroll Deduction |
|
|
|
|
|
High Flyers Gym |
$200.00 |
|
|
|
|
Kidsport Voucher X 1 Child |
|
|
|
|
|
Joe Arrigo |
$117.60 |
|
|
|
|
Keyholder/Tennis Booking Officer Payment |
|
|
|
|
|
Landgate |
$12,370.43 |
|
|
|
|
Gross Rental Valuations Chargeable - Rating Services |
|
|
|
|
|
LGRCEU |
$2,124.30 |
|
|
|
|
Payroll Deduction |
|
|
|
|
|
Mary Colvin |
$60.00 |
|
|
|
|
Volunteer Payment - Adult Care Centre Volunteer |
|
|
|
|
|
Mr John Baker |
$80.20 |
|
|
|
|
Keyholder Payment |
|
|
|
|
|
Mrs Hazel Walker |
$75.00 |
|
|
|
|
Volunteer Payment - Adult Care Centre |
|
|
|
|
|
Ms Deanne Hetherington |
$224.60 |
|
|
|
|
Keyholder/Tennis Court Booking Officer Payment |
|
|
|
|
|
Ms Michelle Brennand |
$600.00 |
|
|
|
|
Reimbursement - Mobile Phone Allowance |
|
|
|
|
|
North Beach And Districts Rugby League Club |
$400.00 |
|
|
|
|
Kidsport Voucher X 2 Children |
|
|
|
|
|
North Coast Ball Club Incorporated |
$1,358.00 |
|
|
|
|
Kidsport Voucher X 8 Children |
|
|
|
|
|
Quinns Districts Calisthenics Club |
$200.00 |
|
|
|
|
Kidsport Voucher X 1 Child |
|
|
|
|
|
Quinns Rock Bush Fire Brigade |
$315.81 |
|
|
|
|
Beverages - Authorised Training Sessions - Fire Services |
|
|
|
|
|
Selectus Salary Packaging |
$14,969.70 |
|
|
|
|
Payroll Deduction |
|
|
|
|
|
Special Olympics Australia |
$200.00 |
|
|
|
|
Kidsport Voucher X 1 Child |
|
|
|
|
|
Susan Morrissey |
$15.00 |
|
|
|
|
Volunteer Payment - The Heights Day Centre |
|
|
|
|
|
The Scout Association of Australia WA |
$200.00 |
|
|
|
|
Kidsport Voucher For 1 X Child |
|
|
|
|
|
Vodafone Messaging |
$1,064.55 |
|
|
|
|
Messaging Bill - Fire Services |
|
|
|
|
|
WA Super |
$542,912.15 |
|
|
|
|
Payroll Deductions |
|
|
|
|
|
Wanneroo City Soccer Club Incorporated |
$800.00 |
|
|
|
|
Kidsport Voucher X 4 Children |
|
|
|
|
|
Wanneroo Districts Junior Rugby Union Football Club |
$600.00 |
|
|
|
|
Kidsport Voucher X 3 Children |
|
|
|
|
|
Wanneroo Junior Football Club |
$5,900.00 |
|
|
|
|
Kidsport Voucher X 37 Children |
|
|
|
|
|
West Coast Gymnastics Incorporated |
$400.00 |
|
|
|
|
Kidsport Voucher X 2 Children |
|
|
|
|
|
Western Power |
$3,000.00 |
|
|
|
|
Design/Power Upgrade Works - Projects |
|
|
|
|
|
Whitford City Football Club Incorporated |
$400.00 |
|
|
|
|
Kidsport Vouchers X 2 Children |
|
|
|
|
|
|
|
|
|
00002035 |
22/08/2014 |
|
|
|
|
|
|
A1 Apiaries |
$180.00 |
|
|
|
|
Removal Of Bees At Josephine Park - Parks |
|
|
|
|
|
ABM Landscaping |
$28,446.28 |
|
|
|
|
Roundabouts Project At Various Locations - Projects |
|
|
|
|
|
Paving At The Broadview Shopping Centre Landsdale - Engineering |
|
|
|
|
|
Paving Installation At Brookway Retreat - Engineering |
|
|
|
|
|
Abrasiflex Pty Ltd |
$877.44 |
|
|
|
|
Various Items For Stores |
|
|
|
|
|
Access Unlimited International Pty Ltd |
$385.00 |
|
|
|
|
Service & Calibration - WRC |
|
|
|
|
|
Accessible Transit Specialists |
$143.00 |
|
|
|
|
Service & Repair - Fleet |
|
|
|
|
|
Accidental First Aid Supplies |
$2,685.93 |
|
|
|
|
First Aid Supplies For Various Departments |
|
|
|
|
|
Adasound |
$591.00 |
|
|
|
|
Supply Sound Equipment For Council |
|
|
|
|
|
Adelphi Tailoring Company |
$402.05 |
|
|
|
|
Uniform For Staff Members |
|
|
|
|
|
Adform |
$3,755.40 |
|
|
|
|
Path Transit Presentation Plaque For R Gosati - Fire Services |
|
|
|
|
|
Various Reflective Labels - Community Safety |
|
|
|
|
|
Air Tools Australia Pty Ltd |
$1,888.00 |
|
|
|
|
Akko Compressor - Community Safety |
|
|
|
|
|
Spare Parts For Fleet |
|
|
|
|
|
Alance Newspaper and Magazine Delivery |
$64.80 |
|
|
|
|
Newspapers For Clarkson Library |
|
|
|
|
|
Alchemy Technology |
$429.00 |
|
|
|
|
Annual Software Maintenance Upgrade For The Interface Authority Module To 30.06.2015 - Funded Services |
|
|
|
|
|
Alexander House of Flowers |
$1,010.00 |
|
|
|
|
Flowers For Various Events – Mayor's Office |
|
|
|
|
|
ALH Group Ltd (BWS) |
$30.00 |
|
|
|
|
Wine For Heritage |
|
|
|
|
|
Allied Diesel and Turbo |
$4,362.60 |
|
|
|
|
Various Services - Fleet |
|
|
|
|
|
Allstamps |
$76.30 |
|
|
|
|
Stamp For Library |
|
|
|
|
|
Amcap Distribution Centre |
$14,300.62 |
|
|
|
|
Vehicle Spare Parts - Fleet/Stores |
|
|
|
|
|
AMF Bowling Centres Australia |
$600.00 |
|
|
|
|
8-11 Year Olds July School Holiday Program |
|
|
|
|
|
APP Corporation Pty Ltd |
$22,977.90 |
|
|
|
|
Provision of Consultancy - Provide Business Case For Lots 9000, 9003 & Portion Lot 600 - Neerabup Industrial Area - Property |
|
|
|
|
|
Armaguard |
$1,332.82 |
|
|
|
|
Cash Collection Services For The City |
|
|
|
|
|
Arrow Pressure Wash |
$324.50 |
|
|
|
|
Supply & Fit New Valves In Pressure Pump - Fleet |
|
|
|
|
|
Ashdown Ingram |
$1,106.69 |
|
|
|
|
Spare Parts - Fleet/Stores |
|
|
|
|
|
Asphaltech Pty Ltd |
$1,899.98 |
|
|
|
|
Granite - Engineering |
|
|
|
|
|
Atom Supply |
$40.80 |
|
|
|
|
Parts - Fleet |
|
|
|
|
|
Auscontact Association Limited |
$650.00 |
|
|
|
|
Corporate Membership - K Russell - Customer Relations Centre |
|
|
|
|
|
Ausrecords |
$293.04 |
|
|
|
|
Tub Clip Set - IT |
|
|
|
|
|
Australian Communications & Media Authority |
$1,345.00 |
|
|
|
|
Apparatus Licence Fees - IT |
|
|
|
|
|
Australian Consumers Association |
$580.00 |
|
|
|
|
Choice 1 Year Membership - Library Services |
|
|
|
|
|
Australian Dilapidations |
$1,540.00 |
|
|
|
|
Dilapidation Report - Projects |
|
|
|
|
|
Australian Plant Wholesalers/Lullfitz |
$2,620.05 |
|
|
|
|
Plants - Communications & Events & Parks |
|
|
|
|
|
Automation Alliance Services Pty Ltd |
$9,654.70 |
|
|
|
|
Automation Alliance Touch Screen Upgrade - WRC |
|
|
|
|
|
Automotive Personnel |
$2,982.10 |
|
|
|
|
Casual Workshop Supervisor – P Jones - Fleet |
|
|
|
|
|
Autosmart WA North Metro |
$198.00 |
|
|
|
|
Floor Smart Cleanse - Fleet |
|
|
|
|
|
BCE Surveying |
$1,518.00 |
|
|
|
|
Survey Audit Services - Flynn Drive - Projects |
|
|
|
|
|
Beaurepaires For Tyres |
$55,005.22 |
|
|
|
|
Tyre Fitting Services For The City |
|
|
|
|
|
Beilby Corporation |
$7,348.00 |
|
|
|
|
Final Instalment For Assignment Director Planning & Sustainability - HR |
|
|
|
|
|
Belair Smash Repairs Pty Ltd |
$2,894.90 |
|
|
|
|
Repairs To Front Bumper Of WN33360 - Fleet |
|
|
|
|
|
Insurance Excess - 3 x Vehicles - Insurance Services |
|
|
|
|
|
Benara Nurseries |
$4,723.55 |
|
|
|
|
Plants - Parks |
|
|
|
|
|
Benchmark Projects |
$10,597.40 |
|
|
|
|
Final Invoice - Quinns Rock Caravan Park - Projects |
|
|
|
|
|
Bengineering Transport Equipment |
$37,290.00 |
|
|
|
|
New Vehicle Purchase - 9 Tonne Plant Trailer - Fleet Assets |
|
|
|
|
|
Beryl Weston |
$120.00 |
|
|
|
|
Cleaning Of Hall At Denston Way Girrawheen - Funded Services |
|
|
|
|
|
BGC Concrete |
$382.80 |
|
|
|
|
Concrete Mix For 49A Blackrock Avenue - Engineering |
|
|
|
|
|
Bidvest Hospitality Perth |
$818.86 |
|
|
|
|
Milk, Coffee & Sugar - Stores |
|
|
|
|
|
Catering Items For Fire Services |
|
|
|
|
|
Binley Fencing |
$735.11 |
|
|
|
|
Temporary Fencing At Various Locations - Projects |
|
|
|
|
|
Temporary Fencing At Frederick Stubb Park - Projects |
|
|
|
|
|
Bladon WA Pty Ltd |
$1,971.75 |
|
|
|
|
Medallions - Student Citizenship Award - Marketing |
|
|
|
|
|
Bluearth Foundation |
$3,267.00 |
|
|
|
|
Out Of School Hours Program - Youth Services |
|
|
|
|
|
Blyth Enterprises |
$203.50 |
|
|
|
|
P Handle Trolley - IT |
|
|
|
|
|
BOC Limited |
$16.04 |
|
|
|
|
Nitrogen Bottle - Fleet |
|
|
|
|
|
Boral Bricks Western Australia Pty Ltd |
$7,694.54 |
|
|
|
|
Pavers - Various Locations - Projects |
|
|
|
|
|
Standard Manholes & Bricklayer Training Levy For Greenpark Road - Projects |
|
|
|
|
|
Boral Construction Materials Group Ltd |
$2,934.31 |
|
|
|
|
Concrete Mix At Various Locations - Engineering |
|
|
|
|
|
Bosnar Engineering Pty Ltd |
$3,212.00 |
|
|
|
|
Repair Conveyor Roller Shaft - WRC |
|
|
|
|
|
Repairs Rubbish Truck 96096 - Fleet |
|
|
|
|
|
Boya Equipment |
$425.07 |
|
|
|
|
Spare Parts - Fleet |
|
|
|
|
|
Spray Pack - Parks |
|
|
|
|
|
BP Australia Ltd |
$8,085.06 |
|
|
|
|
Grease Gun Cartridges - Stores |
|
|
|
|
|
Waste Oil - Fleet |
|
|
|
|
|
Waste Oil Levy - WRC |
|
|
|
|
|
Bridgeall Libraries Limited |
$15,750.00 |
|
|
|
|
Annual Subscription Fee - Collection HQ - Library Services |
|
|
|
|
|
Bridgeleigh Reception Centre |
$1,000.00 |
|
|
|
|
Deposit For Volunteers Dinner - Communications & Events |
|
|
|
|
|
Bring Couriers |
$529.07 |
|
|
|
|
Courier Services - Health Services |
|
|
|
|
|
Buggybuddys |
$495.00 |
|
|
|
|
Annual Subscription - Brand Builder Advertising Quarterly Package - Library Services |
|
|
|
|
|
Social Media Advertising & Newsletter Spotlight Box - Community Links |
|
|
|
|
|
Bullivants Pty Ltd |
$2,218.15 |
|
|
|
|
Slasher Lifter - Engineering |
|
|
|
|
|
Onsite Inspection - MacDermott Parade - Projects |
|
|
|
|
|
Bunnings Pty Ltd |
$806.57 |
|
|
|
|
Hardware Purchases For The City |
|
|
|
|
|
Bunzl Limited |
$11,030.42 |
|
|
|
|
Tissues & Hand Towels - Stores |
|
|
|
|
|
Burgtec Australasia Pty Ltd |
$88.00 |
|
|
|
|
Long Taper - Community Development |
|
|
|
|
|
Businessphotos.com.au |
$594.00 |
|
|
|
|
Virtual Tour - Lake Joondalup Pavillion - Facilities |
|
|
|
|
|
C R Kennedy & Co Pty Ltd |
$22.00 |
|
|
|
|
Extra Pen - Surveys |
|
|
|
|
|
C Wood Distributors |
$721.60 |
|
|
|
|
Resale Items - Aquamotion |
|
|
|
|
|
Calidad Industries |
$330.00 |
|
|
|
|
Opal Domes - Building Maintenance |
|
|
|
|
|
Campbells Wholesale Pty Ltd |
$502.77 |
|
|
|
|
Inox Lubricant - Stores |
|
|
|
|
|
Cancer Council WA |
$1,814.27 |
|
|
|
|
Hats - Stores |
|
|
|
|
|
Cardno (WA) Pty Ltd |
$28,726.61 |
|
|
|
|
Professional Fee For Yanchep Coastal Risk Management Period Ending 25.07.2014 - Projects |
|
|
|
|
|
Professional Fees For Civic Centre - Engineering |
|
|
|
|
|
Carramar Resources Industries |
$6,390.57 |
|
|
|
|
Disposal Of Rubble From Various Locations - Engineering/Projects |
|
|
|
|
|
Castledine Gregory |
$3,214.20 |
|
|
|
|
Legal Fees For The City |
|
|
|
|
|
CBC Australia Pty Ltd |
$305.18 |
|
|
|
|
Bearing Unit - Fleet |
|
|
|
|
|
Chair Guru |
$171.60 |
|
|
|
|
Repairs To Office Chair - Aquamotion |
|
|
|
|
|
Challenge Batteries WA |
$2,541.00 |
|
|
|
|
Vehicle Batteries - Fleet/Stores |
|
|
|
|
|
Cherry's Catering |
$9,391.00 |
|
|
|
|
Catering For Various Council Functions |
|
|
|
|
|
Chica Catering |
$5,158.60 |
|
|
|
|
Catering For Various Council Functions |
|
|
|
|
|
Children's Book Council of Aust |
$54.00 |
|
|
|
|
Book Stock For Libraries |
|
|
|
|
|
Chris Kershaw Photography |
$450.00 |
|
|
|
|
Photography For Pioneers Lunch - Marketing |
|
|
|
|
|
Civica Pty Ltd |
$18,018.62 |
|
|
|
|
Annual Managed Services Fee 17 - 16.09.2015 - IT |
|
|
|
|
|
Annual Licence Renewal Fees - Bis Excel Report Writer & Bis Excel Pop-Ups - IT |
|
|
|
|
|
Travel Expense Recovery - IT |
|
|
|
|
|
CJD Equipment Pty Ltd |
$1,820.50 |
|
|
|
|
Spare Parts For Fleet |
|
|
|
|
|
Clark Equipment Sales Pty Ltd |
$1,450.79 |
|
|
|
|
Spare Parts For Fleet/Stores |
|
|
|
|
|
Coates Hire Operations Pty Ltd |
$726.43 |
|
|
|
|
Equipment Hire For Projects |
|
|
|
|
|
Coca Cola Amatil Pty Ltd |
$128.65 |
|
|
|
|
Beverages For Kingsway |
|
|
|
|
|
Commissioner of Police |
$135.90 |
|
|
|
|
Volunteer Police Checks For June 2014 - Community Links |
|
|
|
|
|
Concept Wire Industries |
$24,640.00 |
|
|
|
|
Baling Wire - WRC |
|
|
|
|
|
Core Business Australia |
$2,057.00 |
|
|
|
|
Review Of Budget Stage 1 - Legal Services |
|
|
|
|
|
Corporate Scorecard |
$3,729.66 |
|
|
|
|
Financial & Performance Assessment Procurement - Contracts |
|
|
|
|
|
Courier Australia |
$70.39 |
|
|
|
|
Courier Services - Fleet |
|
|
|
|
|
COVS Parts |
$2,293.45 |
|
|
|
|
Various Items - Stores/WRC/Fleet |
|
|
|
|
|
Crush |
$973.50 |
|
|
|
|
Paddock 2 Plate Newsletter & Digital Artwork Health |
|
|
|
|
|
Cubic Solutions |
$191,144.85 |
|
|
|
|
Drainage Upgrade - Megaochamber Soakway System Active Park - Projects |
|
|
|
|
|
Cummins South Pacific Pty Ltd |
$392.93 |
|
|
|
|
Spare Parts - Fleet |
|
|
|
|
|
Data #3 Limited |
$228,721.13 |
|
|
|
|
Computer Accessories - IT |
|
|
|
|
|
SQL Server Standard Core Single Licences $218,217.22 - IT |
|
|
|
|
|
Various Software Purchases/Licenses - IT |
|
|
|
|
|
Exchange 2013 Server Health Check & Report - IT |
|
|
|
|
|
Datacom Systems (WA) Pty Ltd |
$522.50 |
|
|
|
|
Exchange Support 11.06.2014 - IT |
|
|
|
|
|
Datanet Pty Ltd |
$1,177.00 |
|
|
|
|
USB Scanner Kit X 10 - IT |
|
|
|
|
|
De Vita & Dixon Lawyers |
$6,553.20 |
|
|
|
|
Legal Fees For The City |
|
|
|
|
|
Deering Autronics |
$29,729.40 |
|
|
|
|
Installation Of New Fire Signs - Community Safety |
|
|
|
|
|
Dell Australia Pty Ltd |
$16,176.60 |
|
|
|
|
30 X Optical Mouse - IT |
|
|
|
|
|
Laptops & Computer Accessories - IT |
|
|
|
|
|
Diamond Lock & Key |
$2,186.40 |
|
|
|
|
Locking Services For The City |
|
|
|
|
|
Dick Smith Electronics |
$1,481.40 |
|
|
|
|
USB & MS Office Mace & Business 2011 Software - Parks |
|
|
|
|
|
Various Items - Parks Irrigation Maintenance |
|
|
|
|
|
Dingobus Charter |
$550.00 |
|
|
|
|
Bus Hire - School Holiday Program - Youth Services |
|
|
|
|
|
Discus Digital Print |
$566.50 |
|
|
|
|
Corflute Sign - Wanneroo Aquamotion |
|
|
|
|
|
Printing - Telling Stories Posters - Heritage |
|
|
|
|
|
Documentary Services Pty Ltd |
$85.80 |
|
|
|
|
Historical Business Name Search - Leasing & Land Officer |
|
|
|
|
|
Historical Company Search - Leasing & Land |
|
|
|
|
|
Dowsing Concrete |
$25,053.36 |
|
|
|
|
Concrete For Cosimo Drive Woodvale - Engineering |
|
|
|
|
|
Pathway At Greyhound Drive Merriwa - Projects |
|
|
|
|
|
Pram Ramp At McDermott Parade Darch - Projects |
|
|
|
|
|
DPP Unit Trust |
$6,678.45 |
|
|
|
|
Supply & Installation Of Extra & Longer Required Vertical Drains At Jimbup Swamp Park - Projects |
|
|
|
|
|
Drainflow Services Pty Ltd |
$12,166.00 |
|
|
|
|
Emergency Call For Oil Spill - Projects |
|
|
|
|
|
Jetting & Educting At Ocean Drive & Roberts Road - Engineering Maintenance |
|
|
|
|
|
Road Sweeping Services For The City |
|
|
|
|
|
Drive In Electrics |
$1,205.30 |
|
|
|
|
Vehicle Repairs - Fleet |
|
|
|
|
|
Driveshaft Balancing Services |
$1,424.00 |
|
|
|
|
Vehicle Repairs - Fleet |
|
|
|
|
|
Dunbar Services (WA) Pty Ltd |
$856.90 |
|
|
|
|
Cleaning Services - Kitchen At New Civic Centre - Building Maintenance |
|
|
|
|
|
Filter Exchange - Building Maintenance |
|
|
|
|
|
DVG Wanneroo Mitsubishi |
$84.70 |
|
|
|
|
Vehicle Spare Parts - Fleet |
|
|
|
|
|
Dy-Mark (Aust) Pty Ltd |
$1,333.29 |
|
|
|
|
Various Items - Stores |
|
|
|
|
|
E & MJ Rosher |
$3,257.20 |
|
|
|
|
Vehicle Spare Parts - Fleet/Stores |
|
|
|
|
|
Ecolibria |
$1,210.00 |
|
|
|
|
Air Quality Monitoring In HR - Building Maintenance |
|
|
|
|
|
Edge Consulting Engineers Pty Ltd |
$9,321.40 |
|
|
|
|
Progress Fee Claim - Yanchep Industrial Area - Projects |
|
|
|
|
|
Progress Fee Claim - Neerabup Industrial Area - Projects |
|
|
|
|
|
Electrical Industrial Wholesalers |
$20.79 |
|
|
|
|
Parts For Fleet |
|
|
|
|
|
Ellenby Tree Farms |
$10,224.50 |
|
|
|
|
Assorted Plants For Parks |
|
|
|
|
|
Elliotts Irrigation Pty Ltd |
$680.90 |
|
|
|
|
Reticulation Items - Parks |
|
|
|
|
|
Embroidme Malaga |
$1,559.80 |
|
|
|
|
Uniforms For Aquamotion |
|
|
|
|
|
Enchanting Landscapes |
$2,871.00 |
|
|
|
|
Supply/Install Pavers At Aquamotion - Building Maintenance |
|
|
|
|
|
Environmental Industries Pty Ltd |
$137,550.74 |
|
|
|
|
Landscape Maintenance & Services At Various Locations - Parks |
|
|
|
|
|
Planting Of Tubes & Trees On Ocean Reef Road For July 2014 - Projects |
|
|
|
|
|
Ergolink |
$6,733.25 |
|
|
|
|
Ergonomic Equipment - HR |
|
|
|
|
|
ERS Australia Pty Ltd |
$1,416.80 |
|
|
|
|
Parts Washer Service - Fleet |
|
|
|
|
|
Esri Australia |
$3,740.00 |
|
|
|
|
Maintenance - Arcgis For Desktop Basic Suite - IT |
|
|
|
|
|
Essential Fire Services |
$3,666.10 |
|
|
|
|
Supply Fire Extinguisher At Ashby Depot - Building Maintenance |
|
|
|
|
|
Replaced Fire Detector & Base At 3 Rocca Way - Building Maintenance |
|
|
|
|
|
Inspection Of Fire Equipment For July 2014 - Building Maintenance |
|
|
|
|
|
Evolution Traffic Control Pty Ltd |
$26,115.14 |
|
|
|
|
Traffic Control Services For The City |
|
|
|
|
|
Exceed Consulting (WA) Pty Ltd |
$1,881.00 |
|
|
|
|
Safety Audit Of Linear Park - Land Development |
|
|
|
|
|
Inspection Of Wood Bridge At Studmaster Park - Parks |
|
|
|
|
|
Post Installation - Tendering Park Girrawheen - Projects |
|
|
|
|
|
Safety Audit - Mitchell Park - Projects |
|
|
|
|
|
Safety Audit - Chesterfield Park Playground Equipment - Parks |
|
|
|
|
|
Experience Perth |
$325.00 |
|
|
|
|
2014 / 2015 Gold Membership Renewal - Business Development |
|
|
|
|
|
Ezy Vend |
$198.00 |
|
|
|
|
Annual Rental Of Sanitary Dispenser - Aquamotion |
|
|
|
|
|
Fawzak Pty Ltd |
$2,193.67 |
|
|
|
|
Magazines For Library Services |
|
|
|
|
|
Fence Hire WA |
$146.00 |
|
|
|
|
Fence Hire For Wanneroo Community Centre - Building Maintenance |
|
|
|
|
|
Fence Hire For Brandview Park - Parks |
|
|
|
|
|
Find Wise Location Services |
$10,194.25 |
|
|
|
|
Location Of Services At Various Locations - Projects |
|
|
|
|
|
Fire & Safety WA |
$1,161.89 |
|
|
|
|
Fire Boots X 5 - Fire Services |
|
|
|
|
|
Forcorp Pty Ltd |
$3,036.00 |
|
|
|
|
Parts - Stores |
|
|
|
|
|
Forpark Australia |
$2,164.80 |
|
|
|
|
Playground Equipment - Parks |
|
|
|
|
|
Fortron Automotive Treatments Pty Ltd |
$586.08 |
|
|
|
|
Parts - Stores |
|
|
|
|
|
Foxtel |
$90.00 |
|
|
|
|
Foxtel Services - Library |
|
|
|
|
|
Freds Hardware |
$3,270.81 |
|
|
|
|
Hardware Purchases – Parks & Engineering |
|
|
|
|
|
Frontline Fire & Rescue Equipment |
$5,804.21 |
|
|
|
|
Various Equipment - Emergency Services |
|
|
|
|
|
Fuji Xerox Australia Pty Ltd |
$1,175.78 |
|
|
|
|
Paper Supplies - Governance |
|
|
|
|
|
G K Booth & A B Rumball |
$540.00 |
|
|
|
|
School Holiday Excursion - Youth Services |
|
|
|
|
|
GC Sales (WA) |
$5,462.60 |
|
|
|
|
Various Items - Parks |
|
|
|
|
|
Gecko Contracting Turf & Landscape Maintenance |
$9,949.50 |
|
|
|
|
Compactions Works At Warradale BMX Track - Parks |
|
|
|
|
|
Landscaping Works At Hepburn Avenue & Rangeview Avenue - Parks |
|
|
|
|
|
Tree Wells - Greenpark Road - Parks |
|
|
|
|
|
Maintenance Works At Kingsway & Alhambra Way, Bobcastle Way & Bathurst Gardens - Parks |
|
|
|
|
|
Remove Plants At Hepburn & Giralt - Parks |
|
|
|
|
|
Geoff's Tree Service Pty Ltd |
$96,954.90 |
|
|
|
|
Tree Surgeon For Koondoola & Girrawheen - Parks |
|
|
|
|
|
Pruning & Traffic Management At Various Locations - Parks |
|
|
|
|
|
Tree Surgeon & Chipper At Various Locations - Parks |
|
|
|
|
|
Stump Grinding At Various Locations - Parks |
|
|
|
|
|
Paving & Removal Of Roots At Various Locations - Parks |
|
|
|
|
|
Root Barrier At Various Locations - Parks |
|
|
|
|
|
GPR Truck Sales & Service |
$3,497.65 |
|
|
|
|
Wheel Alignments X 4 - Fleet |
|
|
|
|
|
Grand Toyota |
$10,251.15 |
|
|
|
|
Vehicle Services For Fleet |
|
|
|
|
|
Grass Growers |
$42,536.73 |
|
|
|
|
Greenwaste Received For July 2014 - Waste |
|
|
|
|
|
Grasstrees Australia |
$2,288.00 |
|
|
|
|
Deliver/Install Grasstrees At Various Location - Conservation |
|
|
|
|
|
Greenline Ag Pty Ltd |
$5,139.07 |
|
|
|
|
Parts/Repairs - Fleet |
|
|
|
|
|
Greens Hiab Service |
$877.25 |
|
|
|
|
Remove Goal Posts At Various Locations - Parks |
|
|
|
|
|
Greenway Enterprises |
$2,427.79 |
|
|
|
|
Various Items - Stores/Parks |
|
|
|
|
|
Greenwood Party Hire |
$132.20 |
|
|
|
|
Glassware For Telling Stories Opening - Heritage |
|
|
|
|
|
Guardian Tactile Systems Pty Ltd |
$3,534.78 |
|
|
|
|
Supply/Lay Tactile Pavers At Hartman Drive & Westport Parade - Engineering |
|
|
|
|
|
Replacement Of Tactile - Wanneroo & Kingsway Road - Engineering |
|
|
|
|
|
GWF Retail Pty Ltd |
$1,980.00 |
|
|
|
|
Refurbishment Of Kingsway Indoor Stadium - Building Maintenance |
|
|
|
|
|
Gymcare |
$414.43 |
|
|
|
|
Supply & Maintenance Of Gym Equipment - Aquamotion |
|
|
|
|
|
Hands-On Infection Control |
$29.70 |
|
|
|
|
Hepatitis B Post Vaccination - WRC |
|
|
|
|
|
Hanson Construction Materials Pty Ltd |
$55,430.93 |
|
|
|
|
Concrete For Pathways - Engineering/Projects |
|
|
|
|
|
Hare & Forbes Pty Ltd |
$135.30 |
|
|
|
|
Parts - Fleet |
|
|
|
|
|
Harmer News Pty Ltd |
$289.96 |
|
|
|
|
Newspapers/Periodicals For The City |
|
|
|
|
|
Heatley Sales Pty Ltd |
$5,305.24 |
|
|
|
|
Various Parts & Items - Stores |
|
|
|
|
|
Heavy Automatics |
$44.48 |
|
|
|
|
Parts - Fleet |
|
|
|
|
|
Hendercare |
$24,170.54 |
|
|
|
|
Support Services HACC/CACP Clients |
|
|
|
|
|
Hitachi Construction Machinery Pty Ltd |
$2,645.22 |
|
|
|
|
Vehicle Filters - Depot Store |
|
|
|
|
|
Holton Connor Pty Ltd |
$43,892.20 |
|
|
|
|
Detailed Design Architectural Consultancy For Koondoola Community Centre - Projects |
|
|
|
|
|
HopgoodGanim |
$28,093.20 |
|
|
|
|
Legal Fees For The City |
|
|
|
|
|
HS Hyde & Son |
$63,801.10 |
|
|
|
|
Internal Modifications At Gumblossom Community Centre - Projects |
|
|
|
|
|
Hughan Saw Service |
$101.20 |
|
|
|
|
Sharpen Blades - Fleet |
|
|
|
|
|
Hughmark Quality Furniture Pty Ltd |
$4,612.00 |
|
|
|
|
Fabrication & Installation Of Specified Cabinetry For The City - Building Maintenance |
|
|
|
|
|
Humes Concrete Products |
$35,262.25 |
|
|
|
|
Drainage Items For The City |
|
|
|
|
|
Hydroquip Pumps |
$11,209.00 |
|
|
|
|
Mainline Extension Of Kingsway Netball Courts - Parks |
|
|
|
|
|
Irrigation Design For Fred Stubbs Parks - Coastal Projects |
|
|
|
|
|
Ice and Oven Technologies Pty Ltd |
$2,338.08 |
|
|
|
|
Preventative Maintenance Services Of Ice Machines - Building Maintenance |
|
|
|
|
|
ID Consulting Pty Ltd |
$15,653.00 |
|
|
|
|
Annual Subscription Fee From August 2014 - Profile/Atlas.Id - IT |
|
|
|
|
|
ID Equipment Pty Ltd Trading As Vermeer (WA & NT) |
$133.90 |
|
|
|
|
Spare Parts - Stores |
|
|
|
|
|
Impact Publications |
$33.00 |
|
|
|
|
One Year Subscription For Micebtn Magazine May 2015 - Marketing |
|
|
|
|
|
Initial Hygiene |
$2,532.32 |
|
|
|
|
Sanitary Disposal Services For July 2014 At Various Locations - Building Maintenance |
|
|
|
|
|
Insight Call Centre Services |
$6,022.81 |
|
|
|
|
Call Centre Services For June 2014 |
|
|
|
|
|
Intercity Office Partitioning |
$6,270.00 |
|
|
|
|
Supply/Install New Partition Walls At Ashby Operations Centre - Building Maintenance |
|
|
|
|
|
Works At Lake Joondalup Pre School |
|
|
|
|
|
Isentia Pty Ltd |
$3,142.41 |
|
|
|
|
Media Monitoring For July 2014 - Marketing |
|
|
|
|
|
J Blackwood & Son Ltd |
$1,751.72 |
|
|
|
|
Various Items - Stores/Fleet |
|
|
|
|
|
J.H. Fluid Transfer Solutions Private Limited |
$4,923.03 |
|
|
|
|
Vehicle Hoses - Fleet Maintenance |
|
|
|
|
|
Jadu Software Pty Ltd |
$11,000.00 |
|
|
|
|
Community Consultation Publishing - IT |
|
|
|
|
|
James Bennett Pty Ltd |
$3,006.98 |
|
|
|
|
Book Purchases - Library Services |
|
|
|
|
|
JCA Dealer Services |
$114.40 |
|
|
|
|
Camera Harness - Fleet |
|
|
|
|
|
Joondalup Climbing Centre Unit Trust |
$120.00 |
|
|
|
|
Climbing For 8 People - Youth Services |
|
|
|
|
|
Joondalup Drive Medical Centre |
$6,196.00 |
|
|
|
|
Medical Fees - HR/Fire Services |
|
|
|
|
|
Joy Legge |
$1,140.00 |
|
|
|
|
Consultancy Fee For Public Art Valuation - Heritage |
|
|
|
|
|
KDAire Mechanical Services |
$9,252.07 |
|
|
|
|
Airconditioning Maintenance For The City |
|
|
|
|
|
Kerb Direct Kerbing |
$46,621.24 |
|
|
|
|
Kerbing At Various Locations - Projects |
|
|
|
|
|
Ketten Pty Ltd |
$7,837.50 |
|
|
|
|
Parts For Fleet |
|
|
|
|
|
Kevrek |
$8.91 |
|
|
|
|
Parts For Fleet |
|
|
|
|
|
Kleenit |
$2,432.10 |
|
|
|
|
Graffiti Removal For The City |
|
|
|
|
|
Knight And Sons |
$515.36 |
|
|
|
|
Food For Animal Care |
|
|
|
|
|
Konnect (Coventry Fasteners) |
$525.65 |
|
|
|
|
Vehicle Spare Parts - WRC/Fleet |
|
|
|
|
|
Kott Gunning |
$522.61 |
|
|
|
|
Legal Fees - Kingsway Dispute - Projects |
|
|
|
|
|
Kyocera Document Solutions |
$6,623.36 |
|
|
|
|
Photocopier Meter Reading For The City |
|
|
|
|
|
L & T Venables Pty Ltd |
$302.05 |
|
|
|
|
Various Items For WRC |
|
|
|
|
|
Ladybirds Plant Hire |
$449.35 |
|
|
|
|
Rental Of Indoor Plants For The City |
|
|
|
|
|
Landmark Engineering & Design Pty Ltd |
$1,798.50 |
|
|
|
|
Custom Vasse Table & Stools For Nyunda Park - Projects |
|
|
|
|
|
LD Total |
$22,859.52 |
|
|
|
|
Landscape Maintenance Services For July 2014 At Various Locations - Parks |
|
|
|
|
|
Maintenance - Traffic Management Services At Hepburn Avenue Medians - Parks |
|
|
|
|
|
Learning Horizons |
$8,800.00 |
|
|
|
|
Business Excellence Training - Office Of The CEO |
|
|
|
|
|
Learning Seat Pty Ltd |
$1,815.00 |
|
|
|
|
Base Fee For July 2014 - HR |
|
|
|
|
|
Leda Security Products |
$4,939.84 |
|
|
|
|
Bike Rack On Wheels - Transport & Traffic |
|
|
|
|
|
Len French Fencing Contractor |
$140.00 |
|
|
|
|
Repair Fencing At Banksia Grove Community Centre - Parks |
|
|
|
|
|
Lizelle Van Den Berg |
$280.20 |
|
|
|
|
Confectionery For Kingsway |
|
|
|
|
|
Local Government Managers Australia |
$214.50 |
|
|
|
|
Training - Induction To Local Government Workshop 12.08.14 – R Aitken - Office Of The CEO |
|
|
|
|
|
Local Health Authorities Analytical Committee |
$36,217.21 |
|
|
|
|
Analytical Services 2014/2015 For Population - Health Services |
|
|
|
|
|
Lovegrove Turf Services Pty Ltd |
$18,234.43 |
|
|
|
|
Turfing Works For The City |
|
|
|
|
|
MacDonald Johnston Engineering Company |
$28,242.69 |
|
|
|
|
Vehicle Spare Parts - Fleet/Stores |
|
|
|
|
|
Maclean & Lawrence Pty Ltd |
$440.00 |
|
|
|
|
Yanchep Lagoon Water & Sewer Services Stage 2 - Projects |
|
|
|
|
|
Major Motors |
$80,108.00 |
|
|
|
|
New Vehicle - Isuzu Tip Truck - Fleet $77,572.80 |
|
|
|
|
|
Spare Parts - Fleet/Stores |
|
|
|
|
|
Mandalay Technologies Pty Ltd |
$11,613.29 |
|
|
|
|
Annual Software Subscription Fee October 2014 - September 2015 - IT |
|
|
|
|
|
Mandi Nelson |
$594.00 |
|
|
|
|
Yoga Fitness Instructor - Kingsway & Aquamotion |
|
|
|
|
|
Marfleet Distributing Co. Pty Ltd |
$704.00 |
|
|
|
|
Parts For Fleet |
|
|
|
|
|
Marketforce Express Pty Ltd |
$4,326.59 |
|
|
|
|
Advertising Services For The City |
|
|
|
|
|
Mayday Earthmoving |
$143,017.60 |
|
|
|
|
Heavy Equipment Hire For The City |
|
|
|
|
|
Mercury Search & Selection Pty Ltd |
$2,420.00 |
|
|
|
|
E-Recruitment Monthly Software - HR |
|
|
|
|
|
Meridian Services |
$4,728.68 |
|
|
|
|
Provision Of Security Officers - Regulatory Services |
|
|
|
|
|
Metrocount |
$10,159.60 |
|
|
|
|
Traffic Counter X 2 - Infrastructure Assets |
|
|
|
|
|
Metropolitan Cash Register Company |
$108.57 |
|
|
|
|
Thermal Paper Rolls - Libraries |
|
|
|
|
|
Midalia Steel Pty Ltd |
$1,031.65 |
|
|
|
|
Steel For General Repairs - Fleet/WRC |
|
|
|
|
|
Mindarie Regional Council |
$136,160.62 |
|
|
|
|
Domestic Refuse Disposal - - Waste |
|
|
|
|
|
Miracle Recreation Equipment Pty Ltd |
$3,309.90 |
|
|
|
|
Playground Equipment At Various Locations - Parks |
|
|
|
|
|
Mirco Bros Pty Ltd Oil Distributors |
$3,339.65 |
|
|
|
|
Various Items - Parks/Conservation |
|
|
|
|
|
Modern Motor Trimmers |
$441.41 |
|
|
|
|
Vehicle Seat Repairs - Fleet |
|
|
|
|
|
Morley Mower Centre |
$954.30 |
|
|
|
|
Vehicle Spare Parts - Stores/Fleet |
|
|
|
|
|
Morrissey Marketing & Communications |
$2,925.00 |
|
|
|
|
In House Consultancy Services - Communications Team Backfill - Marketing |
|
|
|
|
|
Move It |
$968.00 |
|
|
|
|
Removal Service - Community Links |
|
|
|
|
|
Relocation - Clarkson Library To Girrawheen Library - Library Services |
|
|
|
|
|
Ms Wendy Lugg |
$462.00 |
|
|
|
|
Workshop - Telling Stories - Heritage |
|
|
|
|
|
MTU Detroit Diesel Australia Pty Ltd |
$264.90 |
|
|
|
|
Ad Blue Cube - Stores |
|
|
|
|
|
Nastech WA Pty Ltd |
$3,598.50 |
|
|
|
|
Survey - Capricorn Esplanade Yanchep & Adjoining Crown Reserve - Property |
|
|
|
|
|
Site Survey Field Work & Preparation Of Site Plan At Marangaroo Golf Course - Property |
|
|
|
|
|
National Measurement Institute |
$2,119.22 |
|
|
|
|
Analysis Fees - Parks |
|
|
|
|
|
Natural Area Holdings Pty Ltd |
$4,896.65 |
|
|
|
|
Additional Stock For Yanchep & Mindarie - Projects |
|
|
|
|
|
Netsight Pty Ltd |
$820.88 |
|
|
|
|
Myosh Hours 19.06.2014 - OSH |
|
|
|
|
|
Weekly Incident Report - 22.07.2014 - OSH |
|
|
|
|
|
New Internationalist Publications Pty Ltd |
$216.00 |
|
|
|
|
Renewal Of Magazine Subscription - Library |
|
|
|
|
|
Newsxpress Ocean Keys |
$46.00 |
|
|
|
|
Newspapers/Periodicals - Libraries |
|
|
|
|
|
Non Organic Disposal |
$1,229.60 |
|
|
|
|
Disposal Of Materials - Projects |
|
|
|
|
|
Northern Districts Pest Control |
$1,001.00 |
|
|
|
|
Pest Control Services For The City |
|
|
|
|
|
Northern Lawnmower & Chainsaw Specialists |
$149.00 |
|
|
|
|
Shredding Blade - Parks |
|
|
|
|
|
Novus Autoglass |
$357.50 |
|
|
|
|
Supply/Fit Windscreen WN32674 - Fleet |
|
|
|
|
|
Oars Across The Waters Pty Ltd |
$4,725.88 |
|
|
|
|
Specialist Psych Services - Employee Support Program - HR |
|
|
|
|
|
Oce Australia Limited |
$1,305.70 |
|
|
|
|
Paper & Toner - Projects |
|
|
|
|
|
OCP Sales - Omnific Enterprises P/L |
$2,465.76 |
|
|
|
|
Labour Charge - Repair Vertex |
|
|
|
|
|
Various Items For WRC |
|
|
|
|
|
Office Cleaning Experts |
$55,673.97 |
|
|
|
|
Cleaning Services For The City - Building Maintenance |
|
|
|
|
|
Officemax |
$303.86 |
|
|
|
|
Cables For IT |
|
|
|
|
|
Printroom Supplies - Governance |
|
|
|
|
|
Orica Australia P/L |
$295.99 |
|
|
|
|
Chlorine Cylinders - Aquamotion |
|
|
|
|
|
Original Canvas Works |
$120.00 |
|
|
|
|
Generator Cover - Waste |
|
|
|
|
|
Osborne Park Welding Supplies |
$184.80 |
|
|
|
|
Parts For Fleet |
|
|
|
|
|
Pacific Brands Workwear Group |
$6,699.84 |
|
|
|
|
Staff Uniforms - Stores |
|
|
|
|
|
Paperbark Technologies |
$4,902.00 |
|
|
|
|
Arboricultural Inspection At Various Locations - Conservation |
|
|
|
|
|
Annual Qtra Report For Various Locations - Conservation |
|
|
|
|
|
Tree Count Of Norfolk Island Pines - Mindarie - Parks |
|
|
|
|
|
Parks & Leisure Australia |
$275.00 |
|
|
|
|
Individual Membership - S Spinks - Programs |
|
|
|
|
|
Pathfinder Technology Group Pty Ltd |
$189.69 |
|
|
|
|
Optical Fibre Patch Leads - IT |
|
|
|
|
|
Perth Bin Hire |
$4,933.17 |
|
|
|
|
Truck Hire & Driver - WRC |
|
|
|
|
|
Open Top & Compactor Bin Rental - WRC |
|
|
|
|
|
Perth Industrial Centre Pty Ltd |
$557.26 |
|
|
|
|
Parts - Fleet |
|
|
|
|
|
Perth Recruitment Services |
$4,534.76 |
|
|
|
|
Casual Labour - Fleet |
|
|
|
|
|
Pertrain Pty Ltd |
$4,567.20 |
|
|
|
|
Printing - Take 5 Books X 1000 - OSH |
|
|
|
|
|
Phoenix Motors of Wanneroo |
$32,068.85 |
|
|
|
|
New Vehicle - Holden Colorado Dual Cab - Fleet Assets |
|
|
|
|
|
PILA Group Pty Ltd |
$9,262.00 |
|
|
|
|
Various Items - Parks |
|
|
|
|
|
Pinakis Refrigeration Works Pty Ltd |
$3,410.00 |
|
|
|
|
Repair Cold Room At New Civic Centre - Building Maintenance |
|
|
|
|
|
PJ & CA Contracting |
$1,491.88 |
|
|
|
|
Barrier Gate Inspections At Paloma Park - Parks |
|
|
|
|
|
Sand Machine Cleaning At Rotary Park - Parks |
|
|
|
|
|
Replace Damage Capping At Delemere Park - Parks |
|
|
|
|
|
Place Partners Pty Ltd |
$1,100.00 |
|
|
|
|
Workshop - Nice Plan Pity About The Place 24.07.2014 - Facilities |
|
|
|
|
|
Plantrite |
$392.48 |
|
|
|
|
Plants For Projects |
|
|
|
|
|
Landscaping At Joondalup Drive - Projects |
|
|
|
|
|
Playmaster Pty Ltd |
$23,100.00 |
|
|
|
|
Supply/Install Playground Unit & 3 Bay Swing At Tendering Park |
|
|
|
|
|
PLE Computers |
$134.00 |
|
|
|
|
USB Switch & Wireless Router - IT |
|
|
|
|
|
Powdersafe Pty Ltd |
$4,088.50 |
|
|
|
|
Powdersafe System Comprising Information DVD/Chamber Complete With Letter Openers - IT |
|
|
|
|
|
Powerlift Material Handling Pty Ltd |
$1,370.78 |
|
|
|
|
Parts - Fleet |
|
|
|
|
|
PPW Pty Ltd |
$106.68 |
|
|
|
|
25mm Binders & Covers - Heritage, Museums & Arts |
|
|
|
|
|
Prestige Alarms |
$3,506.53 |
|
|
|
|
Alarm Services For The City |
|
|
|
|
|
Programmed Integrated Workforce |
$39,074.95 |
|
|
|
|
Casual Labour For The City |
|
|
|
|
|
Project Industries |
$291.61 |
|
|
|
|
Spare Parts - Stores/Fleet |
|
|
|
|
|
Protector Alsafe |
$5,586.71 |
|
|
|
|
Various Items - Stores/Fleet |
|
|
|
|
|
Put On Happy Face - Face Painting |
$270.00 |
|
|
|
|
Face Painting At Naidoc - Community Links |
|
|
|
|
|
Raeco International Pty Ltd |
$3,731.20 |
|
|
|
|
Adjustable Table For Clarkson Library - Building Maintenance |
|
|
|
|
|
RCG Pty Ltd |
$11,217.64 |
|
|
|
|
Disposal Of Mixed Rubble - Projects & Engineering |
|
|
|
|
|
Recall Total Information Management |
$73.11 |
|
|
|
|
Documents Retrieval 21.06.2014 - 25.07.2014 - IT |
|
|
|
|
|
Reface Industries |
$260.00 |
|
|
|
|
Replacement Buffer Pads For Disc Cleaning Machine - Library |
|
|
|
|
|
Reinol WA |
$395.34 |
|
|
|
|
Reinol K Cartridges - Fleet |
|
|
|
|
|
Reliable Fencing |
$23,636.77 |
|
|
|
|
Fencing Repairs At Various Locations - Parks |
|
|
|
|
|
Install Fencing At Breakwater Mindarie - Parks |
|
|
|
|
|
Replace Shade Sail At Quinns - Conservation |
|
|
|
|
|
Replace/Modify Bollards At Various Locations - Parks |
|
|
|
|
|
Service Locks/Gates At Various Locations - Engineering |
|
|
|
|
|
200 X Timber Rails - Conservation |
|
|
|
|
|
Retractable Tarps Pty Ltd |
$781.44 |
|
|
|
|
Parts - Fleet |
|
|
|
|
|
Richard Harrison |
$150.00 |
|
|
|
|
Remove Of Bees At Kingsway Drive - Parks |
|
|
|
|
|
Richgro |
$80.00 |
|
|
|
|
Landscape/Lawn Mix - Parks |
|
|
|
|
|
Ricoh Australia Pty Ltd |
$4,289.75 |
|
|
|
|
Image Charges For Printroom - Governance |
|
|
|
|
|
Ricoh Finance |
$3,294.50 |
|
|
|
|
Lease Fees For Printers - Governance |
|
|
|
|
|
Road Signs Australia |
$13,057.22 |
|
|
|
|
Signs - Various Drainage Work X 2 - Projects |
|
|
|
|
|
Sign - Paw Closure - Engineering |
|
|
|
|
|
Sign - Keep Left - Engineering |
|
|
|
|
|
Sign - Proposed Bus Shelter Removal - Engineering |
|
|
|
|
|
Ark Brackets X 200 - Engineering |
|
|
|
|
|
Sign - Yanchep Beach & Yanchep Dog Beach - Engineering |
|
|
|
|
|
Sign - Yanchep Lagoon Beach & Kiok - Projects |
|
|
|
|
|
Sign - Temp Access Restrictions - Projects |
|
|
|
|
|
Sign - Yanchep Lagoon Beach & Kiosk - Projects |
|
|
|
|
|
Sign - August 2014 - Infrastructure Maintenance |
|
|
|
|
|
Sign - Shopping Centre - Road And Traffic |
|
|
|
|
|
Sign - Modified Intersections - Engineering |
|
|
|
|
|
Signs - Various Work - Engineering |
|
|
|
|
|
Street Name Plates - Engineering |
|
|
|
|
|
Pedestrian Bollards - Projects |
|
|
|
|
|
Roads 2000 Pty Ltd |
$58,561.55 |
|
|
|
|
Road Works At Various Locations - Projects |
|
|
|
|
|
Robinson Agencies Pty Ltd |
$234.85 |
|
|
|
|
Table Connector - Building |
|
|
|
|
|
Roof Safety Solutions Pty Ltd |
$940.50 |
|
|
|
|
Supply/Install Of New Height Safety Equipment At Limelight Theatre - Building Maintenance |
|
|
|
|
|
Roy Gripske & Sons Pty Ltd |
$1,729.33 |
|
|
|
|
Spare Parts For Stores |
|
|
|
|
|
Rubek Automatic Doors |
$275.00 |
|
|
|
|
Service Door At WLCC - Building |
|
|
|
|
|
Ryoka Elton |
$220.00 |
|
|
|
|
Yoga & Meditation - Funded Services |
|
|
|
|
|
Safety World |
$8,162.66 |
|
|
|
|
Safety Items For Various Departments |
|
|
|
|
|
Safetyquip |
$100.44 |
|
|
|
|
Gloves - IT |
|
|
|
|
|
Sage Consulting Engineers |
$6,050.00 |
|
|
|
|
Professional Services - Kingsway Baseball Lighting - Projects |
|
|
|
|
|
Sanax Medical And First Aid Supplies |
$1,128.93 |
|
|
|
|
First Aid Supplies - Health Services/ Stores |
|
|
|
|
|
Schiavello WA Pty Ltd |
$209.00 |
|
|
|
|
Adjuster Handle - HR |
|
|
|
|
|
Schindler Lifts Aust Pty Ltd |
$1,988.69 |
|
|
|
|
Lift/Escalator Service For July At Various Locations - Building Maintenance |
|
|
|
|
|
Scott Print |
$3,759.80 |
|
|
|
|
Printing - Bulk Waste Flyers - Waste Operations |
|
|
|
|
|
Scotts Trimming Service |
$715.00 |
|
|
|
|
Repair Seat Covers To Plant 98349 - Fleet |
|
|
|
|
|
Shade Cloth Tarp - Fleet |
|
|
|
|
|
Sean Lillico |
$170.00 |
|
|
|
|
Piano Tunning Services - Facilities |
|
|
|
|
|
Shawsett Training & Safety Pty Ltd |
$1,669.00 |
|
|
|
|
Training - Operate 4wd & Dvuoc 27.07.2014 – A Wray, H Bawden - Fire Services |
|
|
|
|
|
Sign Synergy Pty Ltd |
$605.00 |
|
|
|
|
Applied Film Windows - Kingsway Sports Centre - Building Maintenance |
|
|
|
|
|
Sinclair Knight Merz Pty Ltd |
$8,510.12 |
|
|
|
|
Progress Claim 6 - Gnangara Road Realignment - Projects |
|
|
|
|
|
SoundPack Solutions |
$127.99 |
|
|
|
|
Various Items - Library Services |
|
|
|
|
|
Source Machinery Pty Ltd |
$1,514.48 |
|
|
|
|
Repairs/Spare Parts - Fleet |
|
|
|
|
|
Specialised Force Pty Ltd |
$122.98 |
|
|
|
|
Spare Parts - Fleet |
|
|
|
|
|
Sports World of WA |
$709.50 |
|
|
|
|
Various Items - Aquamotion |
|
|
|
|
|
Spraymaster Spray Shop |
$1,219.50 |
|
|
|
|
Knapsack Sprayer - Parks |
|
|
|
|
|
Spare Parts - Fleet |
|
|
|
|
|
St John Ambulance of Australia |
$89.00 |
|
|
|
|
Training - CPR Course For P Ellerby - Health Services |
|
|
|
|
|
Stantons International Audit & Consulting Pty Ltd |
$264.00 |
|
|
|
|
Professional Services - Probity Advisory Services - City Businesses |
|
|
|
|
|
Statewide Cleaning Supplies Pty Ltd |
$1,955.54 |
|
|
|
|
Cleaning Supplies - Depot Store |
|
|
|
|
|
Statewide Pump Services |
$30,040.00 |
|
|
|
|
Oil Recovery - Fleet |
|
|
|
|
|
Works At Aquamotion - Building |
|
|
|
|
|
Progressive Payment 2 - Tank Pumps At Aquamotion - Building Maintenance |
|
|
|
|
|
July Inspections - Rotary Site Services & Yanchep Beach Kiosk - Building Maintenance |
|
|
|
|
|
Sterihealth Services Pty Ltd |
$169.46 |
|
|
|
|
Sharpsmart - Health |
|
|
|
|
|
Streamline Trust |
$45.80 |
|
|
|
|
Newspaper Supplies To Library |
|
|
|
|
|
Subaru Wangara |
$37,099.98 |
|
|
|
|
New Vehicle Purchase - Outback Wagon WN33691 - Fleet Assets |
|
|
|
|
|
Suitcase Circus |
$550.00 |
|
|
|
|
Have A Go Show - HACC Programs - Funded Services |
|
|
|
|
|
Sun City Publishing Pty Ltd |
$1,506.00 |
|
|
|
|
Advertising For July 2014 - Marketing |
|
|
|
|
|
Sunny Industrial Brushware |
$1,501.30 |
|
|
|
|
Brooms/Brushes - Stores |
|
|
|
|
|
Various Items - Fleet |
|
|
|
|
|
Supreme Drycleans and Laundrette |
$280.00 |
|
|
|
|
Launder Sports Bibs - Kingsway |
|
|
|
|
|
Surekleen Products |
$567.82 |
|
|
|
|
Supa Kleen Extra - Fleet |
|
|
|
|
|
Surf Life Saving WA Incorporated |
$8,036.23 |
|
|
|
|
Coastal Risk & Safety Signage Audit Part 2 Services For July 2014 Claim 3 Of 3 - Programs |
|
|
|
|
|
Swan Towing Services Pty Ltd |
$2,681.25 |
|
|
|
|
Towing Services - Fleet |
|
|
|
|
|
Forklift Bogged - WRC |
|
|
|
|
|
Tenderlink.com |
$192.50 |
|
|
|
|
SAAS Service - 7 X Tenders - Contracts |
|
|
|
|
|
The Hire Guys Wangara |
$2,063.80 |
|
|
|
|
Equipment Hire - Projects/ Engineering/Waste |
|
|
|
|
|
The Linen Press |
$520.00 |
|
|
|
|
Linen Hire - Pioneers Function |
|
|
|
|
|
The Rigging Shed |
$1,401.40 |
|
|
|
|
Inspect Lanyard & Tag - Waste |
|
|
|
|
|
Various Parts - Fleet |
|
|
|
|
|
The Royal Life Saving Society Australia WA Branch Incorporated |
$16,298.00 |
|
|
|
|
Resuscitation Requalification - Swim School Group Booking - Aquamotion |
|
|
|
|
|
Completed Home Pool Inspections - Regulatory Services |
|
|
|
|
|
SSCBA Training For S Lockyer & S Pearsall - Aquamotion |
|
|
|
|
|
The Watershed Water Systems |
$27,046.87 |
|
|
|
|
Reticulation Items - Parks |
|
|
|
|
|
Tim Eva's Nursery |
$247.50 |
|
|
|
|
35ltr Chemicals - Parks |
|
|
|
|
|
TMH Total Materials Handling |
$452.47 |
|
|
|
|
Conveyor Belt Repair Kit - Waste |
|
|
|
|
|
Toll Transport Pty Ltd |
$1,122.51 |
|
|
|
|
Courier Services For The City |
|
|
|
|
|
Total Landscape Redevelopment Service Pty Ltd |
$16,412.00 |
|
|
|
|
Construction Of Playground Softfall & Limestone Block Playground Edging At Mitchell Park - Projects |
|
|
|
|
|
Toyota Material Handling (WA) Pty Ltd |
$1,586.40 |
|
|
|
|
Spare Parts - Fleet |
|
|
|
|
|
TQuip |
$1,622.50 |
|
|
|
|
Vehicle Spare Parts - Stores/Fleet |
|
|
|
|
|
Trisley's Hydraulic Services Pty Ltd |
$12,753.25 |
|
|
|
|
Monthly Service To Pool Filtration - Aquamotion |
|
|
|
|
|
Repairs To Pump - Aquamotion |
|
|
|
|
|
Install New UV Fan To Spa - Aquamotion |
|
|
|
|
|
Replace Mechanical Seal To Deep Pool Heat Boost Pump - Aquamotion |
|
|
|
|
|
Annual Preventative Maintenance - Aquamotion |
|
|
|
|
|
Triton Electrical Contractors Pty Ltd |
$28,107.86 |
|
|
|
|
Supply/Install 2 Wire Connection At Kingsway Sporting - Parks |
|
|
|
|
|
Repair Damaged Cable At Bayport Park |
|
|
|
|
|
Upgrade Of Equipment At Various Locations - parks |
|
|
|
|
|
GPS Tracking At Marangaroo Golf Course - Parks |
|
|
|
|
|
Check Faulty Pumps At Various Locations - Parks |
|
|
|
|
|
Trophy Specialists |
$22.00 |
|
|
|
|
Name Tag - S Johnson - Marketing |
|
|
|
|
|
Truck Centre WA Pty Ltd |
$121,248.22 |
|
|
|
|
New Vehicle Purchase Nissan Truck 5 Speed Automatic $120,930.70 - Fleet Assets |
|
|
|
|
|
Licensing Fees For WN33669 - Fleet |
|
|
|
|
|
Spare Parts - Fleet |
|
|
|
|
|
Turbotech Turbochargers |
$21.56 |
|
|
|
|
Spare Parts For Fleet |
|
|
|
|
|
Turfmaster Pty Ltd |
$6,485.82 |
|
|
|
|
Turfing - Various Locations - Parks |
|
|
|
|
|
UES (Int'L) Pty Ltd |
$183.57 |
|
|
|
|
Spare Parts For Fleet |
|
|
|
|
|
United Equipment |
$162.69 |
|
|
|
|
Various Parts Fleet |
|
|
|
|
|
UNLTD Power Pty Ltd |
$59,881.00 |
|
|
|
|
Provision Of Solar Panels For Clarkson Library - Planning & Sustainability |
|
|
|
|
|
Vertical Telecoms WA Pty Ltd |
$557.15 |
|
|
|
|
Repair Radios - Fleet |
|
|
|
|
|
Vigilant Traffic Management Pty Ltd |
$56,272.81 |
|
|
|
|
Traffic Management Services For The City |
|
|
|
|
|
WA Garage Doors Pty Ltd |
$4,510.00 |
|
|
|
|
Remove/Install Damaged Roller Shutter Door At Aquamotion - Building Maintenance |
|
|
|
|
|
WA Hino Sales & Service |
$863.85 |
|
|
|
|
Vehicle Spare Parts - Fleet/Stores |
|
|
|
|
|
WA Iveco |
$3,465.55 |
|
|
|
|
Vehicle Services For Fleet |
|
|
|
|
|
WA Limestone Company |
$3,925.64 |
|
|
|
|
Limestone - Various Locations - Projects |
|
|
|
|
|
Limestone - Depot - Stores |
|
|
|
|
|
WA Local Government Association |
$3,514.50 |
|
|
|
|
Training - Local Government Act Advanced - C Pavitt - City Business |
|
|
|
|
|
Training - Introduction To Local Government E-Learning - C Pavitt - City Business |
|
|
|
|
|
Training - Preparing Agendas & Minute In Local Government - C Pavitt - City Business |
|
|
|
|
|
Training - Introduction To Local Government Finance For Officers - C Pavitt - City Business |
|
|
|
|
|
Training - Local Government Act Advanced And Essentials- A Cooper - Governance |
|
|
|
|
|
WA Ropes & Hardware |
$330.00 |
|
|
|
|
Supply Road And Splicing For Rotary Park - Parks |
|
|
|
|
|
Waminco |
$11,687.50 |
|
|
|
|
Replacement Conveyor Belting - WRC |
|
|
|
|
|
Wanneroo Auto One |
$577.90 |
|
|
|
|
Air Compressor - Community Safety |
|
|
|
|
|
Wanneroo Business Association Incorporated |
$45.00 |
|
|
|
|
Breakfast Business 16.07.2014 - Portofinos - Governance |
|
|
|
|
|
Wanneroo Caravan Centre & Steel Fabricators |
$4,097.50 |
|
|
|
|
Steel Fabrication Works - Engineering/Parks |
|
|
|
|
|
Wanneroo Electric |
$42,543.24 |
|
|
|
|
Electrical Maintenance For The City |
|
|
|
|
|
Wanneroo Glass |
$905.87 |
|
|
|
|
Glazing Services For The City |
|
|
|
|
|
Wanneroo IGA |
$35.79 |
|
|
|
|
Groceries - Heritage |
|
|
|
|
|
Wanneroo Plumbing |
$39,800.42 |
|
|
|
|
Plumbing Maintenance For The City |
|
|
|
|
|
Wanneroo Trophy Shop |
$103.50 |
|
|
|
|
Medals For School Holiday Programs - Youth Services |
|
|
|
|
|
Warren's Bus Charter |
$480.00 |
|
|
|
|
Bus Charter For Xmas In July Lunch - Funded Services |
|
|
|
|
|
Wavemaster Holdings |
$1,950.00 |
|
|
|
|
Supply/Install Synthetic Turf At Wanneroo Community Centre - Parks |
|
|
|
|
|
Wearmasters Pty Ltd |
$3,652.00 |
|
|
|
|
Supply /Install Bollards At Various Locations - Projects |
|
|
|
|
|
West Australian Nursing Agency |
$1,520.82 |
|
|
|
|
Nurses For Immunisation Clinics - Health Services |
|
|
|
|
|
Westbuild Products Pty Ltd |
$1,329.24 |
|
|
|
|
Rapid Set Concrete - Stores |
|
|
|
|
|
Western Australian Treasury Corporation |
$937,503.55 |
|
|
|
|
Loan Repayment - Finance |
|
|
|
|
|
Western Tree Recyclers |
$30,346.53 |
|
|
|
|
Greenwaste - Motivation Drive - Waste |
|
|
|
|
|
Sort, Grind & Stockpile Ground Greenwaste - WRC |
|
|
|
|
|
Westrac |
$703.68 |
|
|
|
|
Spare Parts - Fleet |
|
|
|
|
|
Westwide Corridor Coaches Pty Ltd |
$1,320.00 |
|
|
|
|
Bus Hire For July School Holiday |
|
|
|
|
|
Wild West Hyundai |
$18,361.10 |
|
|
|
|
New Vehicle Purchase Hyundai Accent Hatch - Fleet Assets |
|
|
|
|
|
Wilsons Sign Solutions |
$66.00 |
|
|
|
|
Plate For Council Chambers - Governance |
|
|
|
|
|
Wood & Grieve Engineers |
$825.00 |
|
|
|
|
Professional Consulting Engineering Services For Riverlinks Park Floodlighting - Projects |
|
|
|
|
|
Work Clobber |
$936.90 |
|
|
|
|
Staff Uniforms For Various Employees |
|
|
|
|
|
Worldwide Online Printing |
$378.00 |
|
|
|
|
Printing - Business Card - Various Employees |
|
|
|
|
|
Printing - Discover Wanneroo Banner - City Growth |
|
|
|
|
|
Youth Affairs Council of WA |
$220.00 |
|
|
|
|
2014/2015 Membership - Youth Services |
|
|
|
|
|
|
|
|
|
00002036 |
25/08/2014 |
|
|
|
|
|
|
Brierty Ltd |
$528,822.69 |
|
|
|
|
Payment Certificate 5 - Flynn Drive Stage 1 - Projects |
|
|
|
|
|
|
|
|
|
00002037 |
26/08/2014 |
|
|
|
|
|
|
Curnow Group Pty Ltd |
$286,472.47 |
|
|
|
|
Progress Claim 6 - Quinns Beach Coastal Protection Works - Projects |
|
|
|
|
|
|
|
|
|
00002038 |
26/08/2014 |
|
|
|
|
|
|
Australia Post |
$11,303.67 |
|
|
|
|
Postage Charges For July 2014 |
|
|
|
|
|
Balga Junior Football Club |
$1,626.00 |
|
|
|
|
Kidsport Voucher X 9 Children |
|
|
|
|
|
Carine Cats Ball Club Inc |
$145.00 |
|
|
|
|
Kidsport Voucher X 2 Children |
|
|
|
|
|
Cr Huu Van Nguyen |
$998.00 |
|
|
|
|
Reimbursement - Purchase Of Corporate Apparel |
|
|
|
|
|
DEFS |
$20,238.48 |
|
|
|
|
2014/2015 Annual Monitoring - Building Maintenance |
|
|
|
|
|
Frediani Milk Wholesalers |
$509.60 |
|
|
|
|
Milk Deliveries For The City |
|
|
|
|
|
Greenwood Tennis Club Incorporated |
$200.00 |
|
|
|
|
Kidsport Voucher X 1 Child |
|
|
|
|
|
Greyhounds Christian Soccer Club |
$1,200.00 |
|
|
|
|
Kidsport Vouchers X 6 Children |
|
|
|
|
|
Jardine Lloyd Thompson Pty Ltd |
$211,182.57 |
|
|
|
|
Motor Vehicle 30.06.2014 - 30.06.2015 |
|
|
|
|
|
Joondalup Brothers Rugby Union |
$1,120.00 |
|
|
|
|
Kidsport Voucher X 6 Children |
|
|
|
|
|
Landgate |
$4,575.62 |
|
|
|
|
Gross Rental Valuations - Rates |
|
|
|
|
|
Land Enquiry - Rates, GIS & Property |
|
|
|
|
|
Landsdale Junior Cricket Club |
$165.00 |
|
|
|
|
Kidsport Voucher X 1 Child |
|
|
|
|
|
LGISWA |
$9,237.87 |
|
|
|
|
Insurance - Property 30.06.2014 - 30.06.2015 |
|
|
|
|
|
Mr Vernon Mortensen |
$75.00 |
|
|
|
|
Volunteer Payment - Community Bus Driver - Quinns Adult Care |
|
|
|
|
|
North Coast Ball Club Incorporated |
$591.00 |
|
|
|
|
Kidsport Vouchers X 5 Children |
|
|
|
|
|
Quinns Districts Junior Football Club |
$200.00 |
|
|
|
|
Kidsport Voucher X 1 Child |
|
|
|
|
|
Saints Netball Club Inc |
$200.00 |
|
|
|
|
Kidsport Voucher X 1 Child |
|
|
|
|
|
The Scout Association of Australia WA |
$600.00 |
|
|
|
|
Kidsport Vouchers X 3 Children |
|
|
|
|
|
Yanchep Districts Junior Football Club |
$155.00 |
|
|
|
|
Kidsport Voucher X 1 Child |
|
|
|
|
|
|
|
|
|
00002039 |
26/08/2014 |
|
|
|
|
|
|
Britel Enterprise Pty Ltd |
$250.00 |
|
|
|
|
Advertising - Kingsway |
|
|
|
|
|
Cardno (WA) Pty Ltd |
$3,256.00 |
|
|
|
|
Professional Services - Beach Profiling For June 2014 - Coastal Protection |
|
|
|
|
|
Environmental Industries Pty Ltd |
$4,576.00 |
|
|
|
|
Mowing At Various Locations - Parks |
|
|
|
|
|
Greenworx |
$5,087.51 |
|
|
|
|
Offset Sites For July 2014 - Parks |
|
|
|
|
|
Jacksons Drawing Supplies Pty Ltd |
$20.08 |
|
|
|
|
Board Foam - Heritage |
|
|
|
|
|
Kyocera Document Solutions |
$273.46 |
|
|
|
|
Photocopier Meter Reading - Customer Relation |
|
|
|
|
|
Local Government Managers Australia |
$456.00 |
|
|
|
|
2014/2015 Membership - L Lam |
|
|
|
|
|
Marketforce Express Pty Ltd |
$7,426.88 |
|
|
|
|
Advertising For The City |
|
|
|
|
|
Mayday Earthmoving |
$6,701.75 |
|
|
|
|
Heavy Equipment Hire - Parks |
|
|
|
|
|
Mindarie Regional Council |
$2,128.06 |
|
|
|
|
Refuse Disposal For The City |
|
|
|
|
|
Ms Wendy Lugg |
$1,548.80 |
|
|
|
|
80% Art Work Sales Sold During Telling Stories Of People & Place Art Exhibition In WLCC 01.08.2014 - 10.08.2014 |
|
|
|
|
|
Natural Area Holdings Pty Ltd |
$3,566.48 |
|
|
|
|
Professional Fees - Propagation Of Plants - Conservation |
|
|
|
|
|
Opposite Lock |
$440.00 |
|
|
|
|
Safety Flags - Rangers |
|
|
|
|
|
Programmed Integrated Workforce |
$641.06 |
|
|
|
|
Casual Labour - Projects |
|
|
|
|
|
Quinns Rocks Junior Tennis Club |
$400.00 |
|
|
|
|
Kidsport Voucher X 2 Children |
|
|
|
|
|
Rowe Scientific Pty Ltd |
$587.62 |
|
|
|
|
Chemicals For Health |
|
|
|
|
|
Specialised Security Shredding |
$54.18 |
|
|
|
|
GC Bin Exchange - Various Department |
|
|
|
|
|
Wanneroo Agricultural Machinery |
$36.53 |
|
|
|
|
Spare Parts - Fleet |
|
|
|
|
|
Wanneroo Trophy Shop |
$1,359.65 |
|
|
|
|
Various Items - Kingsway |
|
|
|
|
|
White Oak Home Care Services Pty Ltd |
$27,494.19 |
|
|
|
|
Support Services HACC/CACP Clients |
|
|
|
|
|
|
|
|
|
|
|
Total Director Corporate Services Advance - EFT's |
$11,851,329.03 |
|
|
|
|
|
|
|
|
NATIONAL AUSTRALIA BANK PURCHASING CARDS |
||||
|
|
|
|
|
|
|
00002040 |
26/08/2014 |
National Australia Bank |
|
|
|
|
|
Hospitality June 2014 |
|
|
|
|
|
BWS - In House Catering Requests |
$76.00 |
|
|
|
|
Coles Wanneroo - In House Catering Requests |
$1,316.45 |
|
|
|
|
Kmart Wanneroo - In House Catering Requests |
$22.50 |
|
|
|
|
Liquorland Wanneroo - In House Catering Requests |
$120.80 |
|
|
|
|
Wanneroo Fresh - In House Catering Requests |
$399.52 |
|
|
|
|
Wanneroo Supa IGA - In House Catering Requests |
$212.76 |
|
|
|
|
Woolworths - In House Catering Requests |
$38.00 |
|
|
|
|
|
|
|
|
|
|
Building Maintenance June 2014 |
|
|
|
|
|
Action Lock Service - Lock Focus Square |
$12.50 |
|
|
|
|
Beacon Lighting Malaga - Sky Light |
$296.76 |
|
|
|
|
Bunnings - Hardware Purchase |
$4,902.49 |
|
|
|
|
Cobbler Plus - Locking Services |
$70.00 |
|
|
|
|
CSR Gyprock - Manhole Frame Aluminium |
$24.65 |
|
|
|
|
Diamond Lock & Key - Locking Services |
$63.00 |
|
|
|
|
Joondalup Masters - Hardware Purchase |
$17.38 |
|
|
|
|
Officeworks Joondalup - Sign Staff Only 330 X 95Mm |
$53.96 |
|
|
|
|
Quick Bar - 3 Dispensers W/M |
$355.75 |
|
|
|
|
Solver Decorator Centre - Paint Supplies |
$1,615.15 |
|
|
|
|
Tile Library - 2 100 X 200 Cove |
$20.00 |
|
|
|
|
|
|
|
|
|
|
Regulatory Services June 2014 |
|
|
|
|
|
City Farmers Retail - Dog Meat, Cat Bowls |
$51.34 |
|
|
|
|
Woolworths - Pet Food, Kitty Litter |
$185.38 |
|
|
|
|
Best Bar Pty Ltd - Fire Services Items |
$920.26 |
|
|
|
|
|
|
|
|
|
|
Library Services June 2014 |
|
|
|
|
|
Credit Adjustment - Disputed Transaction |
-$15.41 |
|
|
|
|
City Of Perth Park11 - Parking Fees |
$34.10 |
|
|
|
|
Coles Wanneroo - Training Day |
$14.04 |
|
|
|
|
LLCWA - Multicultural Aged Care Handbook Purchase |
$75.00 |
|
|
|
|
Kmart Wanneroo - Training Day |
$13.00 |
|
|
|
|
Kmart Warwick Grove - Microwave/Convection Oven For Staff Room |
$119.00 |
|
|
|
|
Pline Ph Ocean Keys - First Aid Kit Supplies For Yanchep Library |
$47.96 |
|
|
|
|
Sony Centre Perth - Digital Notetaker For Manager |
$99.00 |
|
|
|
|
Spotlight - Purchase Of Storytime Materials For Library Branches |
$207.94 |
|
|
|
|
Two Rocks IGA - Water For Yanchep Library (Staff Consumption) |
$43.20 |
|
|
|
|
Winsor Pty Ltd - 5 Chairs For Customer Use |
$1,630.00 |
|
|
|
|
|
|
|
|
|
|
Total Purchasing Cards Transactions |
$13,042.48 |
|
|
|
|
|
|
|
|
|
|
Total EFT's And Purchasing Cards |
$11,864,371.51 |
|
|
|
|
|
|
|
|
TOWN PLANNING SCHEME |
||||
|
|
|
Cell 4 |
|
|
|
|
|
Castledine Gregory - Compensation Claim - Lot 185 Mary Street |
$2,646.00 |
|
|
|
|
HopgoodGanim - Compensation Claim - Lots 1 & 8 Wanneroo Road |
$9,410.80 |
|
|
|
|
|
|
|
|
|
|
Cell 8 |
|
|
|
|
|
Sorensen Short & Associates - Survey Report For Ex Lot 8 Gnangara Road |
$1,957.80 |
|
|
|
|
Sorensen Short & Associates - Provide Survey Work For Ex Lots 2 & 3 Gnangara Road |
$2,878.30 |
|
|
|
|
|
|
|
|
|
|
TOTAL |
$16,892.90 |
|
|
|
|
|
|
|
|
CANCELLED CHEQUES FROM PREVIOUS PERIOD |
||||
|
13.11.2012 |
90050 |
West Coast Real Estate |
-$380.00 |
|
|
08.01.2013 |
90545 |
Marjorie Maud King |
-$612.48 |
|
|
08.01.2013 |
90550 |
Mr Phillip Perry & Mrs Nola Perry |
-$322.66 |
|
|
08.01.2013 |
90577 |
Angela Deanne Tweedie |
-$655.26 |
|
|
08.01.2013 |
90619 |
June Evelyn Dixon |
-$501.18 |
|
|
08.01.2012 |
90676 |
Jeannie Cameron Wells |
-$632.59 |
|
|
08.01.2012 |
90679 |
Norman Charles Glover & Roslyn Glover |
-$280.91 |
|
|
08.01.2013 |
90702 |
Avril Kathleen Palmer |
-$666.36 |
|
|
22.01.2013 |
90878 |
Renea Hosking |
-$18.00 |
|
|
22.01.2013 |
90879 |
Derreck Best |
-$18.10 |
|
|
05.02.2013 |
90999 |
Nezar Nejim Al Esa |
-$627.94 |
|
|
05.02.2013 |
91002 |
Cheryl Adams |
-$5.00 |
|
|
05.02.2013 |
91010 |
Patricia Moynihan |
-$18.10 |
|
|
05.02.2013 |
91011 |
Mark Bestall |
-$25.15 |
|
|
05.03.2013 |
91318 |
Elizabeth Randall |
-$18.10 |
|
|
12.03.2013 |
91390 |
J Guildea |
-$64.40 |
|
|
12.03.2013 |
91395 |
Robert Morien & Irene Morien |
-$325.76 |
|
|
12.03.2013 |
91400 |
Anthony Clarke & Sandra Clarke |
-$316.48 |
|
|
19.03.2013 |
91502 |
Ms Janet Bartlett |
-$314.16 |
|
|
19.03.2013 |
91518 |
Mr Kenneth Chidwick & Mrs Constance Chidwick |
-$316.48 |
|
|
19.03.2013 |
91559 |
Tripoint Holdings Pty Ltd |
-$1,122.69 |
|
|
03.04.2013 |
91700 |
Stuart Warnock |
-$50.00 |
|
|
16.04.2013 |
91929 |
Capricorn Conveyancing |
-$416.47 |
|
|
24.04.2013 |
92045 |
Sunsuper Ride to Conquer Cancer |
-$50.00 |
|
|
24.04.2013 |
92051 |
Margaret Quirk MLA for Girrawheen |
-$441.30 |
|
|
25.06.2014 |
98246 |
Wanneroo Districts Rugby Union Club |
-$787.50 |
|
|
30.06.2014 |
98366 |
RE/MAX Extreme |
-$470.00 |
|
|
08.07.2014 |
98403 |
Basketball WA |
-$200.00 |
|
|
15.07.2014 |
98496 |
Guardian Property & Asset Management |
-$445.00 |
|
|
|
|
|
|
|
|
|
|
TOTAL |
-$10,102.07 |
|
|
|
|
|
|
|
|
General Fund Bank Account |
||||
|
|
|
Payroll Payments August 2014: |
|
|
|
|
|
05.08.2014 |
$1,622,681.79 |
|
|
|
|
19.08.2014 |
$1,649,974.94 |
|
|
|
|
|
|
|
|
|
|
Payroll Total |
$3,272,656.73 |
|
|
|
|
|
|
|
|
0002041 |
28.08.2014 |
Bank Reconciliation July 2014 - Finance $32,115.09 |
|
|
|
|
|
Pooling Maintenance Fee |
$100.00 |
|
|
|
|
GLF Trans Fee |
$205.48 |
|
|
|
|
CBA Merchant Fee |
$3,115.47 |
|
|
|
|
CBA Pos Fee |
$464.49 |
|
|
|
|
BPay Fees Debtors |
$267.77 |
|
|
|
|
BPay Fees Rates |
$3,905.22 |
|
|
|
|
BPoint Fees Debtors |
$37.75 |
|
|
|
|
BPoint Fees Rates |
$142.18 |
|
|
|
|
Commbiz Fee |
$350.70 |
|
|
|
|
Commbiz Fee |
$33.20 |
|
|
|
|
Account Service Fee |
$504.49 |
|
|
|
|
Aquamotion Direct Debit Return Fees |
$57.50 |
|
|
|
|
Audit Fee |
$80.00 |
|
|
|
|
|
|
|
|
|
|
Total Bank Fees |
$9,264.25 |
|
|
|
|
|
|
|
|
|
|
Corporate Credit Cards August 2014 |
|
|
|
|
|
|
|
|
|
|
|
J Paton |
|
|
|
|
|
Practising Certificate - Legal Practice Board - M Yildiz |
$1,020.00 |
|
|
|
|
Coles - Pantry Items & Client Meals - Gumblossom Community Centre |
$345.40 |
|
|
|
|
Law Society Of WA |
$1,282.00 |
|
|
|
|
Youth Excursion Deposit - Robert Rebel - Flip Out |
$169.00 |
|
|
|
|
|
|
|
|
|
|
L Kosova |
|
|
|
|
|
Parking Fees |
$24.81 |
|
|
|
|
Event Registration Fee - Breakfast With Peter Kagayama - M Dickson |
$98.00 |
|
|
|
|
|
|
|
|
|
|
D Simms |
|
|
|
|
|
Registration Fee - National Growth Areas Alliance Congress - 15 - 17.10.2014 - Mayor Roberts, Cr Aitken, Cr Treby, D Simms & A Bostock |
$4,339.75 |
|
|
|
|
Parking Fee – Recruitment Meeting At Beilby Consulting – D Simms |
$5.20 |
|
|
|
|
Parking Fee - Meeting With KMPG - 01.07.2014 |
$8.24 |
|
|
|
|
Hospitality - Tri-Cities Working Lunch Meeting - G Hunt, S Jardine, Mayor Roberts, Mayor Pickard & Mayor Italiano - 03.07.2014 |
$601.50 |
|
|
|
|
Insurance & Airfares To NGAA Congress 15 - 17.10.2014 – D Simms & A Bostock - |
$1,108.00 |
|
|
|
|
Hospitality - Meeting With Preferred Candidate For Manager Parks - 10.07.2014 |
$72.00 |
|
|
|
|
Accommodation - D. Simms - LG Chief's Officers Group Conference, Townsville - 15 - 18.07.12014 |
$543.99 |
|
|
|
|
Parking Fee - Meeting With DG Of Department Of Local Government - 21.07.2014 |
$3.90 |
|
|
|
|
Accommodation Deposit For OMR Executive Retreat - 14 - 15.08.2014 |
$1,000.00 |
|
|
|
|
|
|
|
|
|
|
M Yildiz |
|
|
|
|
|
Registration Fee - 2014 WA Local Government Convention 6- 8.08.2014 - Mayor Roberts |
$1,757.00 |
|
|
|
|
Airfare & Travel Insurance (Adelaide to Perth) - NGAA Conference 15-17.10.14 – Cr Treby |
$630.00 |
|
|
|
|
|
|
|
|
|
|
D Blair |
|
|
|
|
|
BP Wanneroo - Fuel WN33648 |
$77.15 |
|
|
|
|
BP Wanneroo - Fuel WN33450 |
$29.63 |
|
|
|
|
Parking Fee - Achieving Business Excellence Course |
$22.66 |
|
|
|
|
|
|
|
|
|
|
Purchasing Officer |
|
|
|
|
|
Woolworths Gift Cards - Alexander Heights CBDC |
$1,000.00 |
|
|
|
|
Woolworths Gift Card - Yanchep Community Centre |
$130.00 |
|
|
|
|
Shipping Fee - Woolworths Gift Cards - Alexander Heights CBDC |
$4.87 |
|
|
|
|
Shipping Fee - Woolworths Gift Card - Yanchep Community Centre |
$0.63 |
|
|
|
|
Coles Pantry Card - Heights Community Club |
$900.00 |
|
|
|
|
Delivery Fee - Coles Pantry Card - Heights Community Club |
$14.85 |
|
|
|
|
Coles Pantry Card - Wanneroo Day Club |
$500.00 |
|
|
|
|
Delivery Fee - Coles Pantry Card - Wanneroo Day Club |
$4.95 |
|
|
|
|
Coles Lunch Cards - Wanneroo Day Club |
$1,000.00 |
|
|
|
|
Delivery Fee - Coles Lunch Cards - Wanneroo Day Club |
$9.90 |
|
|
|
|
Coles/Myers Gift Cards - HR |
$3,300.00 |
|
|
|
|
Delivery Fee - Coles/Myers Gift Cards - HR |
$14.85 |
|
|
|
|
Campaign Monitor - Creation & Delivery Of Various City E-newsletters (July) |
$355.71 |
|
|
|
|
Kmart Card - YPWD - Purchase Of Craft And Storage Items |
$500.00 |
|
|
|
|
Delivery Fee - Kmart Card - YPWD - Purchase Of Craft & Storage Items |
$14.85 |
|
|
|
|
Airfare & Travel Insurance (Perth to Adelaide) - NGAA Conference 15-17.10.14 - Mayor Roberts, Cr Aitken, Cr Treby |
$1,852.00 |
|
|
|
|
RSA Training Course 03 - 04.07.2014 - G Cowan & I Deng - |
$110.00 |
|
|
|
|
|
|
|
|
|
|
Total Credit Card Payments |
$22,850.84 |
|
|
|
|
|
|
|
|
|
|
Advance Recoup June 2014 |
$12,937,032.94 |
|
|
|
|
|
|
|
|
|
|
Direct Payment Total (Includes Advance Recoup, Credit Cards And Bank Fees) |
$12,969,148.03 |
|
|
|
|
|
|
|
|
|
|
Total Accounts Paid - Municipal Fund |
$16,241,804.76 |
|
Attachments: Nil
CITY OF WANNEROO Agenda OF Elected Members' Briefing Session 09 September, 2014 292

File Ref: 12606 – 14/236000
Responsible Officer: Director Corporate Strategy & Performance
Disclosure of Interest: Nil
Attachments: 4
Issue
To consider the Financial Activity Statement for the period ended 31 July 2014.
Background
Regulation 34(1) of the Local Government (Financial Management) Regulations 1996 requires a local government to prepare each month a statement of financial activity, presented according to nature and type, by program, or by business unit. Administration has opted to present the statement of financial activity by nature and type and in a similar format to that presented in the 2014/15 Annual Budget. This format separates Revenue and Expenses from Other Revenue and Expenses and provides improved disclosure of the City’s underlying Operating Result.
The Financial Activity Statement is in the form of an Income Statement, which compares year to date actual income and expenses with the year to date budget, shows variances to the adopted and revised budgets (if any). It is accompanied by a Balance Sheet together with information relating to Capital Projects, an Investment Portfolio Summary, Statement of Net Current Assets and Rate Setting Statement.
In addition to the above, Regulation 34(5) of the Local Government (Financial Management) Regulations 1996 requires a local government to adopt a percentage or value, calculated in accordance with Australian Accounting Standards, to be used in statements of financial activity for reporting material variances. For the 2014/15 financial year Council has adopted 10% for the reporting of variances, which is in line with previous years.
Detail
The Financial Activity Statement and July 2014 year to date financial performances of the City are detailed in Attachments 1, 2, 3 and 4.
Upon the completion of the external audit in the coming months, the final figures for the 2013/14 year end will be subsequently reported to Council and appropriate adjustments, if any, will be reflected in the brought forward Surplus/(Deficit) of the Rate Setting Statement and Balance Sheet.
Consultation
Nil
Comment
In accordance with the requirement of Regulation 34(5) of the Local Government (Financial Management) Regulations 1996, the commentaries on 10% variances to adopted budget in the Financial Activity Statement for the period ended 31 July 2014 are provided below. It should be noted that there are no amendments to the adopted budget year to date.
Income Statement (Refer to Attachment 1)
Net Result $ million
Year to Date Actual -2.172
Year to Date Budget Estimate -3.975
Year to Date Variance +1.803 (+45%)
Full Year Adopted Budget 52.938
The following information is provided on key aspects of the year to date financial results:
Revenues $ million
Year to Date Actual 2.981
Year to Date Budget Estimate 4.126
Year to Date Variance -1.146 (-28%)
Full Year Adopted Budget 167.084

Rates
Rates income is the single largest source of operating income for the organisation, being 72%. The annual Rates are levied in August totalling approximately $116.299 million. In addition Interim Rates are progressively raised throughout the year with an annual budget estimated at $3.400 million.
Operating Grants, Contributions and Subsidies
As at 31 July the Operating Grants, Subsidies & Contributions received by the City equate to $0.636 million, against a year to date budget of $1.067 million being an unfavourable variance of -40% (-$0.431 million). Of the monies received in July $0.365 million was from Kidsport and $0.061 million from the Department of Health.
Fees and Charges
An unfavourable variance to year to date budget of -$0.529 million (-26%), is recorded for Fees and Charges. This unfavourable variance is primarily as a result of a delay in billings and payments from the Materials Recovery Facility, expected to be negated in the coming periods. The annual income budgeted for this income is $3.800 million.
Interest Earnings
For the financial year to date ending July, Council’s
investment portfolio return has exceeded the bank bill index benchmark by 1.00%
pa (3.66% pa vs. 2.66% pa). July to date interest earnings amount to
$0.521 million, reflecting an unfavourable variance of -$0.188 million
(-27%) compared to the year-to-date budget, which is mainly due to the low
level of investment amounts available prior to the receipts of the new year's
Rates revenue.
Other Revenue
The Other Revenue income category represents an unfavourable year to date variance to budget of -$0.092 million (-29%). The main contributor is sales of commodity products from the recycling centre which accounts for 77% of this annual adopted budget. As at the end of July $0.196 million has been received from these sales, out of an annual budget of $3.000 million.
Expenses $ million
Year to Date Actual 9.263
Year to Date Budget Estimate 10.855
Year to Date Variance +1.592 (+15%)
Full Year Adopted Budget 167.063

Employee Costs
A favourable variance to year to date budget of +20% (+$0.889 million) is presented against Employee Costs, which is reflective of the current level of vacancies in the establishment.
Materials and Contracts
Currently the Materials and Contracts category presents a favourable variance to year to date budget of +$0.603 million (+20%) which represents a timing difference with the incurrence of expenditures. This category captures a large volume of accounts, with the most material being Refuse Removal Expenses and Contract Expenses, with annual adopted budgets of $13.322 million and $18.024 million respectively. As the year progresses and additional expenditures within these accounts are recorded, variances are likely to be reduced.
Utility Charges
The year to date figures recorded for Utilities reflects $0.553 million expended, which is +$0.123 million (+18%) lower than year to date budget. Expenses under this category are lower than year to date budget mainly due to timing differences in the receipt of electricity bills. It is noted that the City's costs for street lighting is the largest component within this category.
Insurance
The City has only recorded $0.023 million against insurance expenditures for the month of July. Most annual premiums are scheduled to be paid in the coming months with an excess allowance for potential claims available over the remainder of the year.
Other Revenue and Expenses $ million
(Excluding Contributions of Physical Assets)
Revenue in excess of expenses:
Year to Date Actual 4.111
Year to Date Budget Estimate 2.753
Year to Date Variance +1.357 (+49%)
Full Year Adopted Budget 22.917
Non-Operating Grants, Subsidies and Contributions
As at the end of July funds received under Non-Operating Grants, Subsidies & Contributions are ahead of year to date budget by +$2.635 million (+244%). The $3.716 million received during the month of July was comprised mainly of $2.306 million towards Road Projects and $1.343 million from developers at Alkimos/Eglinton.
Non-operating Grants, Contributions & Subsidies relate directly to the external funding towards capital projects with the balance expected to be received upon completion (or in some cases part-completion) of projects.
Town Planning Scheme (TPS) Revenues (including Interest Earnings)
In relation to the TPS Revenues $0.429 million has been received by the City from land holders which reflects an unfavourable variance to year to date budget of -78% ($1.480 million). Of the monies received, $0.089 million was against Cell 2, $0.052 million against Cell 4 and total interest earnings across all Cells of $0.288 million.
Town Planning Scheme (TPS) Expenses
TPS Expenses as at July month end reflects a +93% variance (+$0.444 million) to year to date budget. These expenditures relate to specific costs and land purchases within the Scheme location, which can only be allocated for particular Scheme purposes and where overspent, will have no impact on municipal accounts.
Profit/(Loss) on Asset Disposals
The City has not recorded any profits and losses on asset sales to date. Asset sales planned for the 2014/15 financial year relate to the plant and equipment replacement program and from land disposals, with proceeds estimated at being $2.075 million and $2.900 million respectively.
Contributions of Physical Assets $ million
Year to Date Actual 0.000
Year to Date Budget Estimate 0.000
Year to Date Variance 0.000 (0%)
Full Year Adopted Budget 30.000
Each year developers hand over physical assets such as parklands, roads and pathways to the City, for its ongoing management and control.
These assets can be of considerable value and are currently being finalised and booked to the accounts. It should be noted that variations on the amounts of contributions of physical assets comparing to budget has no direct impact to the City’s current financial year results, but does have a significant impact on future servicing, maintenance and renewal costs factored into the Long Term Financial Plan. The scale of the value of assets handed over to the City in the past generally aligned closely to the % increase in the number of new Lots created during the financial year.
Balance Sheet (Refer to Attachment 2)
Capital Works Program
The current status of the Capital Works Program as of 31 July 2014 is summarised below by Program Category:-

The table above notes a total Annual Budget for the capital works program as $87.690 million. As at the end of July $1.173 million has been spent against capital works. In addition to the actual expenditure, $10.858 million is recognised as committed. (Note: Commitments are life to date and may also relate to future financial periods).
To further expand on the capital works program information above, key infrastructure projects are selected to be reported on, on a regular basis, which are listed in the following table:

Investment Portfolio Summary (Refer to Attachment 3)
In accordance with the Local Government (Financial Management) Regulations 1996, the City only invests in the following highly secured investments effective from 1 July 2012:
1. Deposits with authorised deposit taking institutions and the Western Australian Treasury Corporation for a term not exceeding 12 months;
2. Bonds that are guaranteed by the Commonwealth Government or a State or Territory for a term not exceeding three years; and
3. Australian currency.
As at 31 July 2014, the City holds an investment portfolio (cash and cash equivalents) of $251.382 million. Interest earnings were budgeted at 3.50% yield. For the financial year to date ending July 2014, Council’s investment portfolio return has exceeded the bank bill index benchmark by 1.00% pa (3.66% pa vs. 2.66% pa).
With respect to compliance to the City's Investment Policy, it is noted that the investment with the Bank of Queensland (BOQ) currently exceeds the individual credit limit allowed by 0.73%, which is considered to be immaterial. This non compliance scenario will be eliminated next month when the new-year's rates revenues start building up the investment portfolio.
Displayed below are graphical representations of the portfolio performance and earnings:

Note: Interest Earnings = Interest on investments plus Rates Instalment and Penalty Income.
Rate Setting Statement (Refer to Attachment 4)
The Rate Setting Statement outlined in Attachment 4 represents a composite view of the finances of the City, identifying the movement in the surplus/(deficit), primarily based on the operations and capital works revenue and expenditure, and resulting rating income required.
Overall Comment
The Operating Result for the City to July month end presents an overall favourable variance of +$0.446 million (+7%) to year to date budget. Operating Income presented an unfavourable variance to year to date budget of -28% (-$1.146 million), mainly as a result of a timing difference in the receipt of Grants, and lower than expected income generated from Fees & Charges.
Expenditures from Operations however present a favourable variance to budget of +$1.592 million with the main contributors being Employee Costs (+$0.889 million) and Materials & Contracts (+$0.603 million).

Historically, activities within the Capital Works Program tend to reflected lower levels at the beginning of the financial year, due to the timing of budget adoption and scheduling of works. The period ending July 2014 is in line with this trend with $1.173 million expended during the month.
Upon the completion of the external audit in the coming months, the final figures for the 2013/14 year end will be subsequently reported to Council and appropriate adjustments, if any, will be reflected in the brought forward Surplus/(Deficit) of the Rate Setting Statement. Furthermore, a report detailing completed Capital Works projects from 2013/14 with budget variances of +/-10% and above will be included.
Statutory Compliance
This monthly financial report complies with Section 6.4 of the Local Government Act 1995 and Regulations 33A and 34 of the Local Government (Financial Management) Regulations 1996.
Strategic Implications
The proposal aligns with the following objective within the Strategic Community Plan 2013 – 2023:
“4 Civic Leadership - Working with others to ensure the best use of our resources.
4.3 A Strong and Progressive Organisation - You will recognise the hard work and professionalism delivered by your council through your interactions and how our community is developing.”
Risk Management Considerations
With regard to the management of the City's investments, a conservative and prudent City policy is in place to ensure their security, through the identification of limits and parameters. Whilst it is acknowledged that the limit for individual investments is currently exceeded in one instance (BOQ), this has been given due consideration and accepted, noting that the overall category limit is well under the desired parameter.
Most importantly, BOQ is an authorised deposit taking institution governed by the Australia Prudential Regulation Authority Act 1998 hence the term deposits with BOQ, though currently slightly exceeds the City's investment policy limit; do not impose any financial risks on the City's investment portfolio.
Policy Implications
Nil
Financial Implications
As outlined above and detailed in Attachments 1, 2, 3 and 4.
Voting Requirements
Simple Majority
That Council RECEIVES the Financial Activity Statements and commentaries on variances to Year to Date Budget for the period ended 31 July 2014, consisting of:
· 2014/15 Annual Adopted Budget,
· July 2014 Year to Date Budget,
· July 2014 Year to Date Income and Expenditures,
· July 2014 Year to Date Material Variance Notes, and
· July 2014 Year to Date Net Current Assets.
Attachments:
|
1. |
Income Statement for the period ended 31 July 2014 |
14/239520 |
|
|
2. |
Balance Sheet for the period ended 31 July 2014 |
14/239521 |
|
|
3. |
Investment Summary for the period ended 31 July 2014 |
14/239522 |
|
|
4. |
Rate Setting Statment for the period ended 31 July 2014 |
14/239523 |
|
CITY OF WANNEROO Agenda OF Elected Members' Briefing Session 09 September, 2014 305
File Ref: 2095V03 – 14/227007
Responsible Officer: Director Corporate Strategy & Performance
Disclosure of Interest: Nil
Attachments: 2
Issue
To consider making a recommendation to the Minister of the Department of Local Government and Communities that the basis for rating various land parcels be changed from unimproved value to gross rental value.
Background
Section 6.28 of the Local Government Act 1995 requires the Minister to determine the method of valuation of land to be used by a local government as the basis for a rate and publish a notice of the determination in the Government Gazette.
In determining the method of valuation to be used by a local government, the Minister is to have regard to the principle that the basis for a rate on any land is to be either: -
a) Where the land is used predominantly for rural purposes, the unimproved value of the land; and
b) Where the land is used predominantly for non-rural purposes, the gross rental value of the land.
Each local government has a role in ensuring that the rating principles of the Local Government Act 1995 are correctly applied to rateable land within their district.
Detail
1. Lots 333-340 and 9000 DP401754 Porro Road, Landsdale
On 8 February 2011 the City received a subdivision application for Lot 160 D28708 Landsdale Road, Landsdale. The City supported the subdivision application and a letter was sent to the Western Australian Planning Commission (WAPC) on 14 March 2011.
WAPC subsequently approved the subdivision application and Lots 333-340 and 9000 DP401754 Porro Road, Landsdale were created (Attachment 1) refers. Lot 9000 has been further subdivided into DP402328.
2. Lots 322-332, 341-349 and 8004 DP402328 Cavolfiore Grove, Landsdale
On 8 February 2011 the City received a subdivision application for Lot 160 D28708 Landsdale Road, Landsdale. The City supported the subdivision application and a letter was sent to the Western Australian Planning Commission (WAPC) on 14 March 2011.
WAPC subsequently approved the subdivision application and Lots 322-332, 341-349 and 8004 DP402328 Cavolfiore Grove, Landsdale were created (Attachment 2) refers.
Consultation
Local Government Guideline No. 2 issued by the Department of Local Government and Communities on the 22 June 2012 provided guidance to all local governments stating that affected property owners be informed of proposed changes to the method of valuing their property, although a modified consultation process may be considered where the change is driven by large scale subdivisions.
With regard to the properties listed above, consultation was not considered necessary as the change in use of the properties to residential is as a result of large scale subdivisions.
A detailed list providing the name(s) of the owner(s) for each property has been provided under separate cover to Elected Members.
Comment
Under Section 6.28 of the Local Government Act 1995 the Minister of the Department of Local Government and Communities is to determine the method of valuation of land. The Minister’s approval is required before the method of valuation of a property can be changed.
Statutory Compliance
Section 6.28 of the Local Government Act 1995 requires the Minister to determine the method of valuation to be used by a local government as the basis for a rate and publish a notice of the determination in the Government Gazette.-
“(1) The Minister is to –
(a) determine the method of valuation of land to be used by a local government as the basis for a rate; and
(b) publish a notice of the determination in the Government Gazette.
(2) In determining the method of valuation of land to be used by a local government the Minister is to have regard to the general principle that the basis for a rate on any land is to be –
(a) where the land is used predominantly for rural purposes, the unimproved value of the land; and
(b) where the land is used predominantly for non-rural purposes, the gross rental value of land.”
Strategic Implications
The proposal aligns with the following objective within the Strategic Community Plan 2013 – 2023:
“4 Civic Leadership - Working with others to ensure the best use of our resources.
4.3 A Strong and Progressive Organisation - You will recognise the hard work and professionalism delivered by your council through your interactions and how our community is developing.”
Risk Management Considerations
There are no risks associated with changing the valuation of land method for these properties.
Policy Implications
Nil.
Financial Implications
There are no costs associated with the request to the Minister.
The change in basis of rating to gross rental value as opposed to the unimproved value may have an impact on revenue, subject to the valuations ultimately received.
Voting Requirements
Simple Majority.
That Council:-
1. NOTES the change in the predominant use of Lots 333-340 DP401754 Porro Road, Landsdale and Lots 322-332, 341-349 and 8004 DP402328 Cavolfiore Grove, Landsdale.
2. RECOMMENDS to the Minister of the Department of Local Government and Communities that, pursuant to Section 6.28 of the Local Government Act 1995, the method of valuation for the properties outlined in 1. above be changed from unimproved value to gross rental value; and
3. NOTES that the effective date of the new method of valuation for the properties outlined in 1. above to be the date of gazettal.
Attachments:
|
1. |
DP401754 Porro Road, Landsdale |
14/211503 |
|
|
2. |
DP402328 Cavolfiore Grove, Landsdale |
14/211505 |
|
CITY OF WANNEROO Agenda OF Elected Members' Briefing Session 09 September, 2014 310
File Ref: 2095V03 – 14/227064
Responsible Officer: Director Corporate Strategy & Performance
Disclosure of Interest: Nil
Attachments: 1
Issue
To consider making a recommendation to the Minister of the Department of Local Government and Communities that the basis for rating various land parcels be changed from unimproved value to gross rental value.
Background
Section 6.28 of the Local Government Act 1995 requires the Minister to determine the method of valuation of land to be used by a local government as the basis for a rate and publish a notice of the determination in the Government Gazette.
In determining the method of valuation to be used by a local government, the Minister is to have regard to the principle that the basis for a rate on any land is to be either: -
a) Where the land is used predominantly for rural purposes, the unimproved value (UV) of the land; and
b) Where the land is used predominantly for non-rural purposes, the gross rental value (GRV) of the land.
Each local government has a role in ensuring that the rating principles of the Local Government Act 1995 are correctly applied to rateable land within their district.
Detail
The City has undertaken a review of the rate record for all properties rated on the UV method. This review was instigated as it was recognised that over time the use of the land has changed from a rural use to a non-rural use and therefore the method of valuation of the land should be changed to reflect this.
Examples of a rural use are farming, market garden, piggery, orchard, tree farm and poultry farm. A rural use is not defined as being in a rural area, but the use of the land.
A list of all properties where it is proposed to change the valuation of land method from UV to GRV is provided (Attachment 1) refers.
Consultation
Local Government Guideline No. 2 issued by the Department of Local Government and Communities on the 22 June 2012 provided guidance to all local governments stating that affected property owners be informed of proposed changes to the method of valuing their property, although a modified consultation process may be considered where the change is driven by large scale subdivisions.
The City has written to each property owner advising of the proposal to change the valuation of land method from UV to GRV as the use of the property is a non-rural purpose. Details of the current rates and the proposed rates were provided to the owners to assist them if they opted to make a submission.
The property owners were invited to make a submission on the proposed change of valuation of land method, with a 21 day consultation period as per the requirements of the Local Government Act 1995.
There was some misunderstanding with the owners of the land in that they assumed that the City was changing the zoning of the land. This is not the case, the only proposed changes is the valuation of land method from UV to GRV.
The City wrote to 561 owners of the properties affected by the proposed change and received 12 submissions, 9 against the proposed change and 3 in favour of the proposed change. A copy of the submissions has been provided under separate cover to Elected Members.
It should be noted that of the 8 submissions received against the proposed change, 7 are owned by corporations who are holding these parcels of land for future subdivision for residential purpose. The other 3 submissions are from land owners who are only using or holding the land for residential purposes.
A detailed list providing the name(s) of the owner(s) for each property has been provided under separate cover to Elected Members.
Comment
Under Section 6.28 of the Local Government Act 1995 the Minister of the Department of Local Government and Communities is to determine the method of valuation of land. The Minister’s approval is required before the method of valuation of a property can be changed.
Statutory Compliance
Section 6.28 of the Local Government Act 1995 requires the Minister to determine the method of valuation to be used by a local government as the basis for a rate and publish a notice of the determination in the Government Gazette.-
“(1) The Minister is to –
(a) determine the method of valuation of land to be used by a local government as the basis for a rate; and
(b) publish a notice of the determination in the Government Gazette.
(2) In determining the method of valuation of land to be used by a local government the Minister is to have regard to the general principle that the basis for a rate on any land is to be –
(a) where the land is used predominantly for rural purposes, the unimproved value of the land; and
(b) where the land is used predominantly for non-rural purposes, the gross rental value of land.”
Strategic Implications
The proposal aligns with the following objective within the Strategic Community Plan 2013 – 2023:
“4 Civic Leadership - Working with others to ensure the best use of our resources.
4.3 A Strong and Progressive Organisation - You will recognise the hard work and professionalism delivered by your council through your interactions and how our community is developing.”
Risk Management Considerations
There are no risks associated with change the valuation of land method for these properties.
Policy Implications
Nil
Financial Implications
There are no costs associated with the request to the Minister.
The change in basis of rating to gross rental value as opposed to the unimproved value may have an impact on revenue, subject to the valuations ultimately received.
Voting Requirements
Simple Majority.
That Council:-
1. NOTES the change in the predominant use of the lots referred to in Attachment 1.
2. RECOMMENDS to the Minister of the Department of Local Government and Communities that, pursuant to Section 6.28 of the Local Government Act 1995, the method of valuation for the properties outlined in 1. above be changed from unimproved value to gross rental value; and
3. NOTES that the effective date of the new method of valuation for the properties outlined in 1. above to be the date of gazettal.
Attachments:
|
1. |
Property Listing |
14/231925 |
Minuted |
CITY OF WANNEROO Agenda OF Elected Members' Briefing Session 09 September, 2014 323

Risk and Business Improvement
File Ref: 6671 – 14/223838
Responsible Officer: Director Corporate Strategy & Performance
Disclosure of Interest: Nil
Attachments: 1
Issue
For Council to receive the Year End Corporate Progress Report 2013/14.
Background
The introduction of the Integrated Planning and Reporting Framework (IPRF) for local governments establishes a consistent requirement for three levels of integrated plans for all WA local governments. This includes the need for a Strategic Community Plan, Corporate Business Plan supported by a Resourcing Framework, and informed by the various Strategies and Plans. In addition there is a requirement for local governments to report at least annually on the progress in delivering services, projects and other operations to meet the community's short, medium and long term aspirations.
The Corporate Business Plan (CBP) 2013-2017 committed the City to providing progress updates on delivery of this plan through monthly internal reports, quarterly performance reports to Council, and the Annual Report. This report is a comprehensive report on CBP actions (operating and capital projects) and business as usual achievements for 2013/14 which collectively support the City's delivery against the Strategic Community Plan (SCP).
The report provides information on:
· progress against each strategic objective and strategic pillar;
· overall progress against the CBP actions (capital and operational projects) for 2013/14;
· CBP capital actions, which are fully aligned to the detailed capital budget;
· highlights and challenges aligned to the strategic pillars;
· baseline data for the SCP measures.
This report will also inform SCP and CBP reporting in the City's 2013/14 Annual Report.
Detail
This is the end of the first year of the City's first Corporate Business Plan. It is also the first time that the City is reporting on capital and operational project progress in a financial year. Consequently, there have been a number of challenges with data collection and system capability, which have lead to learnings that will improve processes and therefore the quality of reporting in the future.
The organisation has achieved well in a year of change and continued growth, and implementation of the Corporate Business Plan (CBP) will continue during 2014/15. It is envisaged that progress reports to Council will occur quarterly in future.
The City's Strategic Community Plan sets out the vision and objectives through a set of 4 Pillars and 13 Strategic Objectives. Measured against these Pillars and Strategic Objectives, most progress has been achieved within the Civic Leadership Pillar with 86% of projects achieved, and least progress within the Environment Pillar with 70% of projects achieved.
Most progress has been achieved within the Strategic Objective Listening and Leading with 99% and least progress within the Strategic Objective Growing Business at 59% of projects listed for 2013/14.
The overall percentage progress of the City of Wanneroo is based on the average percentage progress across the four Pillars. The City achieved an overall status of 77%.
A high level overview of projects for 2013/14 includes:
· 235 (84%) capital projects were either completed or on target;
· 58 (73%) operational projects were either completed or on target;
· 25 projects were put on hold;
· 11 projects were cancelled;
· 6 (2%) of the capital projects were not on target;
· 4 (5%) of the operational projects were not on target.
This is detailed in Table 1, and further information on these projects is provided in Annexures A and B of Attachment 1.
|
Total Capital Projects per Sub Program |
Projects Completed |
% Projects Completed |
Projects On Target |
% Projects On Target |
Projects Not On Target |
% Projects Not On Target |
Projects on Hold |
Projects cancelled |
Projects N/A |
|
280 |
163 |
58% |
72 |
26% |
6 |
2% |
21 |
11 |
9 |
|
Total Operational Projects |
Projects Completed |
% Projects Completed |
Projects On Target |
% Projects On Target |
Projects Not On Target |
% Projects Not On Target |
Projects on Hold |
Projects cancelled |
Projects N/A |
|
80 |
28 |
35% |
30 |
38% |
4 |
5% |
4 |
0 |
14 |
Table 1: Total Capital and operational projects completed, not on target, on hold and cancelled
Consultation
Whilst updates on the status of CBP projects are provided by Managers on a monthly basis, workshops with all service units were held during the end of year report process to determine the status of their respective projects as well as to incorporate several strategic highlights and challenges. The Executive Management Team has also been consulted to ensure the accuracy of progress reports.
Comment
This report provides a detailed analysis of the City's progress against its commitments to the community for 2013/14. Given the status of projects, this has indicated the need for more realistic project planning and the impact this continues to have on the City's capacity to deliver on business as usual and other operational activities.
Statutory Compliance
Section 5.56(1) and (2) of the Local Government Act (1995) requires that each local government is 'to plan for the future of the district' by developing plans in accordance with the regulations.
The Local Government (Administration) Regulations 1996 has been amended to require each local government to adopt a Strategic Community Plan and a Corporate Business Plan.
As a minimum, the Frameworks and Guidelines suggest the following:
· Performance Monitoring – establish systems that allow for review as follows:
- Strategic Community Plan – annual monitoring
- Corporate Business Plan – annual monitoring
- Operational Plans – quarterly monitoring
- Annual Budget – monthly monitoring
· Reporting – establish systems that allow for reporting as follows:
- Quarterly reporting – report by the local government Administration to Council outlining progress being made against the Budget that in turn reflects progress against the Corporate Business Plan
Annual reporting – report by the local government to the community outlining progress made against the CBP that in turn reflects progress against the SCP.
Strategic Implications
The proposal aligns with the following objective within the Strategic Community Plan 2013 – 2023:
“4 Civic Leadership - Working with others to ensure the best use of our resources.
4.3 A Strong and Progressive Organisation - You will recognise the hard work and professionalism delivered by your council through your interactions and how our community is developing.”
Risk Management Considerations
The reliability of the report is dependent on the accuracy of information provided by the relevant directorates and business units and as captured and verified through the various IT systems in use.
Policy Implications
There are no policy implications.
Financial Implications
There are no additional financial implications associated with these recommendations.
Voting Requirements
Simple Majority
That Council RECEIVES the Year End Corporate Progress Report 2013/14.
Attachments:
|
1. |
Year End Corporate Progress Report 2013 FINAL version 10 |
14/235741 |
Minuted |
CITY OF WANNEROO Agenda OF Elected Members' Briefing Session 09 September, 2014 379
File Ref: 6561 – 14/236053
Responsible Officer: Director Corporate Strategy & Performance
Disclosure of Interest: Nil
Attachments: 1
Issue
To consider the adoption of the revised Internal Audit Plan for the 2014/15 financial year.
Background
The City's Strategic Internal Audit Plan 2012/13 – 2014/15 (Strategic Audit Plan) details the indicative areas which will be audited over a three-year period; this was adopted by Council on 2 April 2013. The Strategic Audit Plan was developed and prioritised based on a consideration of the City's risk exposures, and from discussions between the City's Internal Auditors (KPMG), the Chief Executive Officer (CEO), and relevant Management. Prior to the start of each financial year, the planned audits are reviewed to determine their continuing relevance and priority for them to be conducted during that year.
The Internal Audit Plan for 2014/15 has recently been reviewed and the proposed amendments were presented for consideration by the Audit Committee at its 26 August 2014 meeting.
Detail
The amendments were made in order to take into consideration the key risks presented by changes to the City’s business as well as the impact of regulatory changes. In particular a consideration of:
· observations from the City’s Audit Committees
· discussions with the CEO and relevant Management
· discussions with the Audit Committee Chair
· legislative changes
· the Internal Audit Plan for 2013/14
· incidents/factors impacting the City’s core business processes
· current organisational restructuring activities and Operating Model Review being undertaken by the City.
Two audits have been identified and prioritised as critical to managing the City’s risks, which have replaced the audits that were originally planned for 2014/15, as noted in the Strategic Audit Plan. These are:
· Carabooda Internal Audit
· Clause 17 Internal Audit Review.
Snapshot of the three-year Strategic Audit Plan
The following table outlines the existing three-year Strategic Audit Plan which was adopted by Council in April 2013:

Snapshot of amendments to the 2014/15 Strategic Audit Plan
The following table outlines the previous audits listed in the Strategic Audit Plan for 2014/15 against the revised 2014/15 engagements:
|
Business unit |
Strategic Internal Audit Plan 2014/15 |
Proposed 2014/15 Engagements |
|
Corporate Strategy and Performance |
IT Strategy and Performance IT General Controls |
Carabooda Internal Audit Clause 17 – Internal Audit Review |
|
City Businesses |
|
|
|
Community Development |
Grants and Funding Management |
|
|
Infrastructure |
Infrastructure Projects Planning Process – Phase 2 (Tendering) |
|
|
Planning & Sustainability |
|
|
|
Office of the CEO |
Policy Compliance Occupational Health & Safety
|
Consultation
The amendments were made based on discussions held between KPMG, the CEO and Audit Committee Chair in consultation with relevant Management.
Comment
Whilst it is not intended at this stage to proceed with the audits that were previously planned for 2014/15, it is envisaged that the Clause 17 Internal Audit Review will result in an action plan which will assist in prioritising future audits of processes and controls and the key areas for improvement.
Statutory Compliance
The Clause 17 Internal Audit Review is planned and prioritised to comply with the legislative requirements of Sections 16(c) and 17 of the Local Government (Audit) Regulations 1996.
Strategic Implications
The proposal aligns with the following objective within the Strategic Community Plan 2013 – 2023:
“4 Civic Leadership - Working with others to ensure the best use of our resources.
4.3 A Strong and Progressive Organisation - You will recognise the hard work and professionalism delivered by your council through your interactions and how our community is developing.”
Risk Management Considerations
Amendments to the Internal Audit Plan were made by KPMG using a risk-based approach with consideration towards targeting areas of high risk and where there is a need to improve management of risk, internal control and compliance.
Policy Implications
The proposed Internal Audit Plan for 2014/15 may result in new policy development as a result of the outcomes of the planned audits.
Financial Implications
The cost of implementing the revised Internal Audit Plan will be met through the City's adopted operating budget for 2014/15.
Voting Requirements
Simple Majority
That Council ADOPTS the revised Internal Audit Plan for 2014/2015, as detailed in Attachment 1.
Attachments:
|
1. |
Revised Internal Audit Plan for 2014/2015 |
14/224244 |
Minuted |
CITY OF WANNEROO Agenda OF Elected Members' Briefing Session 09 September, 2014 390
File Ref: 6561 – 14/236080
Responsible Officer: Director Corporate Strategy & Performance
Disclosure of Interest: Nil
Attachments: 1
Issue
To consider the adoption of the extension of the current contract for KPMG Internal Audit Services (Contract Number: 01127) for an additional twelve months from 1 October 2014.
Background
Council at its Ordinary meeting of 20 September 2011 approved the acceptance of the tender for Internal Audit Services in accordance with the City of Wanneroo's (the City) standard conditions of tendering. The Internal Audit Services Contract commenced on 1 October 2011 for a period of three years and will expire on 30 September 2014.
The extension of the current contract for KPMG Internal Audit Services was presented for consideration by the Audit Committee at its 26 August 2014 meeting.
Detail
The current Internal Audit Services Contract provides an option for extension in that the City may consider extending the contract period for two additional twelve-month periods up to 30 September 2016 or a part thereof. If the City chooses to extend the contract period, such extension of this contract shall be in writing in accordance with the same terms and conditions of the contract and shall be at the discretion of the City.
In accordance with the Local Government Operational Guidelines – Number 09, Audit Committee recommends to Council, the appointment of its auditor.
Consultation
The CEO and Administration have consulted KPMG regarding the extension for the current Internal Audit Services Contract in order to prioritise the audits to be conducted in the new contract period.
Comment
The Administration has reviewed the current Internal Audit Services Contract and has proposed variations to be considered in the extended contract, including details of the service delivery requirements to be provided as follows:
· engagement information gathered for each audit/other service which will be indicated as a deliverable in each audit scope;
· internal audit report;
· communication plan with the City's in-house team and other key stakeholders from planning stage to reporting stage;
· other deliverables as agreed in discussion with the City's Management, such as progress reports, expected timeframes, and robust performance measures.
The Administration has formally requested KPMG in a letter dated on 22 July 2014 to consider the variations and prepare an internal audit services proposal for the period from 1 October 2014 to 30 September 2015. KPMG has provided a contract variation letter (Attachment 1) to the City on 18 August 2014 detailing the proposed changes. These changes are in accordance with the requirements as requested by the Administration.
Statutory Compliance
Nil
Strategic Implications
The proposal aligns with the following objective within the Strategic Community Plan 2013 – 2023:
“4 Civic Leadership - Working with others to ensure the best use of our resources.
4.2 Working With Others - The community is a desirable place to live and work as the City works with others to deliver the most appropriate outcomes.”
Risk Management Considerations
The internal audits are prioritised with consideration of the key risks and challenges inherent in the City's business operations as well as the compliance obligations imposed by the City’s regulatory environment.
Policy Implications
Nil
Financial Implications
Funds for internal audit services have been included in the adopted 2014/15 Budget relating to Internal Audit Services.
Voting Requirements
Absolute Majority
That Council ADOPTS BY ABSOLUTE MAJORITY the extension of the contract for KPMG Internal Audit Services for an additional twelve months from 1 October 2014.
Attachments:
|
1. |
Internal Audit Contract Extension Variation Letter_KPMG |
14/228066 |
Minuted |
CITY OF WANNEROO Agenda OF Elected Members' Briefing Session 09 September, 2014 397

Governance
File Ref: 12895 – 14/225336
Responsible Officer: Director Corporate Strategy & Performance
Disclosure of Interest: Nil
Attachments: Nil
Issue
Section 3.16 of the Local Government Act 1995 requires local governments to review their local laws every eight years. The City’s local laws are due for review.
Background
The City has the following local laws in place:
· Animals Local Law 1999 (last Amendment 2008 GG 058)
· Bush Fire Brigades Local Law 2001 (last Amendment 2008 GG 058)
· Extractive Industries Local Law 1998 (last Amendment 2008 GG 058)
· Health Local Law 1999 (last Amendment 2007 GG 183)
· Local Government and Public Property Local Law 1999 (last Amendment 2008 GG 058)
· Parking and Parking Facilities Local Law 1999 (last Amendment 2008 GG 058)
· Private Property Local Law 2001 (last Amendment 2010 GG 007)
· Signs Local Law 1999 (last Amendment 2008 GG 058)
· Standing Orders Local Law 2008
· Trading in Public Places Local Law 1999 (last Amendment 2008 GG 058)
Detail
The City has made amendments to the local laws from time to time. An overall review will assist to ensure they remain relevant.
Consultation
The review process set out in s3.16 of the Local Government Act 1995 (the Act) requires a local government to give State wide public notice for a period of at least six (6) weeks advising that it is reviewing a local law and calling for submissions from the public.
Comment
As well as the call for submissions from the public in relation to local laws, City staff will undertake an internal review of local laws.
The process to then make, amend or repeal a local law is set out in s3.12 of the Act, which in itself requires Council to initiate any changes, advertise them, consider submissions and then decide to make the local law or amendment. Any changes will therefore be bought before Council at a later stage.
Statutory Compliance
Section 3.16 of the Local Government Act 1995 provides that:
"(1) Within a period of 8 years from the day when a local law commenced or a report of a review of the local law was accepted under this section, as the case requires, a local government is to carry out a review of the local law to determine whether or not it considers that it should be repealed or amended.
(2) The local government is to give Statewide public notice stating that —
(a) the local government proposes to review the local law;
(b) a copy of the local law may be inspected or obtained at any place specified in the notice; and
(c) submissions about the local law may be made to the local government before a day to be specified in the notice, being a day that is not less than 6 weeks after the notice is given.
(2a) A notice under subsection (2) is also to be published and exhibited as if it were a local public notice.
(3) After the last day for submissions, the local government is to consider any submissions made and cause a report of the review to be prepared and submitted to its council.
(4) When its council has considered the report, the local government may determine* whether or not it considers that the local law should be repealed or amended.
* Absolute majority required."
Strategic Implications
The proposal aligns with the following objective within the Strategic Community Plan 2013 – 2023:
“4 Civic Leadership - Working with others to ensure the best use of our resources.
4.1 Listening and Leading - Our community actively participates in forums and events to discuss and inform the local decision-making.”
Risk Management Considerations
The Act requires the review to be undertaken. If not, the City will be in breach of a statutory obligation.
Policy Implications
Nil
Financial Implications
There are costs associated with placing advertisements calling for submissions as part of the review and possible legal costs depending on the extent of amendments resulting from the review or the requirement to adopt new local laws.
Voting Requirements
Simple Majority
That Council:-
1. In accordance with s3.16 of the Local Government Act 1995, AUTHORISES Administration to provide State wide and local public notice stating that the City proposes to review the following local laws:
a) Animals Local Law 1999
b) Bush Fire Brigades Local Law 2001
c) Extractive Industries Local Law 1998
d) Health Local Law 1999
e) Local Government and Public Property Local Law 1999
f) Parking and Parking Facilities Local Law 1999
g) Private Property Local Law 2001
h) Signs Local Law 1999
i) Standing Orders Local Law 2008
j) Trading in Public Places Local Law 1999
2. NOTES that a copy of the local laws may be inspected or obtained at the City offices or from its website;
3. NOTES that submissions about the local laws may be made to the City before a day to be specified in the notice, being a day that is not less than six (6) weeks after the notice is given; and
4. NOTES that the results of the above advertising be presented to Council for consideration of any submissions received.
Attachments: Nil
CITY OF WANNEROO Agenda OF Elected Members' Briefing Session 09 September, 2014 400

File Ref: 2855V02 – 14/237636
Responsible Officer: Manager Governance & Legal
Disclosure of Interest: Nil
Attachments: Nil
Issue
To consider requests for sponsorships, donations and waiver of fees in accordance with the City’s Donations, Sponsorships and Waiver of Fees and Charges Policy.
Background
The Donations, Sponsorships and Waiver of Fees and Charges Policy requires applications over $500 from individuals and organisations to be determined by Council. Consequently a report is prepared for Council meetings, coinciding with a period where applications of this nature have been received.
With respect to requests for sponsorships, the City’s Policy specifies that for National Events the amount provided will be $200.00 per individual, capped at $600.00 per team, and for International Events the amount provided is $500.00 per individual capped at $1,500.00 per team. Schools are capped at $2,000.00 per school per financial year.
Detail
During this period, the City received two sponsorship requests, one community donation request and nil requests for a waiver of fees and charges, which are summarised as follows. Copies of the full applications are available from Governance upon request.
Comment
Sponsorship Donations
|
Applicant 1 – Woodvale Secondary College |
|
|
Name of Individual/s
|
Tamia and Zoe Duff, Charlotte Evans, Zoe Garrett, Kaitlyn McWilliam, Gabrielle Potter, Grace Smith, Laura Trist and Amy Buck. |
|
Reside in City of Wanneroo 18years of age or under |
Yes Yes |
|
Event Details |
Secondary Schools Football Challenge, Kuala Lumpur, Malaysia, 26 September to 6 October 2014. |
|
Commitment to providing a written report regarding the event |
Yes |
|
Commitment to acknowledgement of the City of Wanneroo |
Yes |
|
Eligibility Level
|
5.4 Selection of individuals by schools are subject to the following criteria:- "Funding will be to a maximum of $2,000.00 per school, per financial year to support students attending events" |
|
Comments
|
In accordance with Council’s Policy for schools the amount provided is $2,000.00 per school per financial year. This school has not received funding in the current financial year so are eligible for the full amount. |
|
Recommendation
|
APPROVE a request for sponsorship in the sum of $2,000.00 to Woodvale Secondary College for the participation of Tamia and Zoe Duff, Charlotte Evans, Zoe Garrett, Kaitlyn McWilliam, Gabrielle Potter, Grace Smith, Laura Trist and Amy Buck in the Secondary Schools Football Challenge to be held in Kuala Lumpur, Malaysia from 26 September to 6 October 2014. |
|
Reason |
This request satisfies the criteria of the policy. |
|
Applicant 2 – Talent Co. Dance & Entertainment |
|
|
Name of Individual/s
|
12 & under: Holly Clark, Mia-Kate Corfield and Shanzay Hansrod 16 & under: Romee van Polen, Taya Lewis-Smith and Georgia Lewis Open Age: Emma Duncan, Rahela Milovsevki and Courtney Naumovski |
|
Reside in City of Wanneroo 18years of age or under |
Yes Yes |
|
Event Details |
Dancelife Unite 2014 National Finals, Sydney NSW, 5 October 2014 |
|
Commitment to providing a written report regarding the event |
Yes |
|
Commitment to acknowledgement of the City of Wanneroo |
Yes |
|
Eligibility Level
|
$200.00 per individual (capped at $600 per team to a maximum of four teams per event) |
|
Comments
|
This request is for three teams and meets the criteria of the policy. |
|
Recommendation
|
APPROVE a request for sponsorship in the sum of $1,800.00 to Talent Co. Dance & Entertainment for the participation of 12 & under: Holly Clark, Mia-Kate Corfield and Shanzay Hansrod; 16 & under: Romee van Polen, Taya Lewis-Smith and Georgia Lewis; and Open Age: Emma Duncan, Rahela Milovsevki and Courtney Naumovski in the Dancelife Unite 2014 National Finals to be held in Sydney NSW on 5 October 2014. |
|
Reason |
This request satisfies the criteria of the policy. |
Community Group Donations
|
Applicant 1 – Perth North Sub Section Naval Association |
|
|
Request amount |
$750.00 |
|
Description of request |
Donation for cost of catering and hire of equipment for Remembrance Day Service, Wanneroo Memorial Park, 11 November 2014 |
|
Criteria |
Evaluation |
|
Potential for income generation |
Nil |
|
Status of applicant organisation |
Not for Profit |
|
Exclusivity of the event or project |
Open to all members of the public |
Alignment with Council’s existing philosophies, values and strategic direction |
This request supports Objective 2.2 of Council’s Strategic Community Plan being “Healthy and Active People". |
|
Alternative funding sources available or accessed by the organisation |
Nil |
|
Contribution to the event or activity made by the applicant or organisation |
$250.00 plus 20 hours in kind contribution |
|
Previous funding assistance provided to the organisation by the City |
GS01-08/07 $2,000 (Navy Day & Remembrance Day) GS01-11/07 $2,000 (Navy Day & Remembrance Day) CD01-09/09 $2,000 (Navy Day & Remembrance Day) CS05-09/10 $2,107 (Navy Day & Remembrance Day) CD03-05/11 $2,000 (Navy Day & Remembrance Day) CD02-05/12 $1,000 (Navy Day & Remembrance Day) |
|
Commitment to acknowledge the City of Wanneroo |
Yes |
|
Comments |
This request would normally go to Community Funding as a hallmark event, but the group missed the deadline for that and so are applying against the criteria of the Donations, Sponsorships and Waiver of Fees and Charges Policy. |
|
Recommendation |
APPROVE a donation in the sum of $750.00 to the Perth North Sub Section Naval Association towards the cost of catering and hire of equipment for Remembrance Day Service, Wanneroo Memorial Park, 11 November 2014. |
|
Reason |
This request satisfies the criteria of the policy. |
|
Applicant 2 – Twin Cities FM |
|
|
Request amount |
$11,000.00 |
|
Description of request |
Donation to assist in operational costs for 2014/15 financial year. |
|
Criteria |
Evaluation |
|
Potential for income generation |
Not specified, but offer advertising packages |
|
Status of applicant organisation |
Community radio station |
|
Exclusivity of the event or project |
Broadcast to public |
Alignment with Council’s existing philosophies, values and strategic direction |
|
|
Alternative funding sources available or accessed by the organisation |
Sponsorship income (projected goal $50,000) Grant funding (approx $10,000) In kind contribution from ECU reduces operating costs by $13,500 per annum Application to City of Joondalup |
|
Contribution to the event or activity made by the applicant or organisation |
Not stated but need approx. $7,000 per month |
|
Previous funding assistance provided to the organisation by the City |
$10,000 CD22-11/02 (for equipment) $40.00 Waiver of fees June 2002 $225.00 Waiver of fees November 2002 $133.00 Waiver of fees May 2003 $300.00 Waiver of fees December 2003 $75.00 Waiver of fees October 2004 $75.00 Waiver of fees March 2007 $100.00 Waiver of fees October 2007 $5,000 CD01-07/12 Sponsorship 2012-13 $5,000 CD01-02/14 Sponsorship 2013-14 |
|
Commitment to acknowledge the City of Wanneroo |
Yes |
|
Comments |
At the 4 February 2014 Ordinary Council meeting, the following alternative recommendation was supported "2. AMENDS the Donations, Sponsorships and Waiver of Fees and Charges Policy at its next review to include under Section 6 an annual donation of $5,000.00 to 89.7 Twin Cities FM." The policy is in the process of being reviewed and will include this donation, therefore the recommendation is to support this request but only to an amount of $5,000.00. |
|
Recommendation |
APPROVE a donation to Twin Cities FM in the sum of $5,000.00 to assist in operational costs for the 2014/15 financial year. |
|
Reason |
This request satisfies the criteria of the policy. |
Statutory Compliance
Nil
Strategic Implications
The proposal aligns with the following objective within the Strategic Community Plan 2013 – 2023:
“2 Society - Healthy, safe, vibrant and active communities.
2.2 Healthy and Active People - We get active in our local area and we have many opportunities to experience a healthy lifestyle.”
Risk Management Considerations
Nil
Policy Implications
The City of Wanneroo Donations, Sponsorship and Waiver of Fees and Charges Policy states that sponsorship applications for attendance at National Events will be capped at $600.00 per team and Regional or State capped at $600 per club (up to four teams). International events will be capped at $1,500.00 per team and schools capped at $2,000.00 per school per financial year.
Financial Implications
|
Budget 2014/2015 |
|
$80 000.00 |
|
Amount expended to date (as at 02 Sept 2014) |
|
$22,550.00 |
|
Balance |
|
$57,450.00 |
|
Total of requests for this round: Donations (in this report):
Total this Round (recommended) |
$9,550.00 |
$9,550.00 |
|
BALANCE |
|
$47,900.00 |
Voting Requirements
Simple Majority
That Council:-
1. APPROVES a request for sponsorship in the sum of $2,000.00 to Woodvale Secondary College for the participation of Tamia and Zoe Duff, Charlotte Evans, Zoe Garrett, Kaitlyn McWilliam, Gabrielle Potter, Grace Smith, Laura Trist and Amy Buck in the Secondary Schools Football Challenge to be held in Kuala Lumpur, Malaysia from 26 September to 6 October 2014;
2. APPROVE a request for sponsorship in the sum of $1,800.00 to Talent Co. Dance & Entertainment for the participation of 12 & under: Holly Clark, Mia-Kate Corfield and Shanzay Hansrod; 16 & under: Romee van Polen, Taya Lewis-Smith and Georgia Lewis; and Open Age: Emma Duncan, Rahela Milovsevki and Courtney Naumovski in the Dancelife Unite 2014 National Finals to be held in Sydney NSW on 5 October 2014;
3. APPROVE a donation in the sum of $750.00 to the Perth North Sub Section Naval Association towards the cost of catering and hire of equipment for Remembrance Day Service, Wanneroo Memorial Park, 11 November 2014; and
4. APPROVE a donation to Twin Cities FM in the sum of $5,000.00 to assist in operational costs for the 2014/15 financial year.
CITY OF WANNEROO Agenda OF Elected Members' Briefing Session 09 September, 2014 406

Chief Executive Office
3.27 Appointment of the Chief Executive Officer to the Infrastructure Coordinating Committee, Western Australian Planning Commission
File Ref: 4033 – 14/240653
Responsible Officer: Chief Executive Officer
Disclosure of Interest: Nil
Attachments: Nil
Issue
To endorse the appointment of the Chief Executive Officer to the Infrastructure Coordinating Committee (ICC), Western Australian Planning Commission (WAPC).
Background
In accordance with the Planning and Development Act 2005 under Schedule 2(6)(3) of the Act:
"The ICC is to advise the Commission on planning for the provision of physical and community infrastructure throughout the State and to perform such of the functions of the Commission under this Act or any other written law as are delegated to the ICC under section 16."
The ICC has the powers to coordinate the metropolitan development program, the country land development program, and the provision of infrastructure for land development.
Detail
The CEO was asked to consider submitting a CV for appointment to the ICC. His nomination has been successful and his appointment confirmed from 27 August 2014, as the Local Government representative for a term expiring on 26 August 2016, in accordance with Schedule 2 clause 6(2)(j) of the Planning and Development Act 2005.
The Chief Executive Officer is classified as on the public payroll as a government employee in accordance with the Premier's Circular 2010/02 State Government Boards and Committees, and therefore he will not receive sitting fees. Reimbursement of travel expenses is permitted under the Public Sector Commissioner's Circular 2009/20. As a result the CEO involvement on the ICC if supported will be funded by the City of Wanneroo.
Consultation
Nil
Comment
The Chief Executive Officer continues to engage with our key major stakeholders, and appointment to the ICC as the local government representative will achieve one of the goals in the City's recently adopted Advocacy Plan – Region: Collaborative Planning for Major Regional Economic Growth – "Depending on the articulated role of the ICC, include North-West Sub-Region representation on the ICC".
The Chief Executive Officer is seeking Council endorsement of his appointment, which aligns to the Civic Leadership pillar in our Strategic Community Plan of Listening and Leading and Working with Others. The work undertaken by the ICC is considered beneficial to the City's strategic vision and the WAPC is considered to be one of the City's key strategic stakeholder relationships.
Statutory Compliance
The appointment to the ICC is made in accordance with Schedule 2 clause 6(2)(j) of the Planning and Development Act 2005.
Strategic Implications
The proposal aligns with the following objective within the Strategic Community Plan 2013 – 2023:
“4 Civic Leadership - Working with others to ensure the best use of our resources.
4.2 Working With Others - The community is a desirable place to live and work as the City works with others to deliver the most appropriate outcomes.”
Risk Management Considerations
There is minimal risk in the Chief Executive Officer attending Committee meetings which are scheduled usually scheduled quarterly unless a Special Meeting is convened. In accepting the appointment the Chief Executive Officer must abide by the WAPC's Standing Orders for Boards and Committees.
Policy Implications
Nil
Financial Implications
Nil
Voting Requirements
Simple Majority
That Council ENDORSE the appointment of the Chief Executive Officer to the Western Australian Planning Commission's Infrastructure Coordinating Committee.
CITY OF WANNEROO Agenda OF Elected Members' Briefing Session 09 September, 2014 408

Item 4 Motions on Notice
Item 5 Late Reports (to be circulated under separate cover)
File Ref: 5942 – 14/222775
Responsible Officer: A/Director City Businesses
This report is to be dealt with in confidential session, under the terms of the Local Government Act 1995 Section 5.23(2), as follows:
(c) a contract entered into, or which may be entered into, by the local government and which relates to a matter to be discussed at the meeting
File Ref: 5642V02 – 14/215217
Responsible Officer: Director Infrastructure
This report is to be dealt with in confidential session, under the terms of the Local Government Act 1995 Section 5.23(2), as follows:
(e)(ii) a matter that if disclosed, would reveal information that has a commercial value to a person, where the information is held by, or is about, a person other than the local government
File Ref: 5642V02 – 14/241752
Responsible Officer: Mayor Roberts
This report is to be dealt with in confidential session, under the terms of the Local Government Act 1995 Section 5.23(2), as follows:
(a) a matter affecting an employee or employees
CITY OF WANNEROO Agenda OF Elected Members' Briefing Session 09 September, 2014 409

The next Ordinary Council meeting has been scheduled for 7.00pm on Tuesday, 16 September 2014, to be held at Civic Centre, 23 Dundebar Road, Wanneroo.